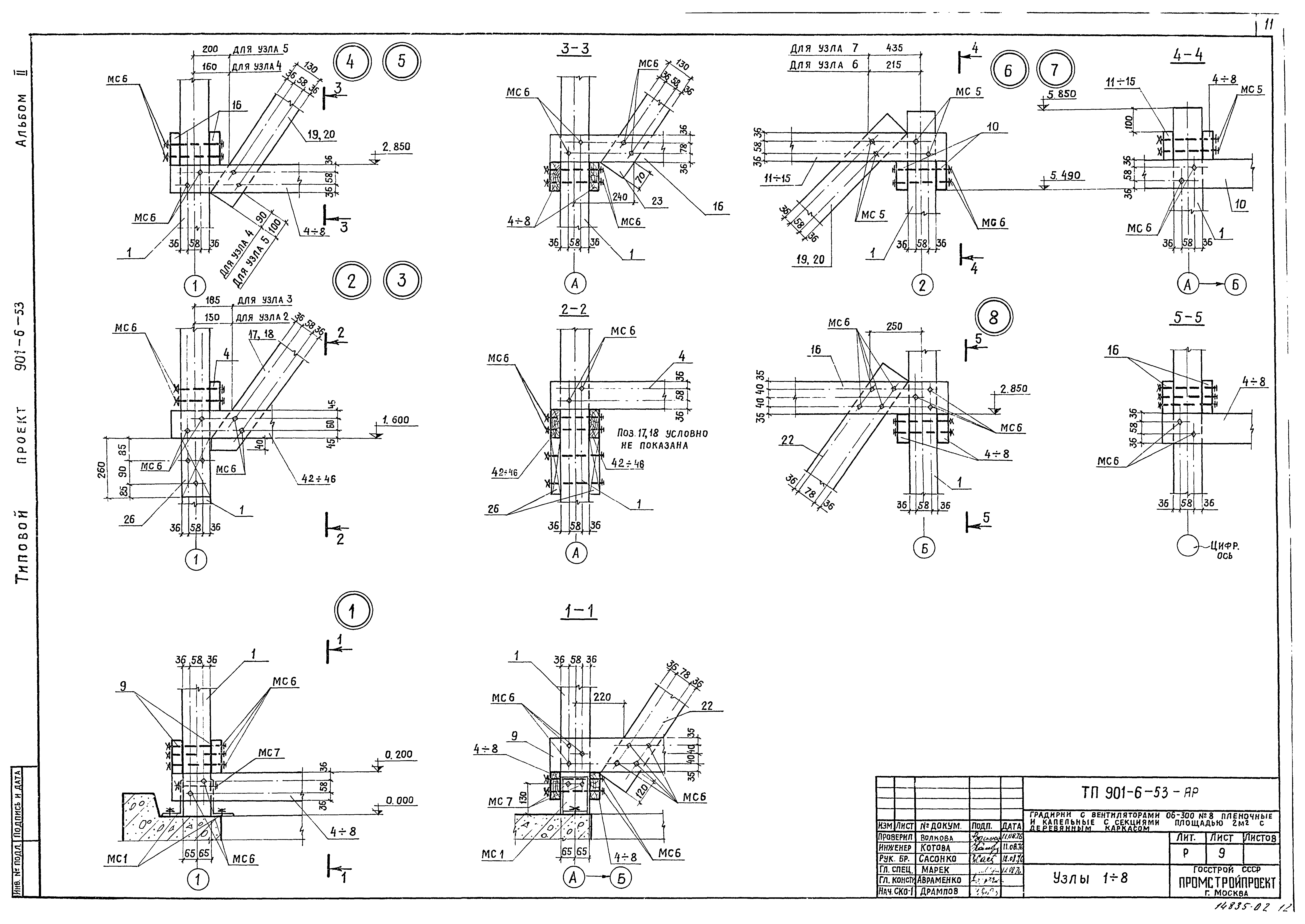
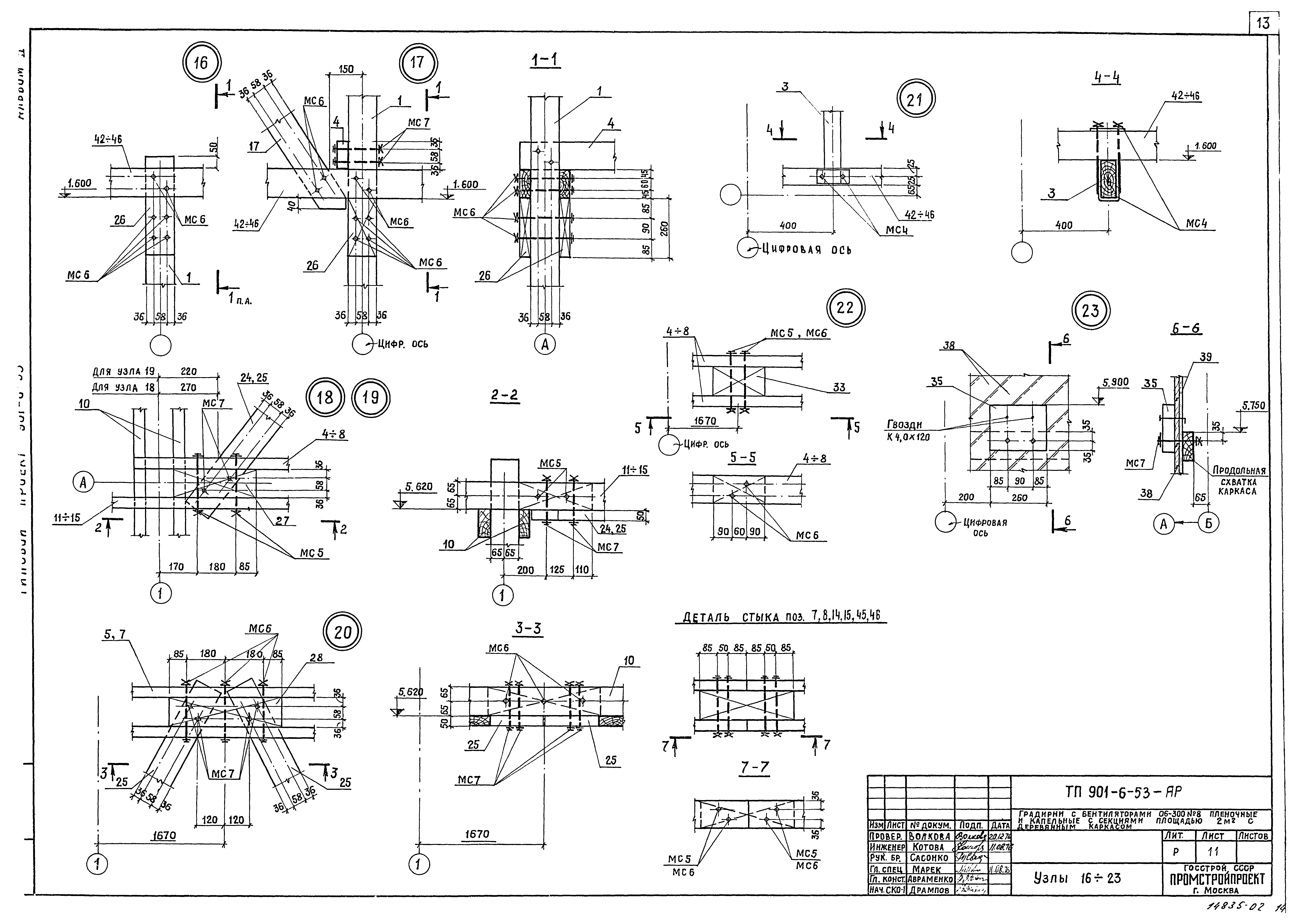
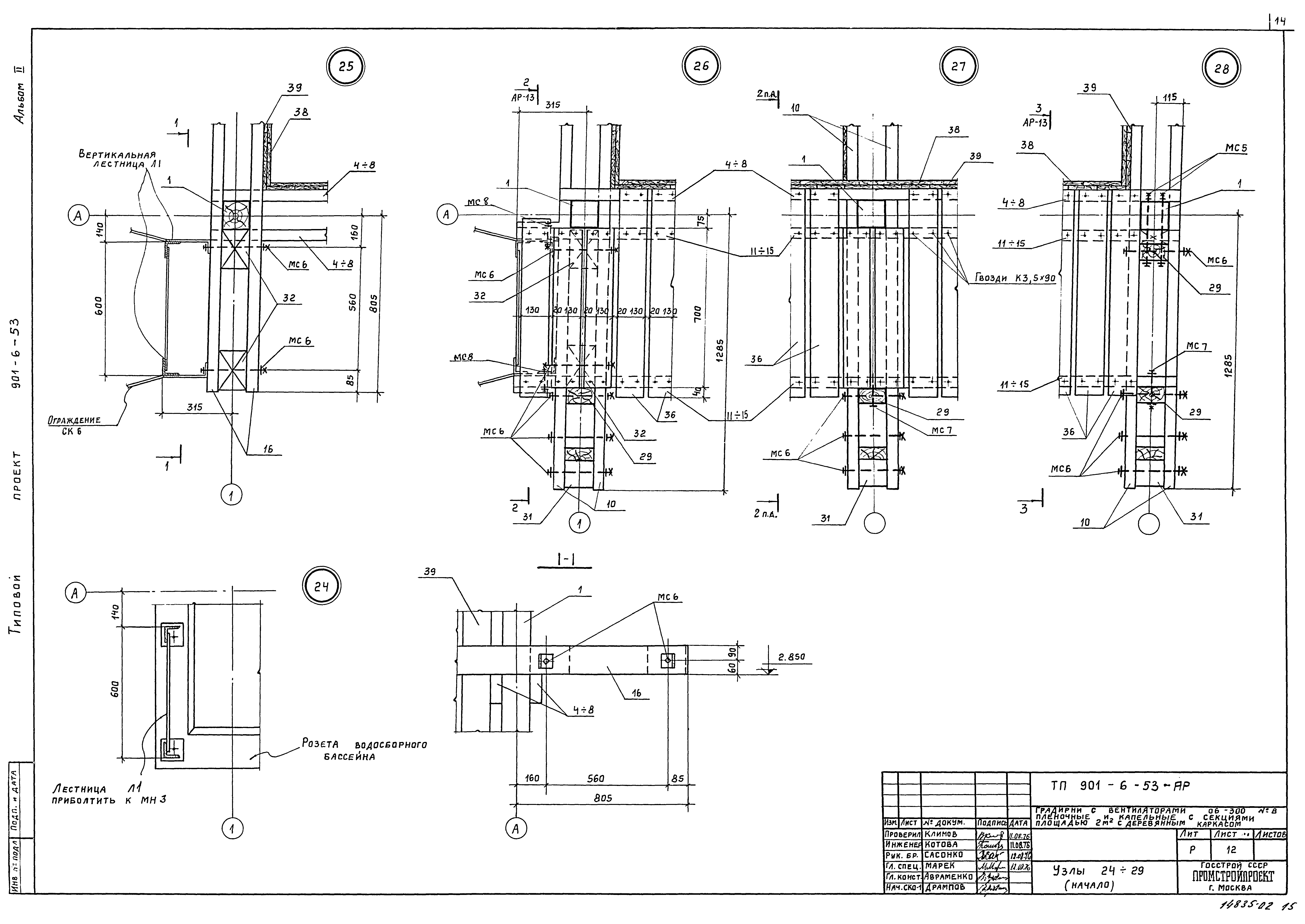
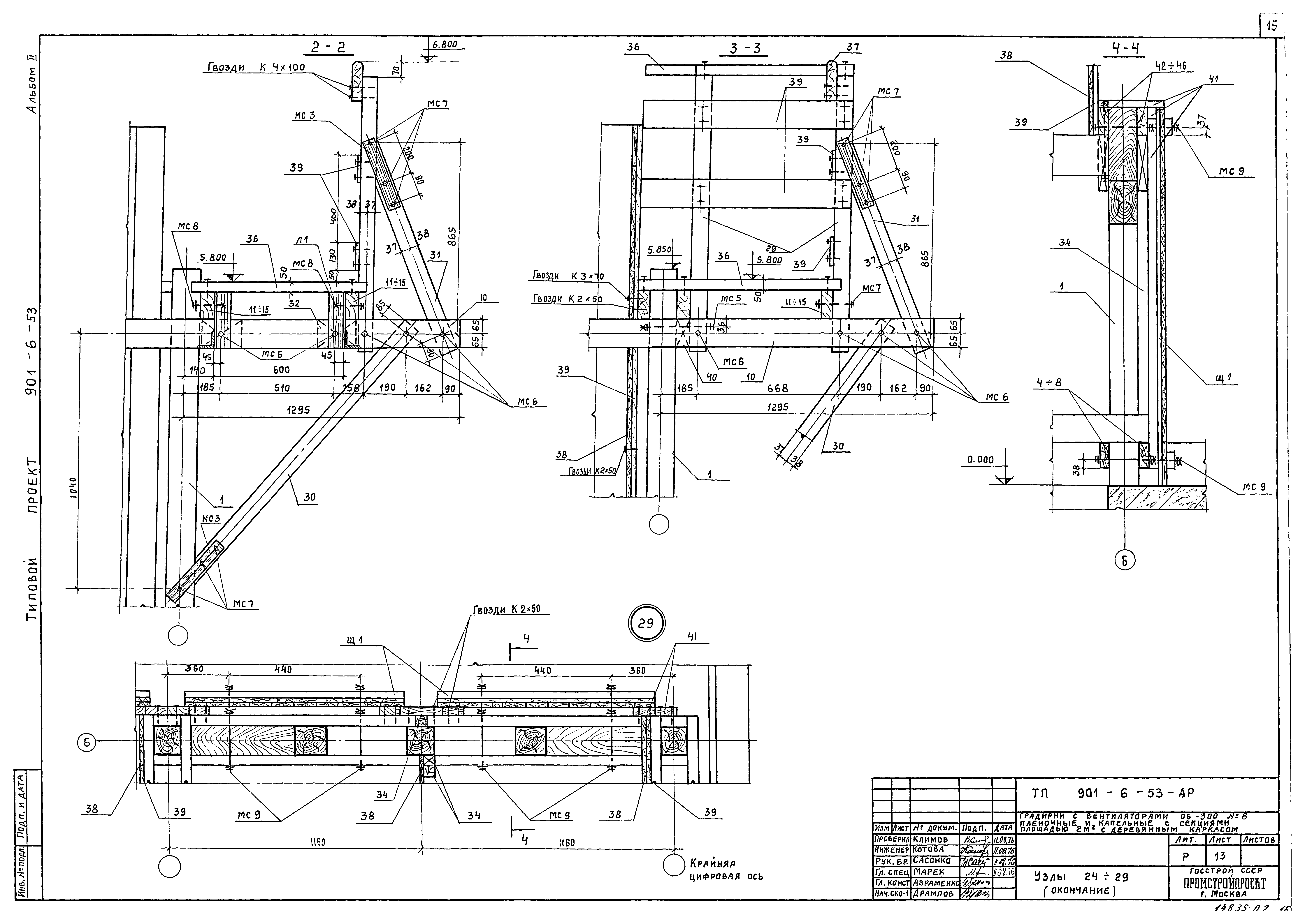
Скачать Типовой проект 901-6-53 Альбом II. Архитектурно-строительные решенияДата актуализации: 01.01.2021
|
| Обозначение: | Типовой проект 901-6-53 |
| Обозначение англ: | 901-6-53 |
| Статус: | отменен |
| Название рус.: | Альбом II. Архитектурно-строительные решения |
| Дата добавления в базу: | 21.05.2015 |
| Дата актуализации: | 01.01.2021 |
| Дата введения: | 30.01.1978 |
| Дата окончания срока действия: | 01.07.1996 |
| Разработан: | Союзводоканалпроект Промстройпроект Ростовский Водоканалпроект |
| Утверждён: | 14.02.1977 Главпромстройпроект Госстроя СССР (10) |
| Издан: | ЦИТП Госстроя СССР (CITP, Gosstroy (USSR) 1978 г. ) |
| Заменяет собой: |
|





























