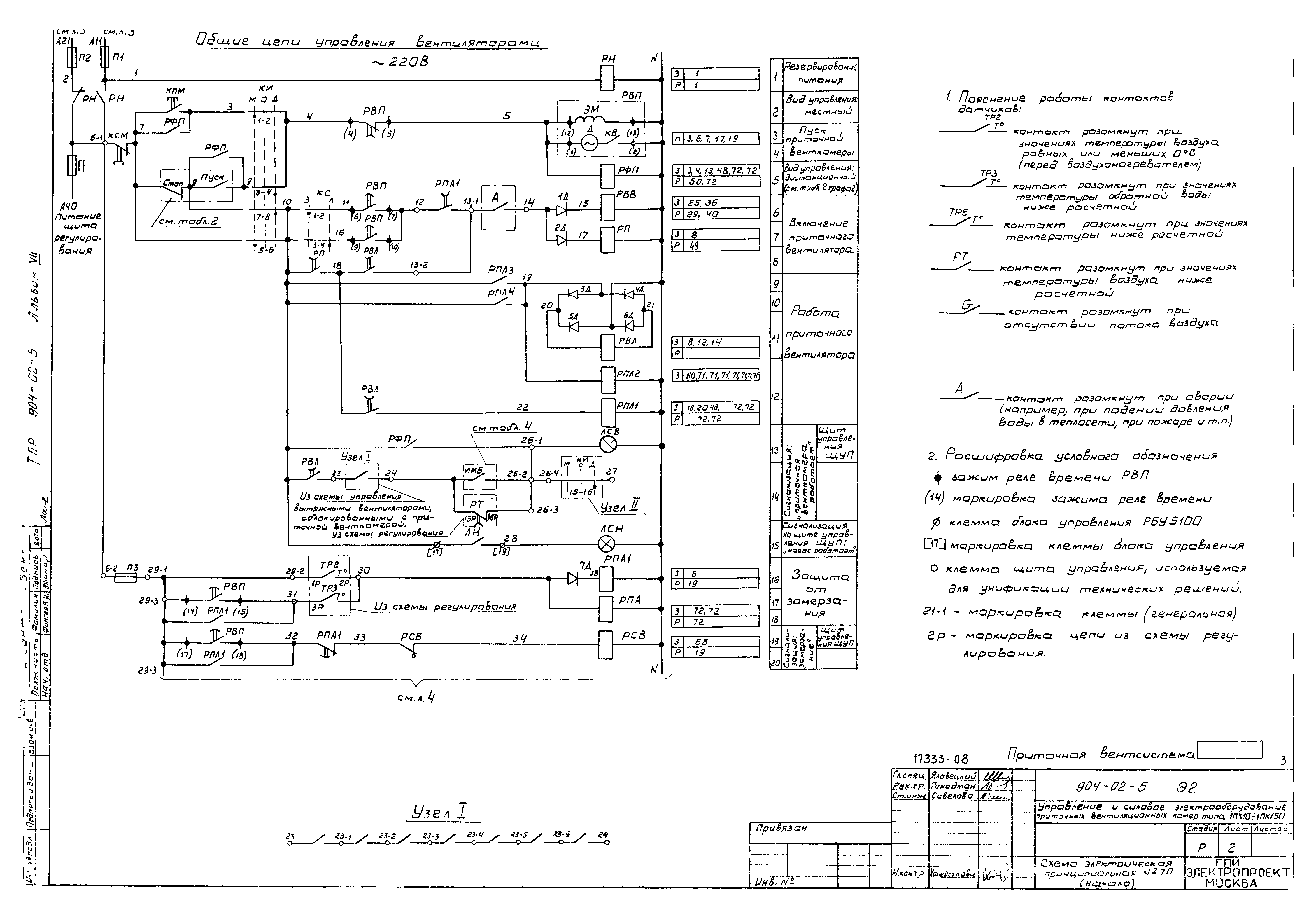
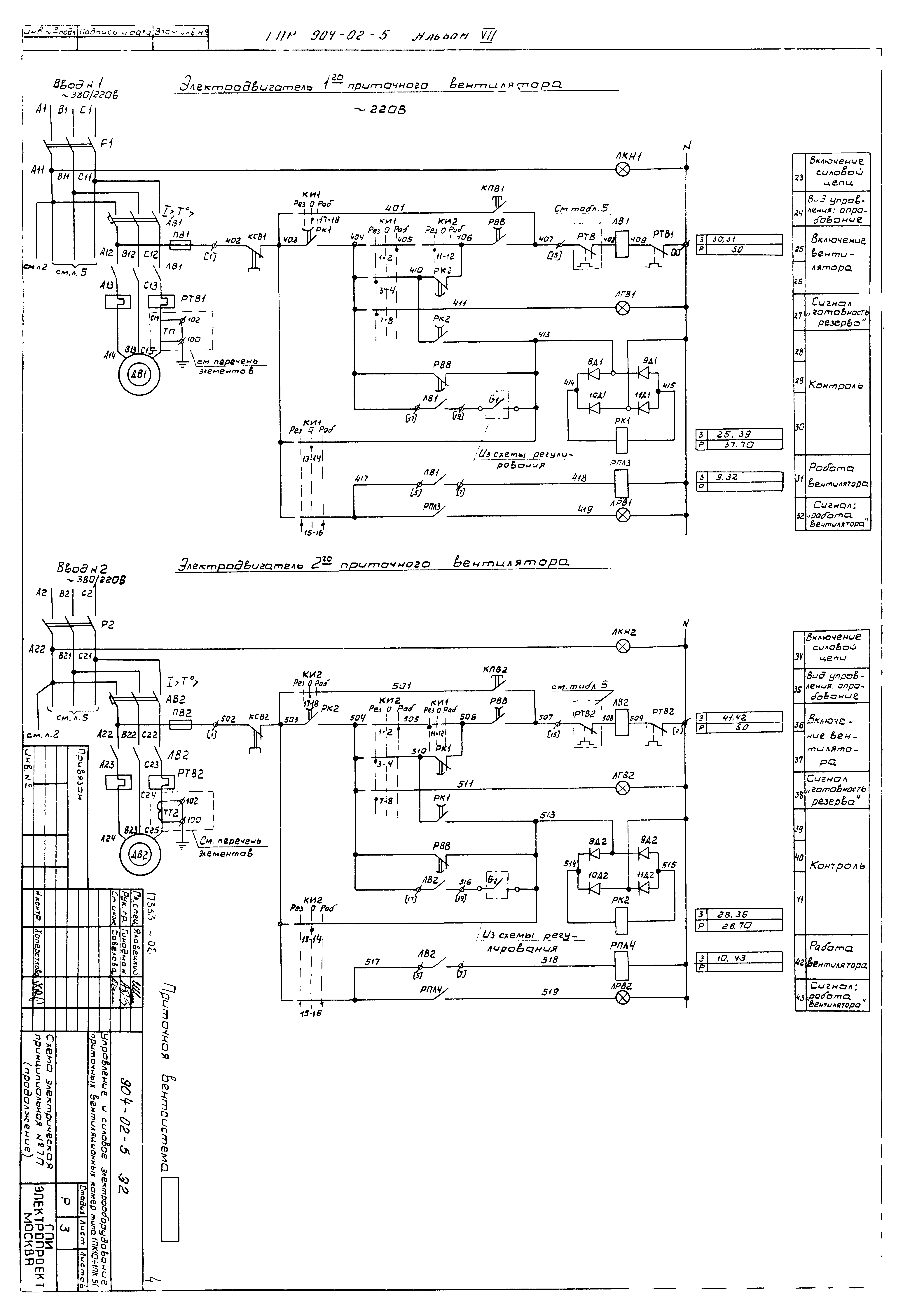
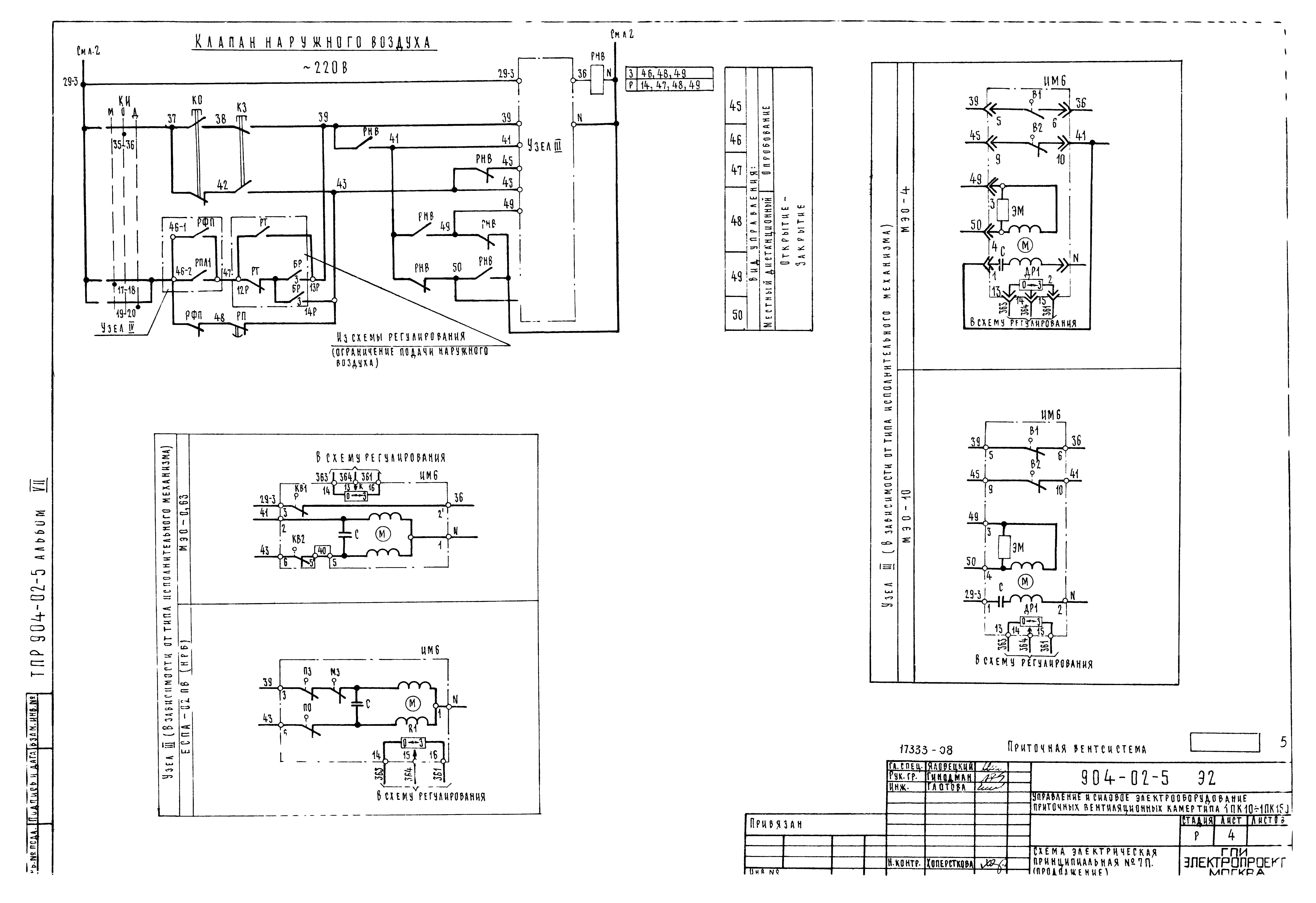
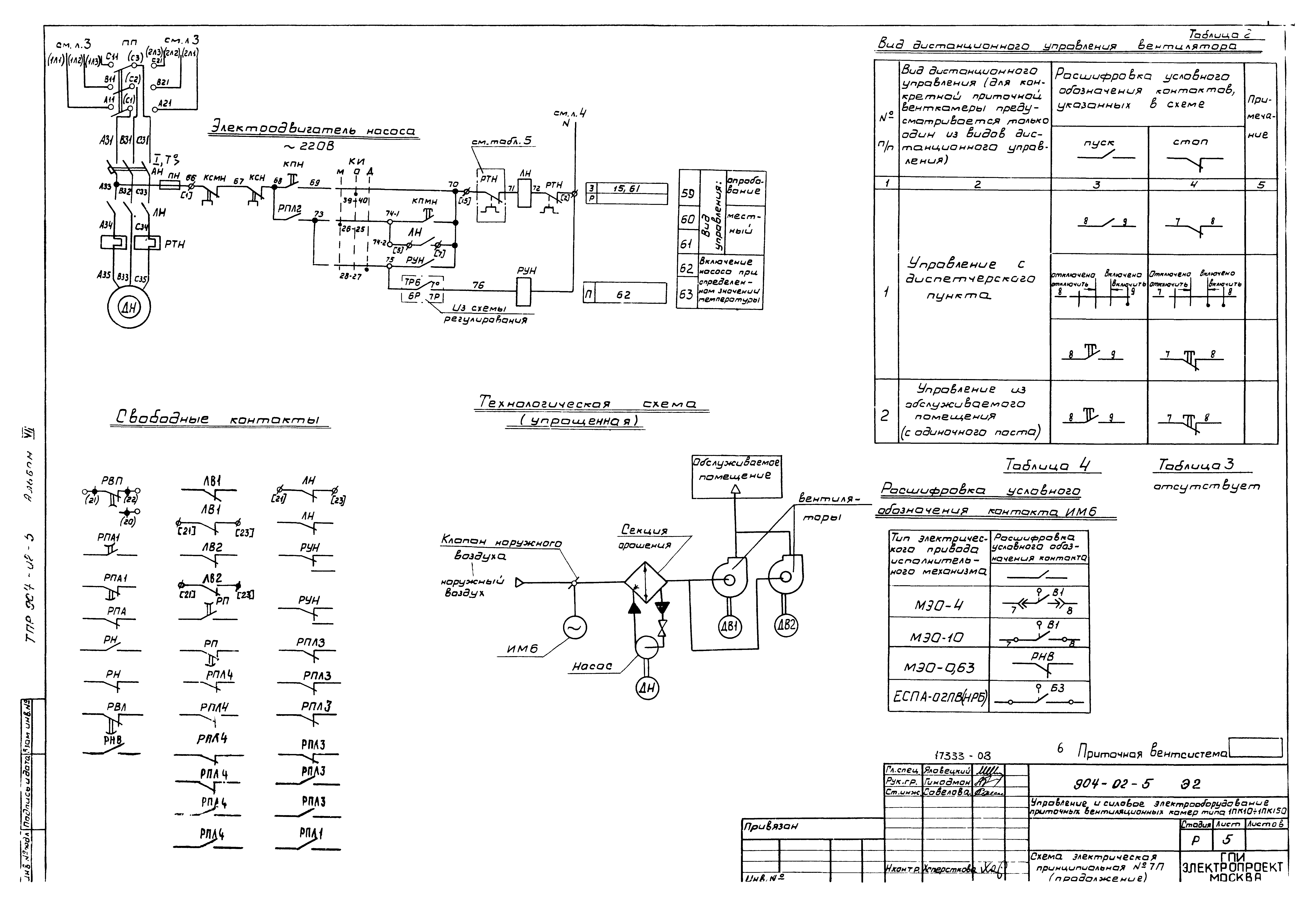
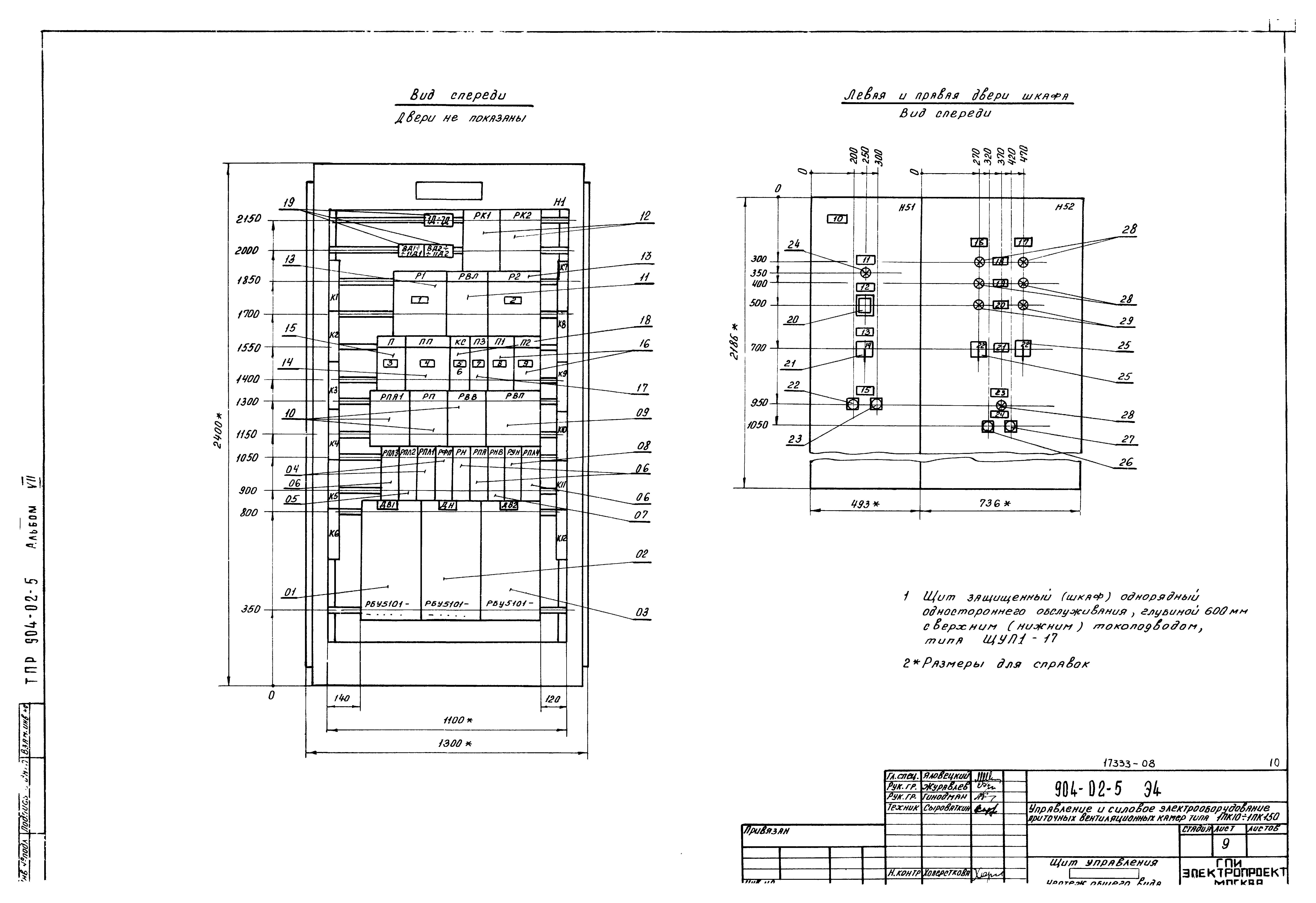
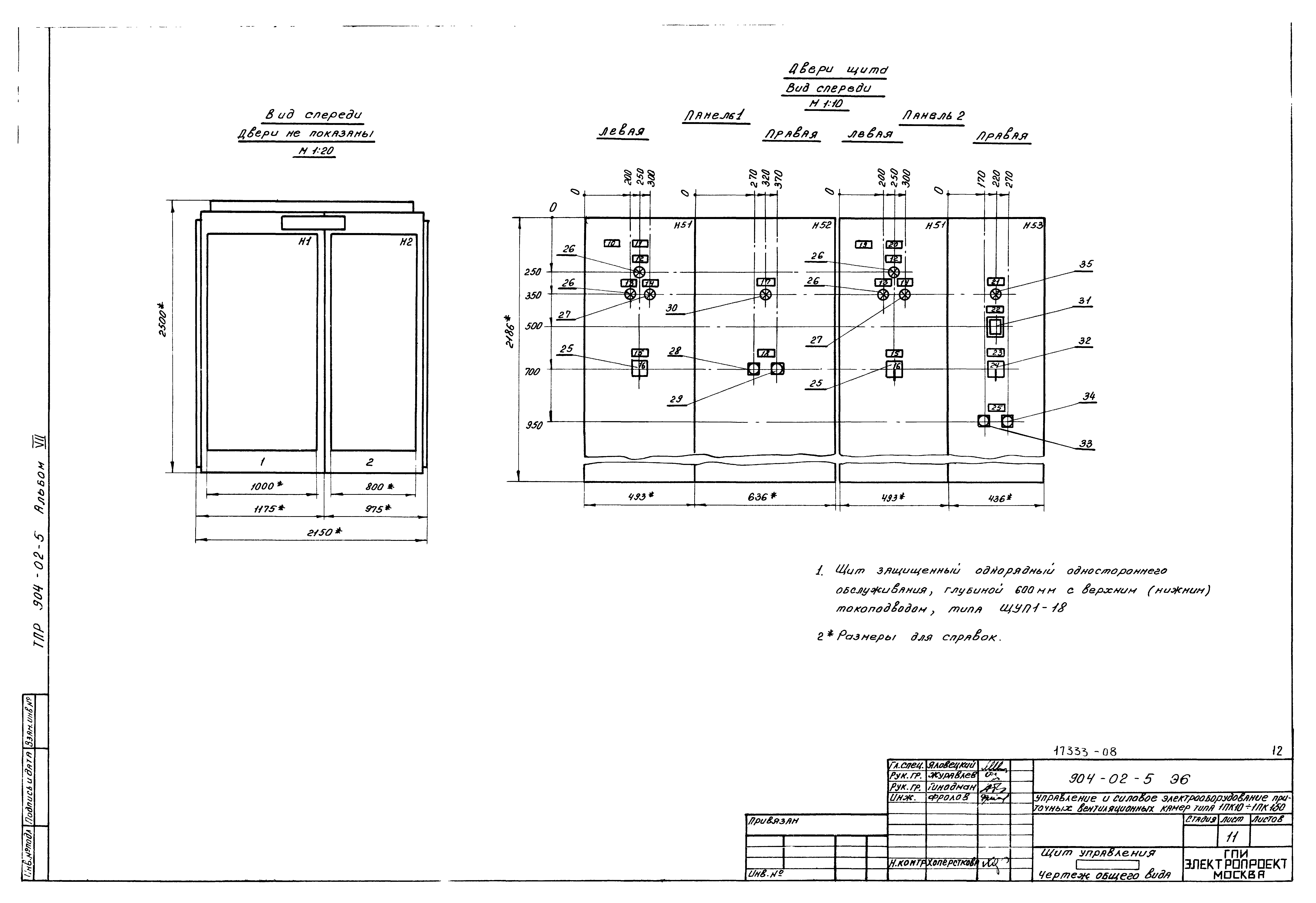
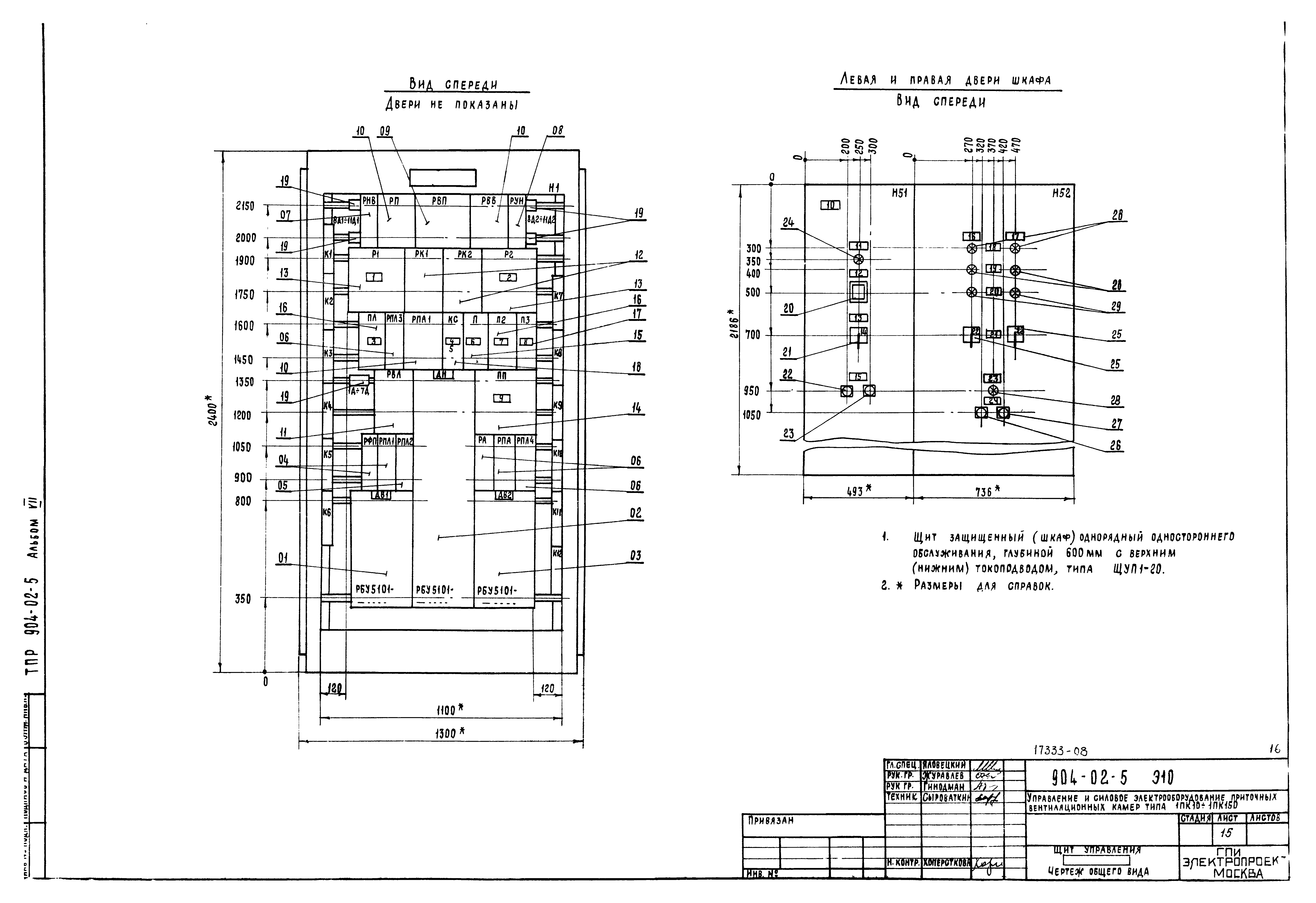
Скачать Типовые проектные решения 904-02-5 Альбом VII. Приточная вентиляционная камера с двумя (рабочим и резервным) вентиляторами и секцией орошенийДата актуализации: 01.01.2021
|
| Обозначение: | Типовые проектные решения 904-02-5 |
| Обозначение англ: | 904-02-5 |
| Статус: | отменен |
| Название рус.: | Альбом VII. Приточная вентиляционная камера с двумя (рабочим и резервным) вентиляторами и секцией орошений |
| Дата добавления в базу: | 21.05.2015 |
| Дата актуализации: | 01.01.2021 |
| Дата окончания срока действия: | 01.02.1987 |
| Разработан: | Электропроект Минмонтажспецстроя СССР |
| Утверждён: | 10.07.1981 Главпромстройпроект Госстроя СССР (45) |



















