Скачать Типовые проектные решения 904-02-5 Альбом X. Приточная вентиляционная камера, переключаемая на режим дежурного отопления, с одним вентилятором и электронагревателем клапана наружного воздухаДата актуализации: 01.01.2021 Типовые проектные решения 904-02-5
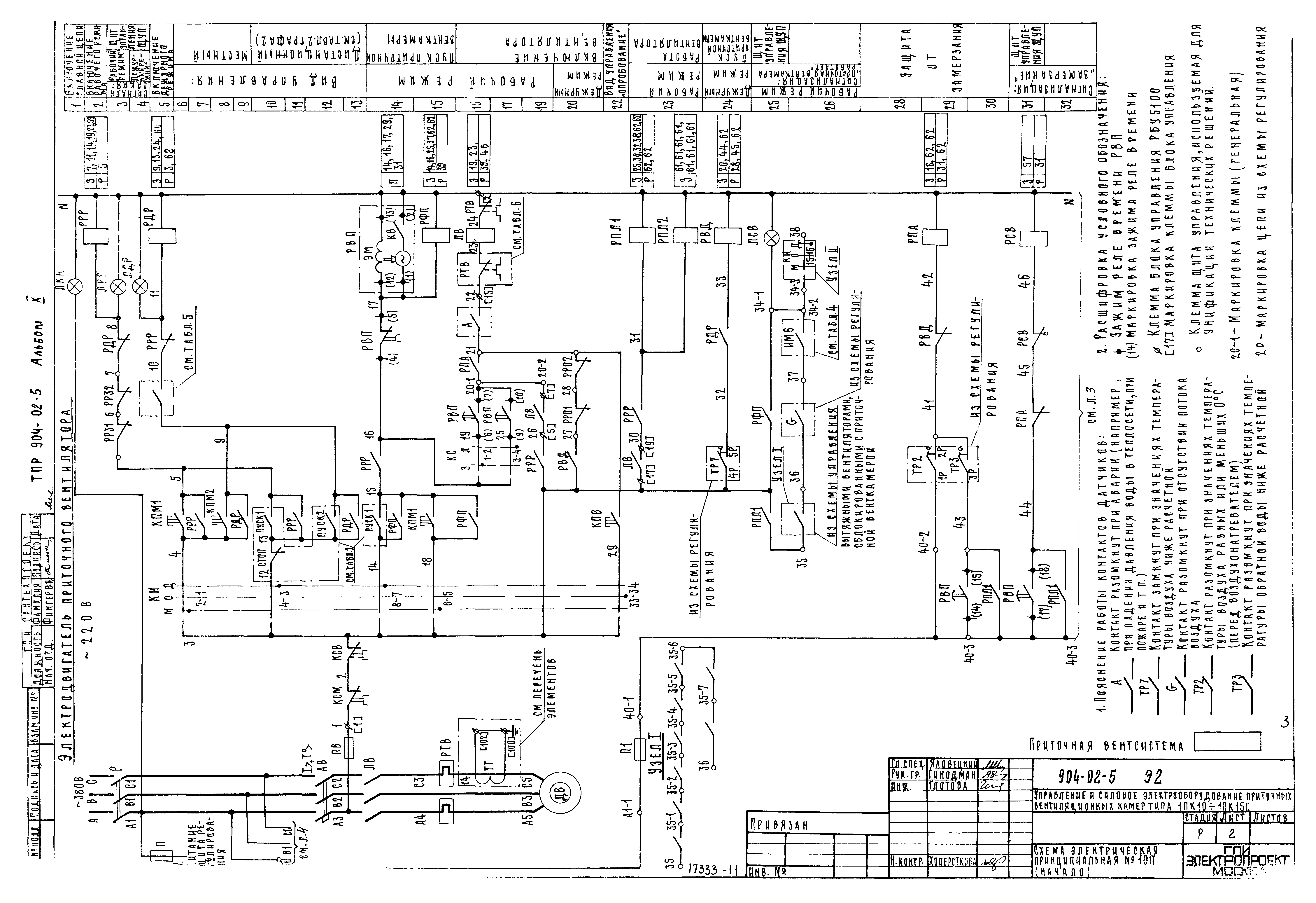
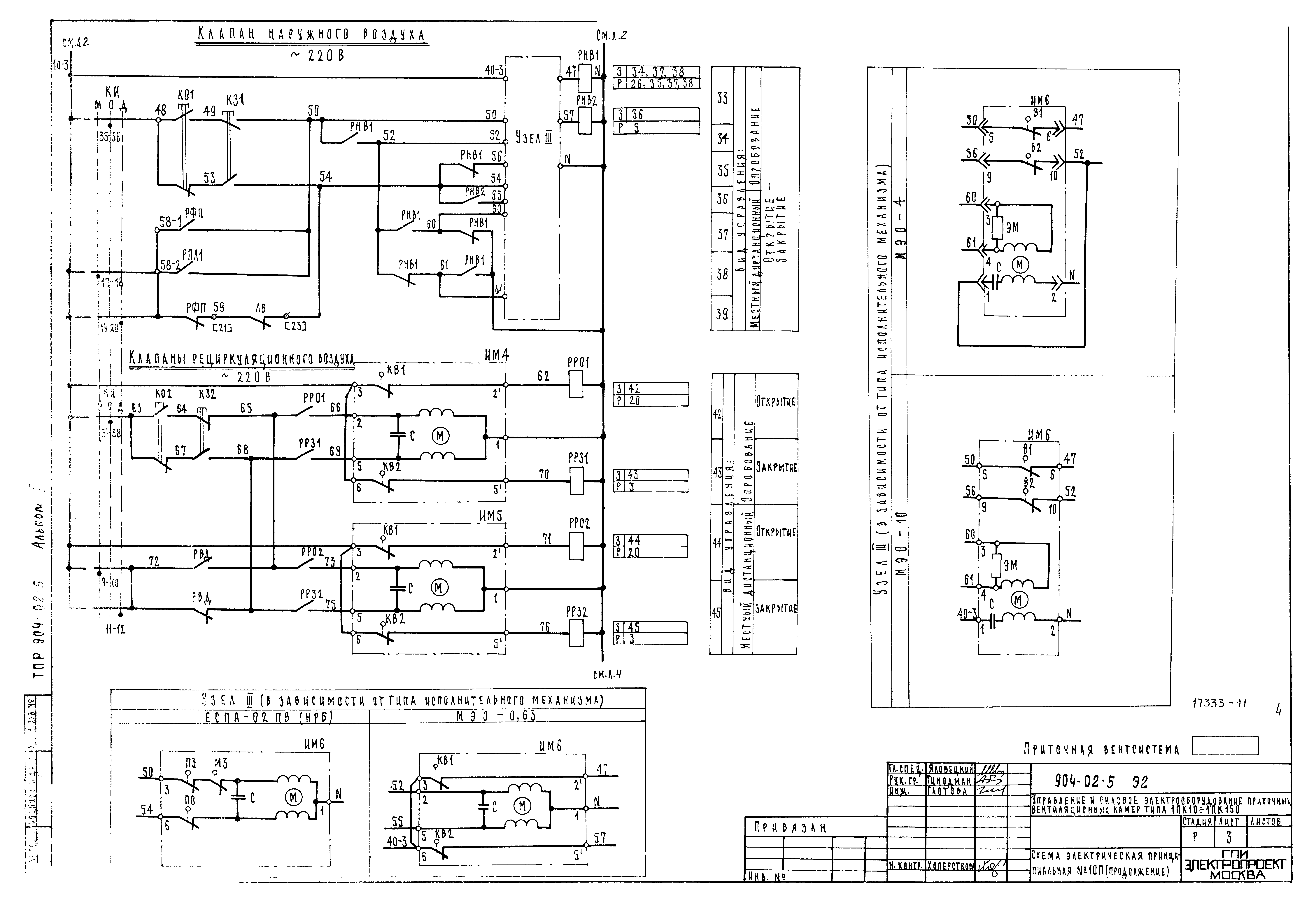
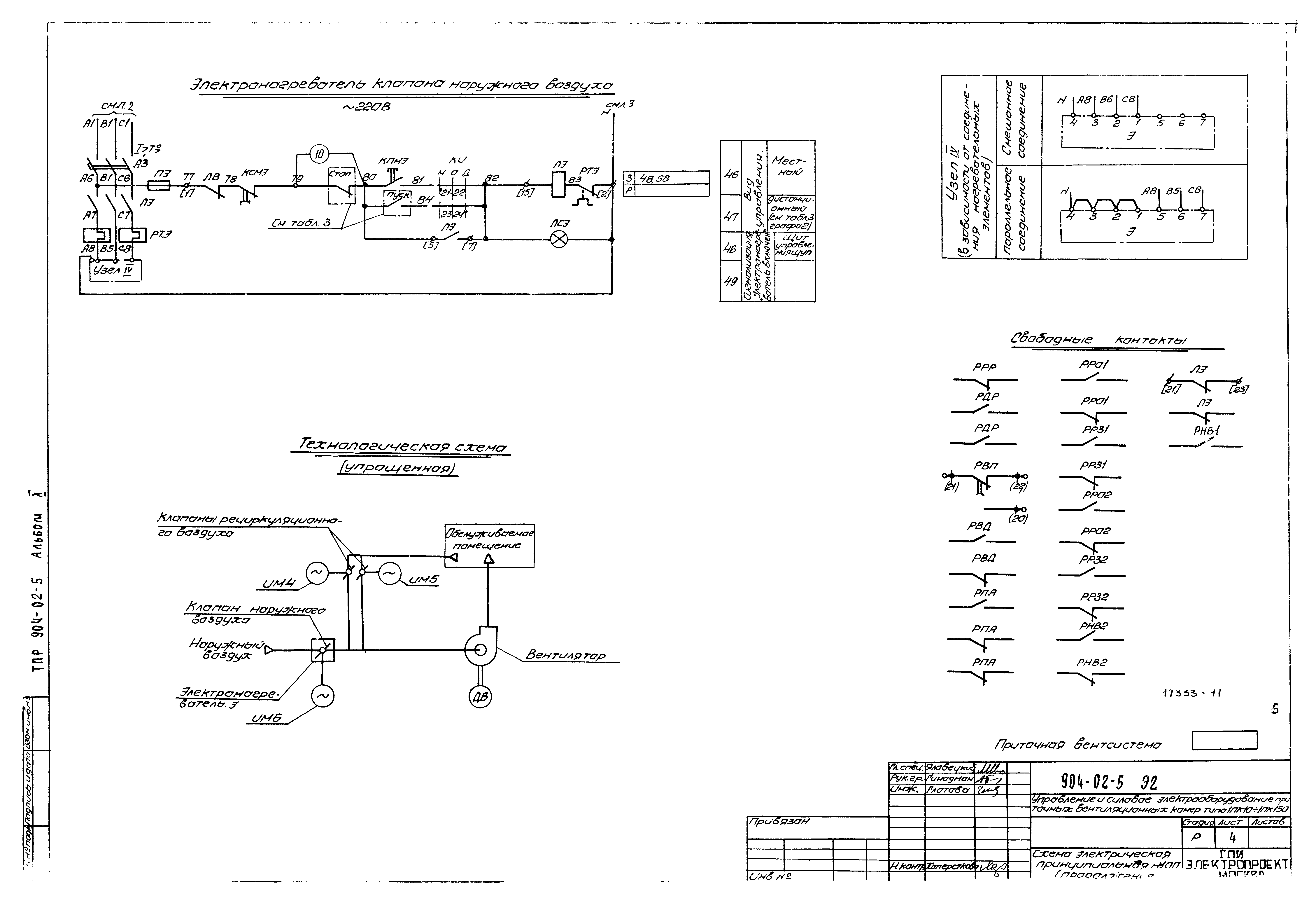
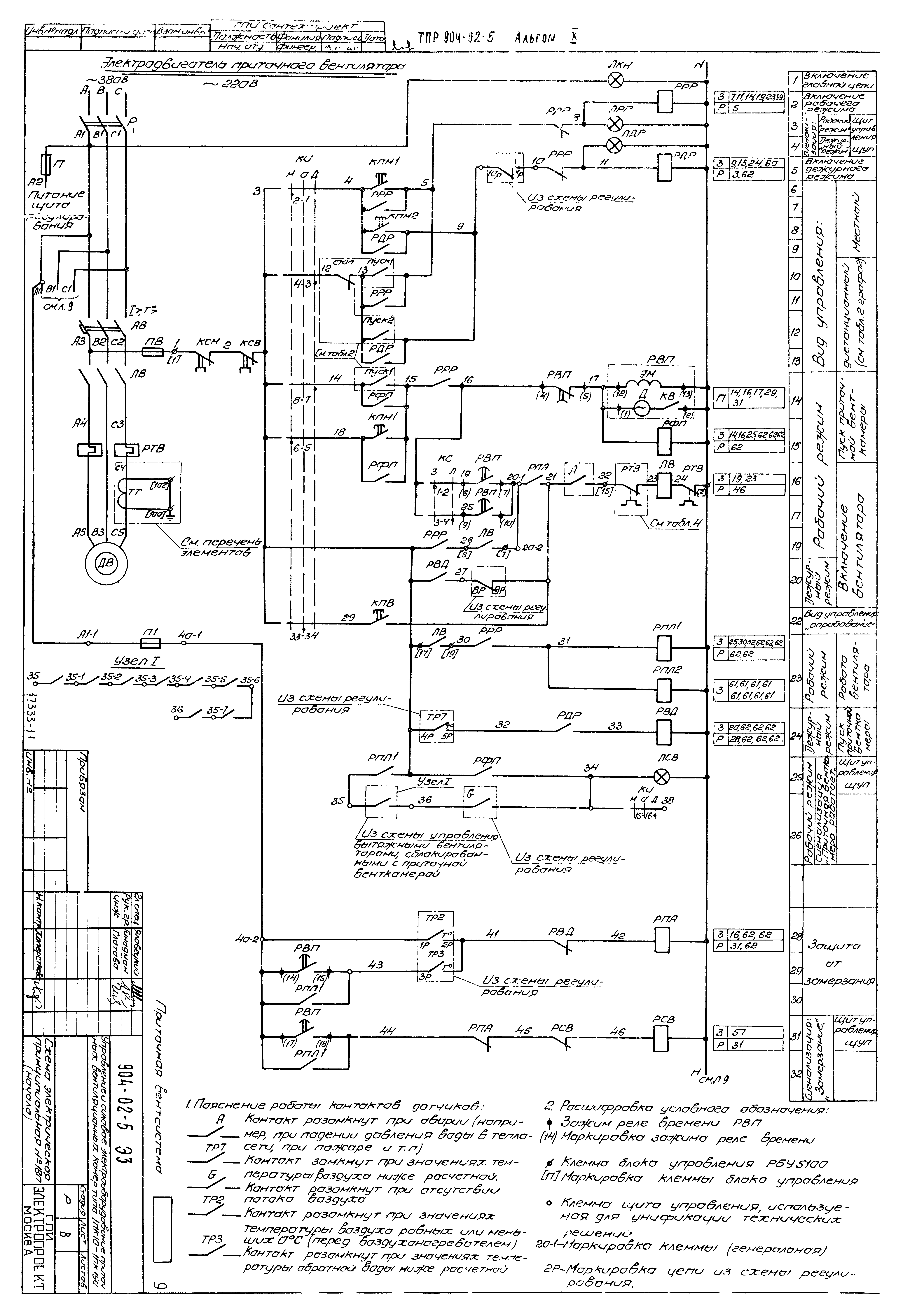
Альбом X. Приточная вентиляционная камера, переключаемая на режим дежурного отопления, с одним вентилятором и электронагревателем клапана наружного воздуха| Обозначение: | Типовые проектные решения 904-02-5 | | Обозначение англ: | 904-02-5 | | Статус: | отменен | | Название рус.: | Альбом X. Приточная вентиляционная камера, переключаемая на режим дежурного отопления, с одним вентилятором и электронагревателем клапана наружного воздуха | | Дата добавления в базу: | 21.05.2015 | | Дата актуализации: | 01.01.2021 | | Дата окончания срока действия: | 01.02.1987 | | Разработан: | Электропроект Минмонтажспецстроя СССР
| | Утверждён: | 10.07.1981 Главпромстройпроект Госстроя СССР (45)
|
                       
|