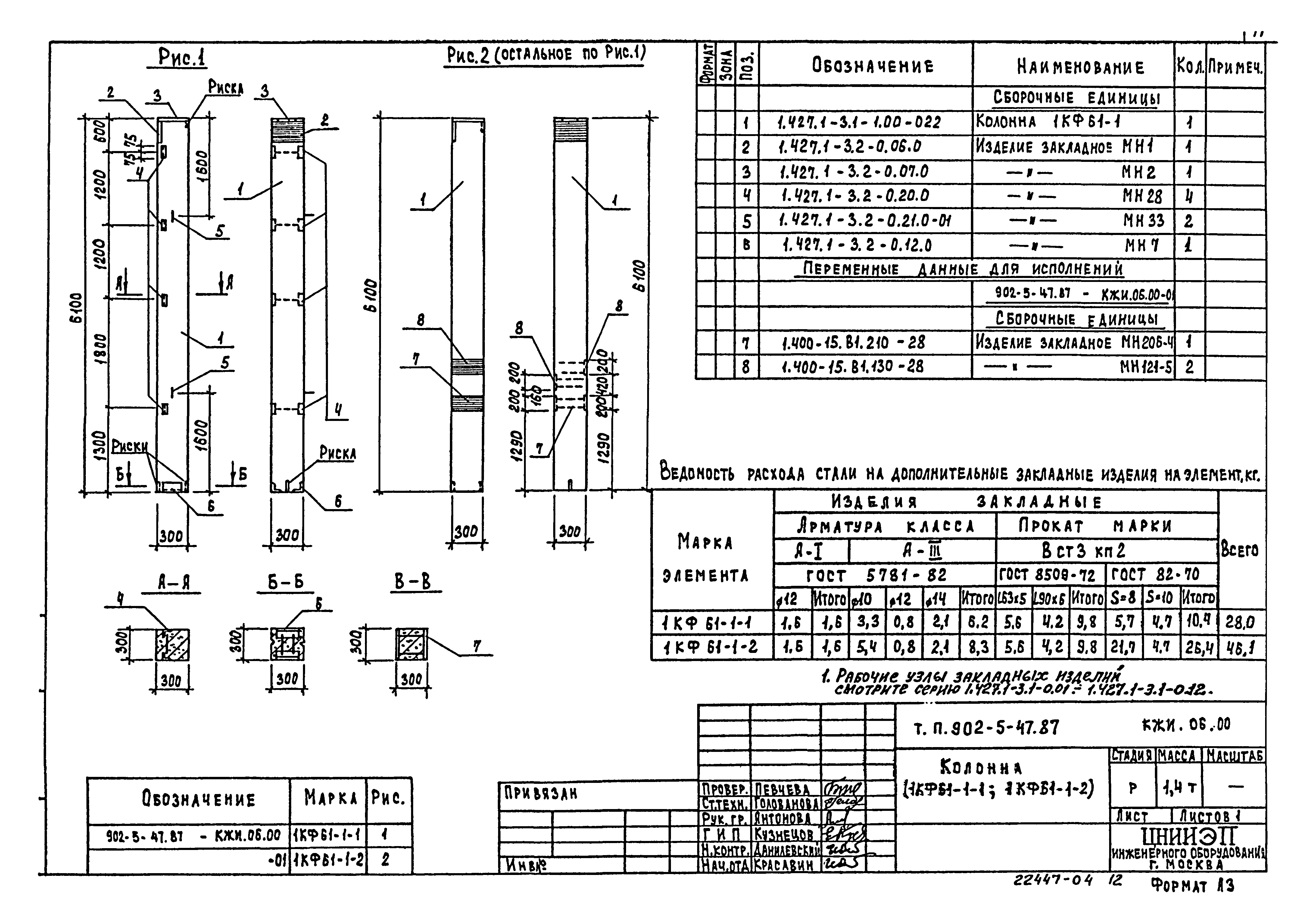
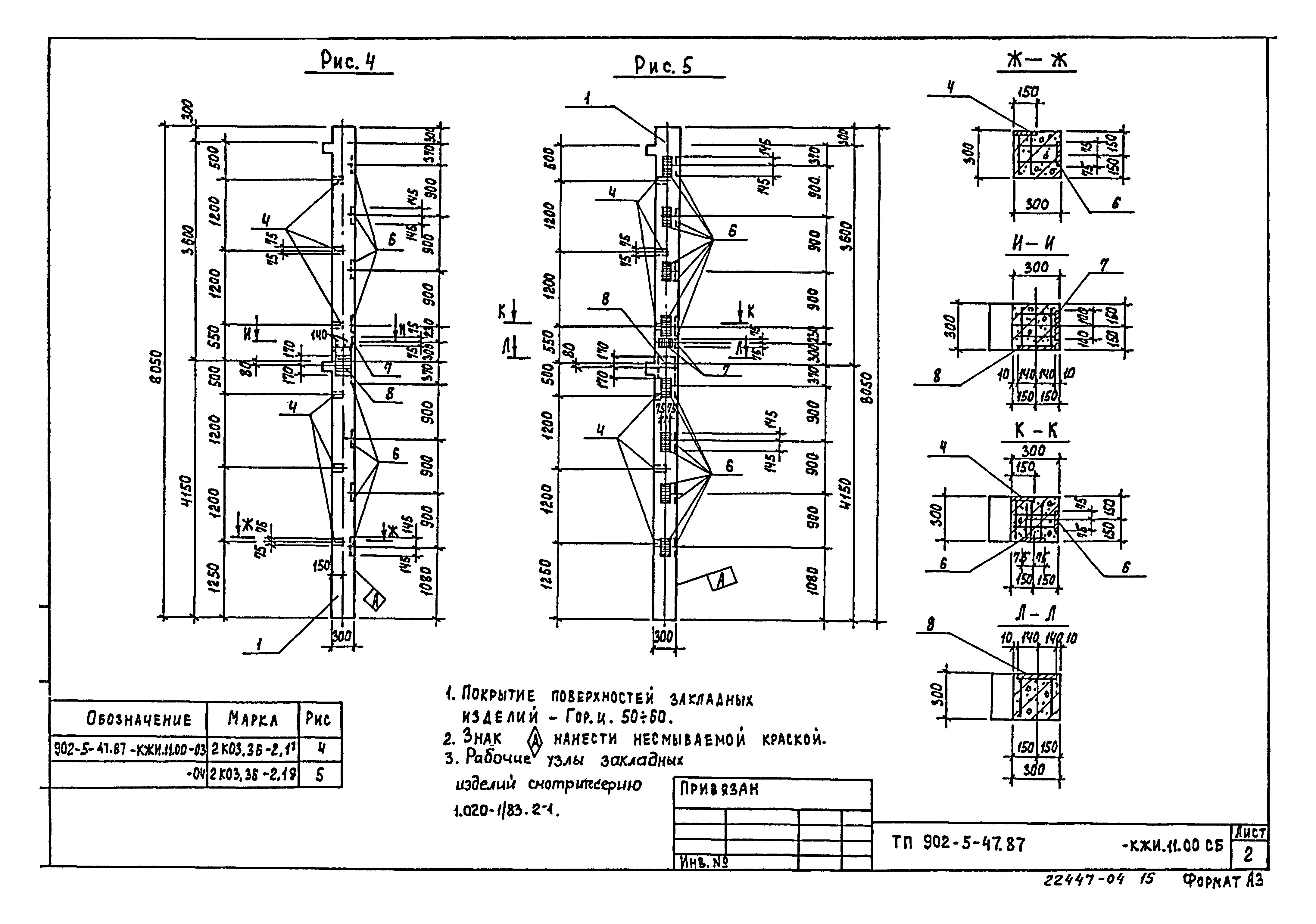
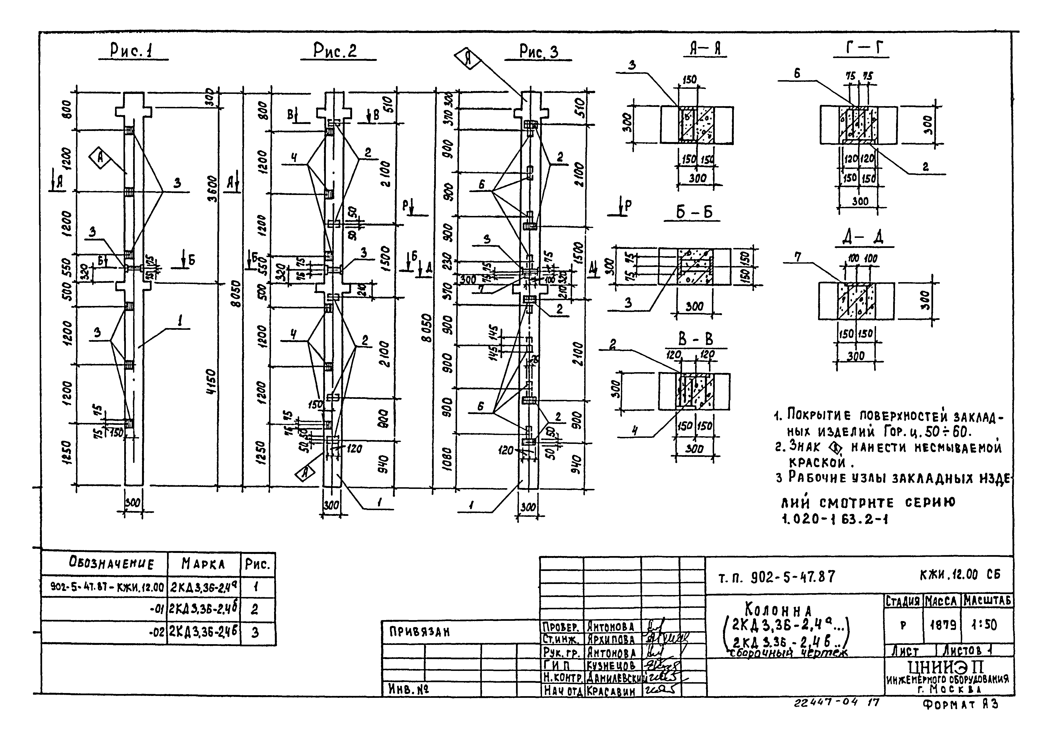
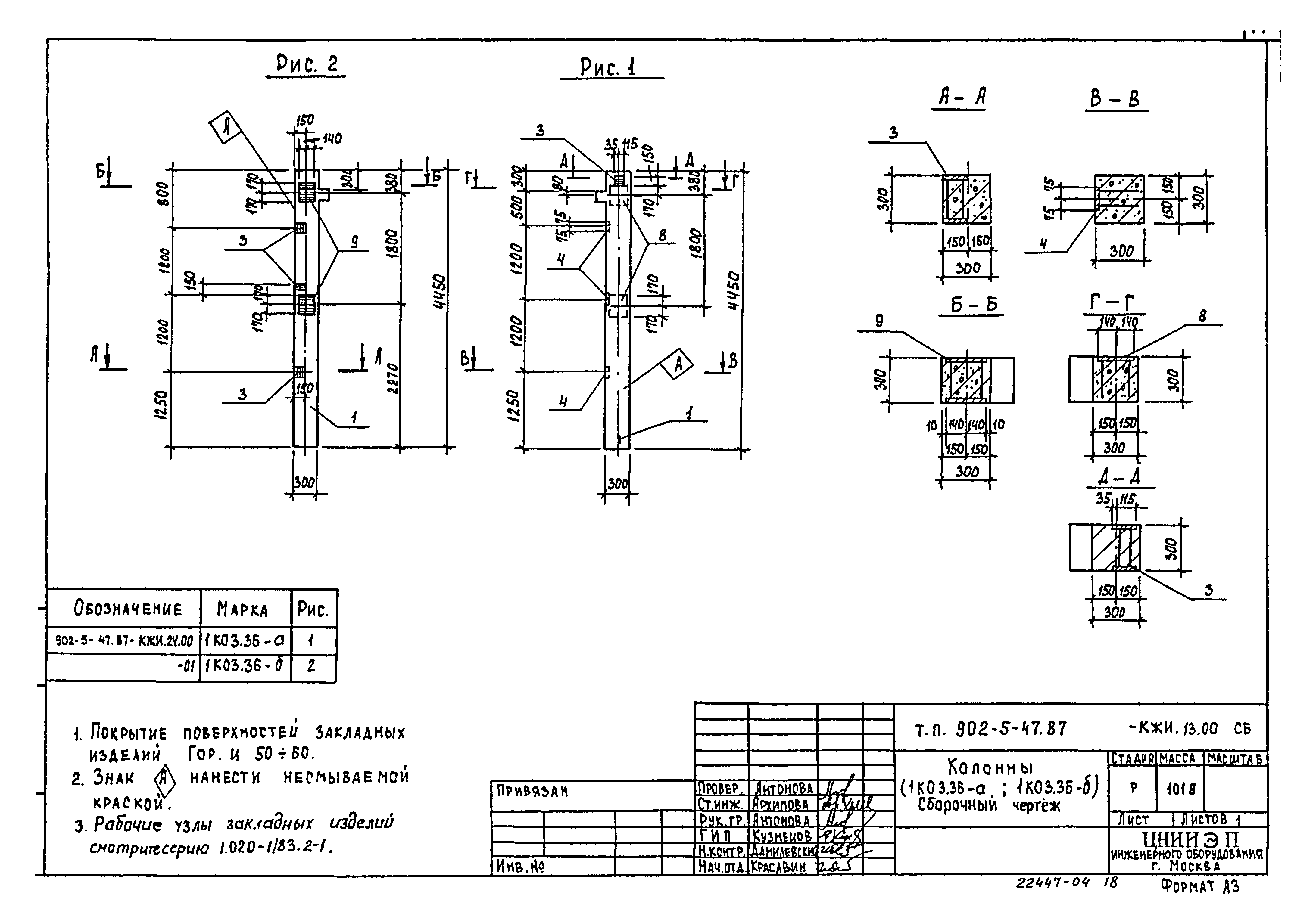
Скачать Типовой проект 902-5-47.87 Альбом IV. Строительные изделияДата актуализации: 01.01.2021
|
| Обозначение: | Типовой проект 902-5-47.87 |
| Обозначение англ: | 902-5-47.87 |
| Статус: | не определен законодательством |
| Название рус.: | Альбом IV. Строительные изделия |
| Дата добавления в базу: | 12.02.2016 |
| Дата актуализации: | 01.01.2021 |
| Дата введения: | 29.07.1986 |
| Дата окончания срока действия: | 30.06.2003 |
| Разработан: | ЦНИИЭП инженерного оборудования |
| Утверждён: | 29.07.1986 Госгражданстрой (Gosgrazhdanstroy 241) |




















































