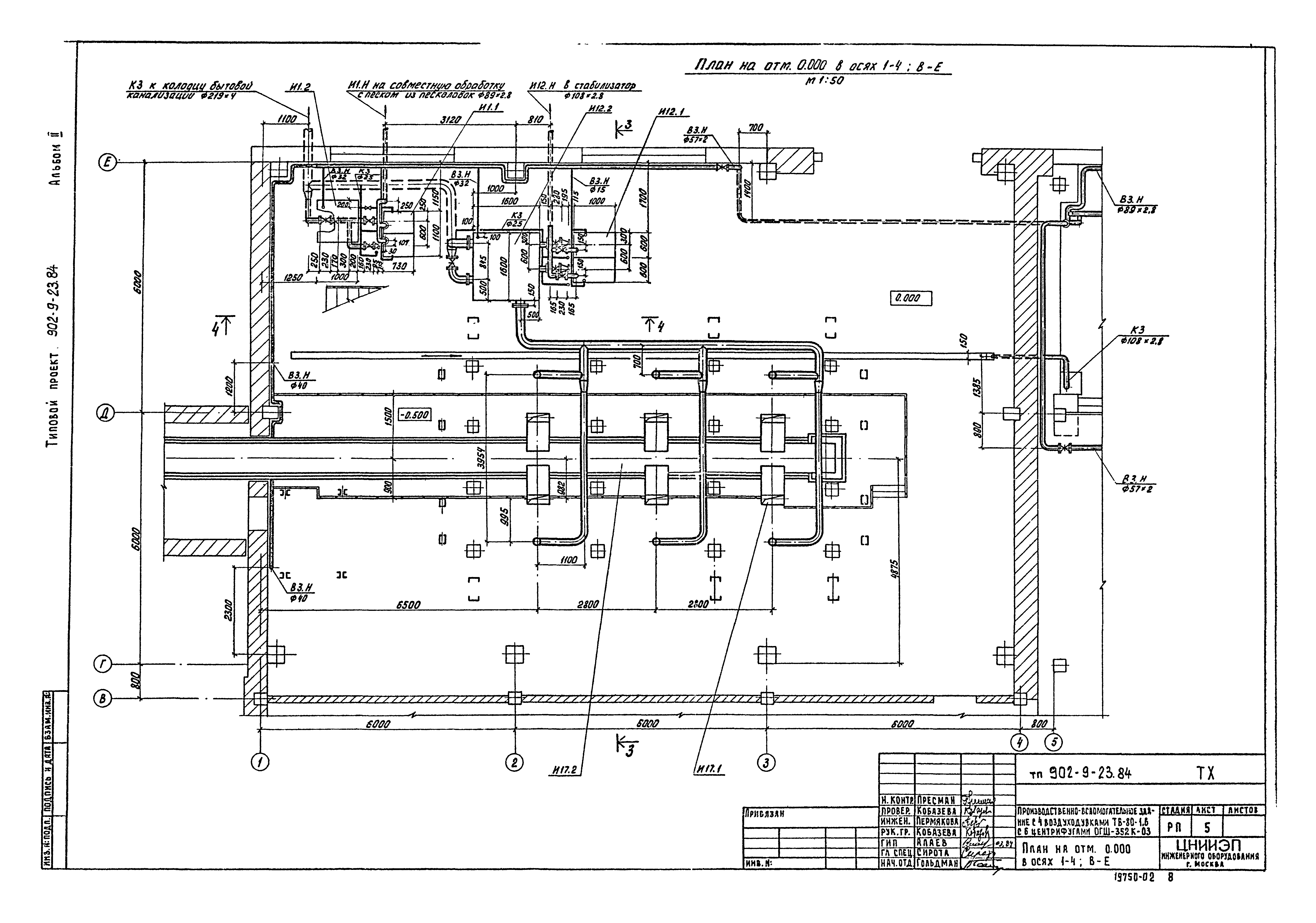
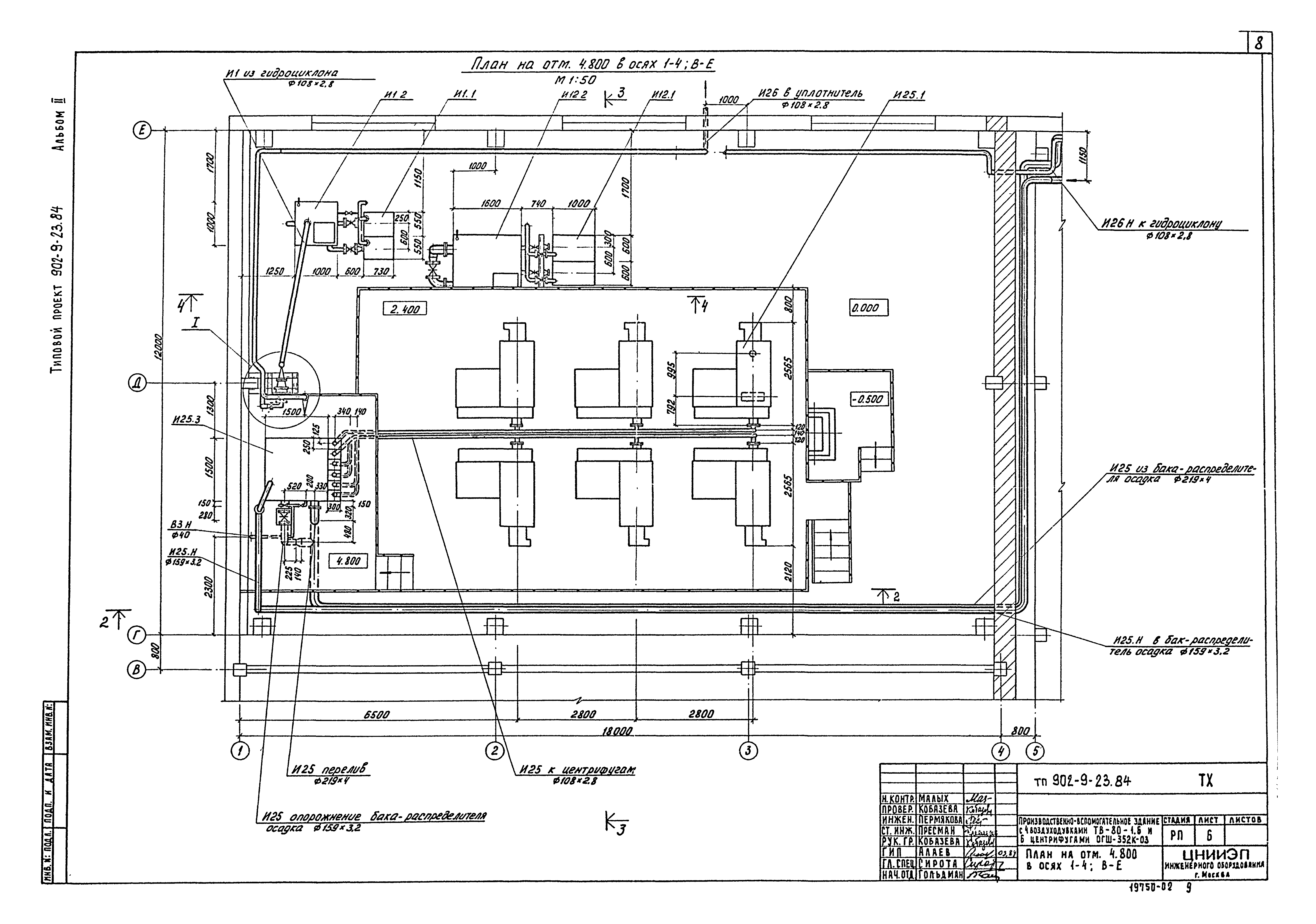
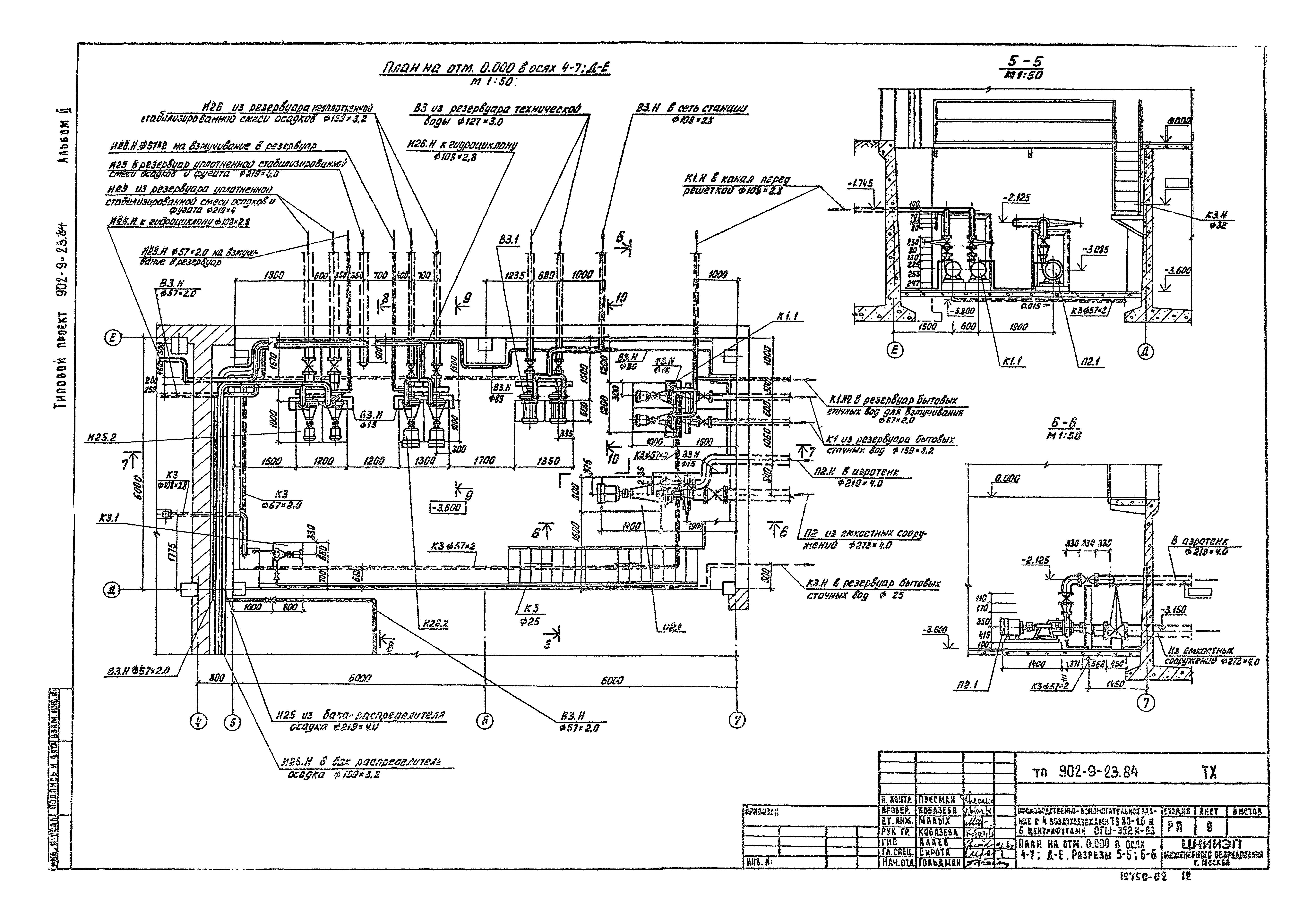
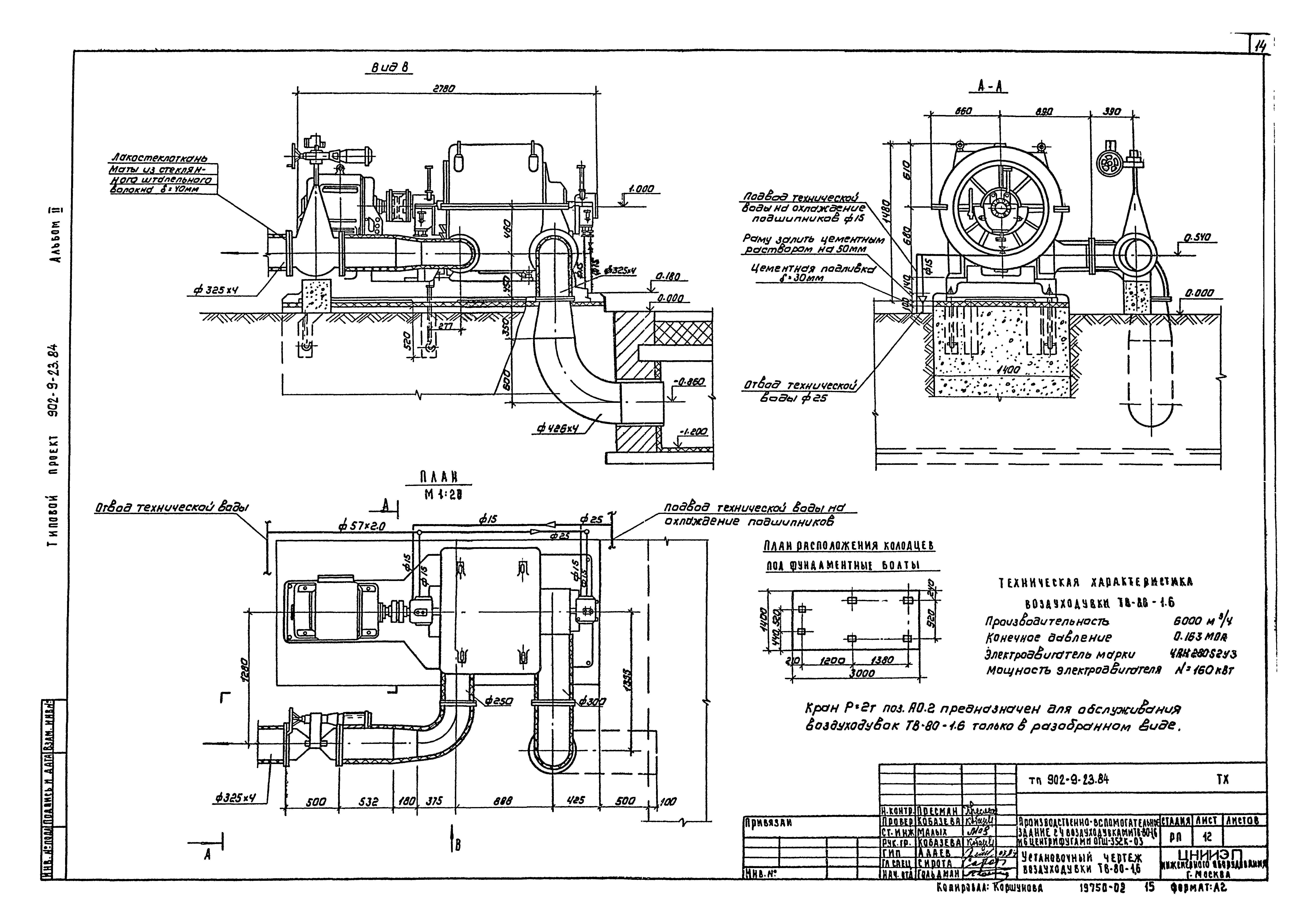
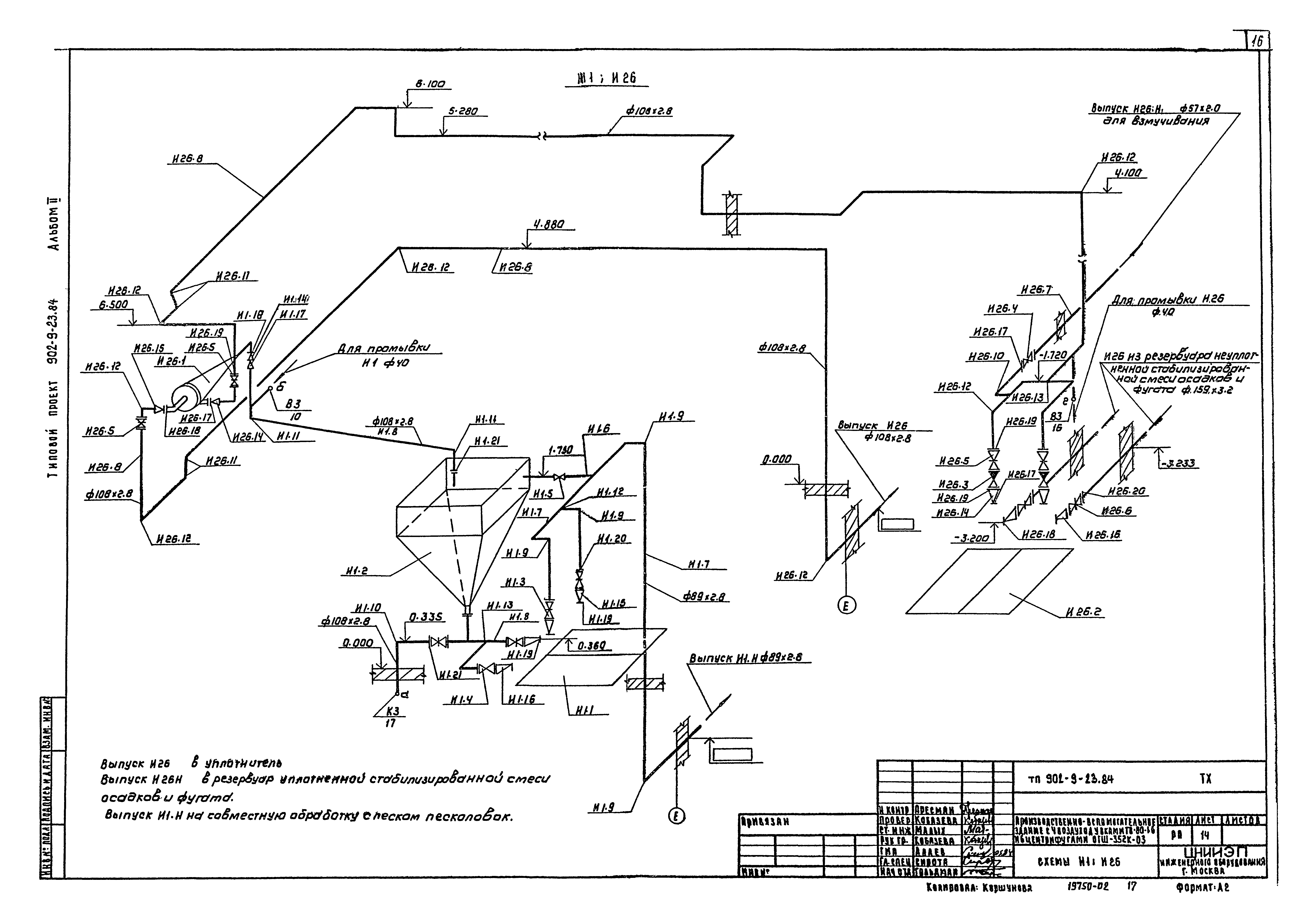
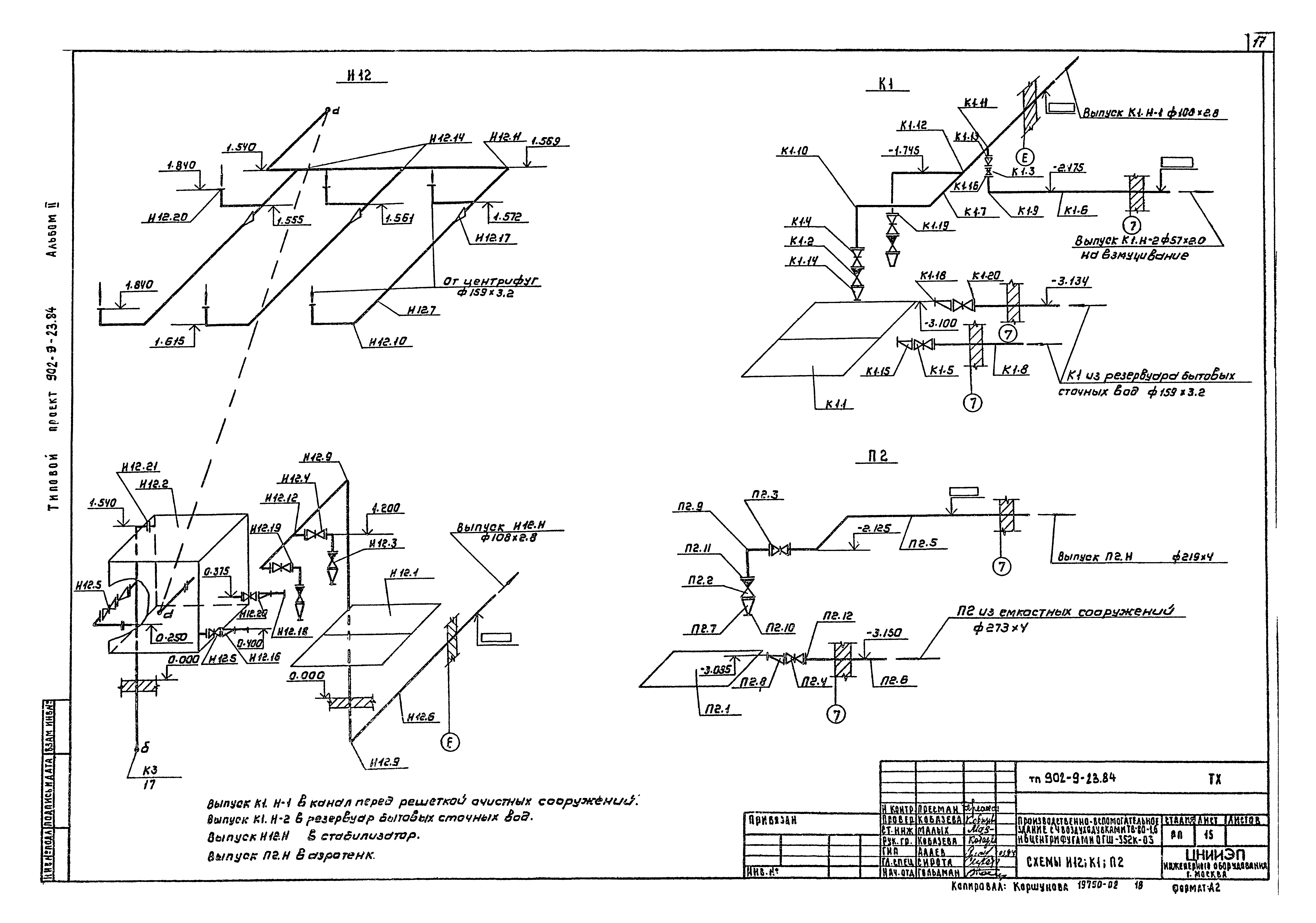
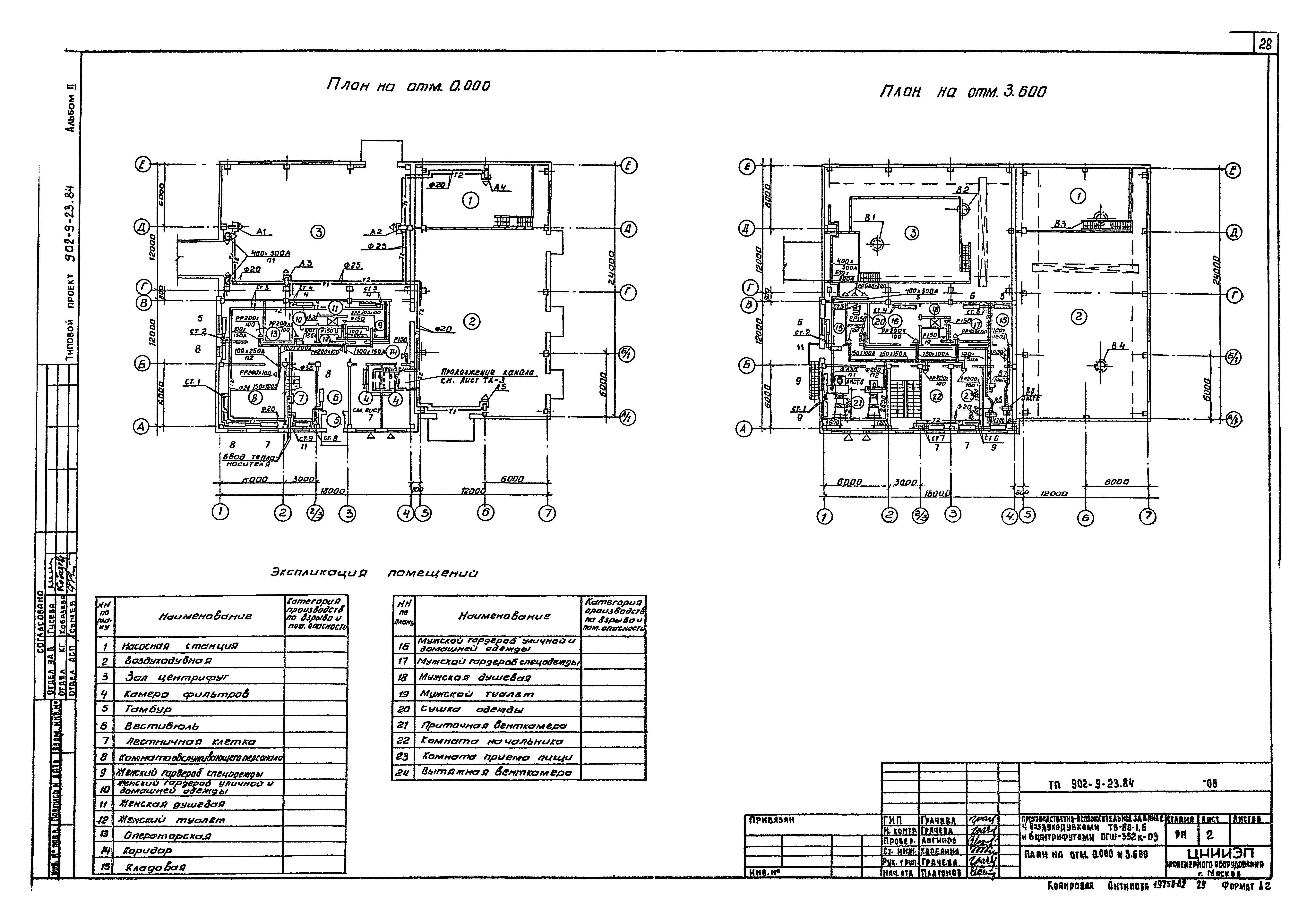
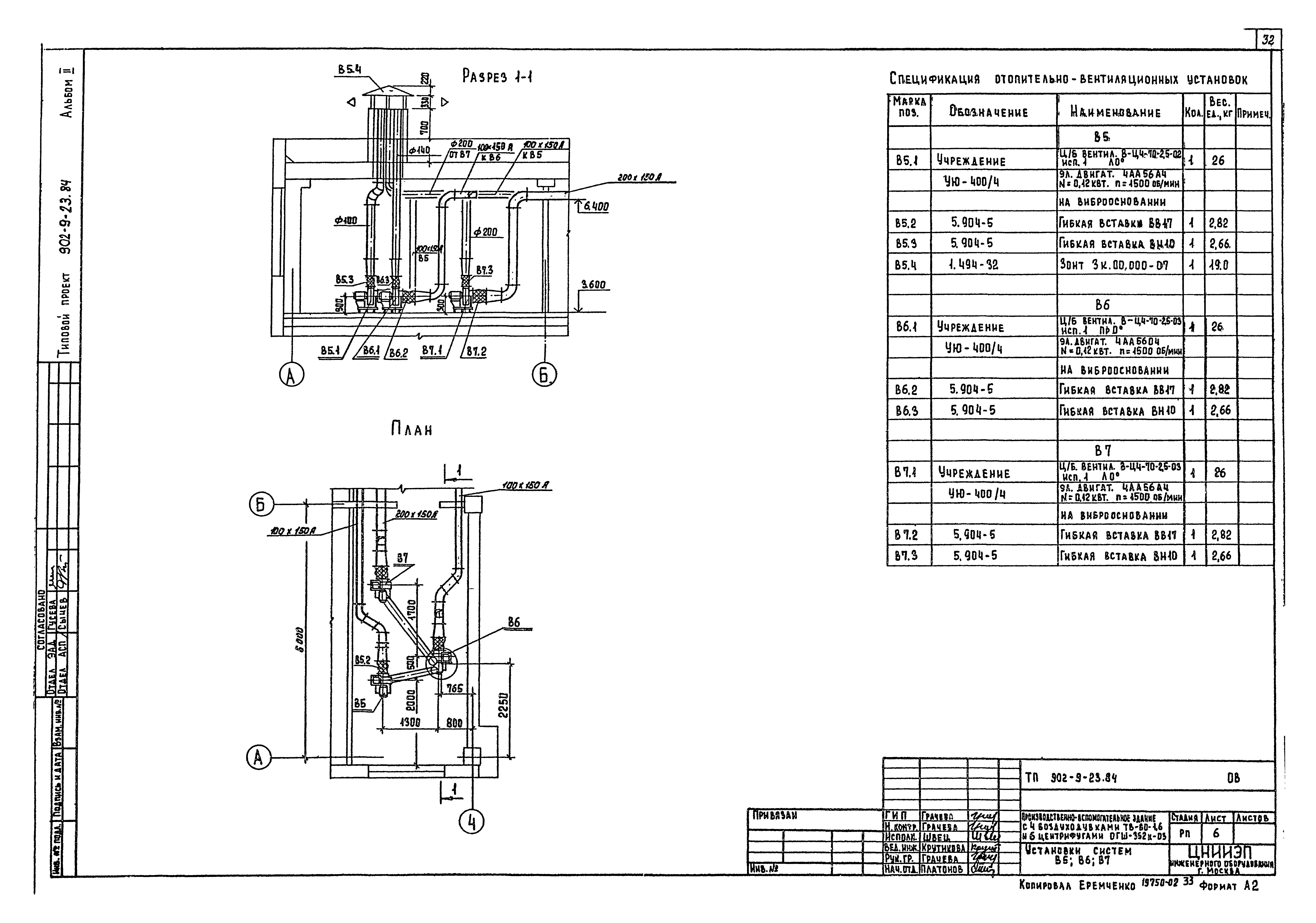
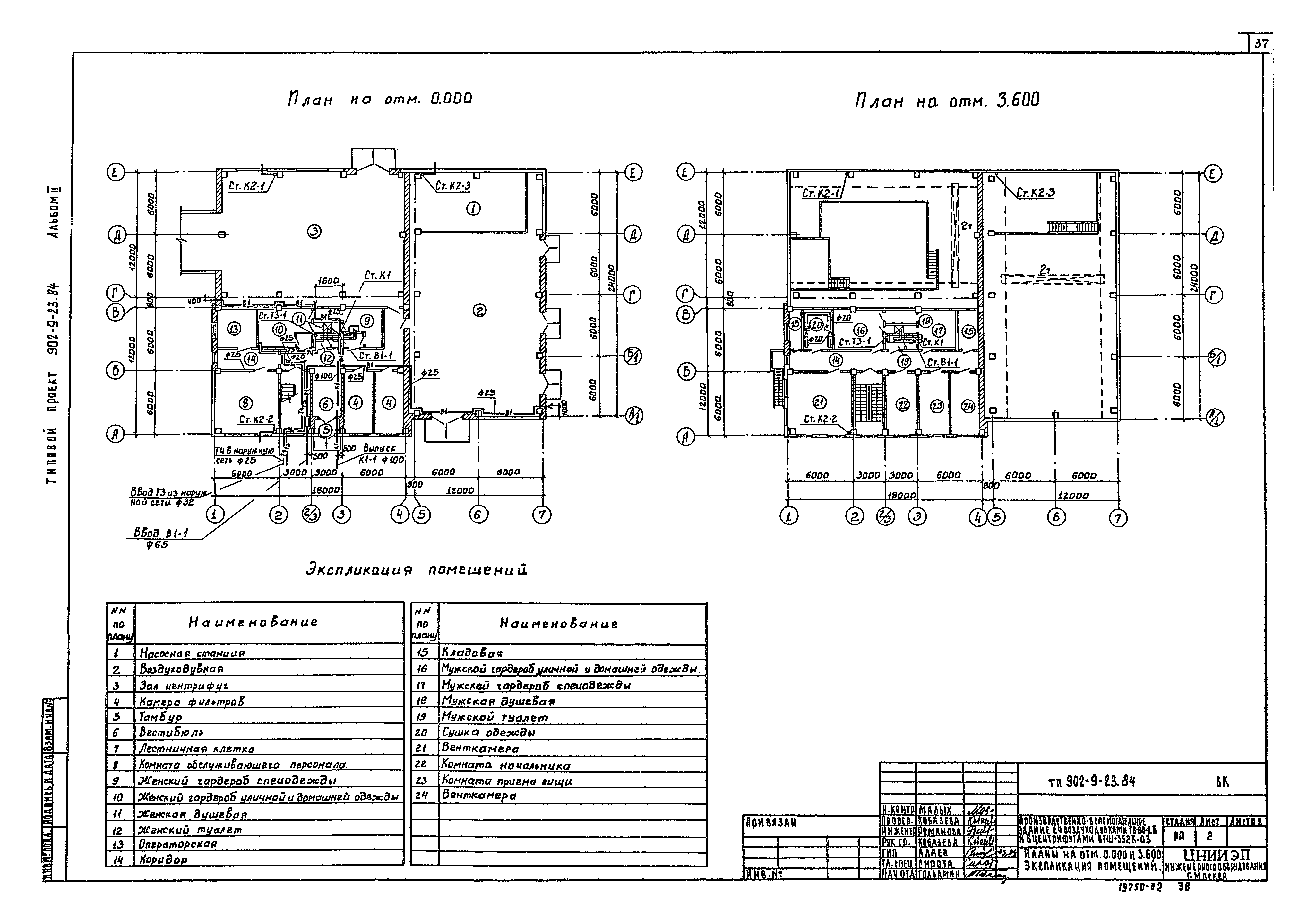
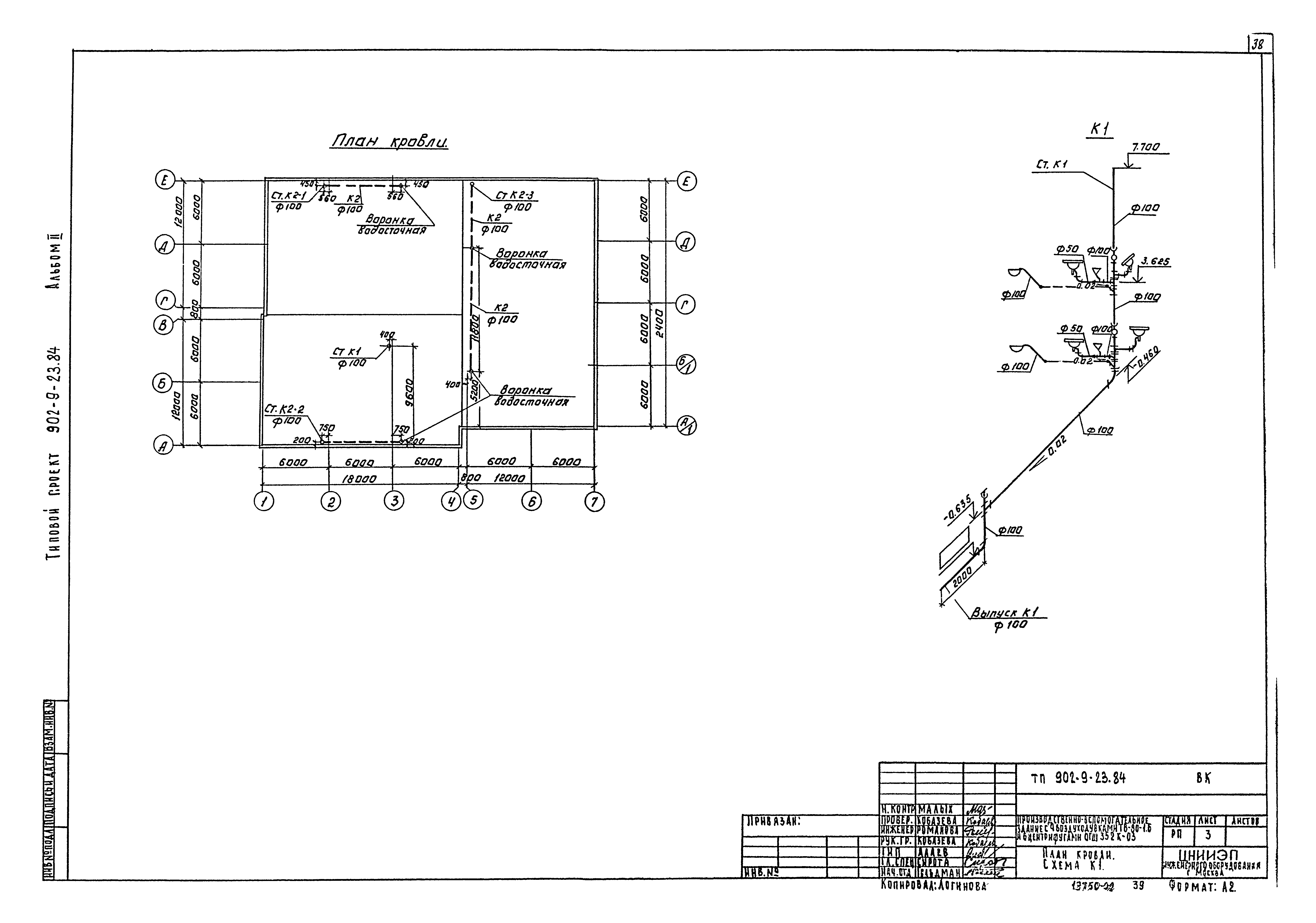
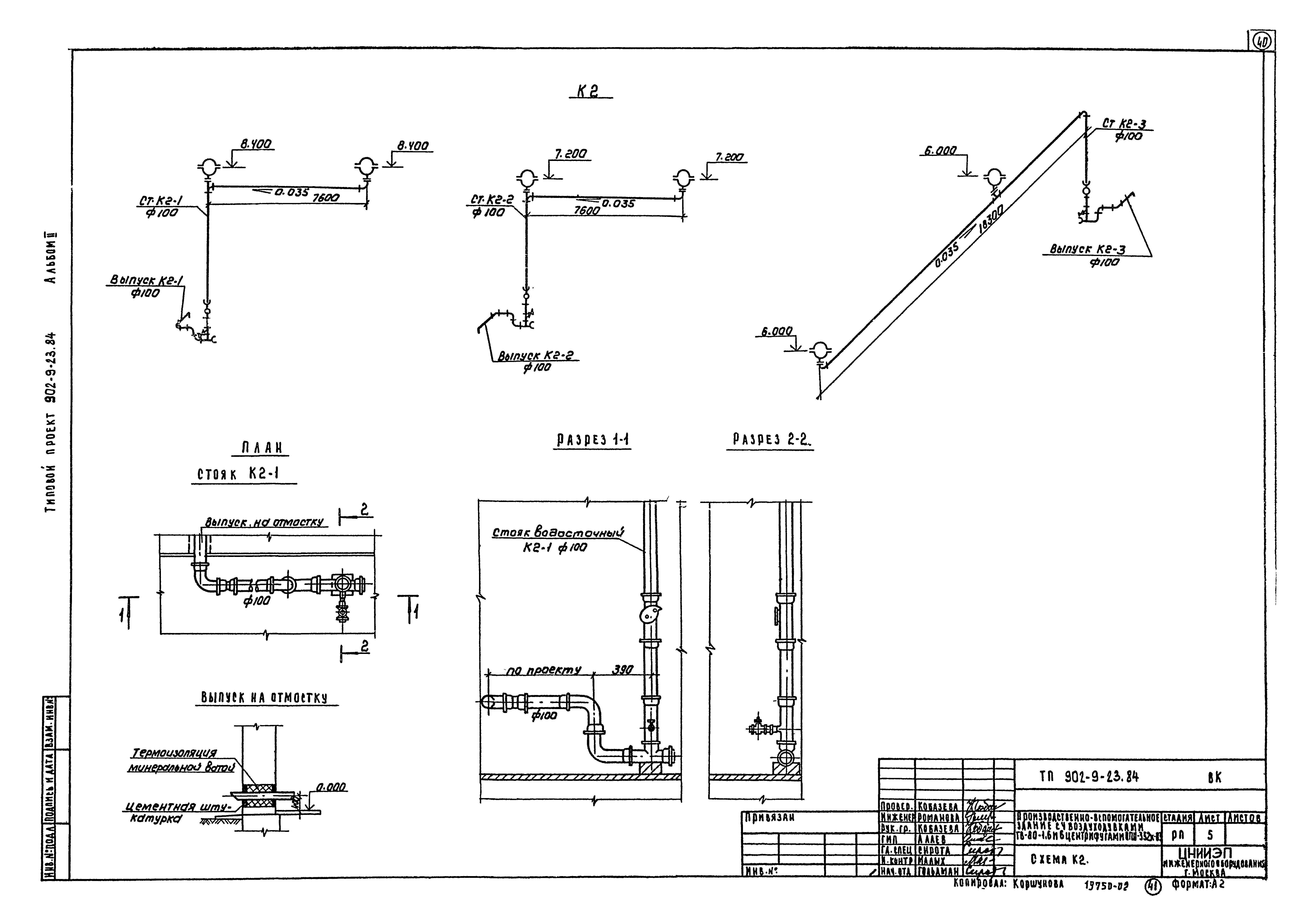
Скачать Типовой проект 902-9-23.84 Альбом II. Технологическая, санитарно-техническая частиДата актуализации: 01.01.2021 Типовой проект 902-9-23.84
Альбом II. Технологическая, санитарно-техническая части| Обозначение: | Типовой проект 902-9-23.84 | | Обозначение англ: | 902-9-23.84 | | Статус: | не определен законодательством | | Название рус.: | Альбом II. Технологическая, санитарно-техническая части | | Дата добавления в базу: | 12.02.2016 | | Дата актуализации: | 01.01.2021 | | Дата введения: | 04.06.1984 | | Дата окончания срока действия: | 30.06.2003 | | Разработан: | ЦНИИЭП
| | Утверждён: | 22.08.1983 Госгражданстрой (Gosgrazhdanstroy 245)
|
                                      
|