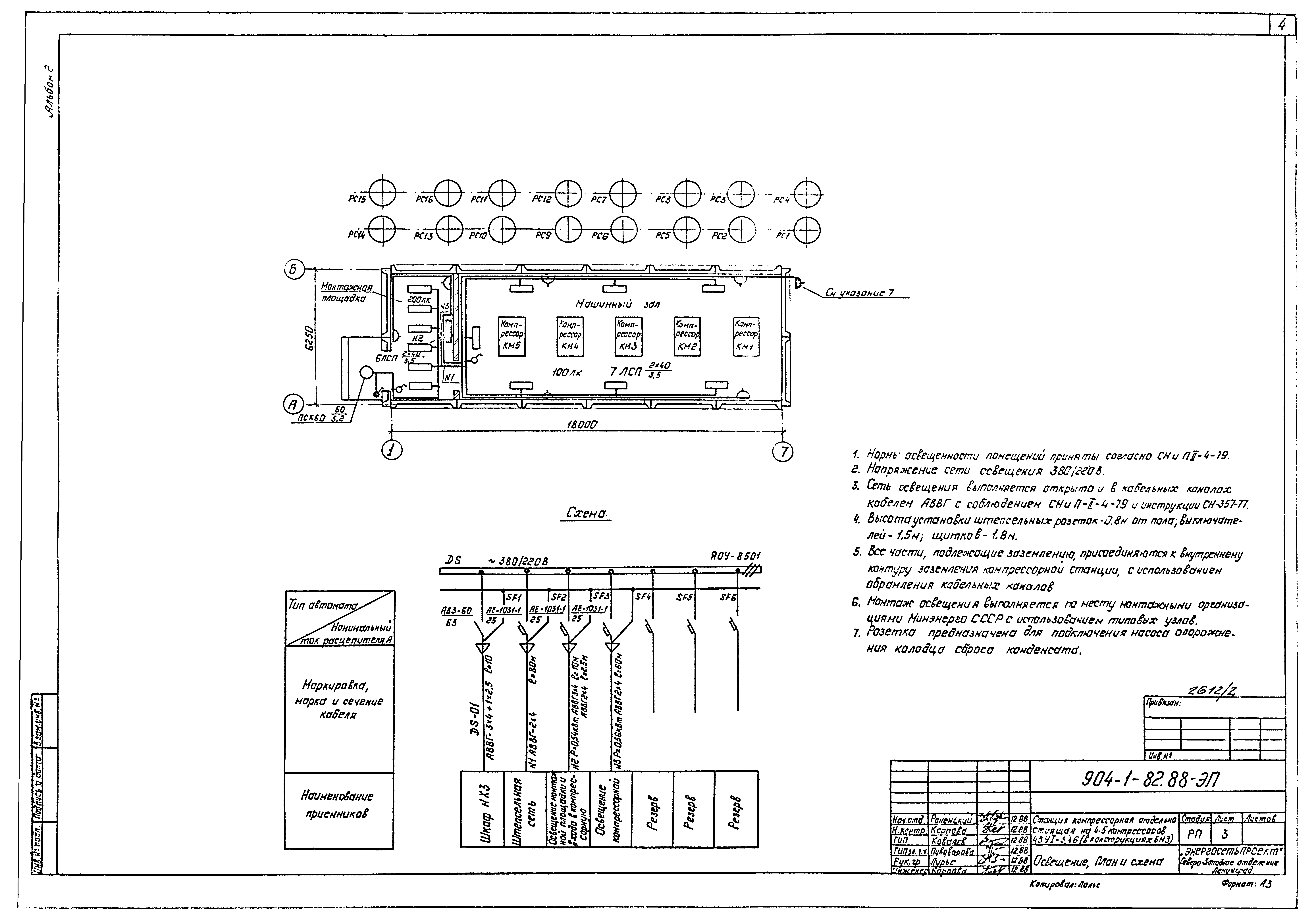
Скачать Типовой проект 904-1-82.88 Альбом II. Электротехнические решения. Управление и автоматизацияДата актуализации: 01.01.2021 Типовой проект 904-1-82.88
Альбом II. Электротехнические решения. Управление и автоматизация| Обозначение: | Типовой проект 904-1-82.88 | | Обозначение англ: | 904-1-82.88 | | Статус: | действует | | Название рус.: | Альбом II. Электротехнические решения. Управление и автоматизация | | Дата добавления в базу: | 12.02.2016 | | Дата актуализации: | 01.01.2021 | | Дата введения: | 14.11.1988 | | Разработан: | Энергосетьпроект Минэнерго СССР
| | Утверждён: | 14.11.1988 Минэнерго СССР (USSR Minenergo 42)
| | Заменяет собой: | |
                      
|