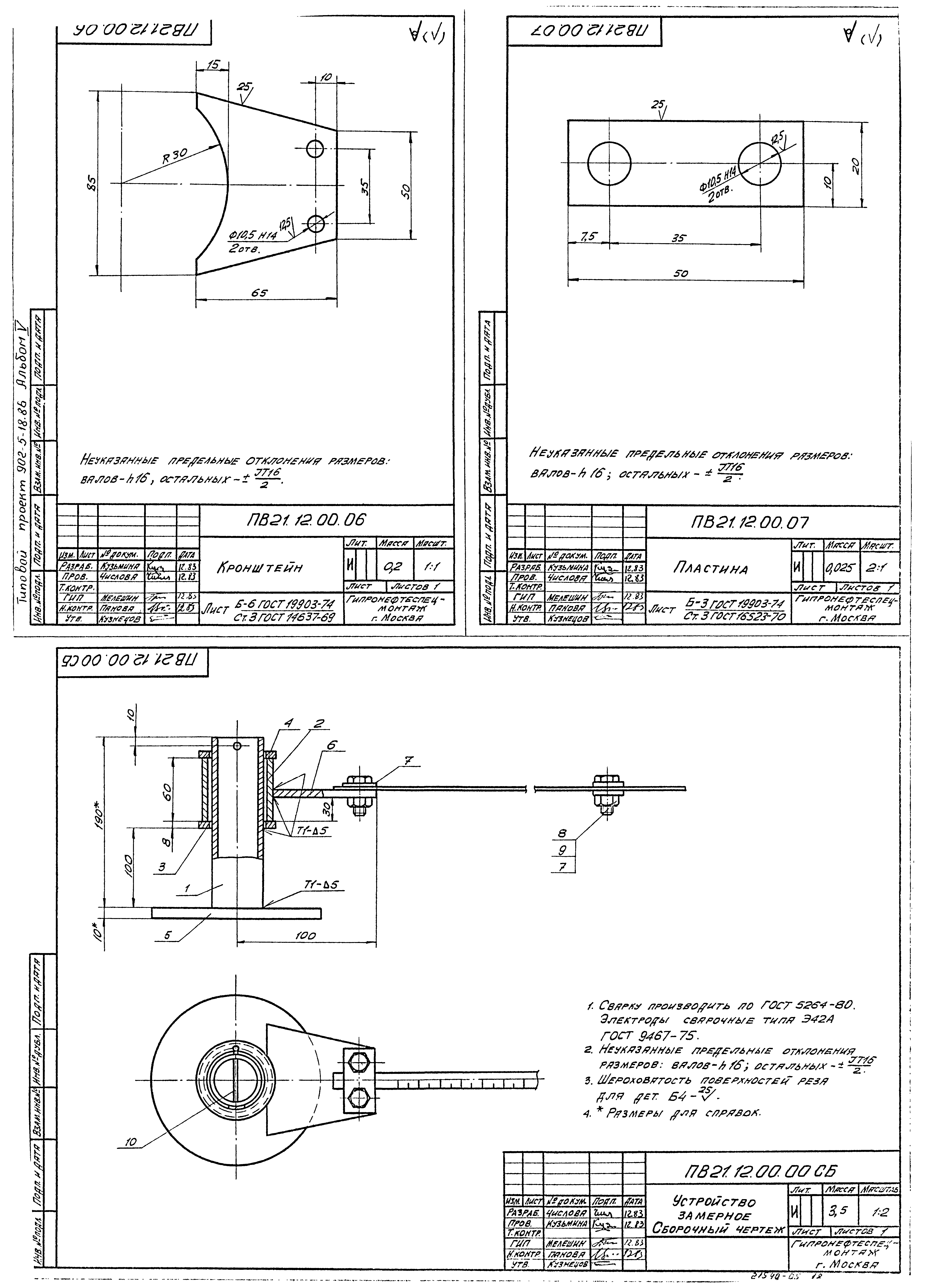
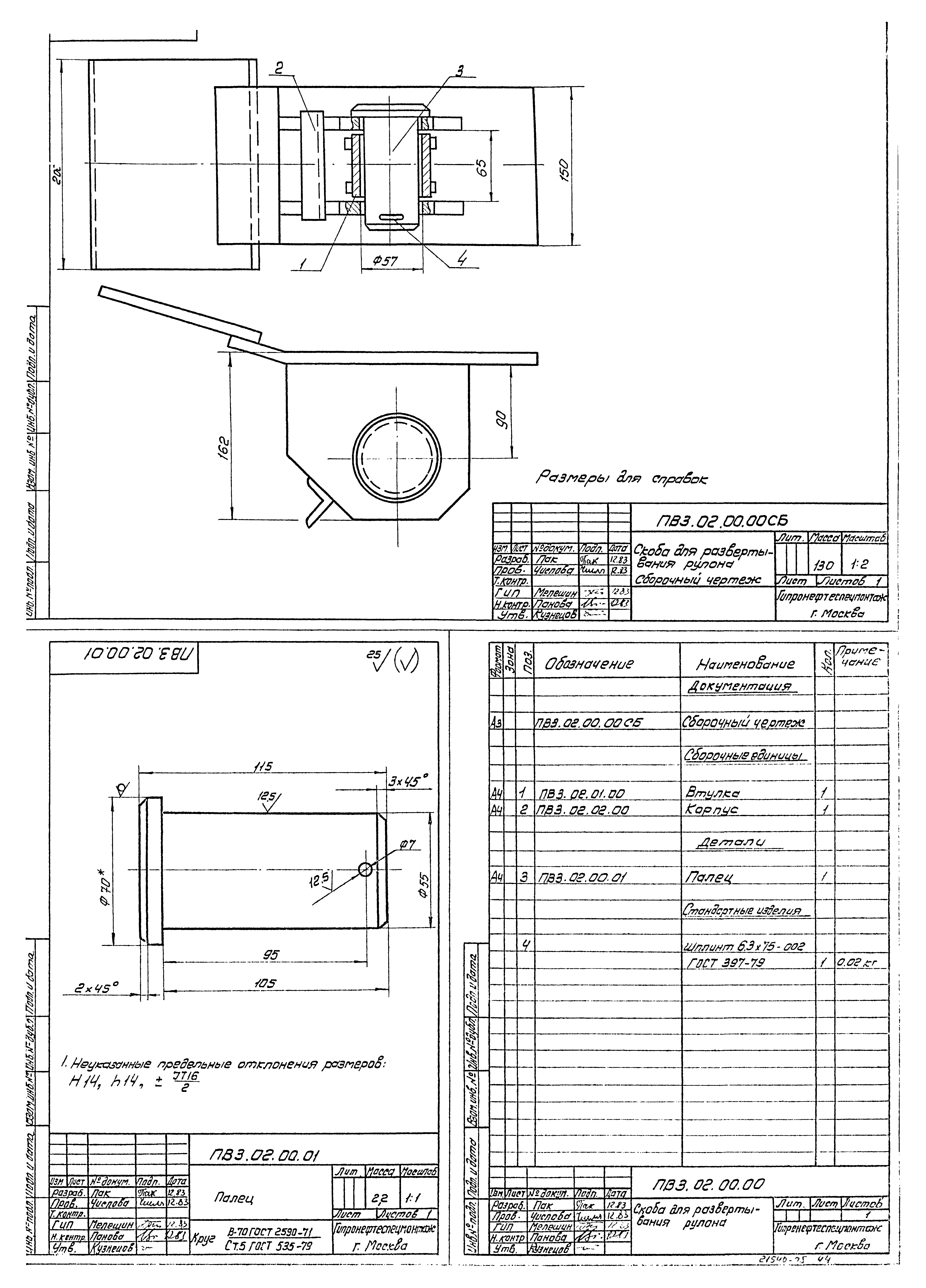
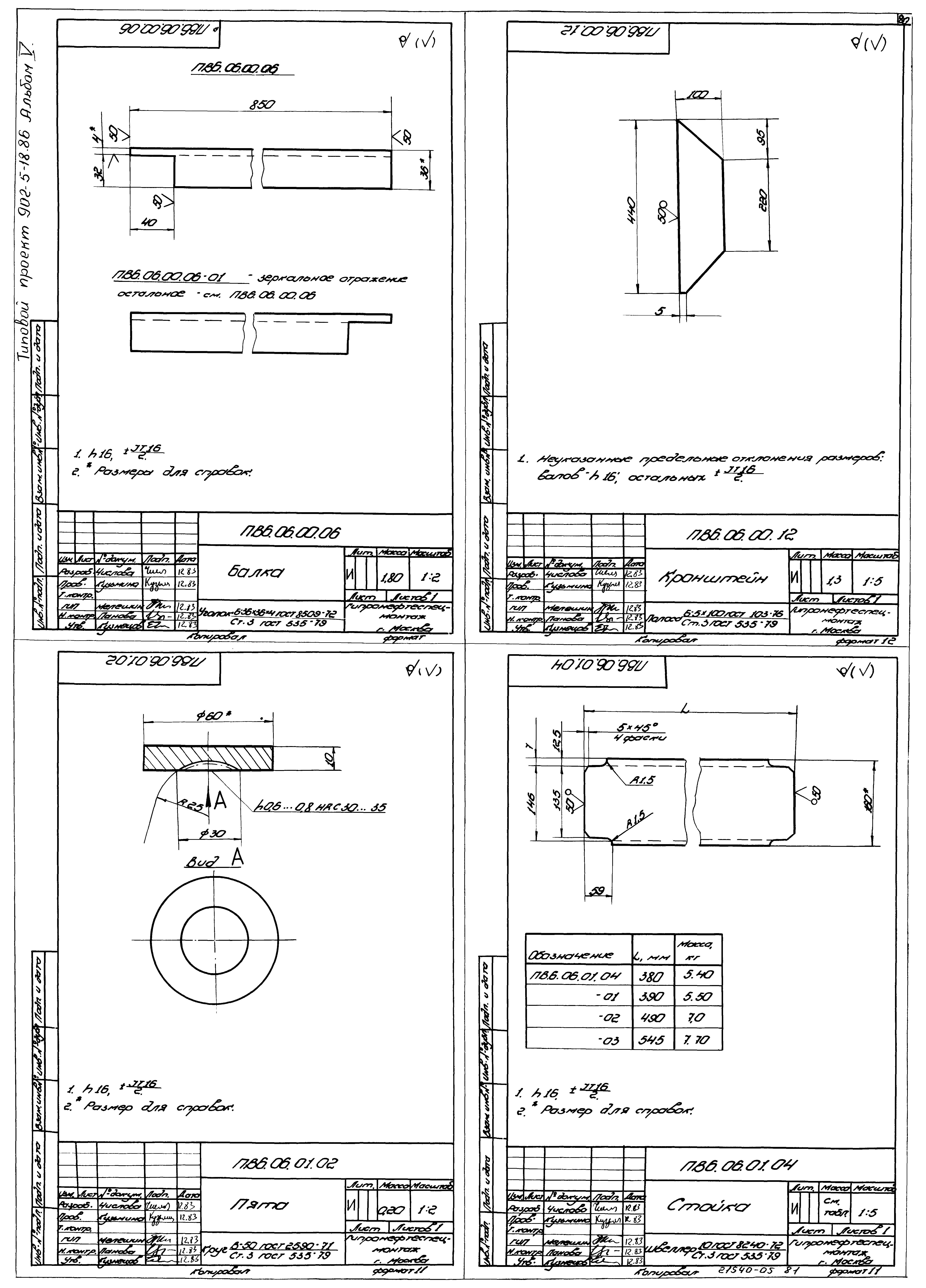
Скачать Типовой проект 902-5-18.86 Альбом V. Проект производства работ. Приспособления для монтажа металлоконструкций. (Основные положения)Дата актуализации: 01.01.2021
|
| Обозначение: | Типовой проект 902-5-18.86 |
| Обозначение англ: | 902-5-18.86 |
| Статус: | не определен законодательством |
| Название рус.: | Альбом V. Проект производства работ. Приспособления для монтажа металлоконструкций. (Основные положения) |
| Дата добавления в базу: | 12.02.2016 |
| Дата актуализации: | 01.01.2021 |
| Дата введения: | 12.03.1986 |
| Дата окончания срока действия: | 30.06.2003 |
| Разработан: | Гипрокоммунводоканал Минжилкомхоза РСФСР |
| Утверждён: | 04.03.1986 МЖКХ РСФСР (111) |























































































