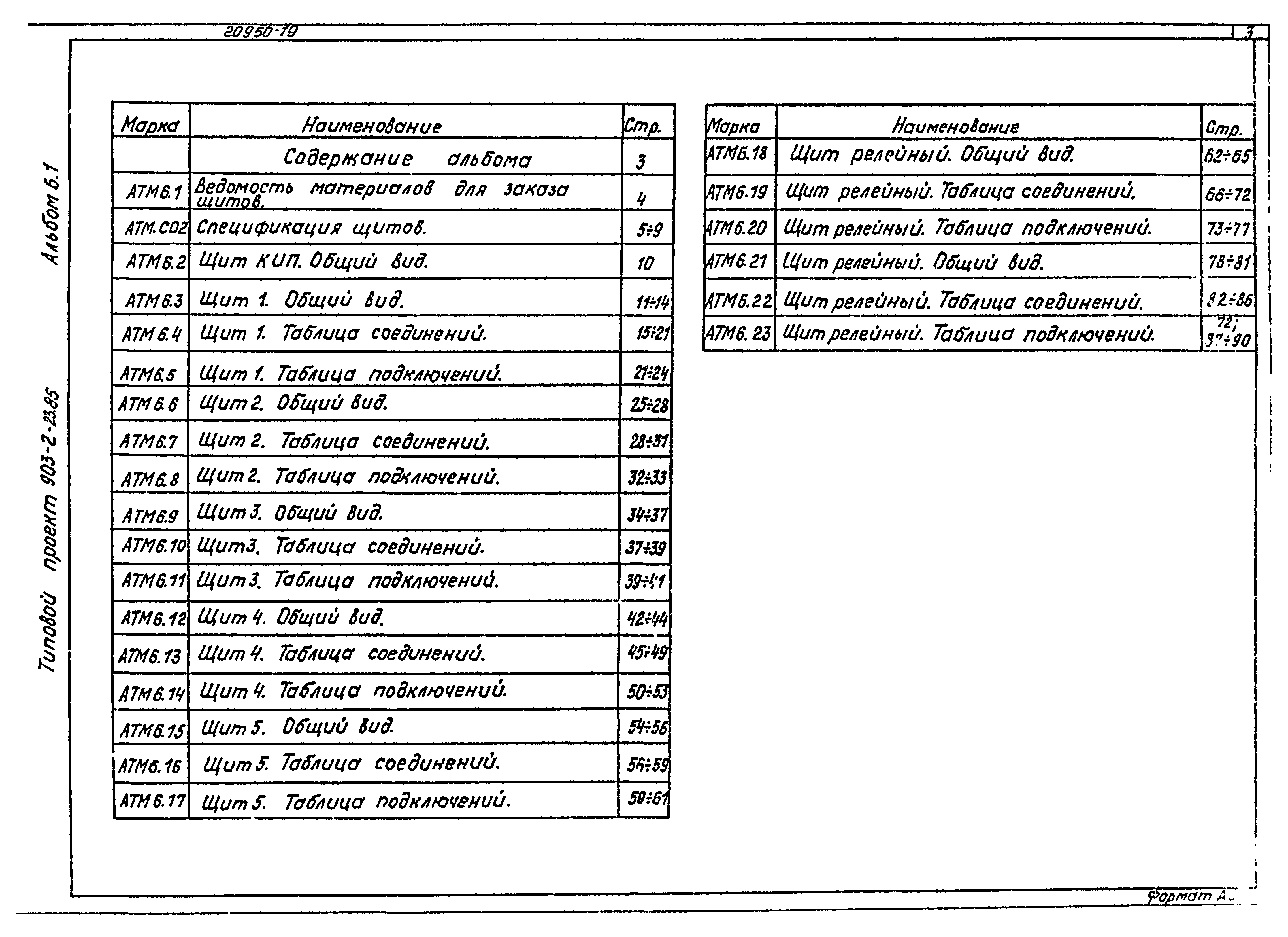
Скачать Типовой проект 903-2-23.85 Альбом 6.1. Задание заводу-изготовителю на щиты автоматики и КИПДата актуализации: 01.01.2021 Типовой проект 903-2-23.85
Альбом 6.1. Задание заводу-изготовителю на щиты автоматики и КИП| Обозначение: | Типовой проект 903-2-23.85 | | Обозначение англ: | 903-2-23.85 | | Статус: | действует | | Название рус.: | Альбом 6.1. Задание заводу-изготовителю на щиты автоматики и КИП | | Дата добавления в базу: | 12.02.2016 | | Дата актуализации: | 01.01.2021 | | Дата введения: | 14.06.1985 | | Разработан: | Латгипропром
| | Утверждён: | 14.06.1985 Латгипропром (156)
| | Издан: | ЦИТП Госстроя СССР (CITP, Gosstroy (USSR) 1986 г. )
| | Заменяет собой: | |
                                                                                          
|