Скачать ГОСТ ISO 22915-4-2014 Автопогрузчики промышленные. Проверка устойчивости. Часть 4. Штабелеры для поддонов с грузом, сдвоенные штабелеры и комплектующие заказ автопогрузчики с позицией оператора до 1200 мм включительноДата актуализации: 01.01.2021
|
| Обозначение: | ГОСТ ISO 22915-4-2014 |
| Обозначение англ: | 22915-4-2014 |
| Статус: | введен впервые |
| Название рус.: | Автопогрузчики промышленные. Проверка устойчивости. Часть 4. Штабелеры для поддонов с грузом, сдвоенные штабелеры и комплектующие заказ автопогрузчики с позицией оператора до 1200 мм включительно |
| Название англ.: | Industrial trucks. Verification of stability. Part 4. Pallet stackers, double stackers and order-picking trucks with operator position elevating up to and including 1200 mm lift height |
| Дата добавления в базу: | 12.02.2016 |
| Дата актуализации: | 01.01.2021 |
| Дата введения: | 01.11.2015 |
| Область применения: | Стандарт определяет требования к испытаниям на устойчивость: - штабелеров для поддонов с грузом; - сдвоенных штабелеров; - автопогрузчиков с позицией оператора до 1200 мм (измеряется от уровня пола до уровня пола платформы). Стандарт распространяется на вышеперечисленные типы промышленных погрузчиков с наклоняемыми или не наклоняемыми мачтами или вилами грузоподъемностью до 5000 кг. Стандарт также распространяется на погрузчики, работающие в тех же условиях, оборудованные дополнительным/навесным оборудованием и на автопогрузчики с позицией оператора до 1200 мм с дополнительным/навесным оборудованием. |
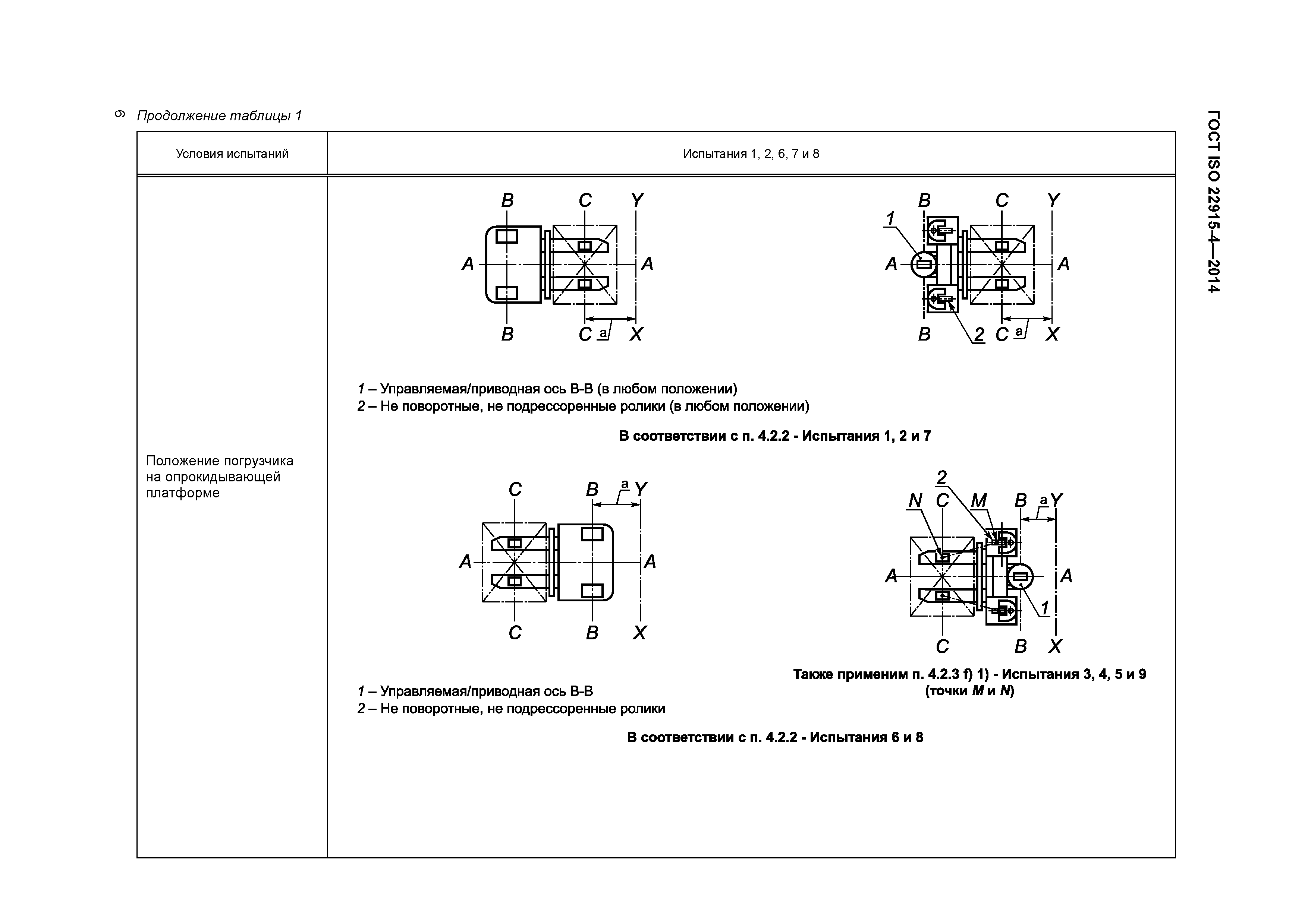
| Оглавление: | 1 Область применения 2 Нормативные ссылки 3 Термины и определения 4 Условия испытаний 4.1 Общие требования 4.2 Расположение на опрокидывающей платформе 4.3 Определение контрольной точки 4.4 Высота подъема вил для испытаний, имитирующих движение 4.5 Положение верхнего груза в случае, если погрузчик используется в качестве двойного штабелера 5 Проверка устойчивости Приложение ДА (справочное) Сведения о соответствии межгосударственных стандартов ссылочным международным стандартам |
| Разработан: | ООО ИЦ ЦНИП СДМ |
| Утверждён: | 22.12.2014 Межгосударственный Совет по стандартизации, метрологии и сертификации (Inter-Governmental Council on Standardization, Metrology, and Certification 73-П) 15.06.2015 Федеральное агентство по техническому регулированию и метрологии (695-ст) |
| Издан: | Стандартинформ (2015 г. ) |














