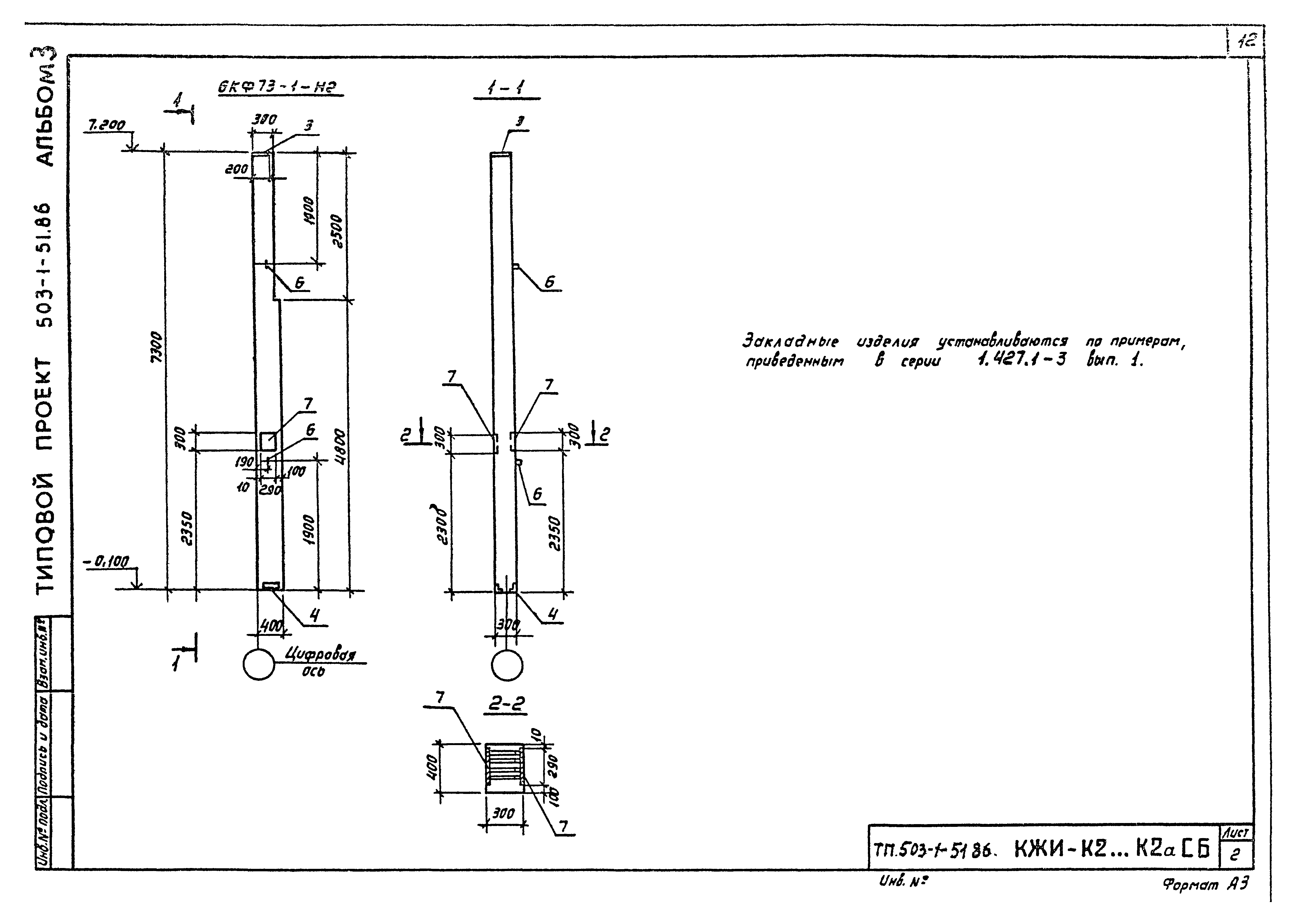
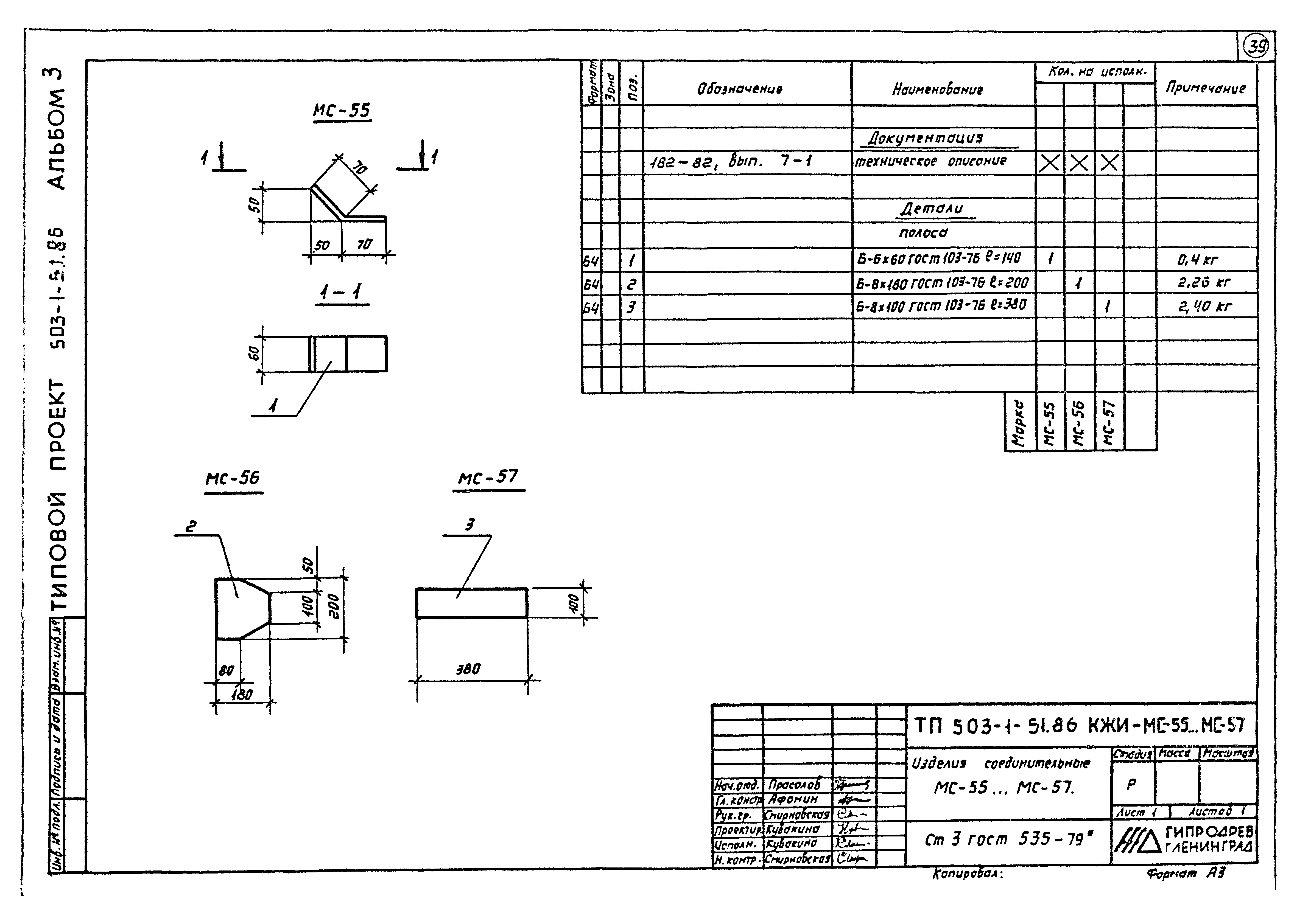
Скачать Типовой проект 503-1-51.86 Альбом 3. Часть 1. Строительные изделия. Изделия железобетонныеДата актуализации: 01.01.2021
|
| Обозначение: | Типовой проект 503-1-51.86 |
| Обозначение англ: | 503-1-51.86 |
| Статус: | не определен законодательством |
| Название рус.: | Альбом 3. Часть 1. Строительные изделия. Изделия железобетонные |
| Дата добавления в базу: | 12.02.2016 |
| Дата актуализации: | 01.01.2021 |
| Дата введения: | 15.10.1986 |
| Дата окончания срока действия: | 30.06.2003 |
| Разработан: | Гипродрев Минлесбумпрома СССР |
| Утверждён: | 14.04.1986 Минлесбумпром СССР (USSR Minlesbumprom 47) |
| Издан: | ЦИТП Госстроя СССР (CITP, Gosstroy (USSR) 1988 г. ) |








































