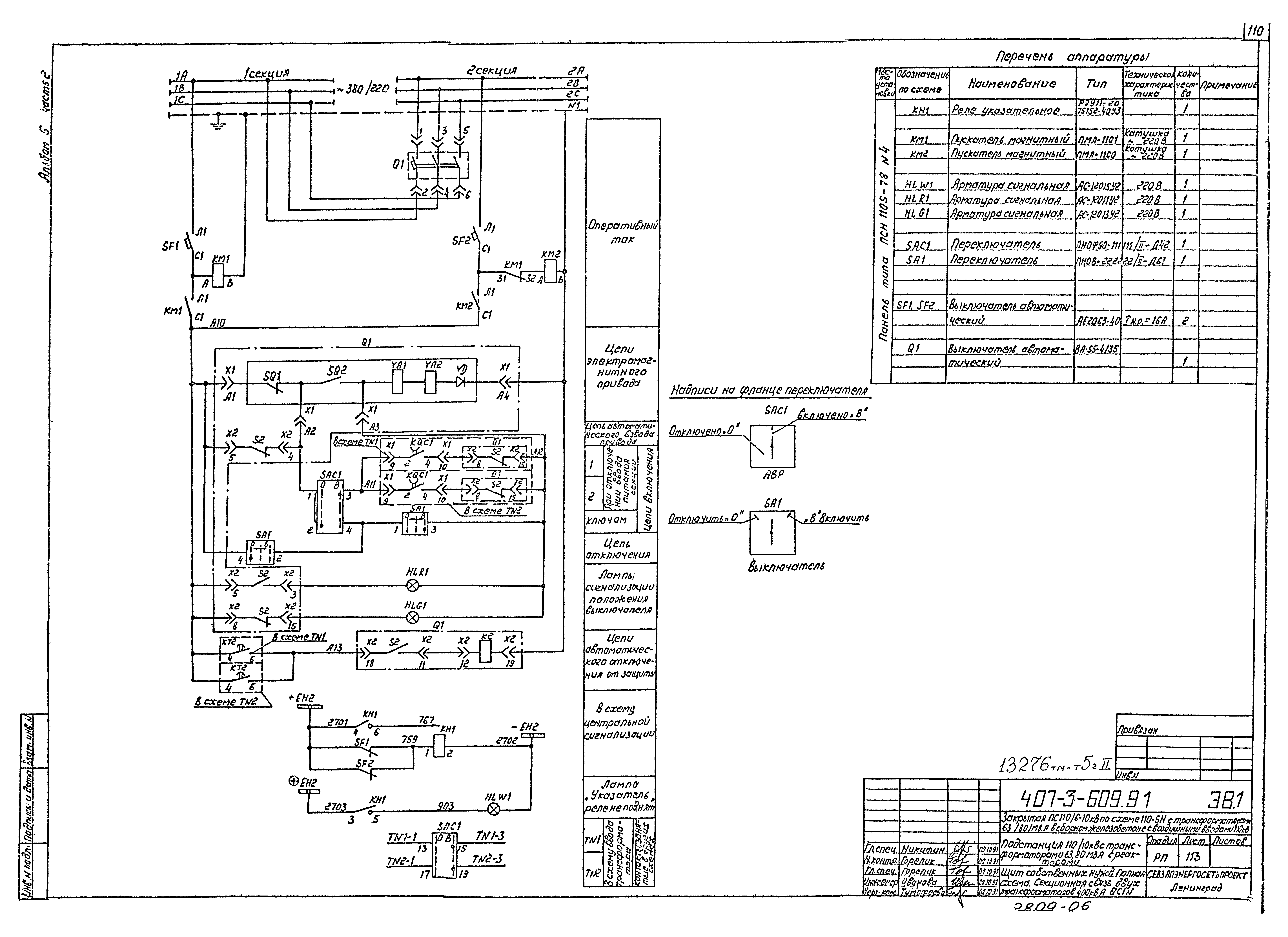
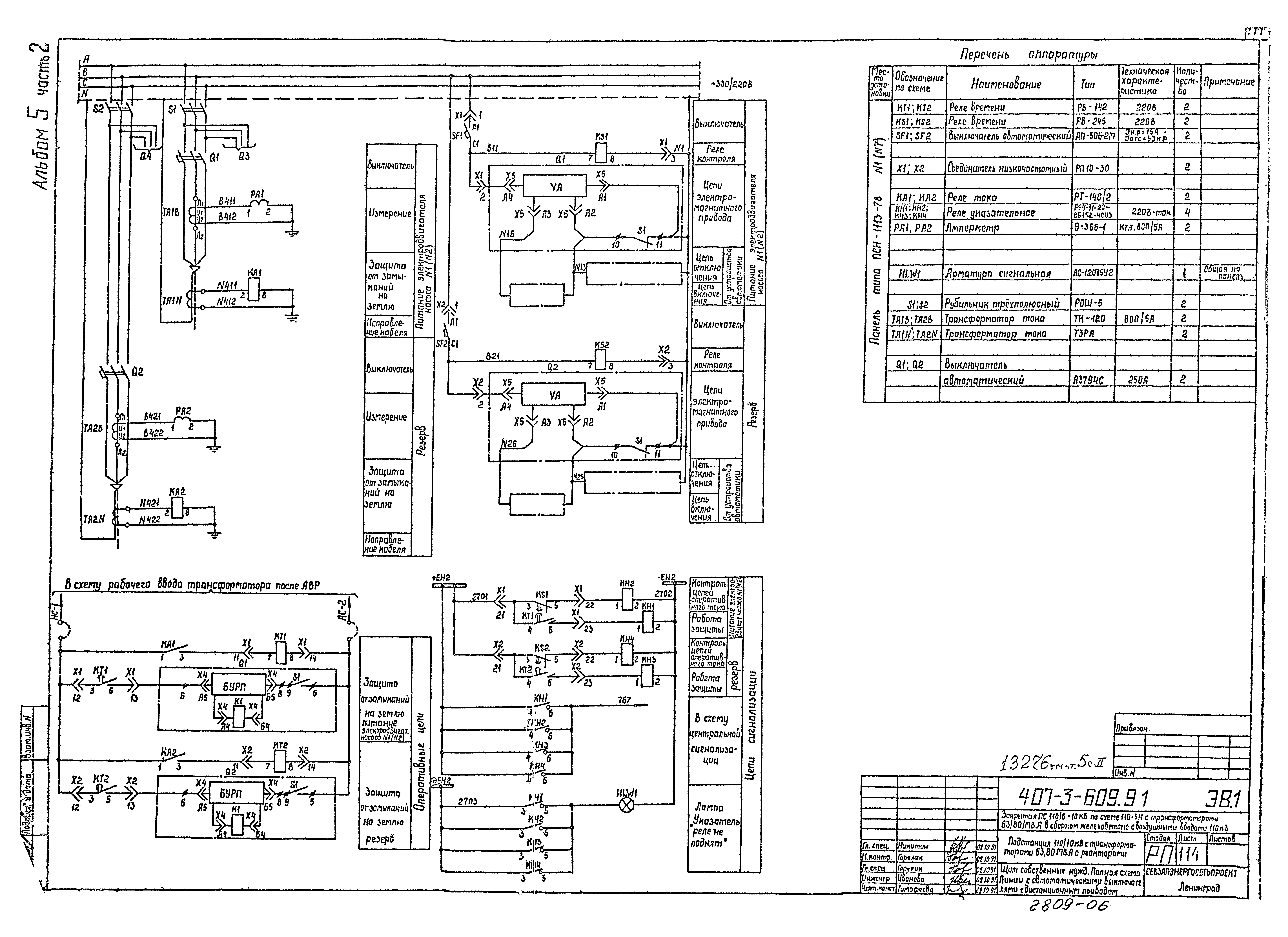
Скачать Типовой проект 407-3-608.91 Альбом 5. Часть 2. Управление и автоматизация. Вариант с реакторами 6(10) кВ (из ТП 407-3-609.91)Дата актуализации: 01.01.2021 Типовой проект 407-3-608.91
Альбом 5. Часть 2. Управление и автоматизация. Вариант с реакторами 6(10) кВ (из ТП 407-3-609.91)| Обозначение: | Типовой проект 407-3-608.91 | | Обозначение англ: | 407-3-608.91 | | Статус: | действует | | Название рус.: | Альбом 5. Часть 2. Управление и автоматизация. Вариант с реакторами 6(10) кВ (из ТП 407-3-609.91) | | Дата добавления в базу: | 12.02.2016 | | Дата актуализации: | 01.01.2021 | | Дата введения: | 23.09.1991 | | Разработан: | Севзапэнергосетьпроект
| | Утверждён: | 23.09.1991 Минэнерго СССР (USSR Minenergo 43)
| | Издан: | Севзапэнергосетьпроект (1991 г. )
|
                                                                    
|