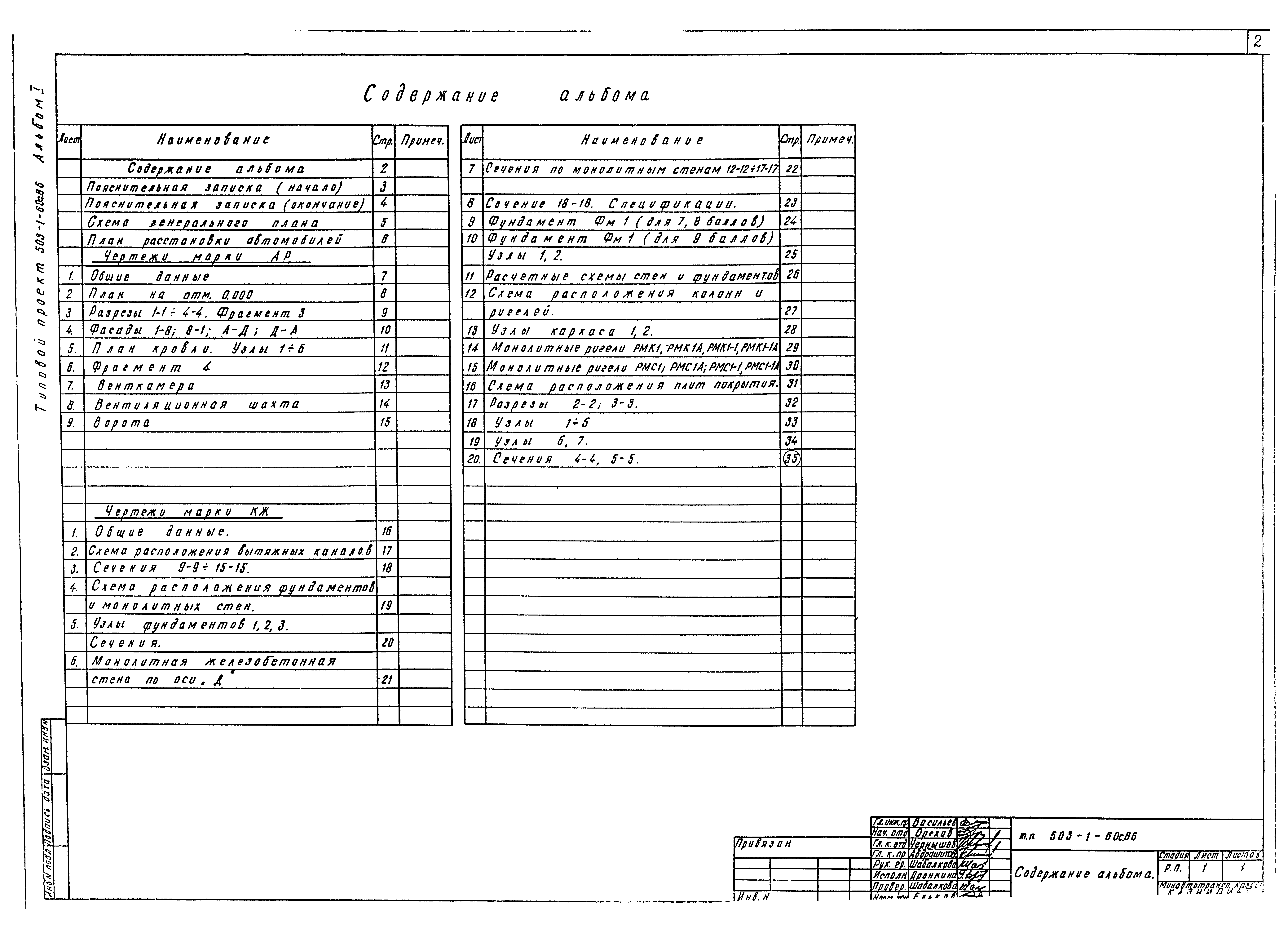
Скачать Типовой проект 503-1-60с.86 Альбом I. Архитектурно-строительные чертежиДата актуализации: 01.01.2021
|
| Обозначение: | Типовой проект 503-1-60с.86 |
| Обозначение англ: | 503-1-60с.86 |
| Статус: | не определен законодательством |
| Название рус.: | Альбом I. Архитектурно-строительные чертежи |
| Дата добавления в базу: | 12.02.2016 |
| Дата актуализации: | 01.01.2021 |
| Дата введения: | 03.12.1986 |
| Дата окончания срока действия: | 30.06.2003 |
| Разработан: | КазНИПИАТ |
| Утверждён: | 03.12.1986 Госстрой Казахской ССР (259) |
| Издан: | ЦИТП Госстроя СССР (CITP, Gosstroy (USSR) 1988 г. ) |




































