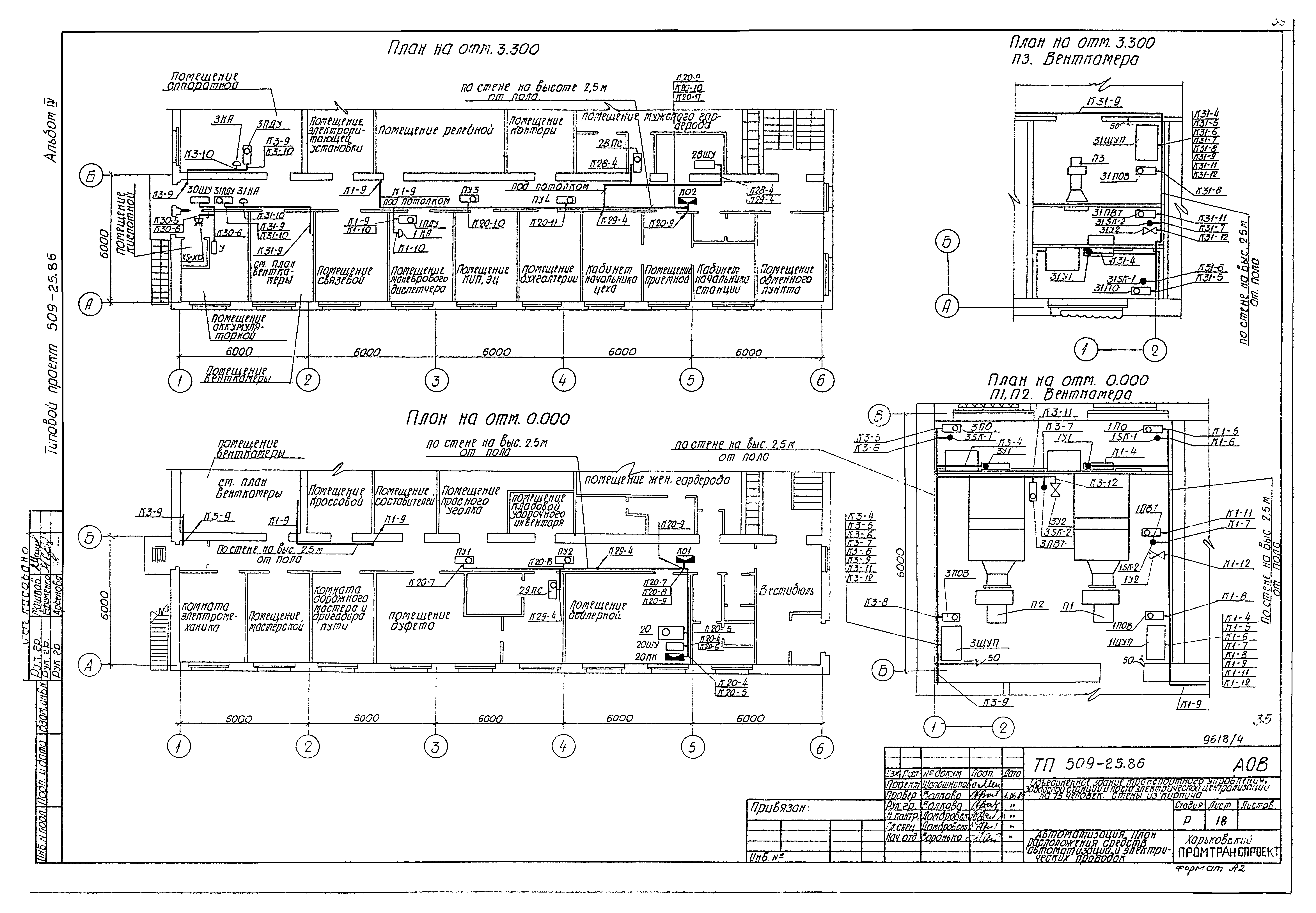
Скачать Типовой проект 509-25.86 Альбом IV. Электрическое освещение, силовое электрооборудование и автоматизация отопления и вентиляцииДата актуализации: 01.01.2021 Типовой проект 509-25.86
Альбом IV. Электрическое освещение, силовое электрооборудование и автоматизация отопления и вентиляции| Обозначение: | Типовой проект 509-25.86 | | Обозначение англ: | 509-25.86 | | Статус: | действует | | Название рус.: | Альбом IV. Электрическое освещение, силовое электрооборудование и автоматизация отопления и вентиляции | | Дата добавления в базу: | 12.02.2016 | | Дата актуализации: | 01.01.2021 | | Дата введения: | 05.02.1986 | | Разработан: | Харьковский Промтранспроект
| | Утверждён: | 15.01.1986 Госстрой СССР (АЧ-2)
| | Издан: | ЦИТП Госстроя СССР (CITP, Gosstroy (USSR) 1988 г. )
| | Заменяет собой: | |
                                    
|