Скачать ГОСТ 33267-2015 Шкурки меховые и овчины выделанные. Методы механических испытанийДата актуализации: 01.01.2021
|
| Обозначение: | ГОСТ 33267-2015 |
| Обозначение англ: | GOST 33267-2015 |
| Статус: | введен впервые |
| Название рус.: | Шкурки меховые и овчины выделанные. Методы механических испытаний |
| Название англ.: | Dressed fur and sheepskins. Mechanical test methods |
| Дата добавления в базу: | 01.02.2017 |
| Дата актуализации: | 01.01.2021 |
| Дата введения: | 01.09.2016 |
| Область применения: | Стандарт распространяется на выделанные меховые шкурки и овчины и устанавливает методы определения разрывной нагрузки, разрывного удлинения, предела прочности при растяжении, полного, остаточного и упругого удлинения при заданном напряжении, нагрузки и удлинения при появлении трещин лицевого слоя. |
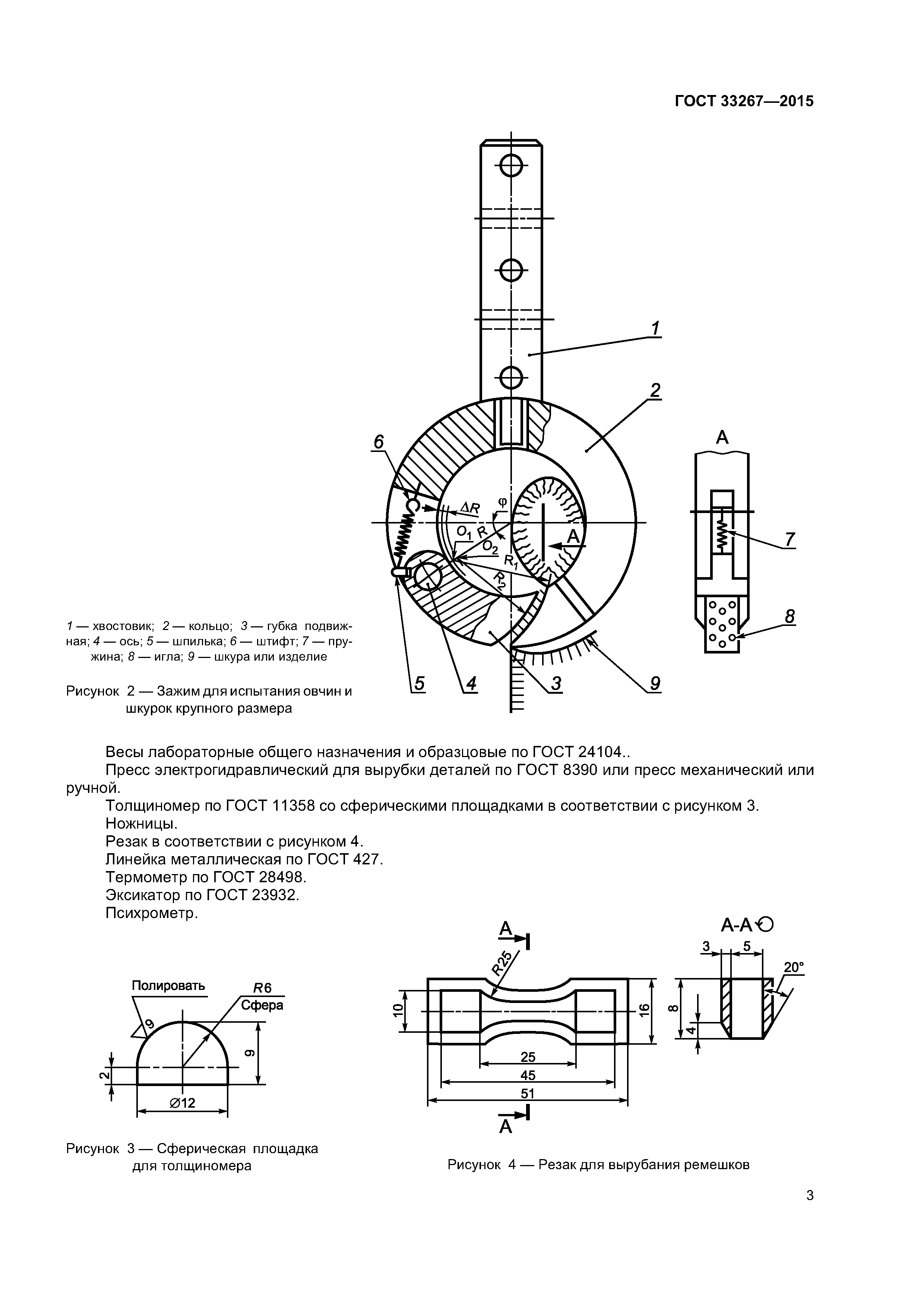
| Оглавление: | 1 Область применения 2 Нормативные ссылки 3 Термины и определения 4 Методы механических испытаний Приложение А (обязательное) Формы записей результатов механических испытаний ремешков Приложение Б (обязательное) Форма записи результатов механических испытаний целых меховых шкурок |
| Разработан: | ОАО ВНИИС ТК 412 Текстиль |
| Утверждён: | 29.05.2015 Межгосударственный Совет по стандартизации, метрологии и сертификации (Inter-Governmental Council on Standardization, Metrology, and Certification 77-П) 08.10.2015 Федеральное агентство по техническому регулированию и метрологии (1498-ст) |
| Издан: | Стандартинформ (2016 г. ) |
| Нормативные ссылки: |
|











