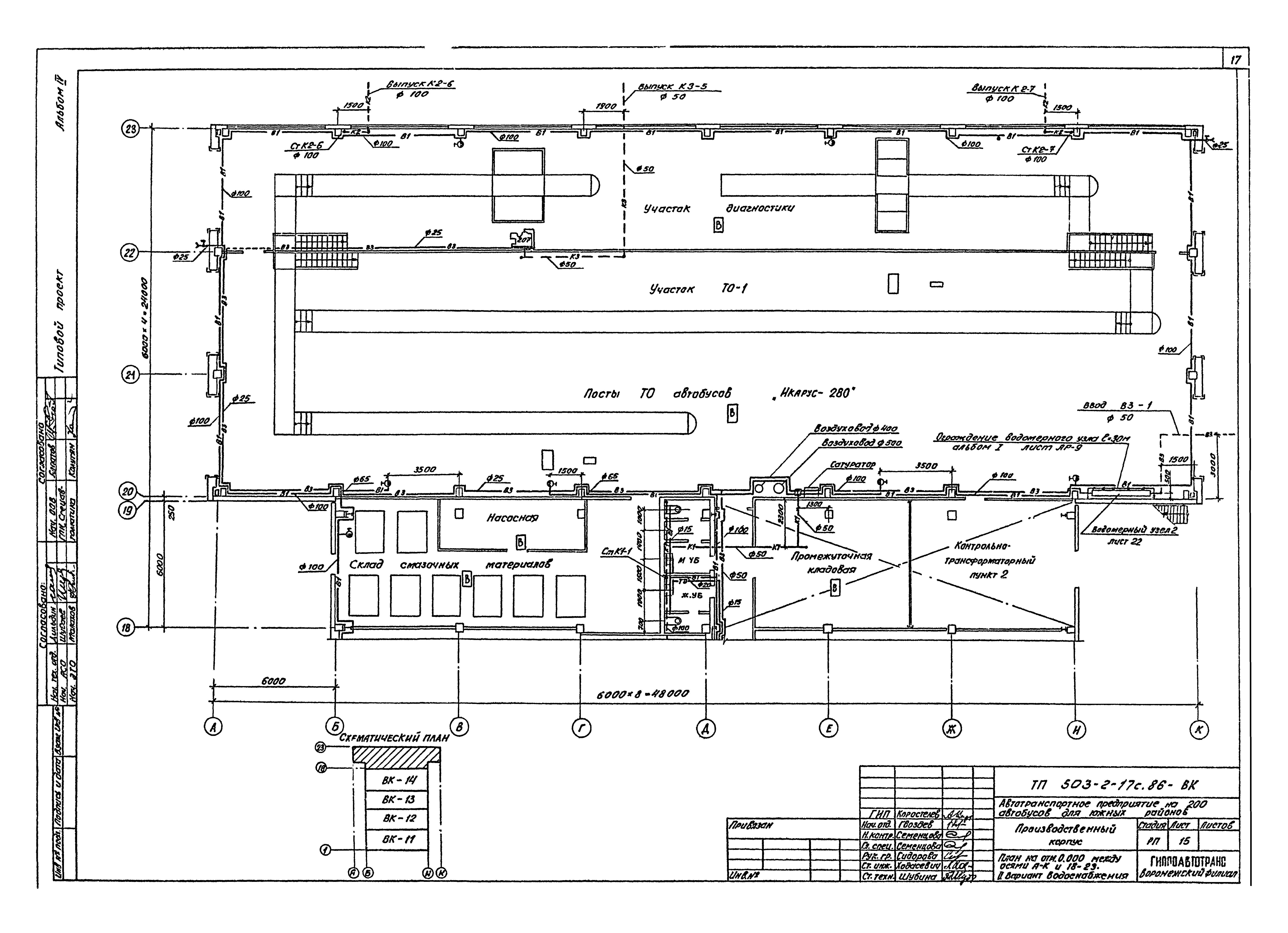
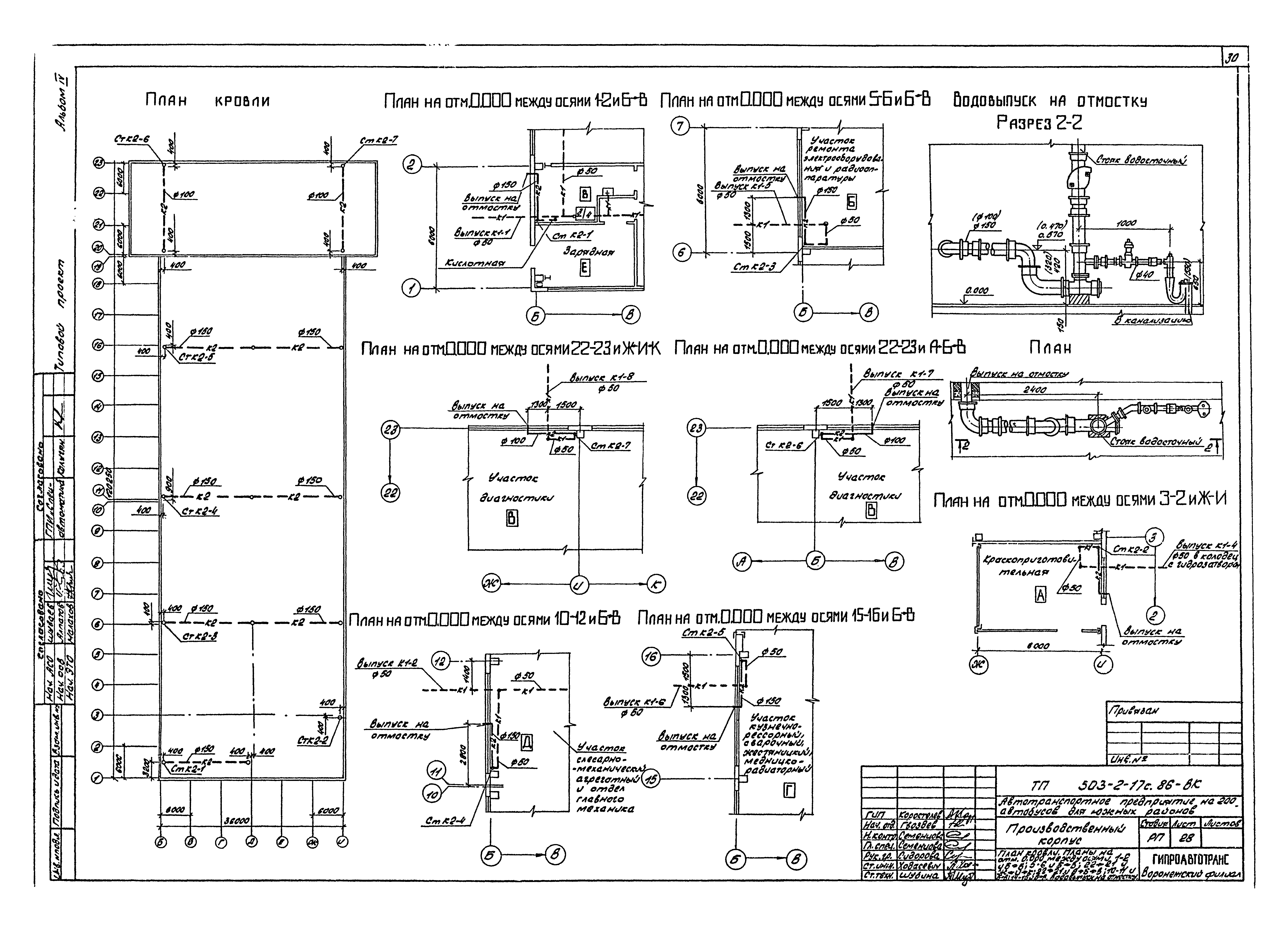
Скачать Типовой проект 503-2-17с.86 Альбом IV. Внутренний водопровод и канализацияДата актуализации: 01.01.2021
|
| Обозначение: | Типовой проект 503-2-17с.86 |
| Обозначение англ: | 503-2-17с.86 |
| Статус: | не определен законодательством |
| Название рус.: | Альбом IV. Внутренний водопровод и канализация |
| Дата добавления в базу: | 12.02.2016 |
| Дата актуализации: | 01.01.2021 |
| Дата введения: | 18.03.1986 |
| Дата окончания срока действия: | 30.06.2003 |
| Разработан: | Воронежский филиал Гипроавтотранс |
| Утверждён: | 18.03.1986 Минавтотранс РСФСР (Russian Federation Minavtotrans 8) |
| Издан: | ЦИТП Госстроя СССР (CITP, Gosstroy (USSR) 1988 г. ) |



































