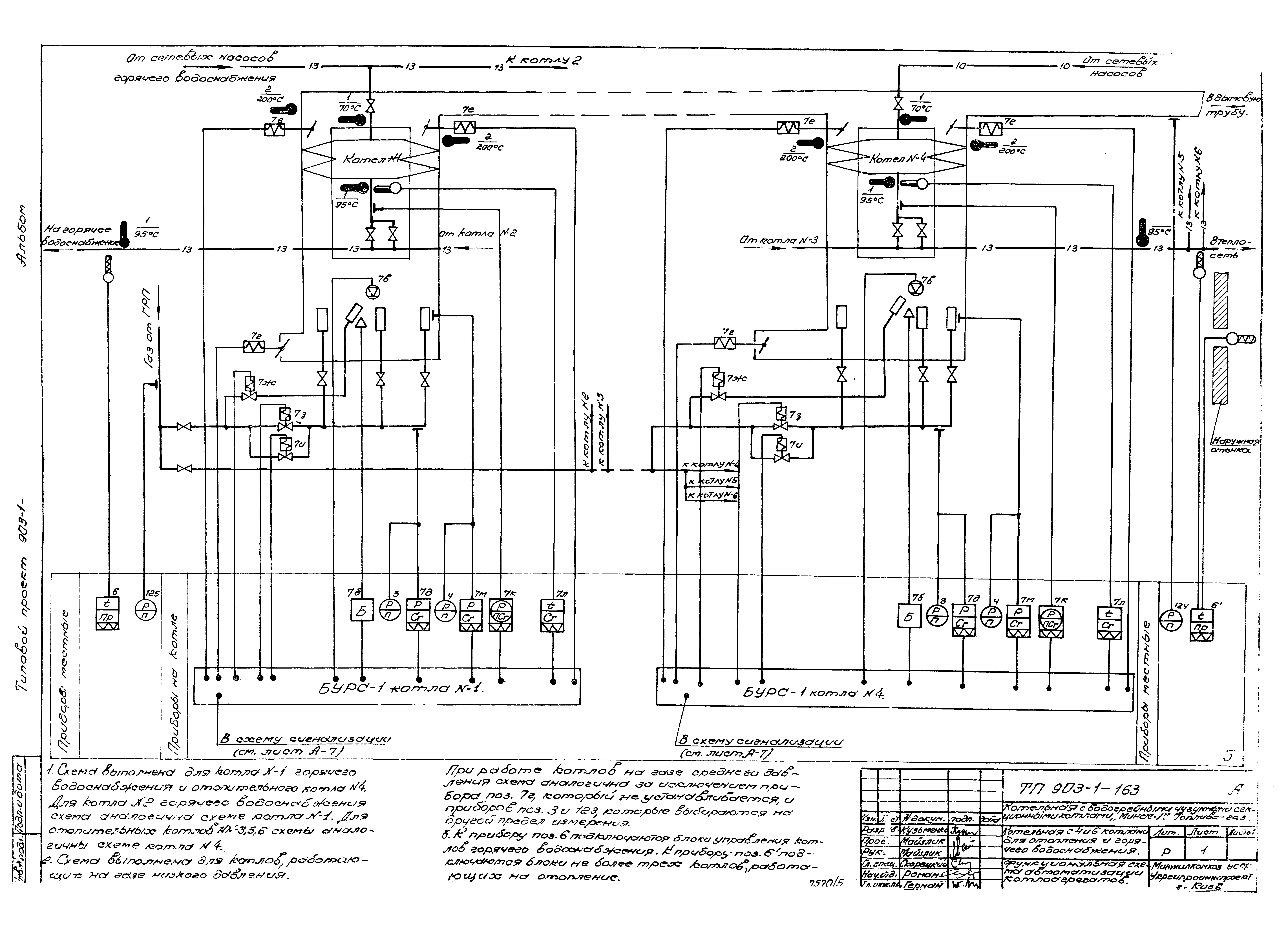
Скачать Типовой проект 903-1-163 Альбом V. Котельная с 4 и 6 котлами. КИП и автоматизацияДата актуализации: 01.01.2021
|
| Обозначение: | Типовой проект 903-1-163 |
| Обозначение англ: | 903-1-163 |
| Статус: | отменен |
| Название рус.: | Альбом V. Котельная с 4 и 6 котлами. КИП и автоматизация |
| Дата добавления в базу: | 12.02.2016 |
| Дата актуализации: | 01.01.2021 |
| Дата введения: | 31.05.1979 |
| Дата окончания срока действия: | 01.01.1986 |
| Разработан: | Укргипроинжпроект Минкомхоза Украинской ССР |
| Утверждён: | 31.05.1979 Укргипроинжпроект (83) |
| Издан: | ЦИТП Госстроя СССР (CITP, Gosstroy (USSR) 1980 г. ) |


















