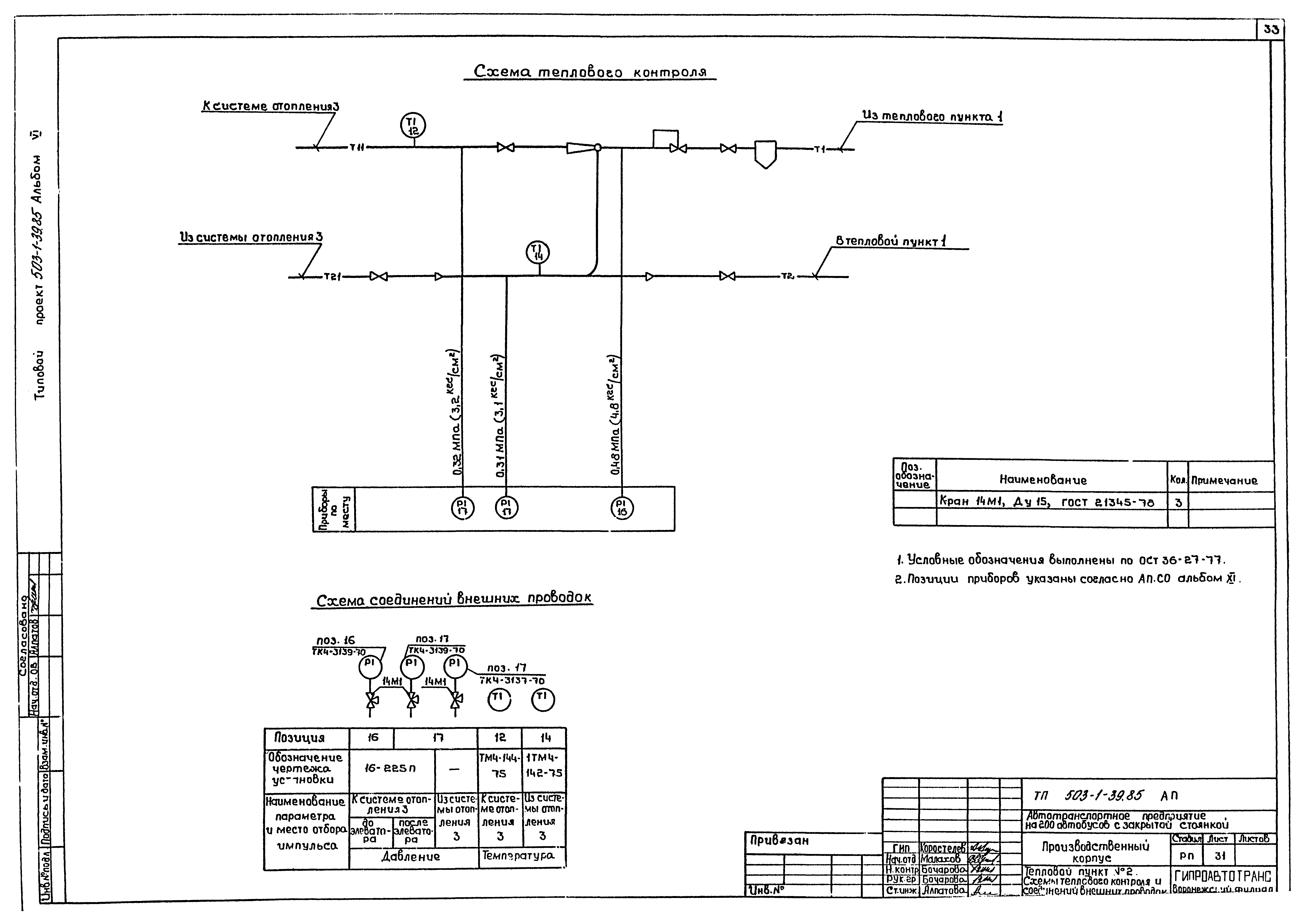
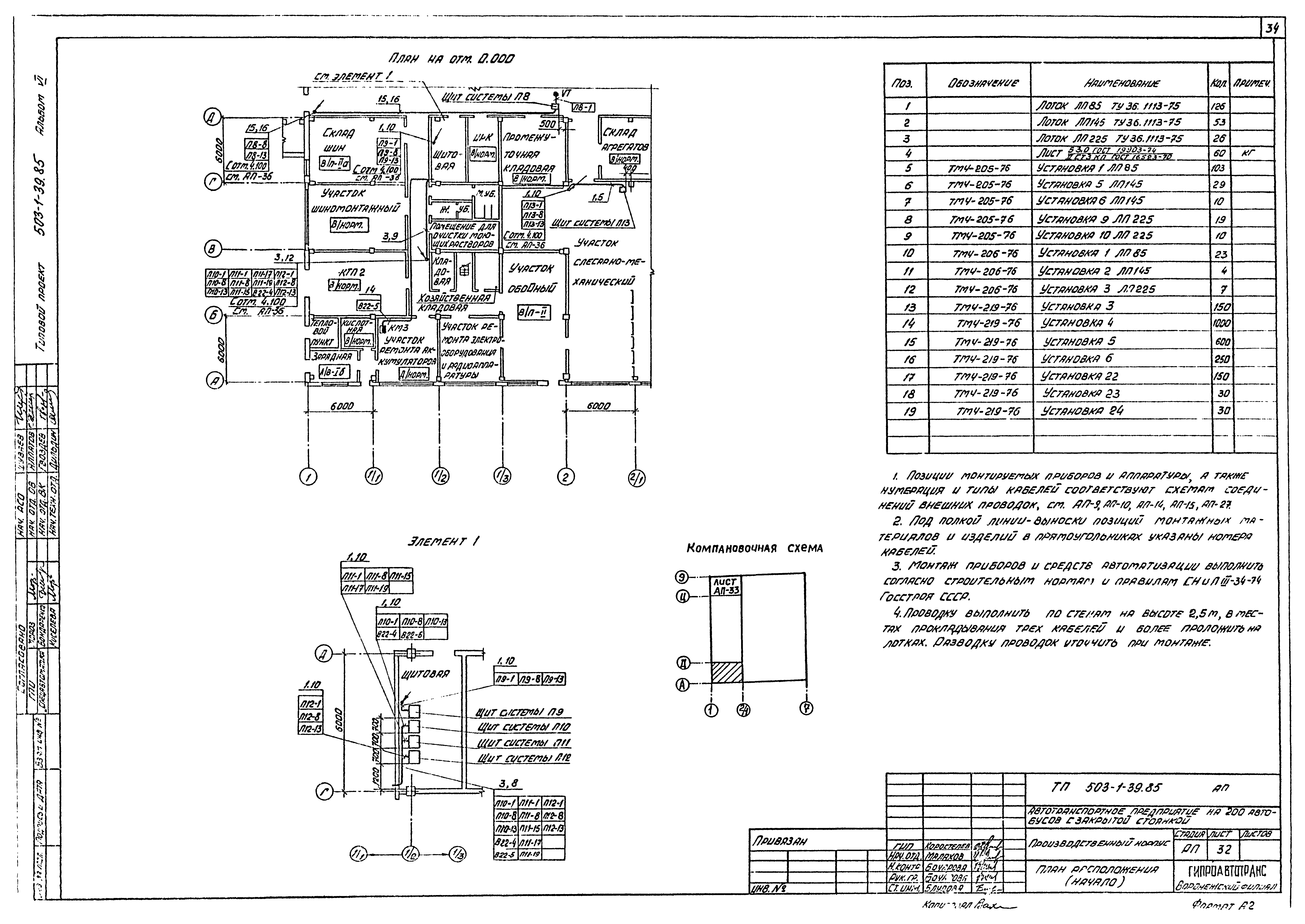
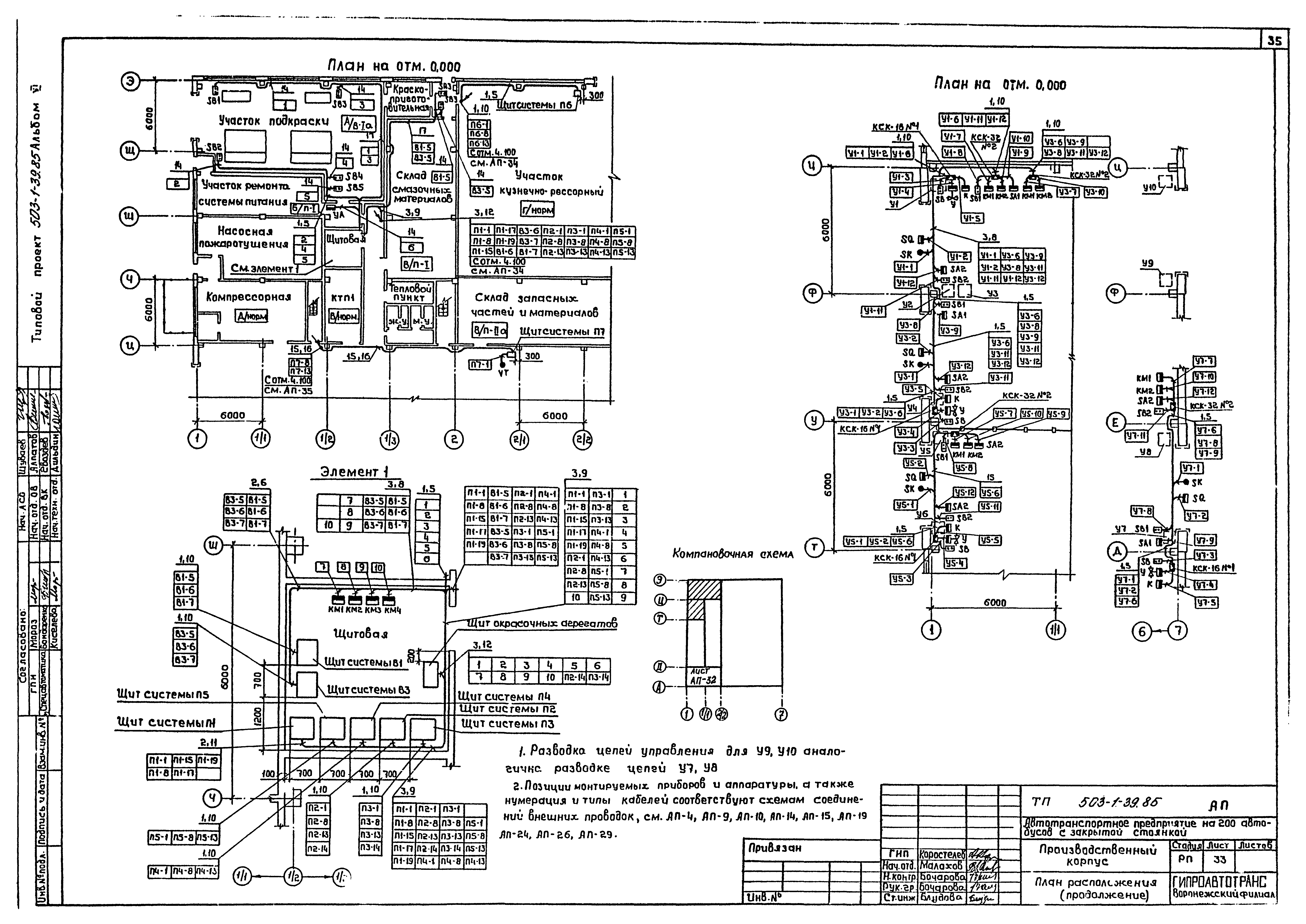
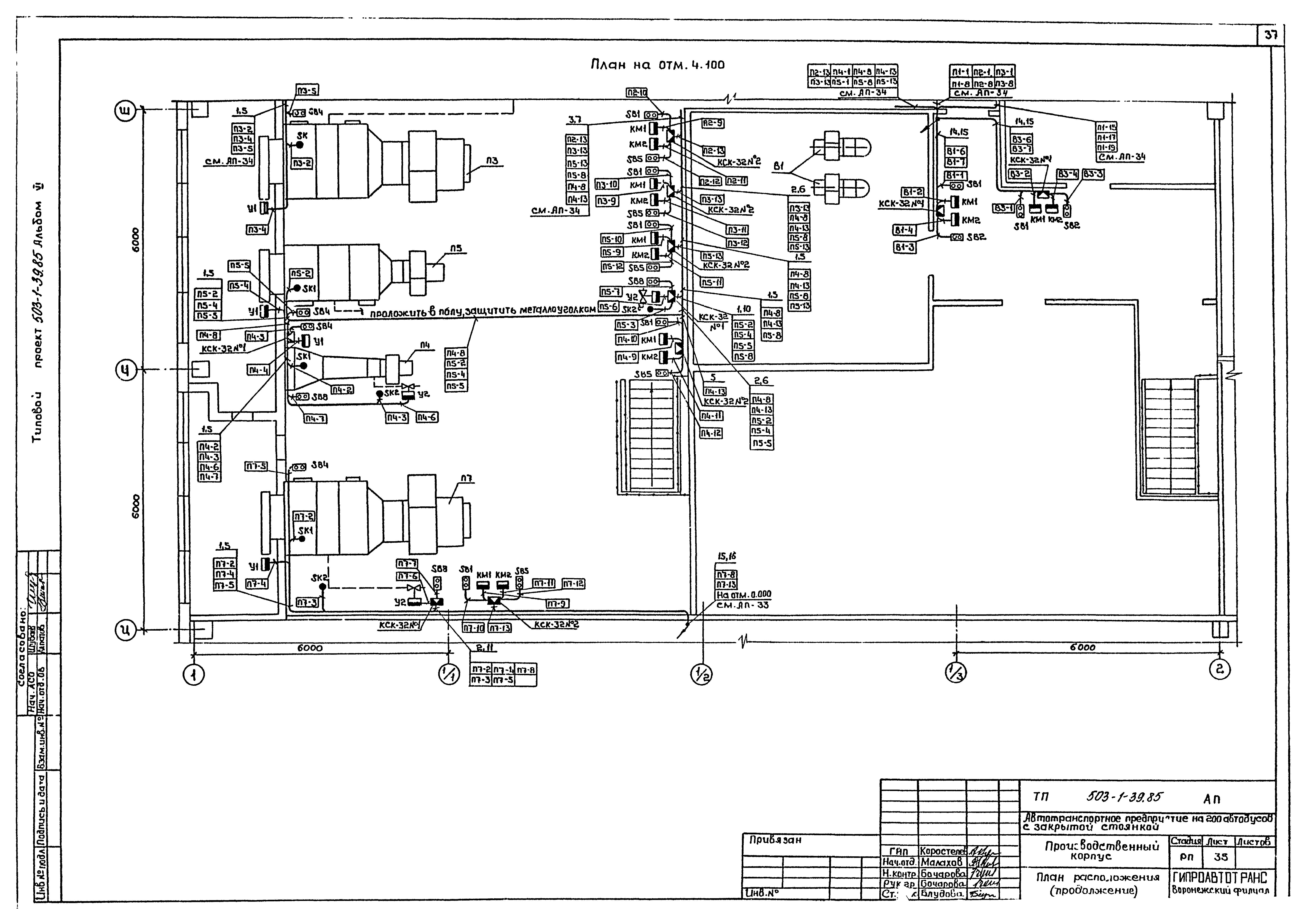
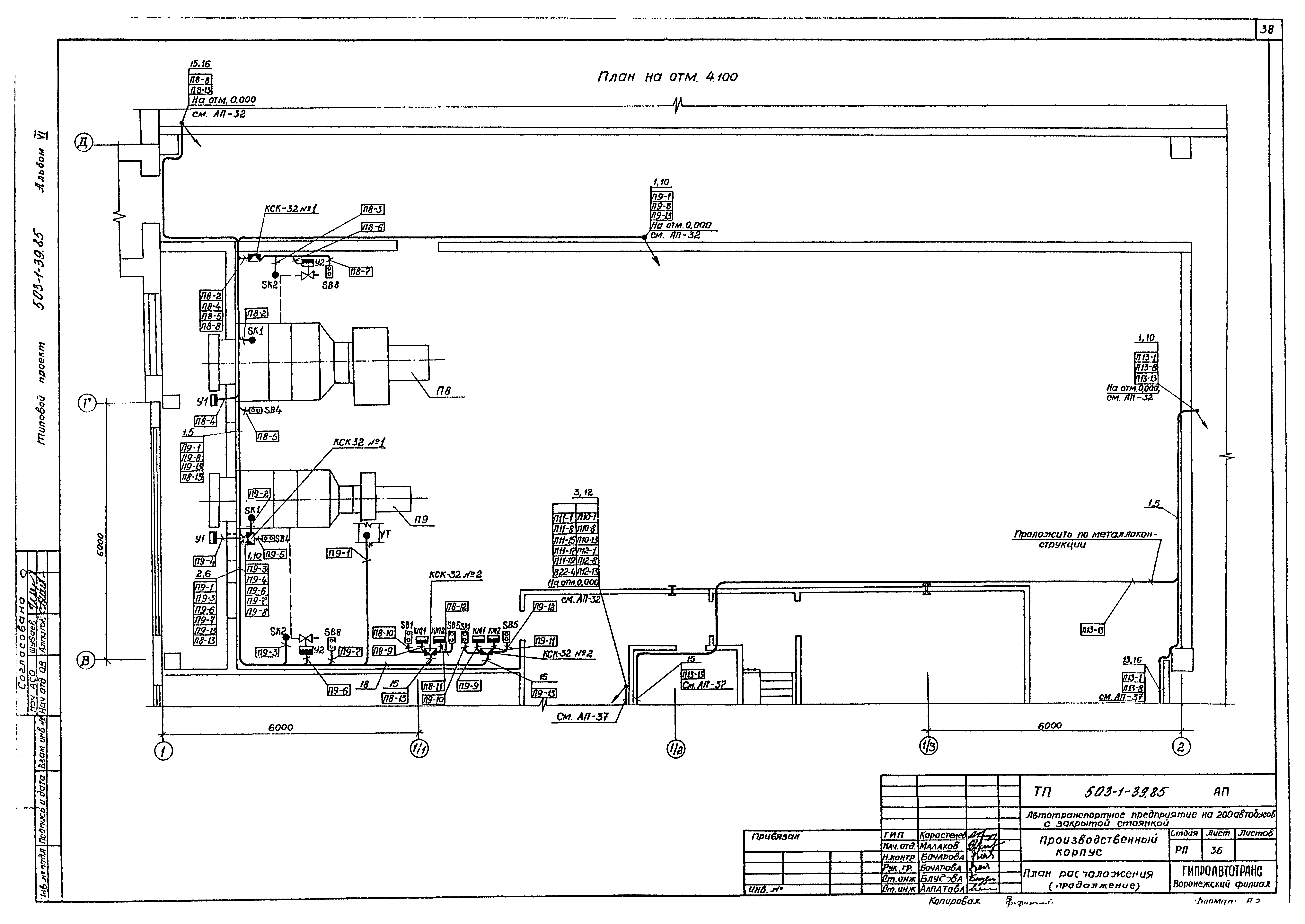
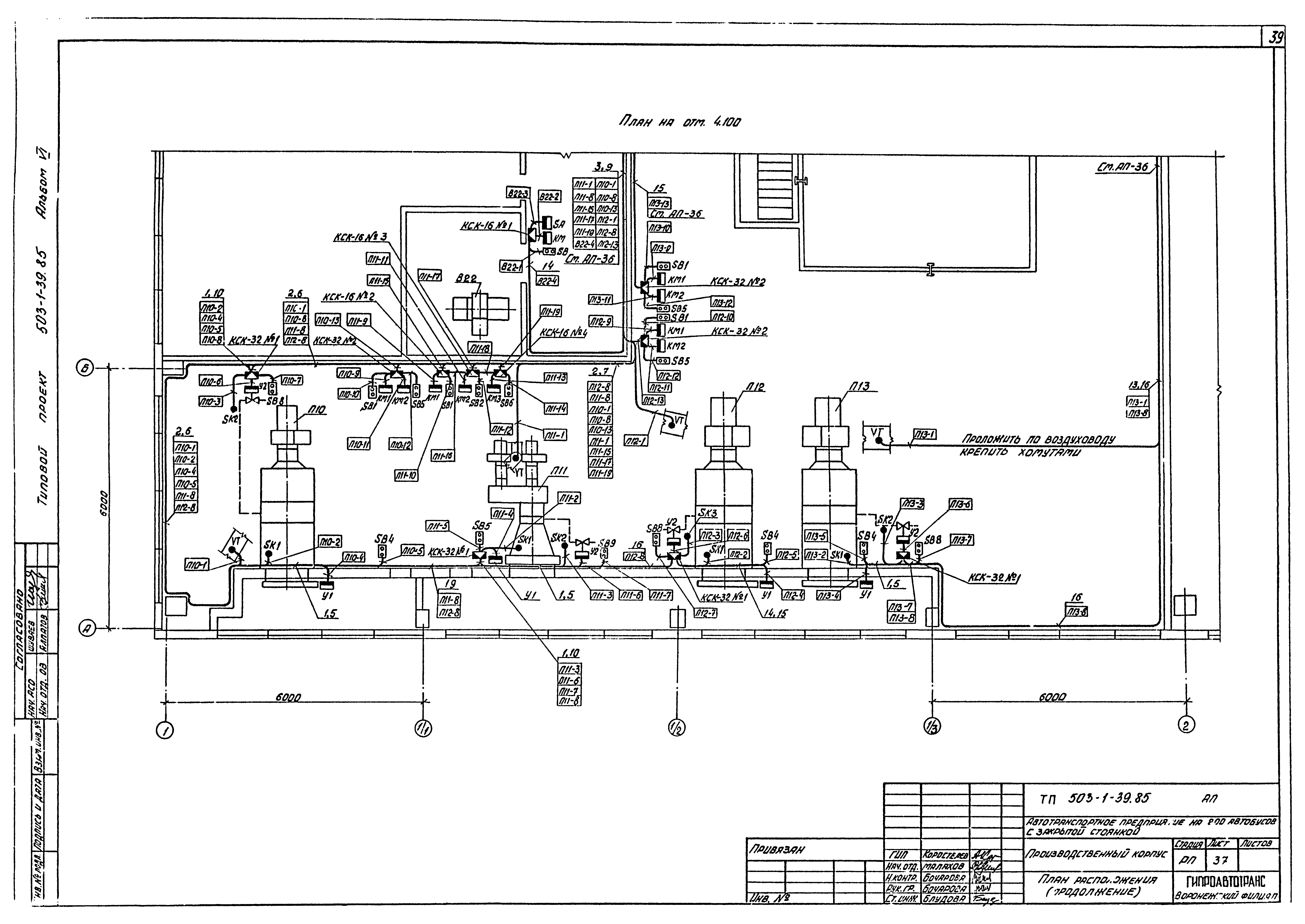
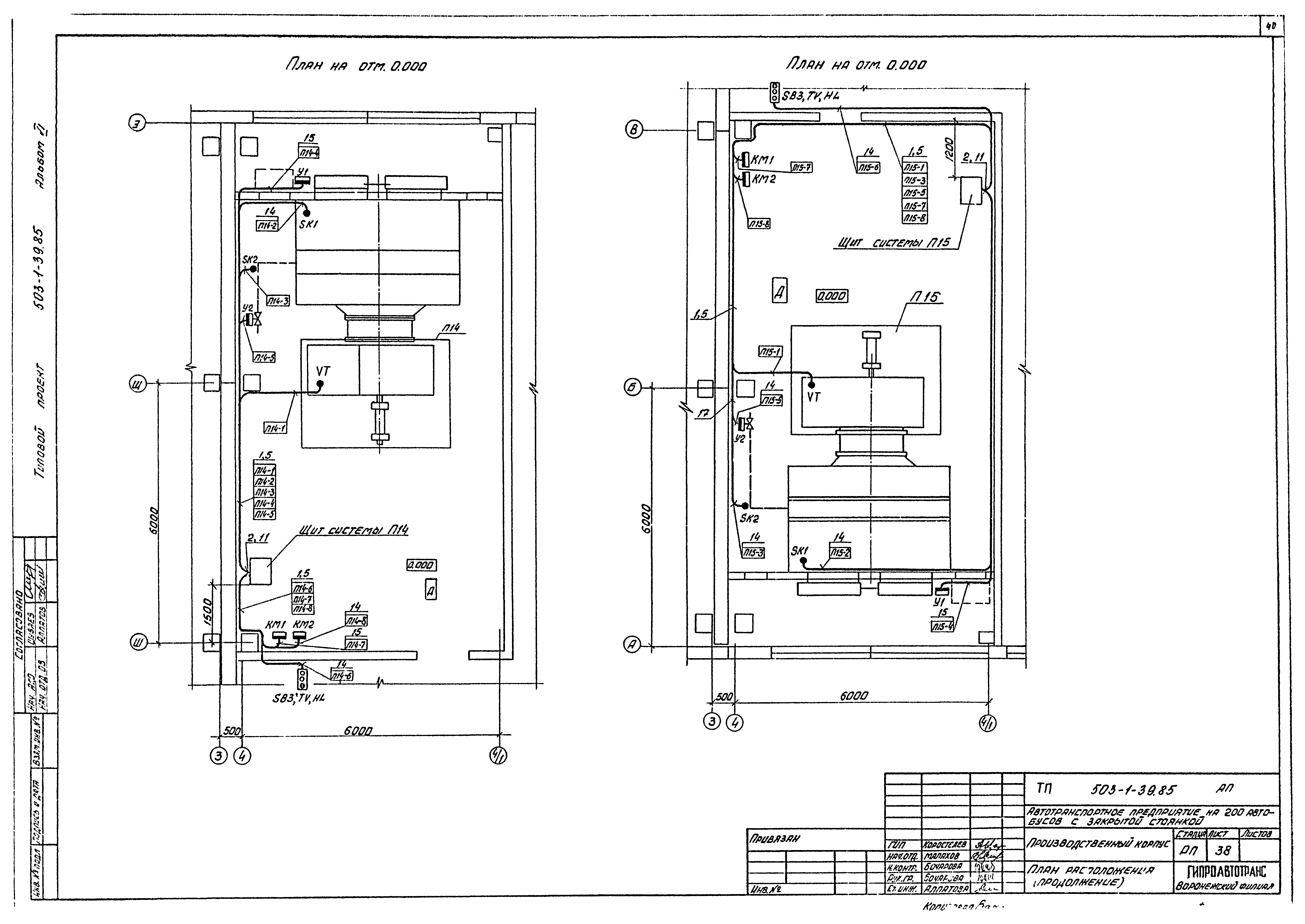
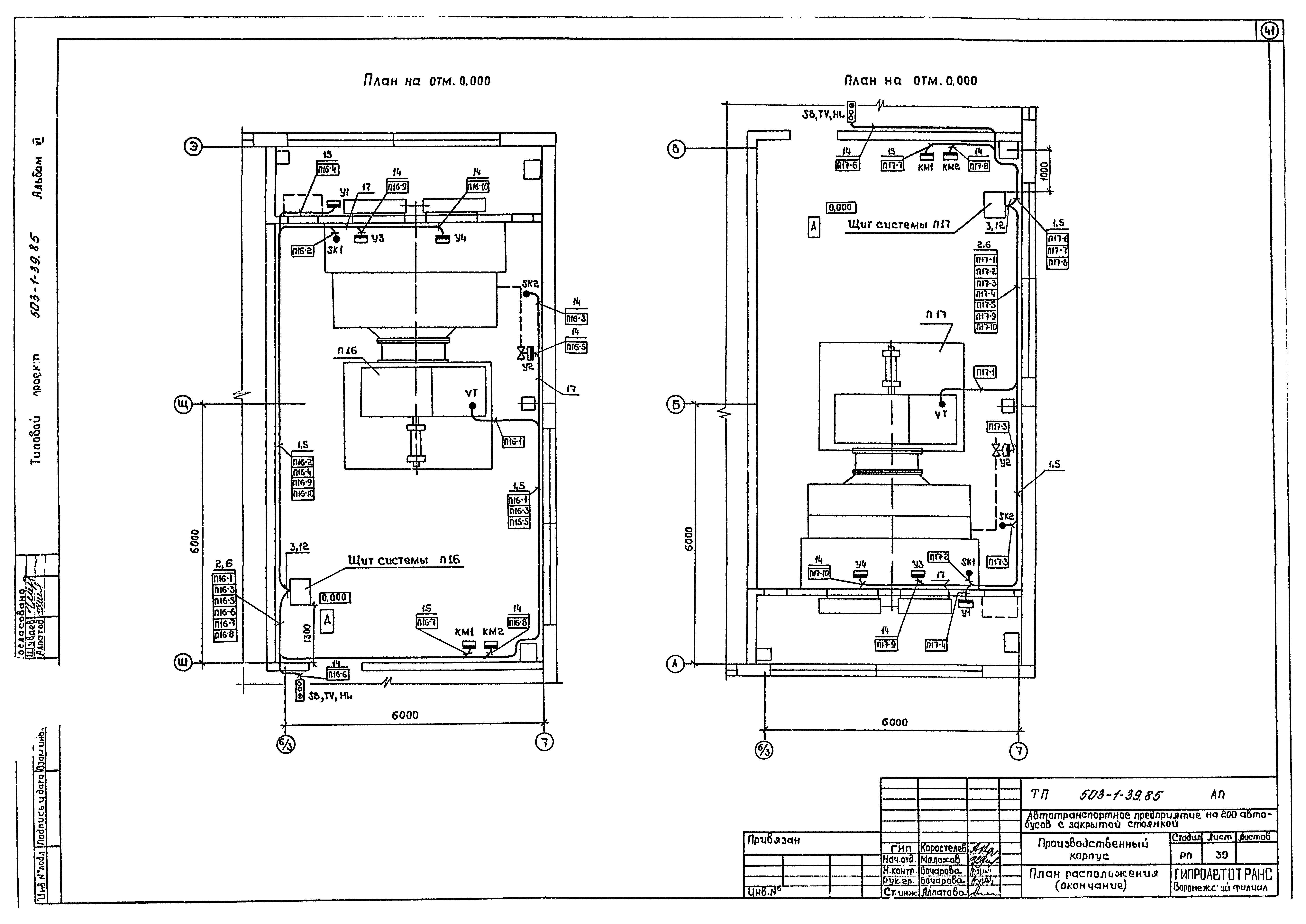
Скачать Типовой проект 503-1-39.85 Альбом VI. Автоматизация производстваДата актуализации: 01.01.2021
|
| Обозначение: | Типовой проект 503-1-39.85 |
| Обозначение англ: | 503-1-39.85 |
| Статус: | действует |
| Название рус.: | Альбом VI. Автоматизация производства |
| Дата добавления в базу: | 12.02.2016 |
| Дата актуализации: | 01.01.2021 |
| Дата введения: | 18.01.1985 |
| Разработан: | Воронежский филиал Гипроавтотранс |
| Утверждён: | 18.01.1985 Минавтотранс РСФСР (Russian Federation Minavtotrans 9) |
| Издан: | ЦИТП Госстроя СССР (CITP, Gosstroy (USSR) 1986 г. ) |










































