Скачать ГОСТ 301-41 Трубы стальные бесшовныеДата актуализации: 01.01.2021
|
| Обозначение: | ГОСТ 301-41 |
| Обозначение англ: | GOST 301-41 |
| Статус: | взамен |
| Название рус.: | Трубы стальные бесшовные |
| Дата добавления в базу: | 12.02.2016 |
| Дата актуализации: | 01.01.2021 |
| Дата введения: | 01.08.1941 |
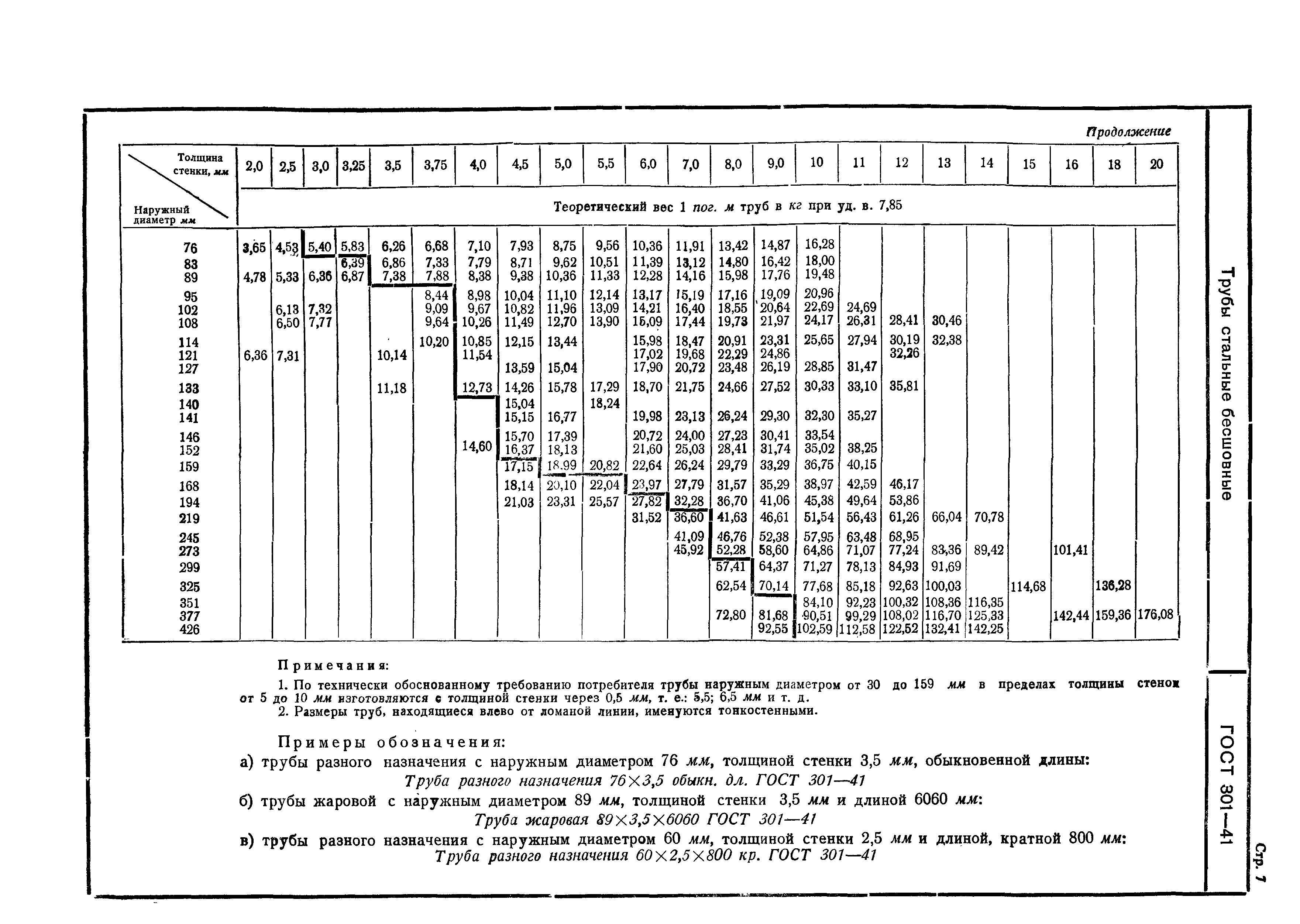
| Область применения: | Стандарт распространяется на стальные бесшовные трубы, изготовляемые из углеродистой стали и применяемые в паровозостроении, котлостроении, в качестве трубопроводов пара, газа, нефти, воды и других жидкостей, а также для изготовления конструкций, деталей машин и для других назначений. Стандарт не распространяется на трубы для паропроводов, работающих при температуре пара свыше 450° С, и на трубы с особыми требованиями к качеству металла, точности прокатки, не включенные в общий сортамент настоящего стандарта. |
| Оглавление: | А. Общая часть I. Определение и назначение II. Классификация III. Технические условия IV. Правила контроля и приемки V. Методы испытаний VI. Маркировка и упаковка В. Специальная часть |
| Утверждён: | 28.02.1941 Всесоюзный комитет стандартов |
| Издан: | СТАНДАРТГИЗ (1941 г. ) |
| Заменяет собой: |
|










