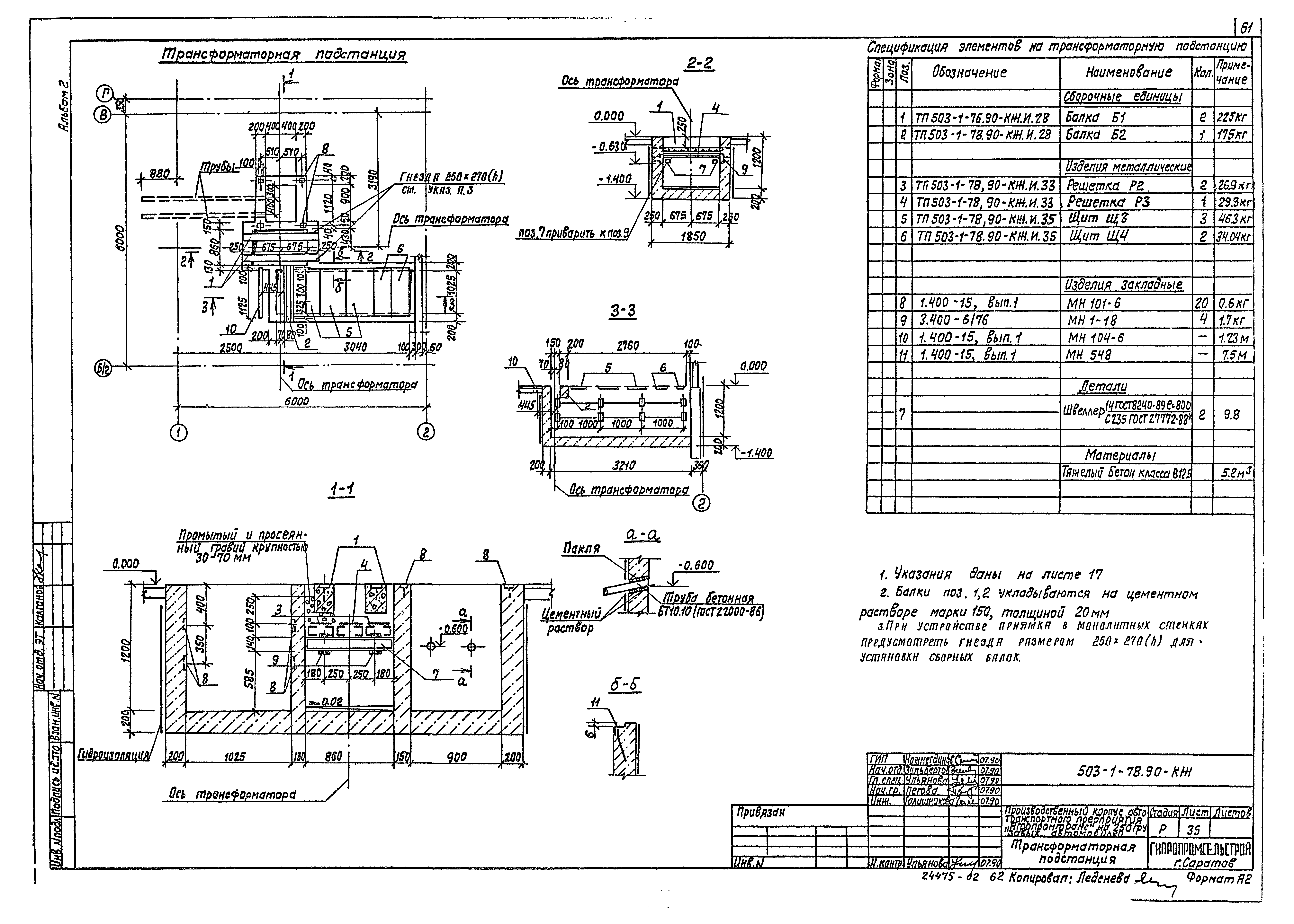
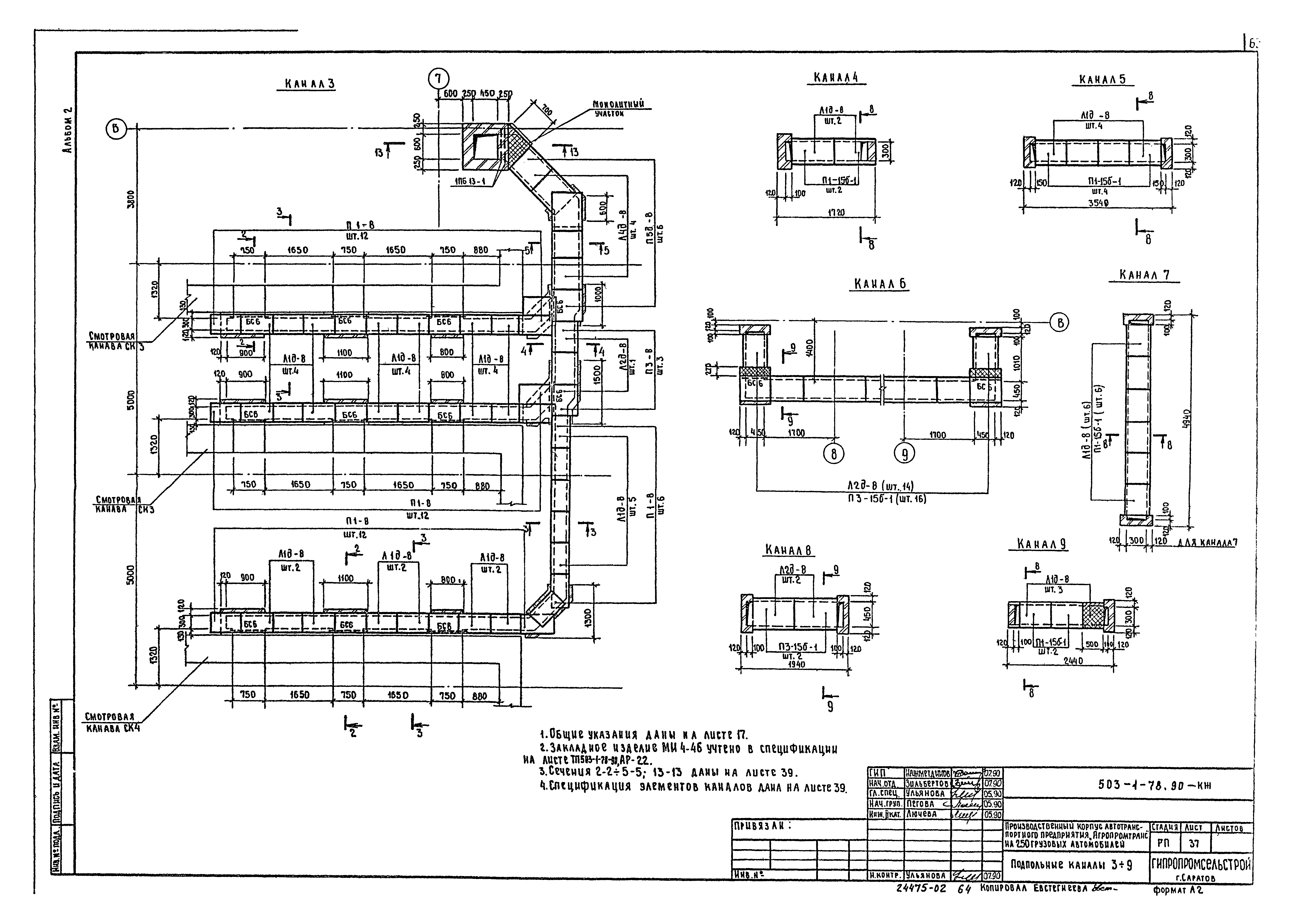
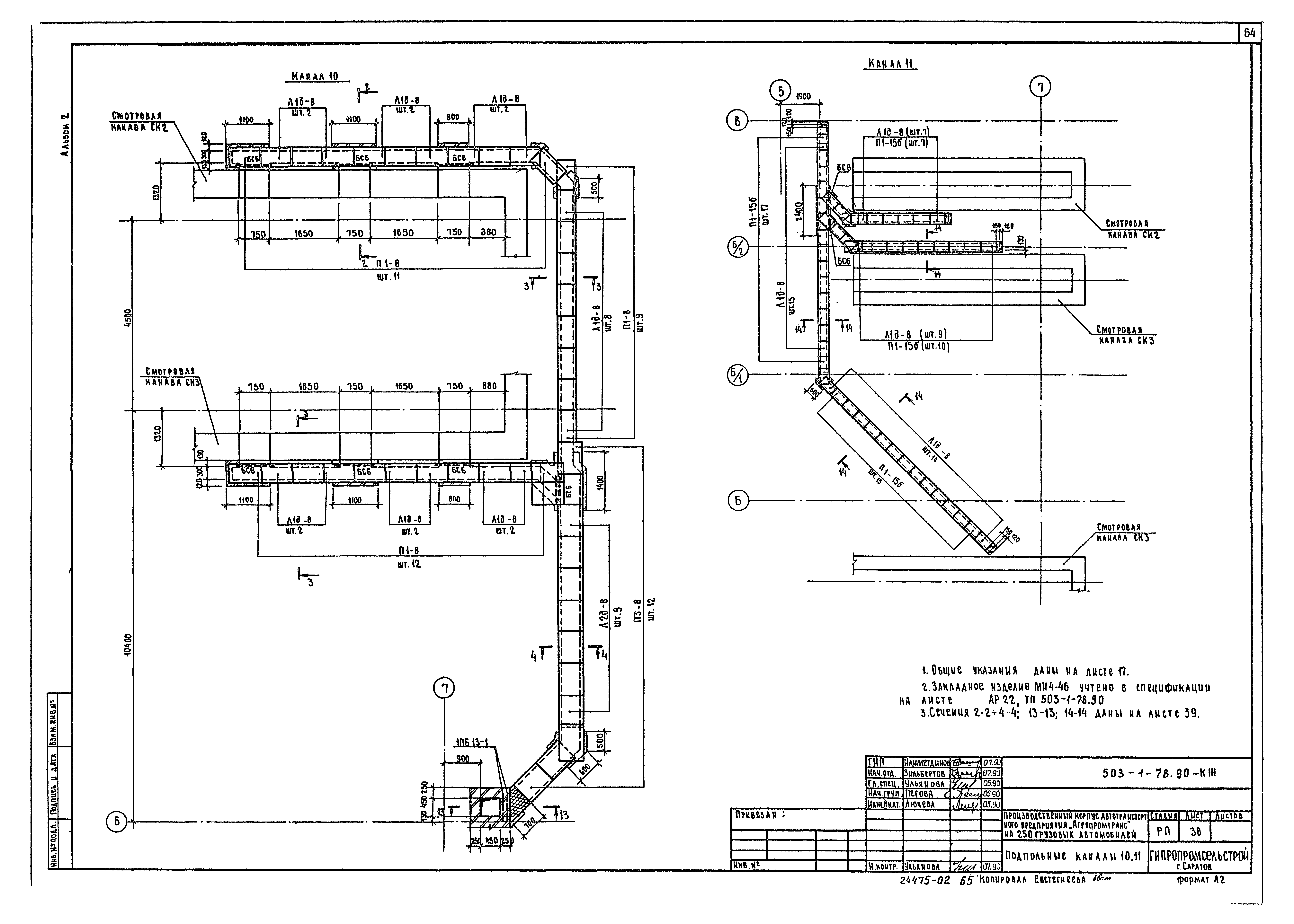
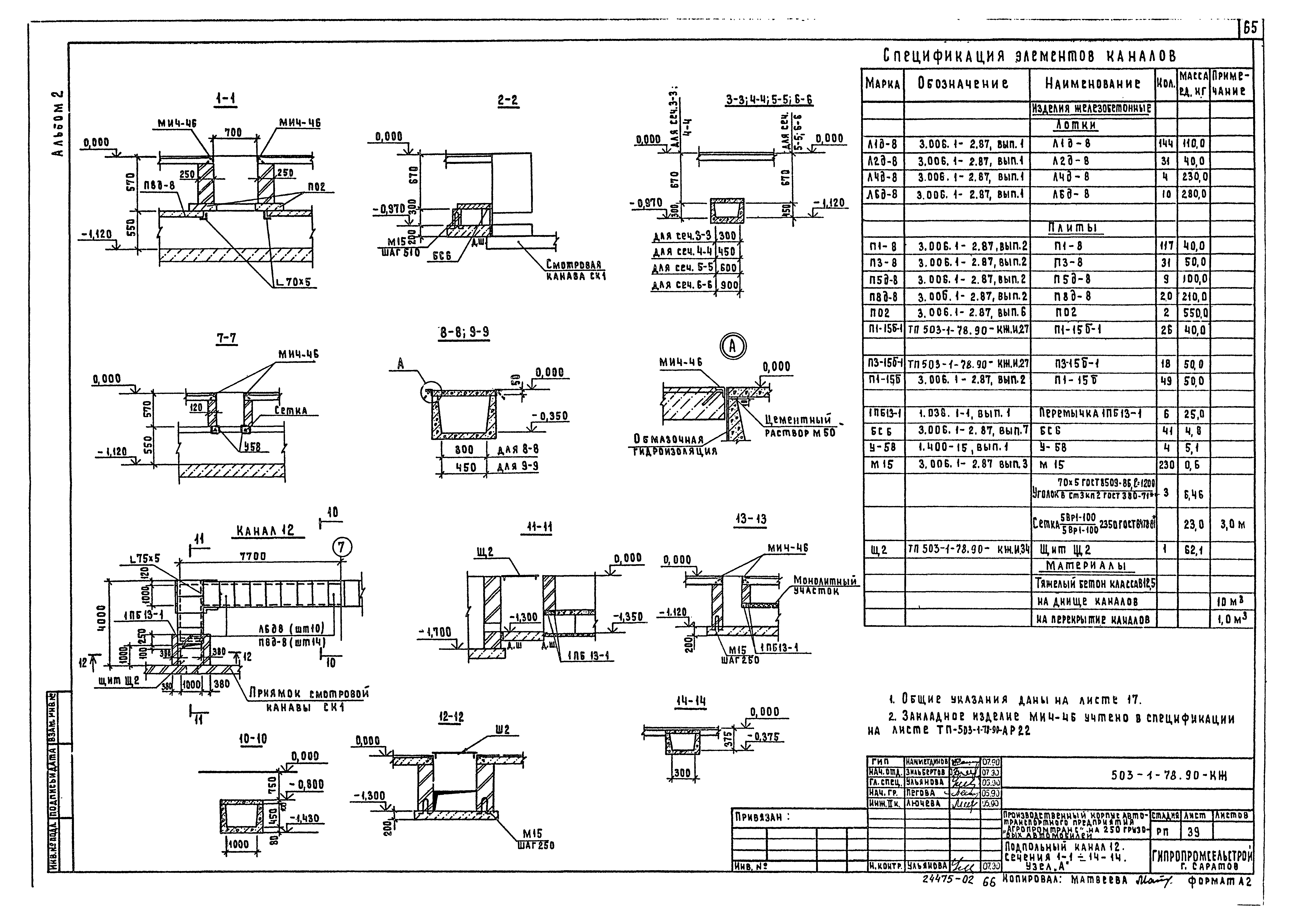
Скачать Типовой проект 503-1-78.90 Альбом 2. Архитектурные решения. Конструкции железобетонные. Конструкции металлическиеДата актуализации: 01.01.2021
|
| Обозначение: | Типовой проект 503-1-78.90 |
| Обозначение англ: | 503-1-78.90 |
| Статус: | не определен законодательством |
| Название рус.: | Альбом 2. Архитектурные решения. Конструкции железобетонные. Конструкции металлические |
| Дата добавления в базу: | 01.02.2017 |
| Дата актуализации: | 01.01.2021 |
| Дата введения: | 26.11.1990 |
| Дата окончания срока действия: | 30.06.2003 |
| Разработан: | Гипропромсельстрой |
| Утверждён: | 23.11.1990 Гипропромсельстрой (22) |
| Издан: | ЦИТП Госстроя СССР (CITP, Gosstroy (USSR) 1991 г. ) |





















































































