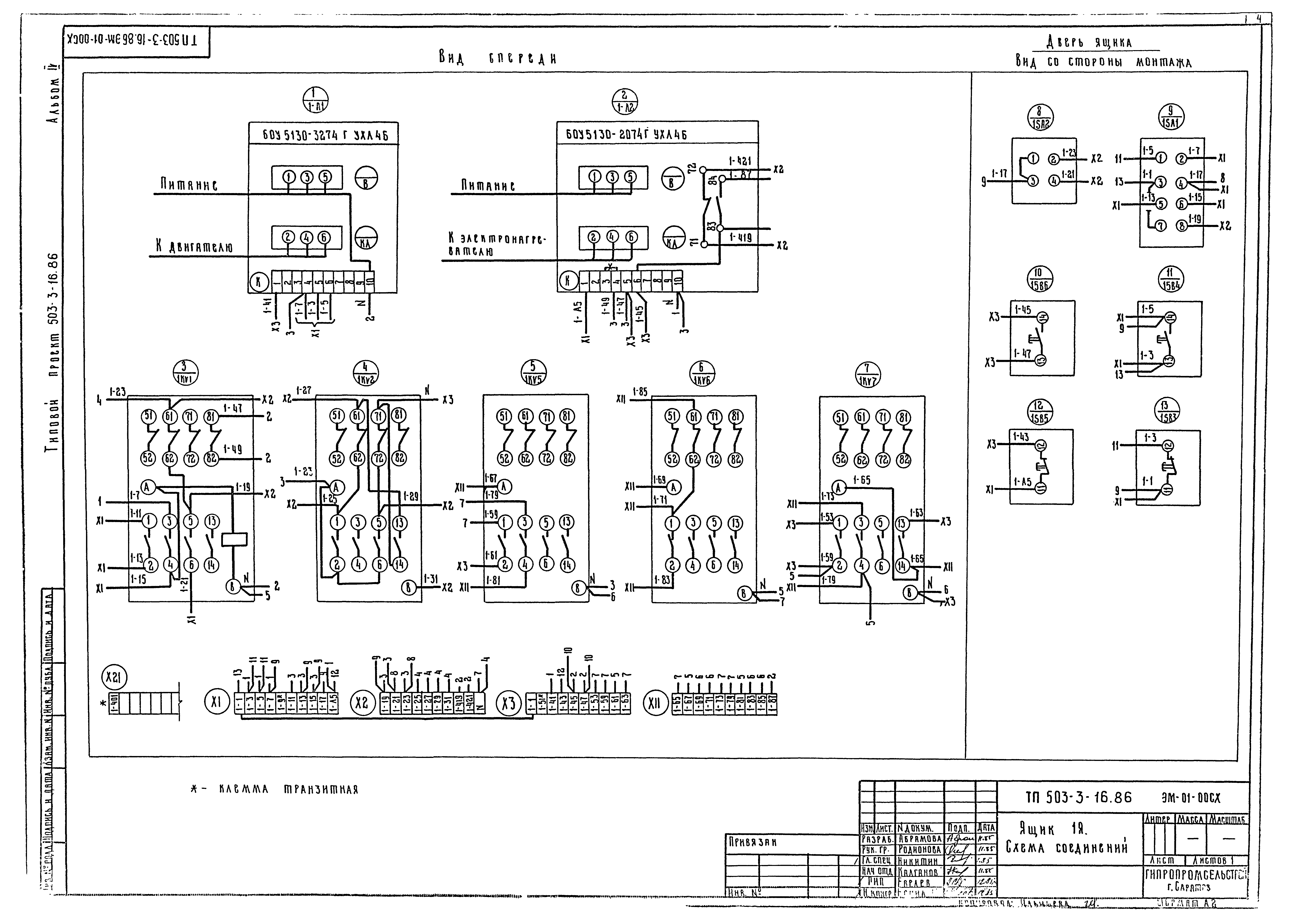
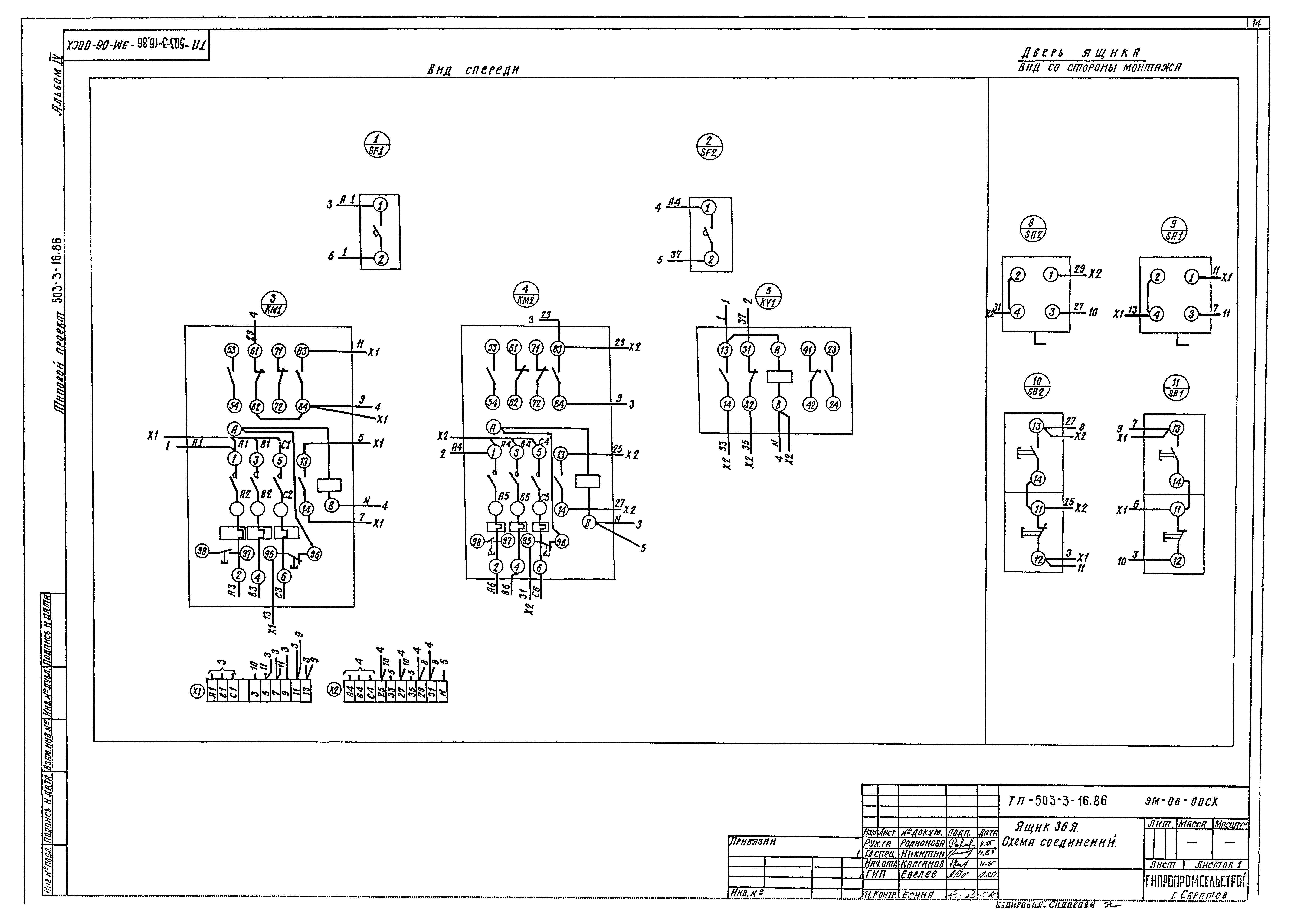
Скачать Типовой проект 503-3-16.86 Альбом IV. Чертежи заданий заводам-изготовителям на электрооборудование, КИП и автоматикуДата актуализации: 01.01.2021 Типовой проект 503-3-16.86
Альбом IV. Чертежи заданий заводам-изготовителям на электрооборудование, КИП и автоматику| Обозначение: | Типовой проект 503-3-16.86 | | Обозначение англ: | 503-3-16.86 | | Статус: | не определен законодательством | | Название рус.: | Альбом IV. Чертежи заданий заводам-изготовителям на электрооборудование, КИП и автоматику | | Дата добавления в базу: | 01.02.2017 | | Дата актуализации: | 01.01.2021 | | Дата введения: | 04.12.1985 | | Дата окончания срока действия: | 30.06.2003 | | Разработан: | Гипропромсельстрой
| | Утверждён: | 04.12.1985 Госкомсельхозтехника СССР (67-85)
| | Издан: | ЦИТП Госстроя СССР (CITP, Gosstroy (USSR) 1987 г. )
| | Заменяет собой: | |
                  
|