Скачать ГОСТ Р 56808-2015 Композиты полимерные. Метод определения межслоевой вязкости разрушения однонаправленно-армированных композитовДата актуализации: 01.01.2021
|
| Обозначение: | ГОСТ Р 56808-2015 |
| Обозначение англ: | GOST R 56808-2015 |
| Статус: | введен впервые |
| Название рус.: | Композиты полимерные. Метод определения межслоевой вязкости разрушения однонаправленно-армированных композитов |
| Название англ.: | Polymer composites. Method for determination interlaminar fracture toughness of unidirectional-reinforced composites |
| Дата добавления в базу: | 01.02.2017 |
| Дата актуализации: | 01.01.2021 |
| Дата введения: | 01.01.2017 |
| Область применения: | Стандарт распространяется на слоистые однонаправленные композитные материалы c полимерной матрицей, армированной непрерывными волокнами. |
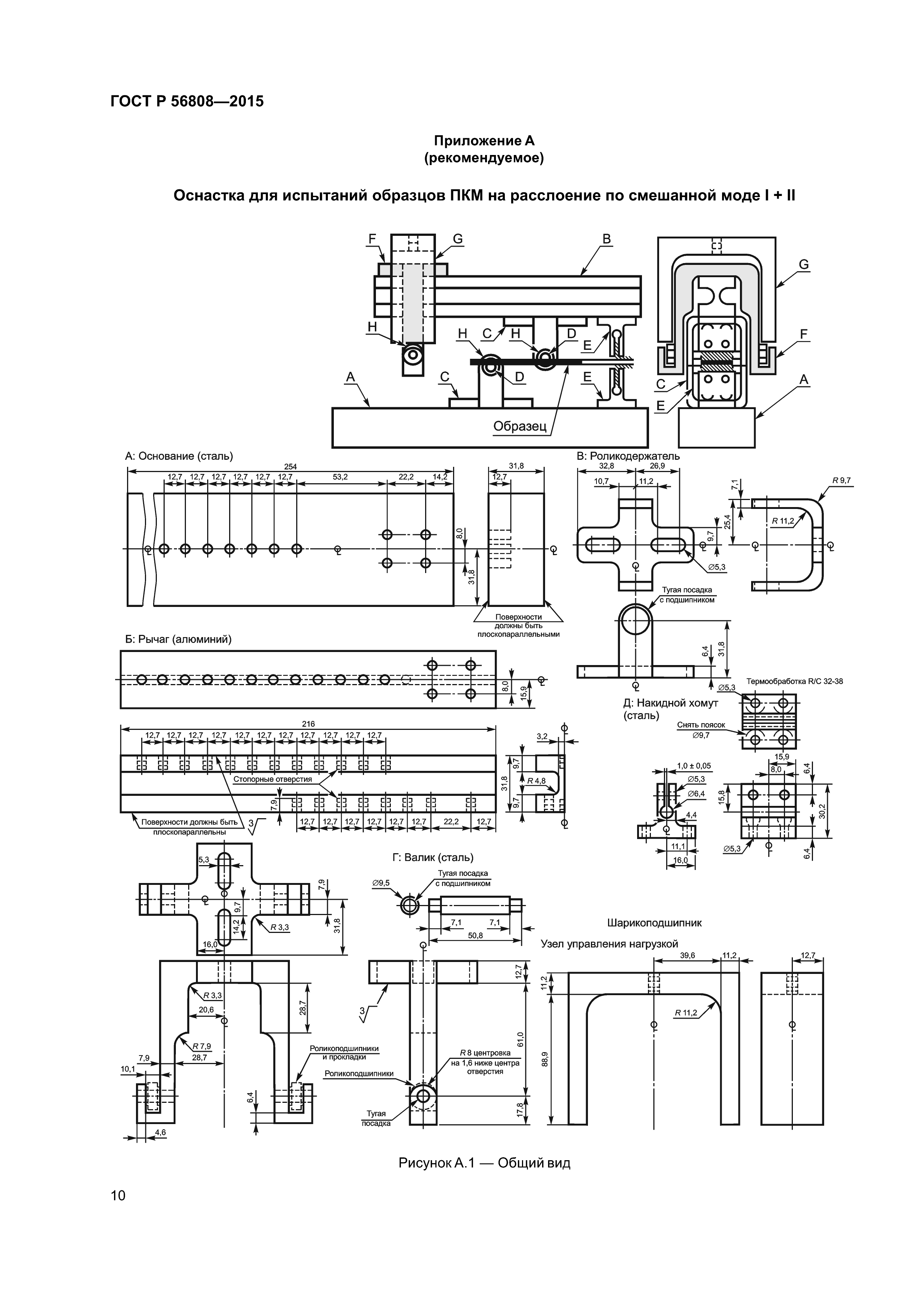
| Оглавление: | 1 Область применения 2 Нормативные ссылки 3 Термины и определения 4 Сущность метода 5 Оборудование 6 Образцы 7 Проведение испытаний 8 Обработка результатов 9 Протокол испытаний Приложение А (рекомендуемое) Оснастка для испытаний образцов ПКМ на расслоение по смешанной моде I + II Приложение ДА (справочное) Оригинальный текст невключенных структурных элементов Приложение ДБ (справочное) Сведения о соответствии ссылочных национальных и межгосударственных стандартов стандартам АСТМ, использованным в качестве ссылочных в примененном стандарте АСТМ Приложение ДВ (справочное) Сопоставление структуры настоящего стандарта со структурой примененного в нем стандарта АСТМ |
| Разработан: | Объединение юридических лиц Союз производителей композитов ОАО НПО Стеклопластик ФГУП Всероссийский научно-исследовательский институт авиационных материалов ТК 497 |
| Утверждён: | 27.11.2015 Федеральное агентство по техническому регулированию и метрологии (2065-ст) |
| Издан: | Стандартинформ (2016 г. ) |
| Нормативные ссылки: |
|



















