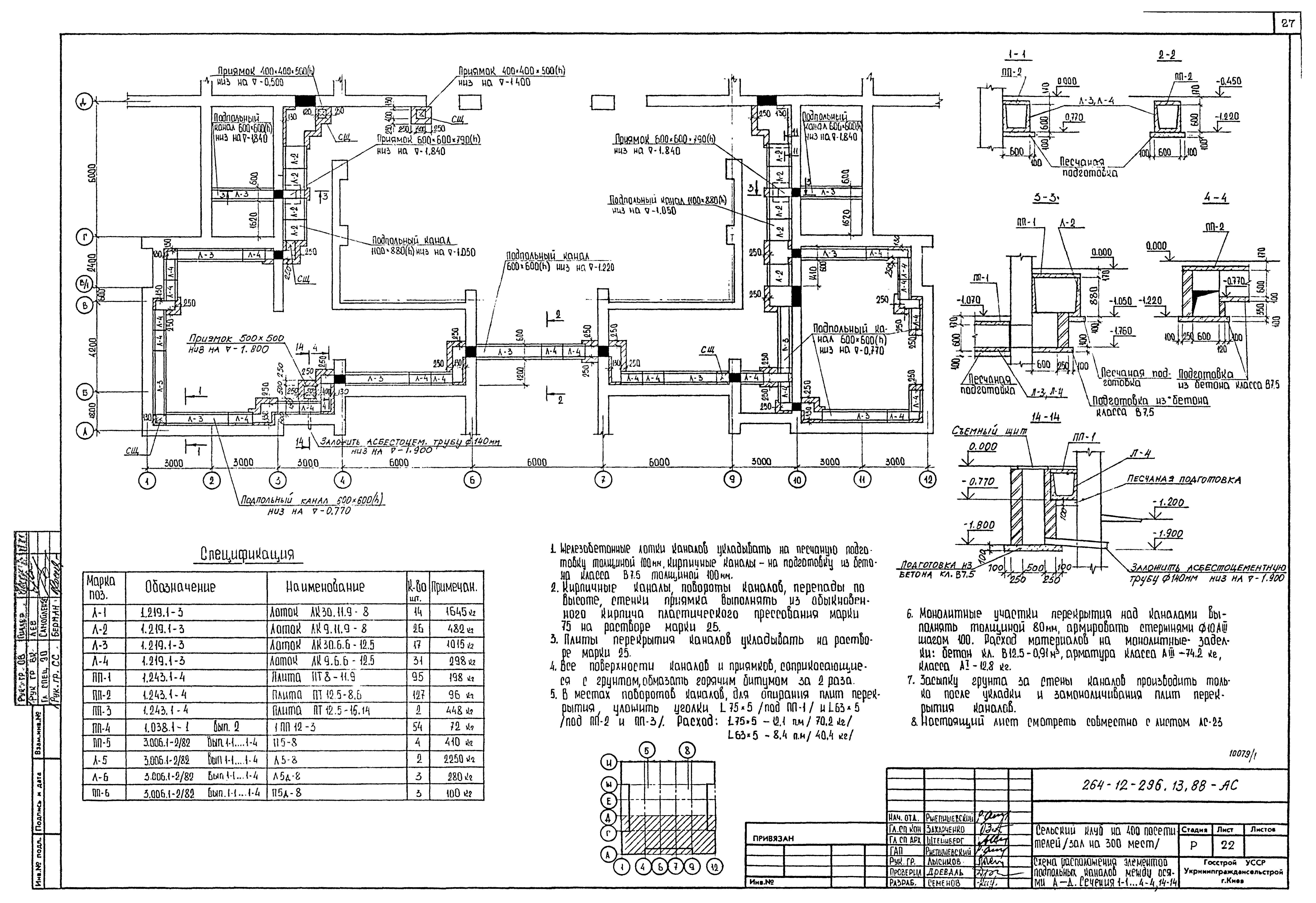
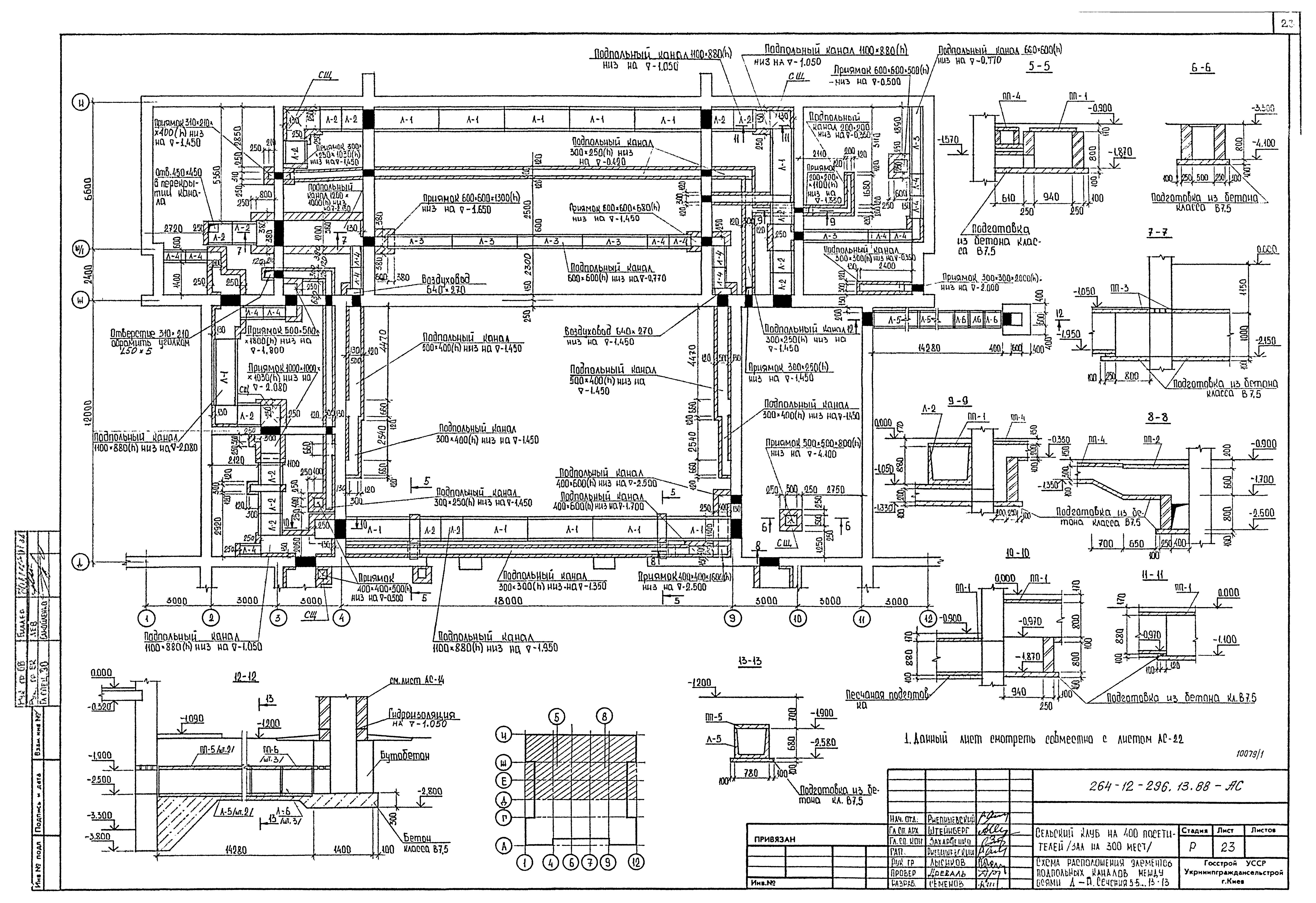
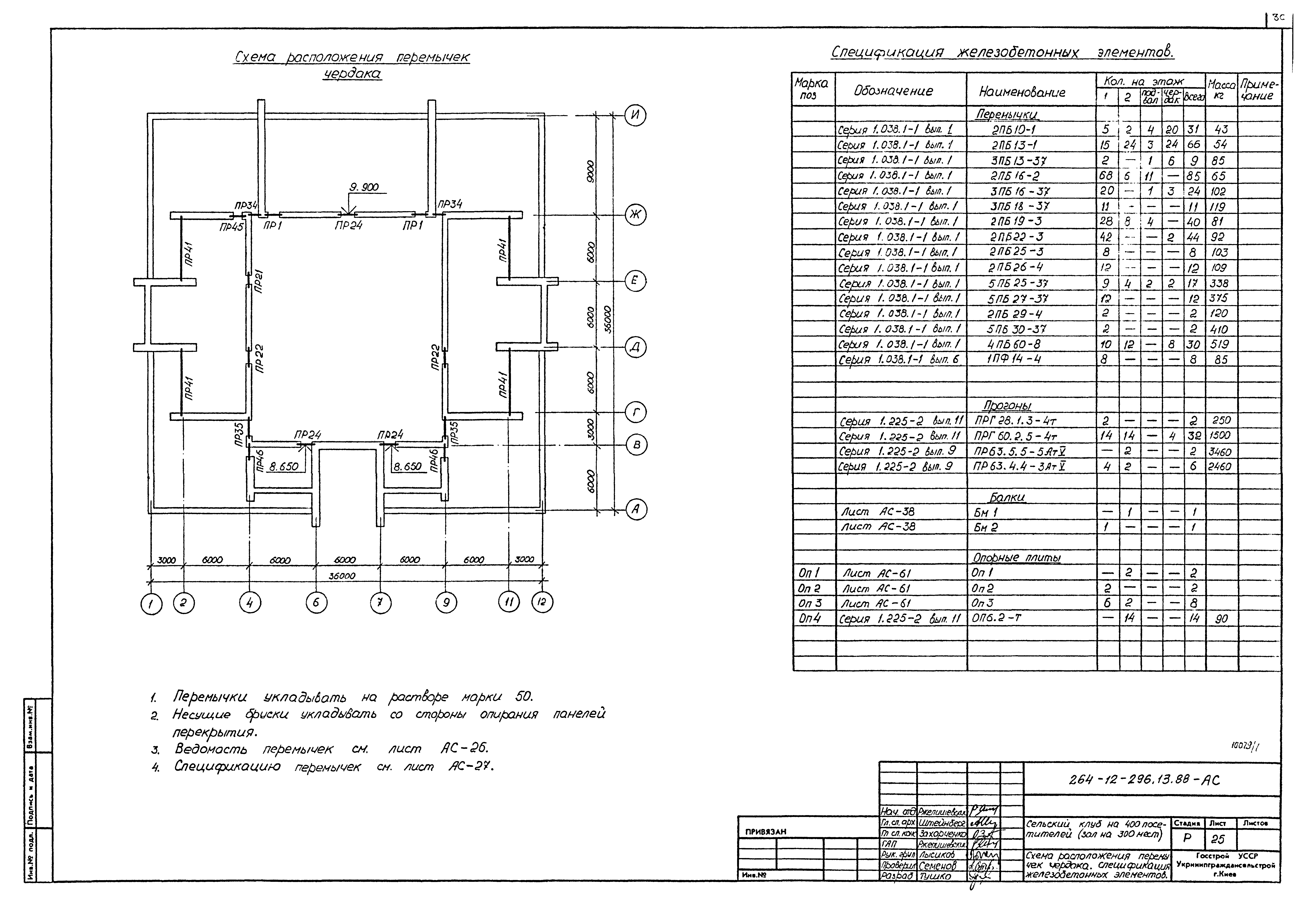
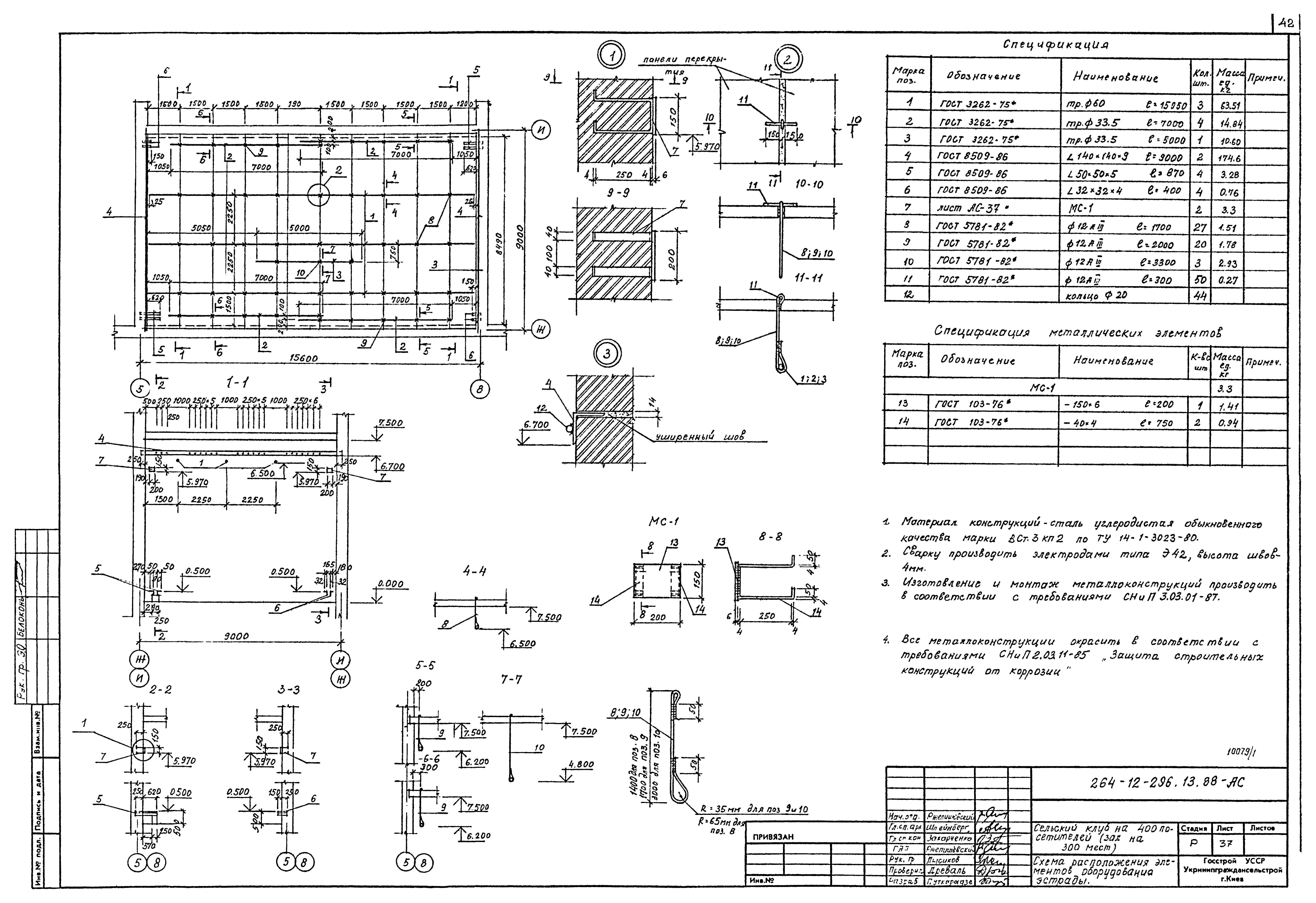
Скачать Типовой проект 264-12-296.13.88 Альбом I. Архитектурно-строительные и технологические чертежиДата актуализации: 01.01.2021 Типовой проект 264-12-296.13.88
Альбом I. Архитектурно-строительные и технологические чертежи| Обозначение: | Типовой проект 264-12-296.13.88 | | Обозначение англ: | 264-12-296.13.88 | | Статус: | действует | | Название рус.: | Альбом I. Архитектурно-строительные и технологические чертежи | | Дата добавления в базу: | 01.02.2017 | | Дата актуализации: | 01.01.2021 | | Дата введения: | 14.11.1988 | | Разработан: | УкрНИИПграждансельстроя
| | Утверждён: | 29.12.1987 Госстрой УССР (UkrSSR Gosstroy 152)
| | Издан: | ЦИТП Госстроя СССР (CITP, Gosstroy (USSR) 1988 г. )
|
                                                                                
|