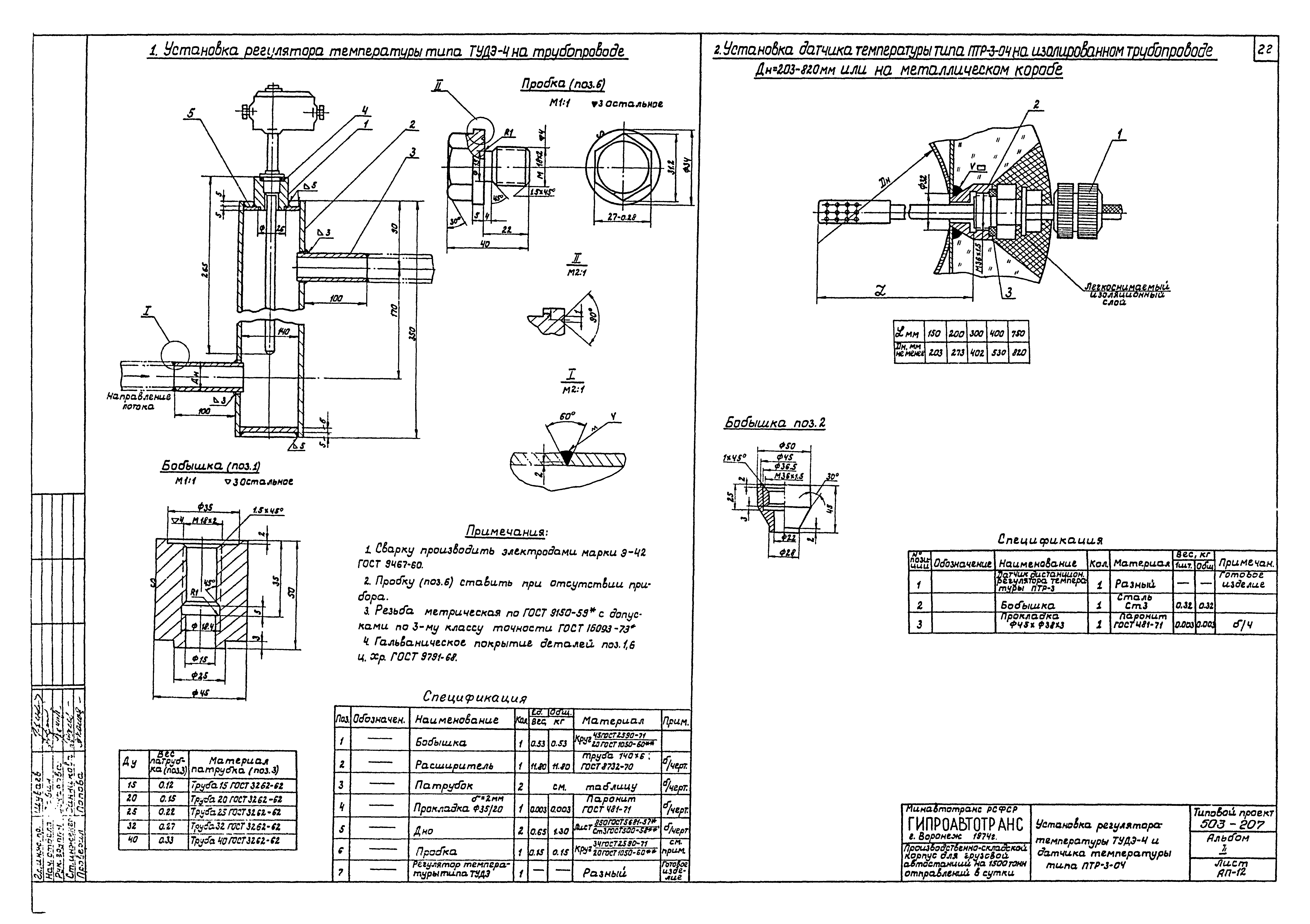
Скачать Типовой проект 503-207 Альбом II. Электротехнические чертежи. Чертежи по связи, сигнализации и автоматизацииДата актуализации: 01.01.2021 Типовой проект 503-207
Альбом II. Электротехнические чертежи. Чертежи по связи, сигнализации и автоматизации| Обозначение: | Типовой проект 503-207 | | Обозначение англ: | 503-207 | | Статус: | действует | | Название рус.: | Альбом II. Электротехнические чертежи. Чертежи по связи, сигнализации и автоматизации | | Дата добавления в базу: | 01.02.2017 | | Дата актуализации: | 01.01.2021 | | Дата введения: | 23.12.1974 | | Разработан: | Воронежский филиал Гипроавтотранс
| | Утверждён: | 23.12.1974 Минавтотранс РСФСР (Russian Federation Minavtotrans 128)
| | Издан: | ЦИТП Госстроя СССР (CITP, Gosstroy (USSR) 1975 г. )
|
                        
|