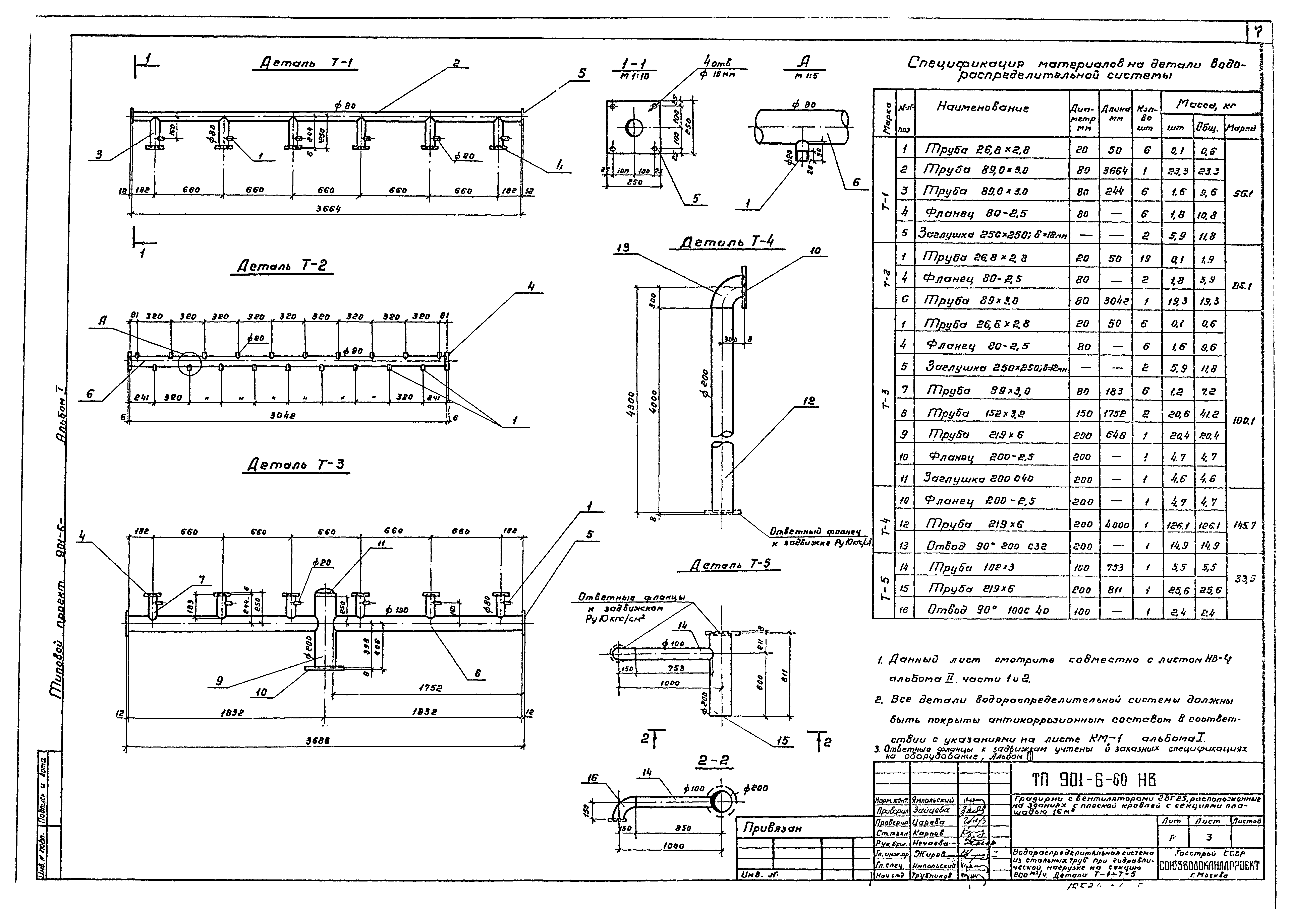
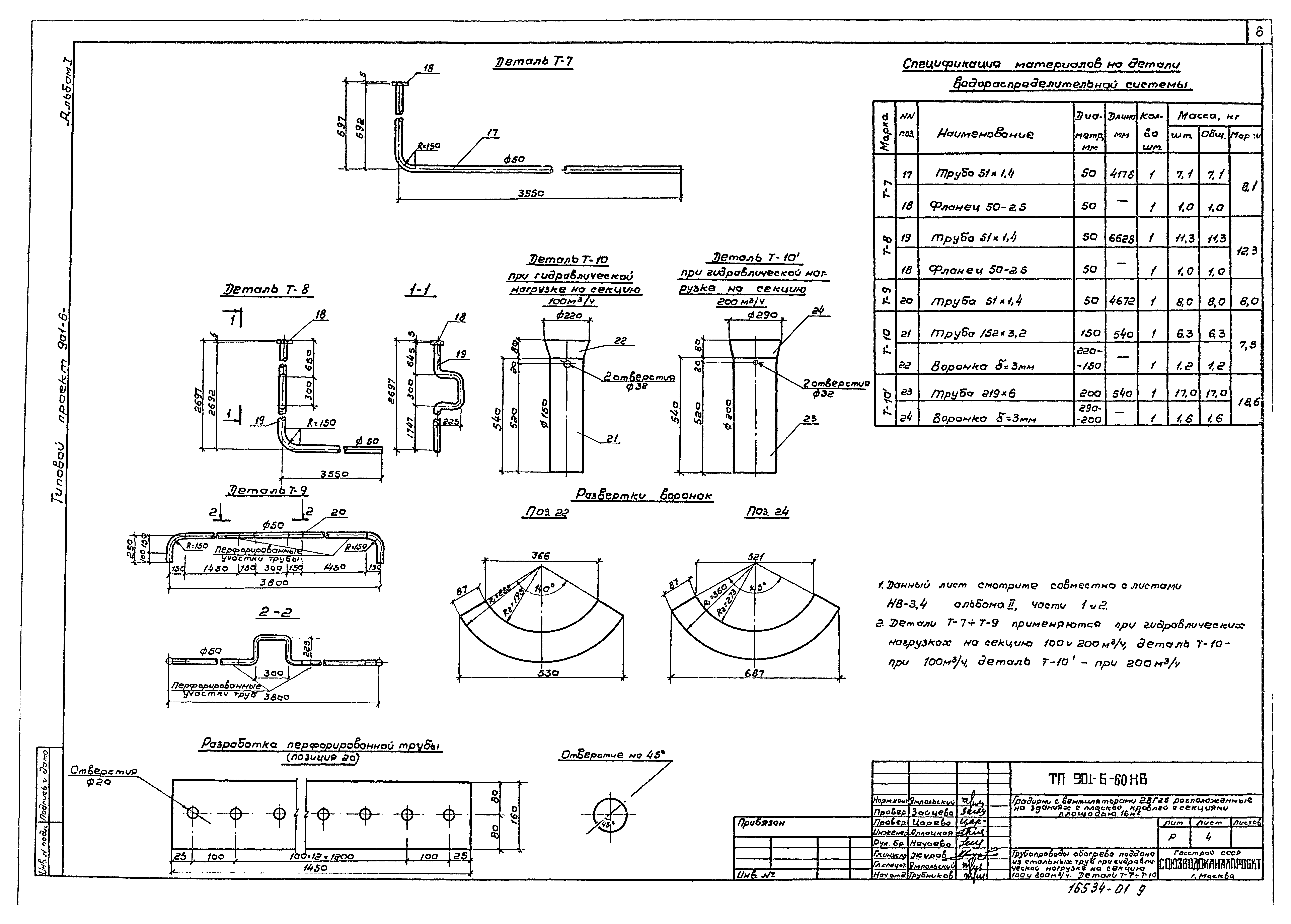
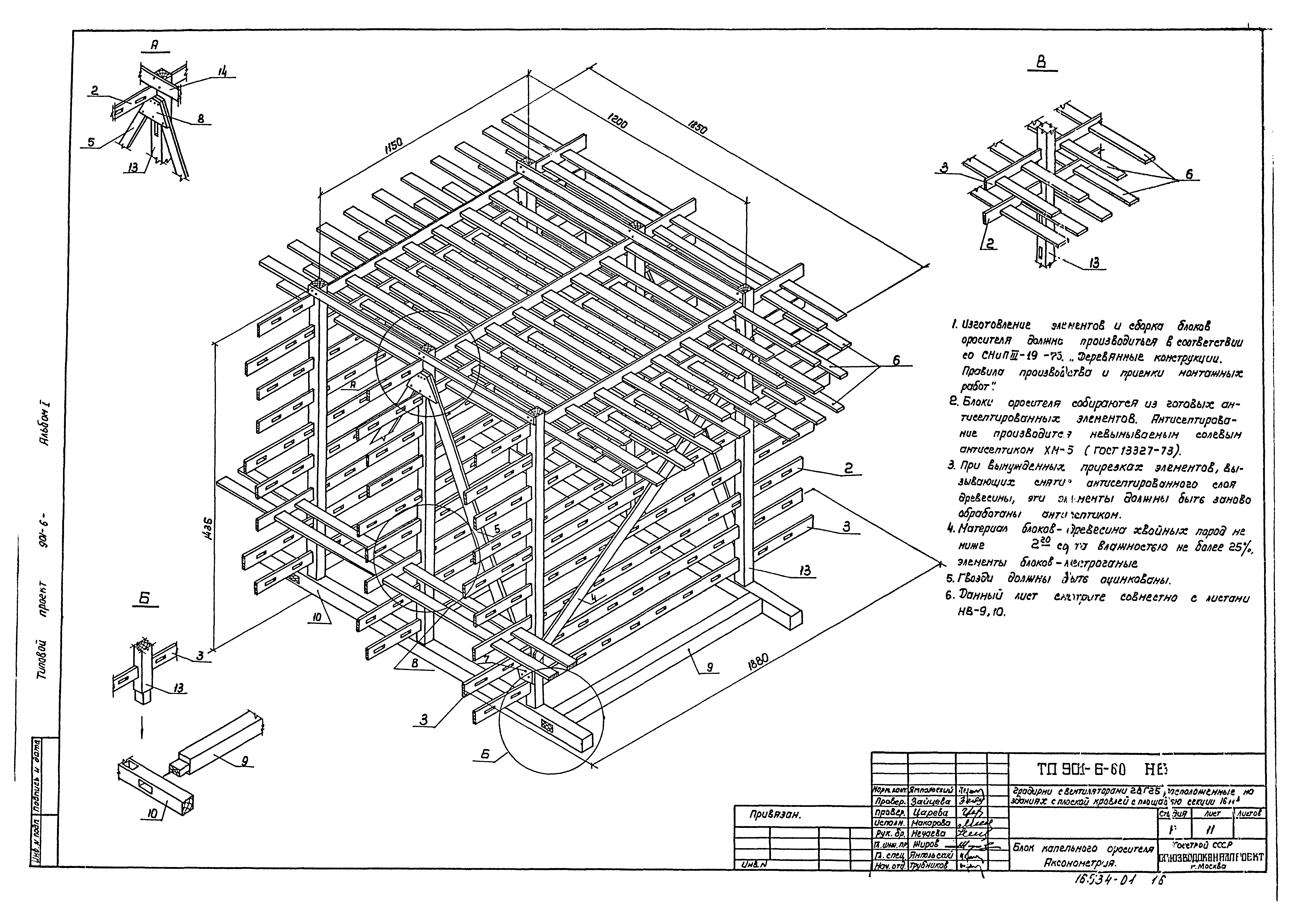
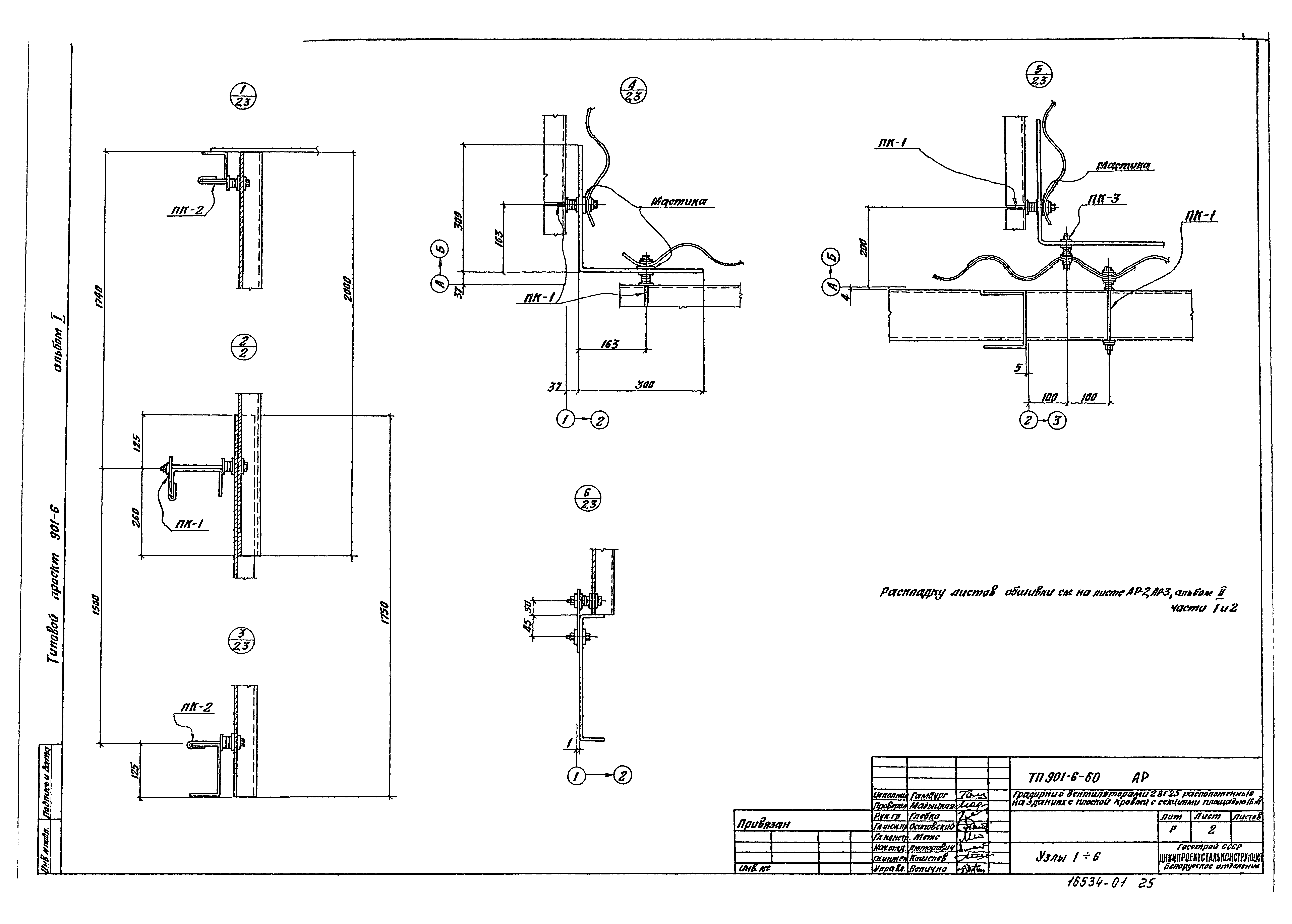
Скачать Типовой проект 901-6-60 Альбом I. Общие указания, детали и узлыДата актуализации: 01.01.2021
|
| Обозначение: | Типовой проект 901-6-60 |
| Обозначение англ: | 901-6-60 |
| Статус: | отменен |
| Название рус.: | Альбом I. Общие указания, детали и узлы |
| Дата добавления в базу: | 01.02.2017 |
| Дата актуализации: | 01.01.2021 |
| Дата введения: | 07.02.1980 |
| Дата окончания срока действия: | 01.02.1987 |
| Разработан: | Союзводоканалпроект Ростовский Водоканалпроект Белорусское отделение ЦНИИПроектстальконструкция |
| Утверждён: | 29.11.1979 Союзводоканалпроект (Soyuzvodokanalproject 66) |
| Издан: | ЦИТП Госстроя СССР (CITP, Gosstroy (USSR) 1980 г. ) |
| Заменяет собой: |
|





































