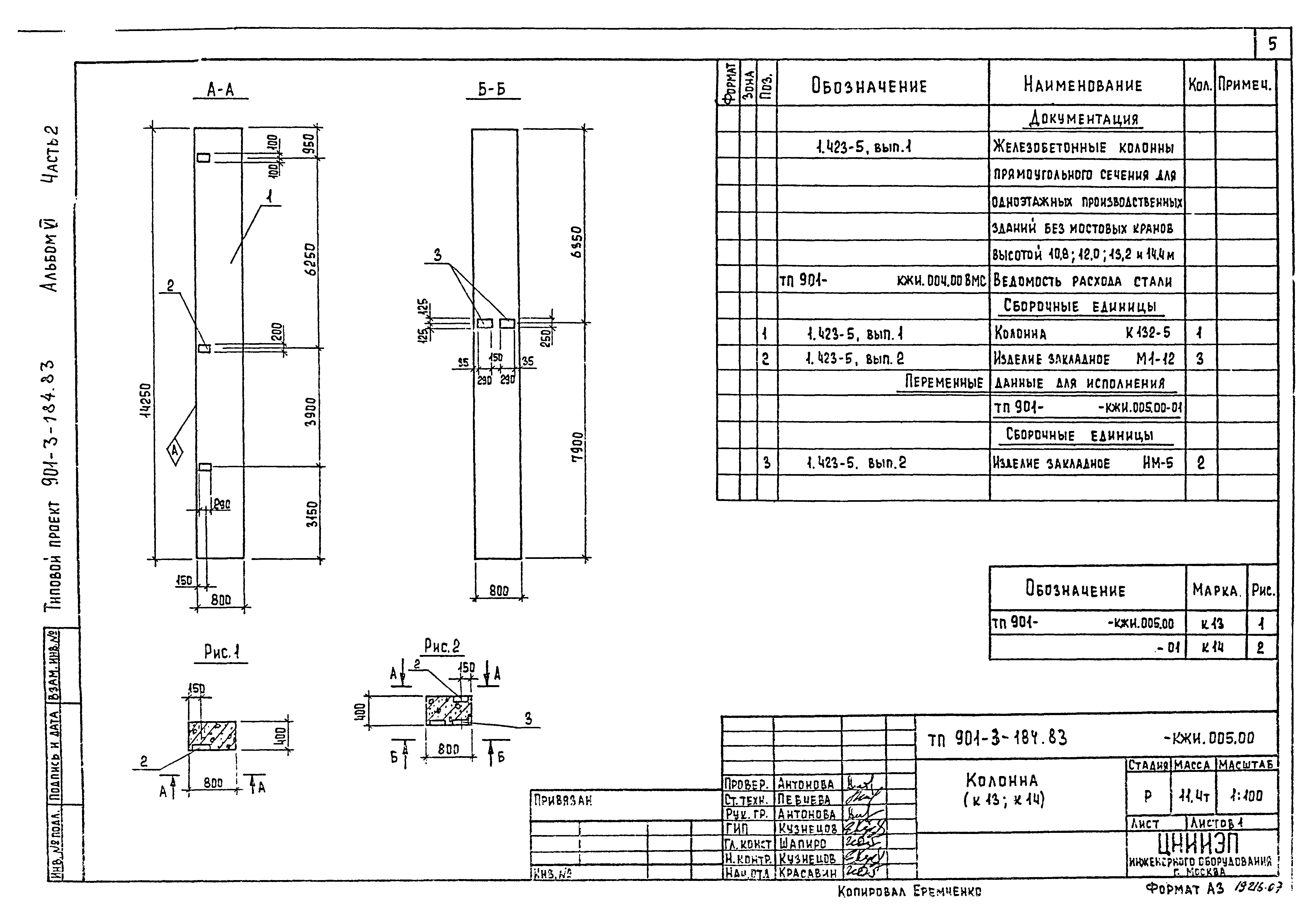
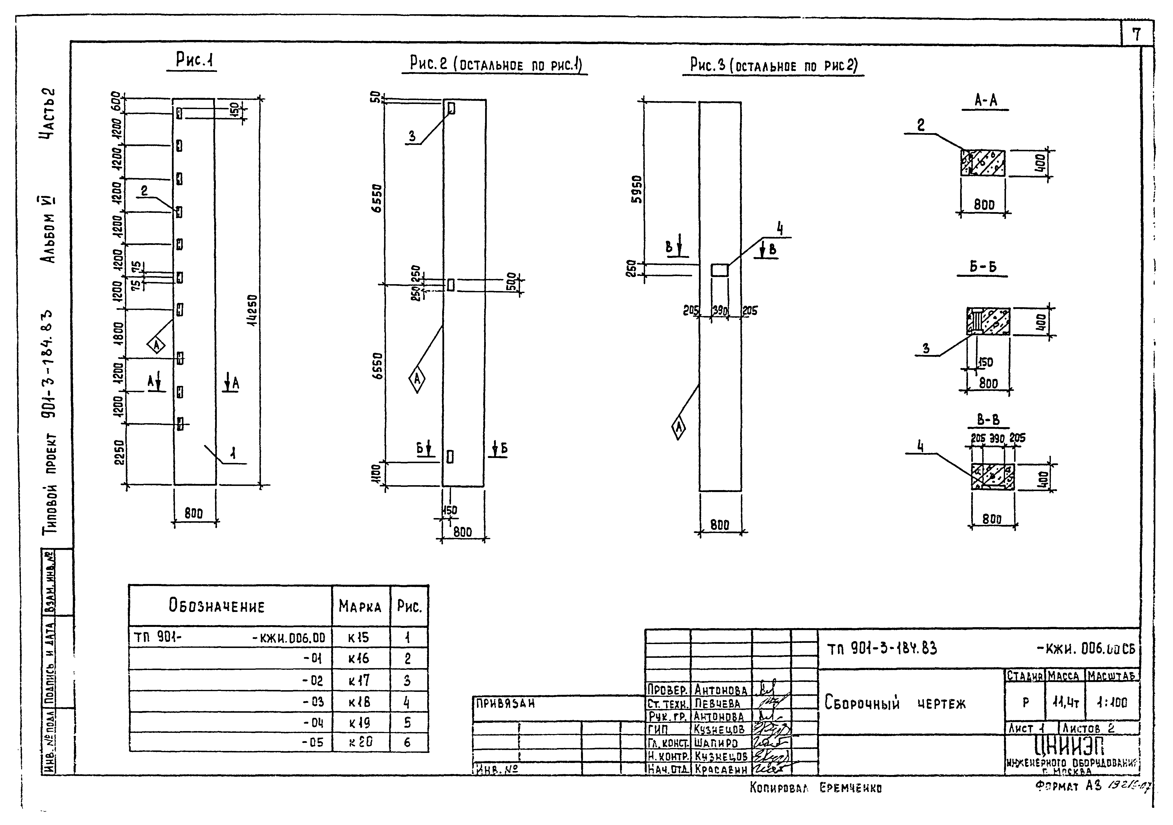
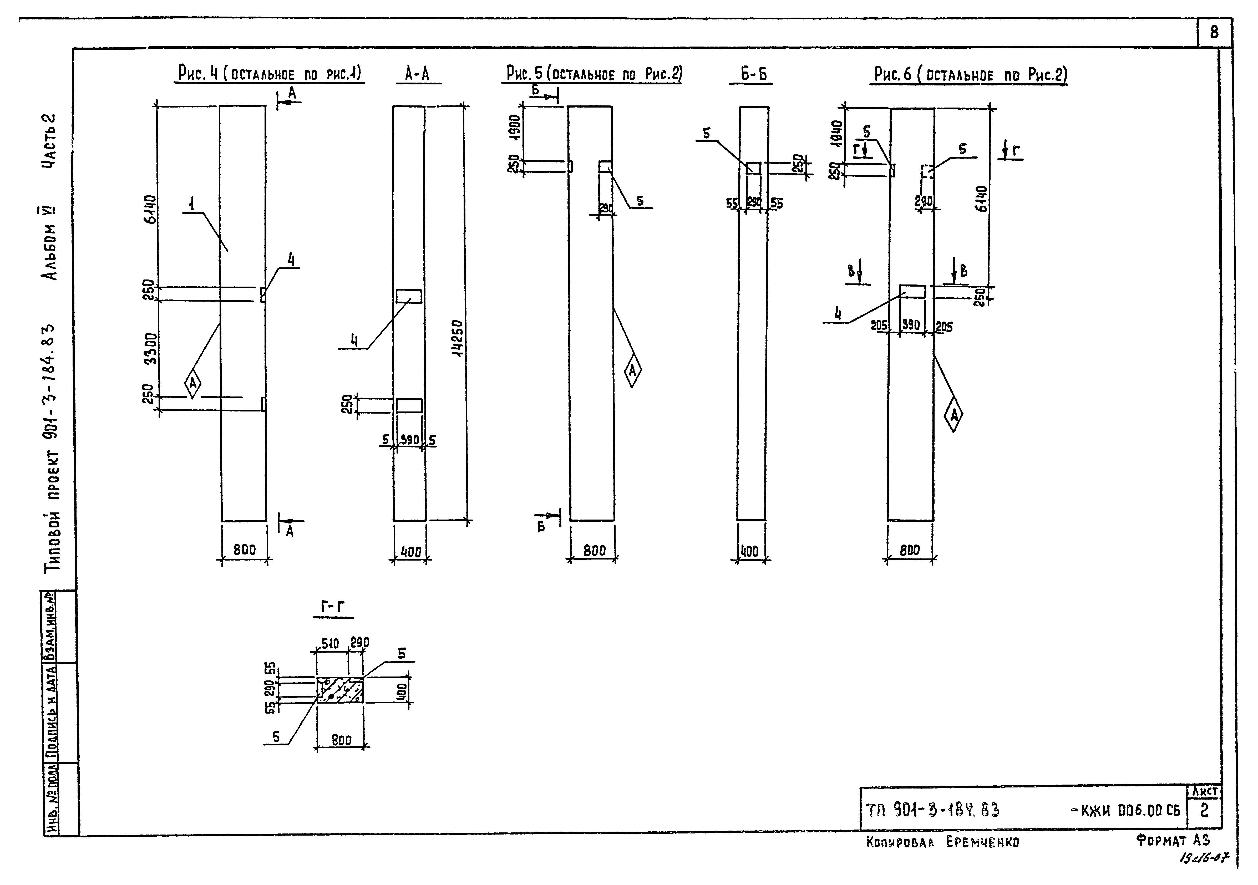
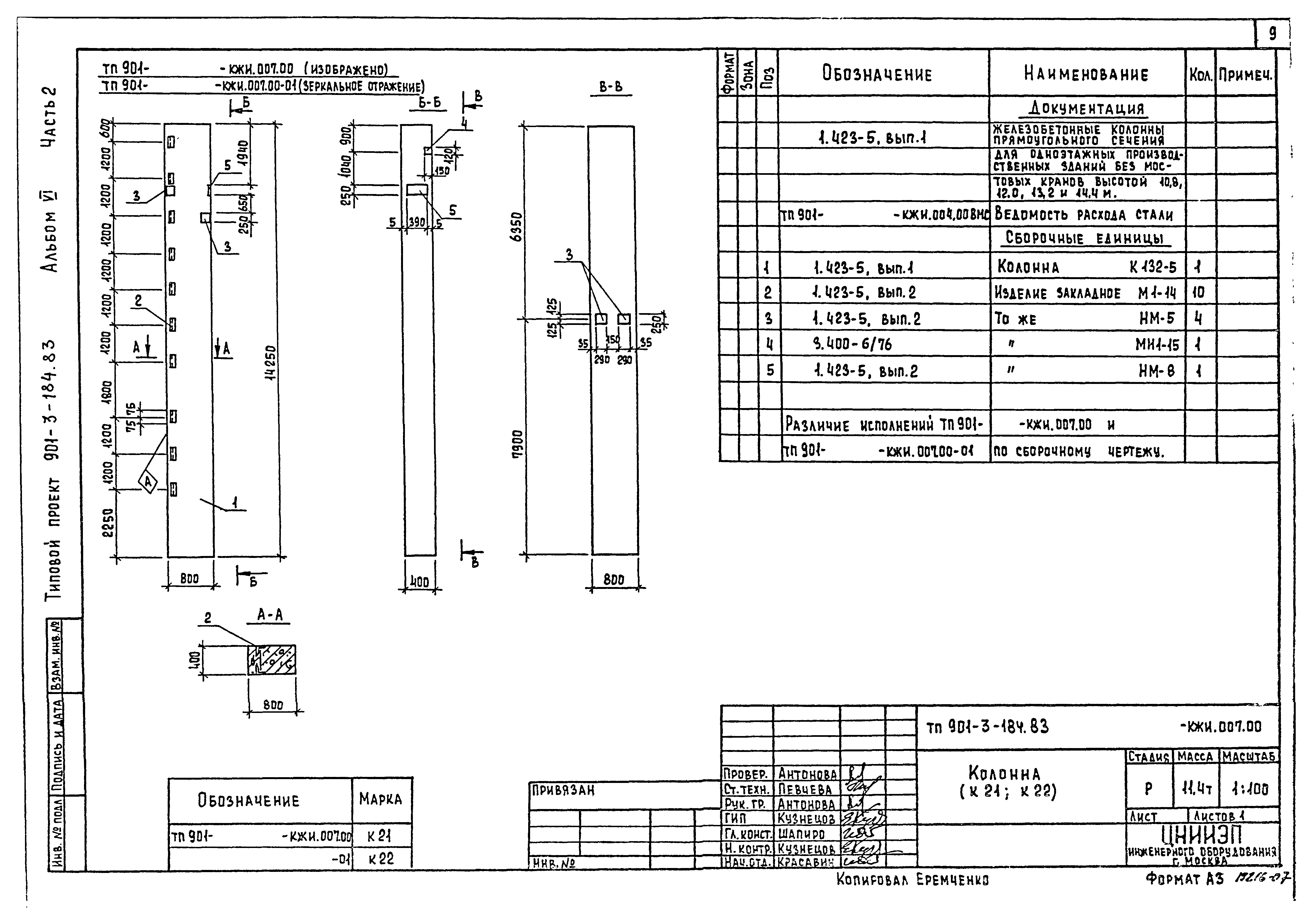
Скачать Типовой проект 901-3-184.83 Альбом VI. Часть 2. Строительные изделия. Отделение барабанных сетокДата актуализации: 01.01.2021
|
| Обозначение: | Типовой проект 901-3-184.83 |
| Обозначение англ: | 901-3-184.83 |
| Статус: | не определен законодательством |
| Название рус.: | Альбом VI. Часть 2. Строительные изделия. Отделение барабанных сеток |
| Дата добавления в базу: | 01.02.2017 |
| Дата актуализации: | 01.01.2021 |
| Дата введения: | 23.09.1983 |
| Дата окончания срока действия: | 30.06.2003 |
| Разработан: | ЦНИИЭП инженерного оборудования |
| Утверждён: | 31.10.1980 Госгражданстрой (Gosgrazhdanstroy 297) |
| Издан: | ЦИТП Госстроя СССР (CITP, Gosstroy (USSR) 1984 г. ) |


















