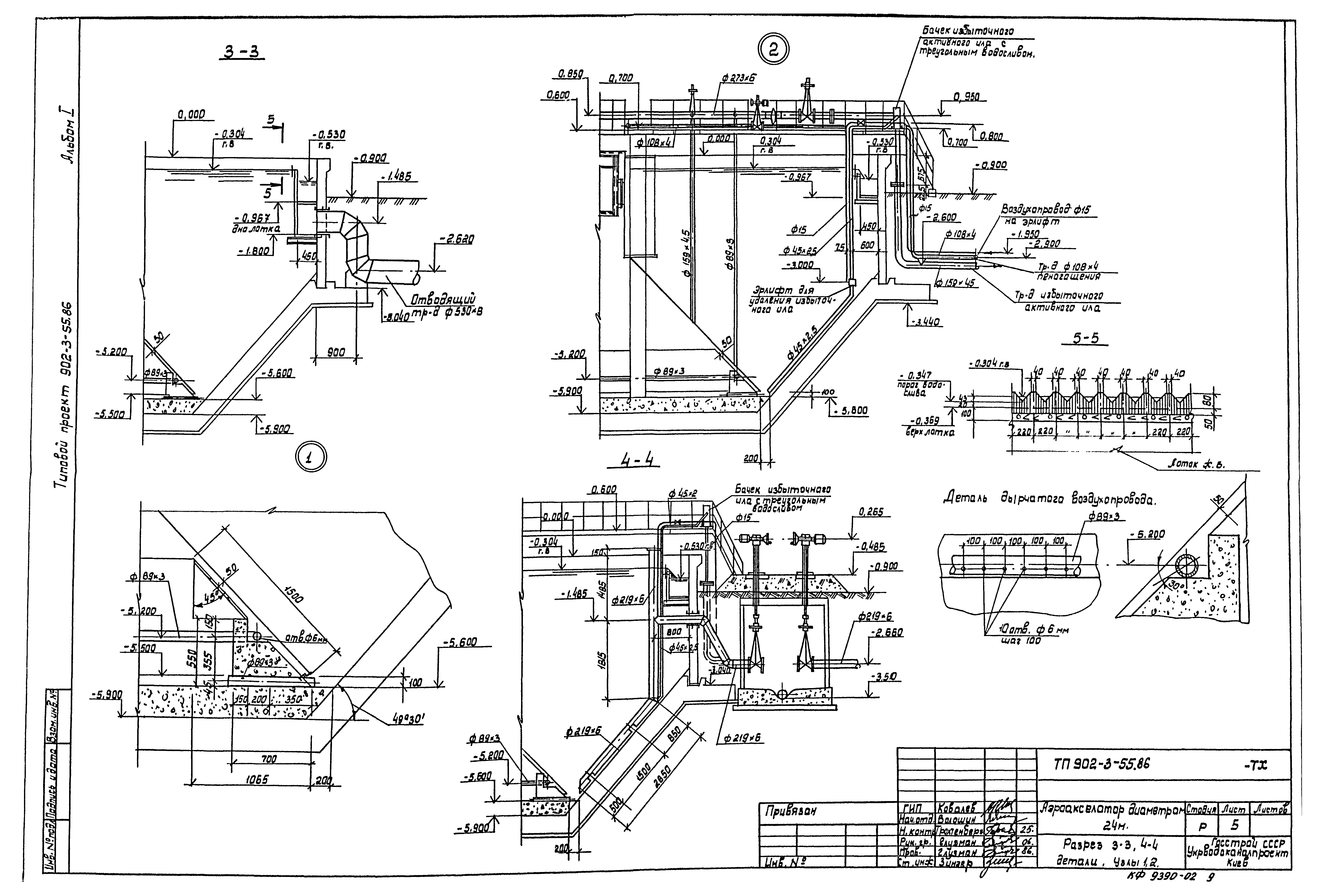
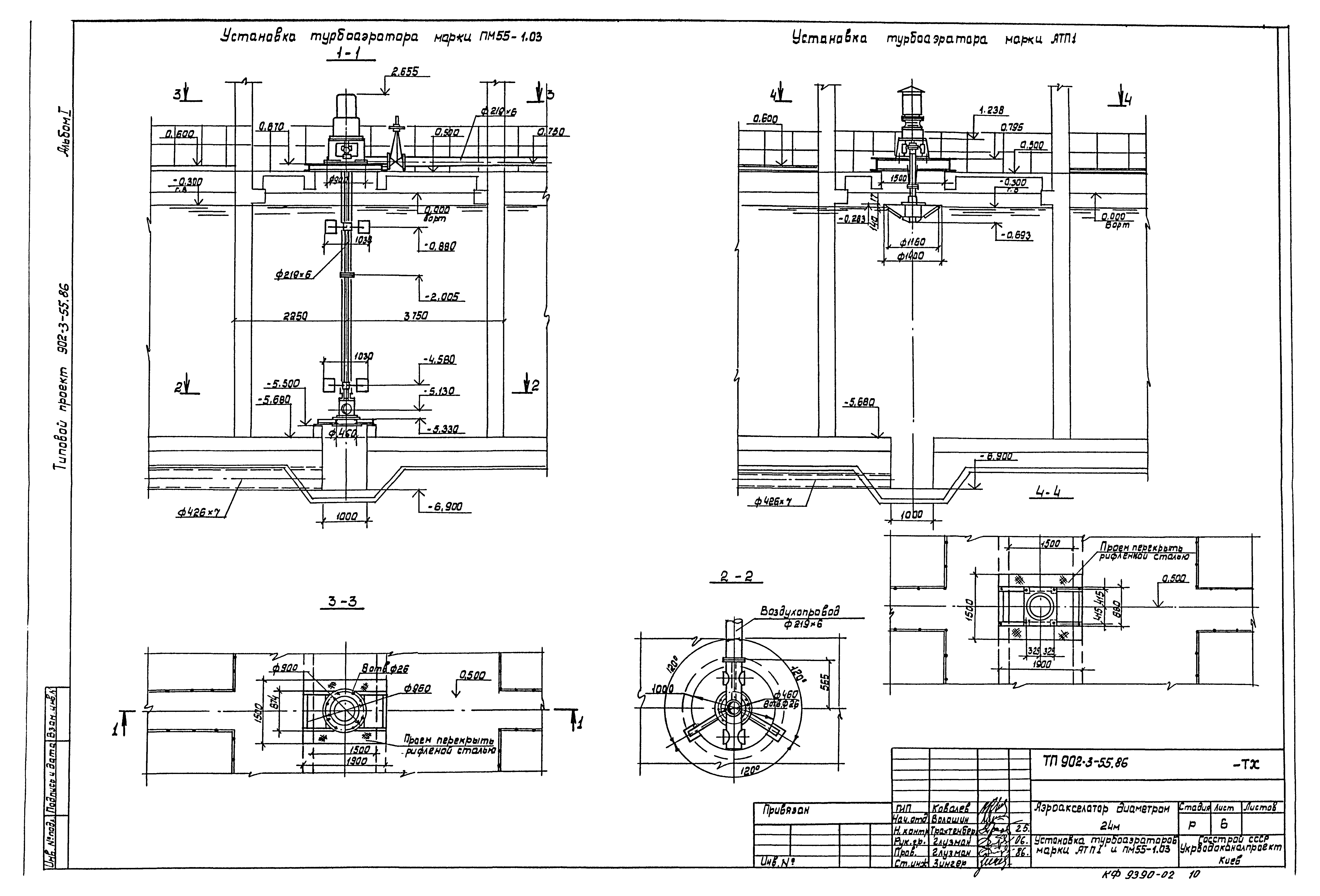
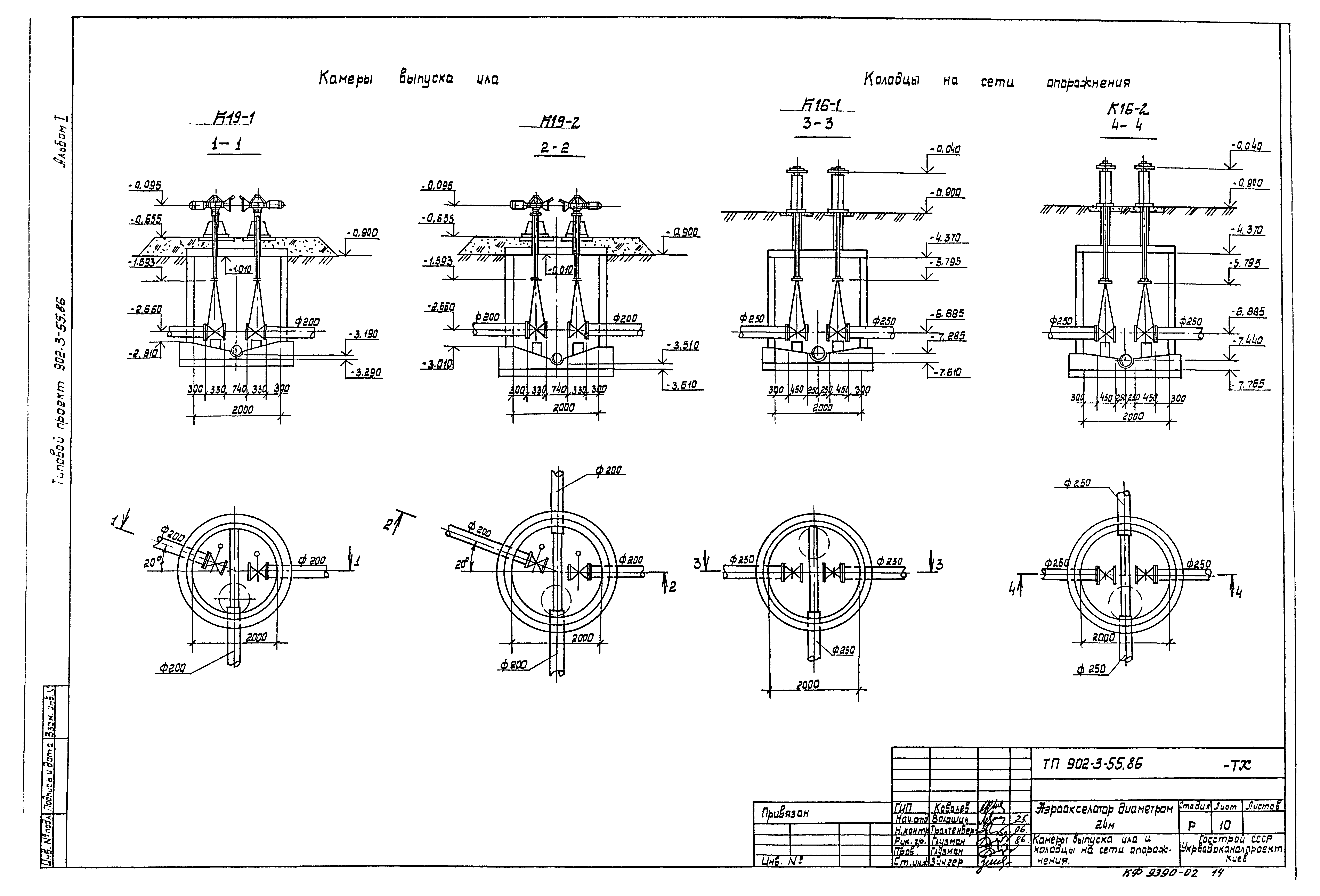
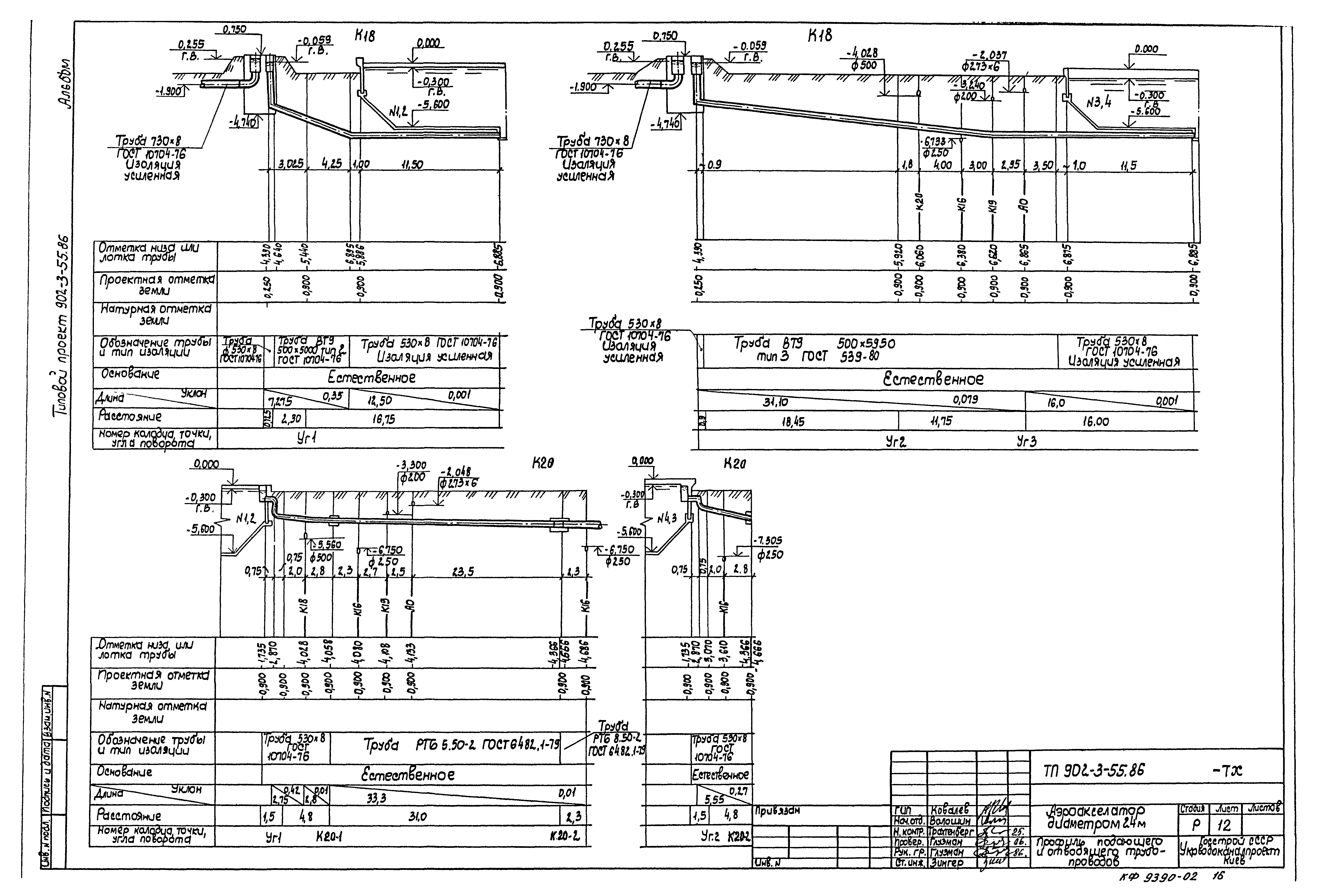
Скачать Типовой проект 902-3-55.86 Альбом II. Технологические, строительные решения. Электрооборудование. Автоматизация и технологический контрольДата актуализации: 01.01.2021 Типовой проект 902-3-55.86
Альбом II. Технологические, строительные решения. Электрооборудование. Автоматизация и технологический контроль| Обозначение: | Типовой проект 902-3-55.86 | | Обозначение англ: | 902-3-55.86 | | Статус: | не определен законодательством | | Название рус.: | Альбом II. Технологические, строительные решения. Электрооборудование. Автоматизация и технологический контроль | | Дата добавления в базу: | 01.02.2017 | | Дата актуализации: | 01.01.2021 | | Дата введения: | 30.07.1986 | | Дата окончания срока действия: | 30.06.2003 | | Разработан: | Укрводоканалпроект
| | Утверждён: | 03.07.1986 Госстрой СССР (ИИ-19)
| | Издан: | ЦИТП Госстроя СССР (CITP, Gosstroy (USSR) 1987 г. )
|
                                                                                            
|