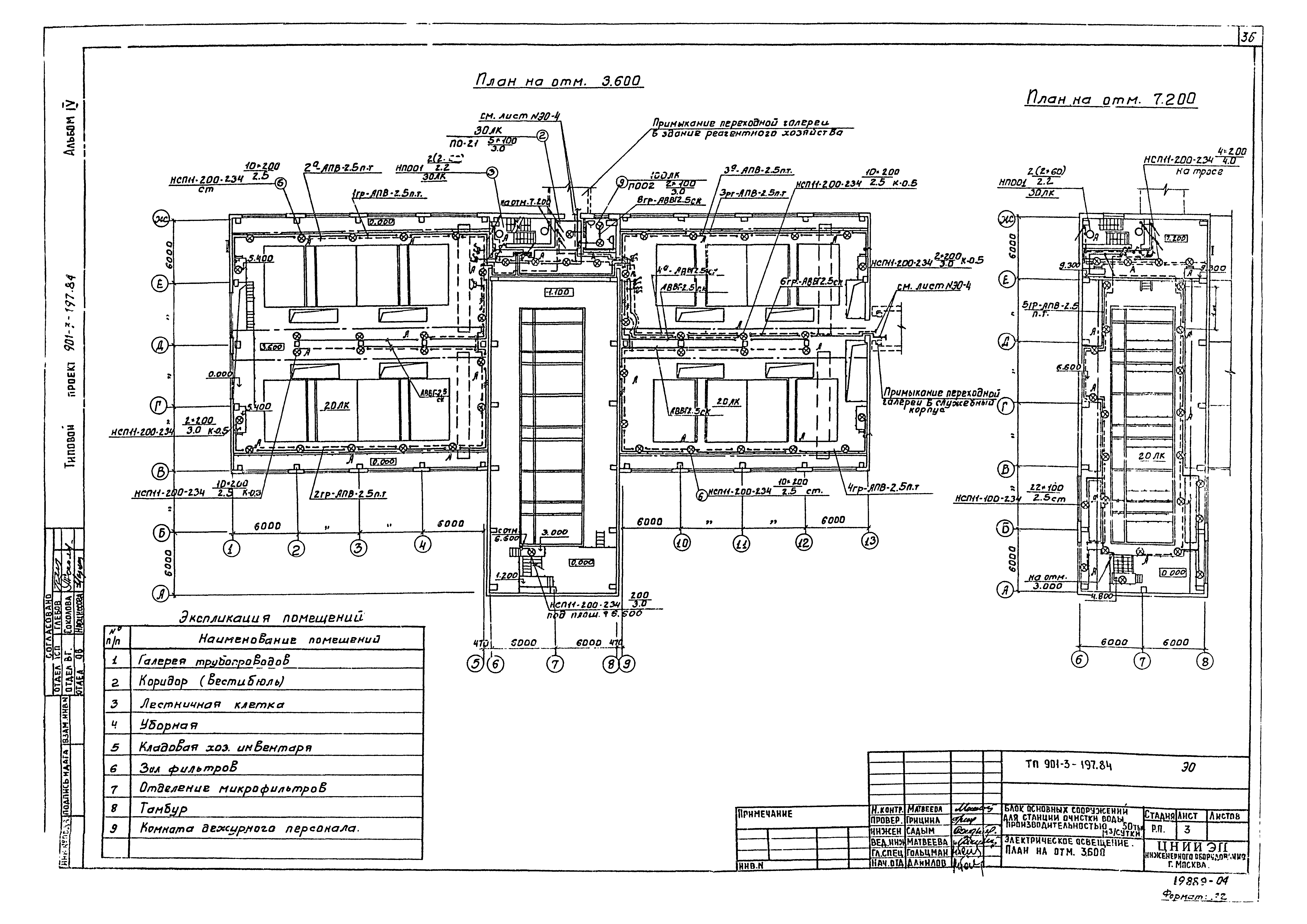
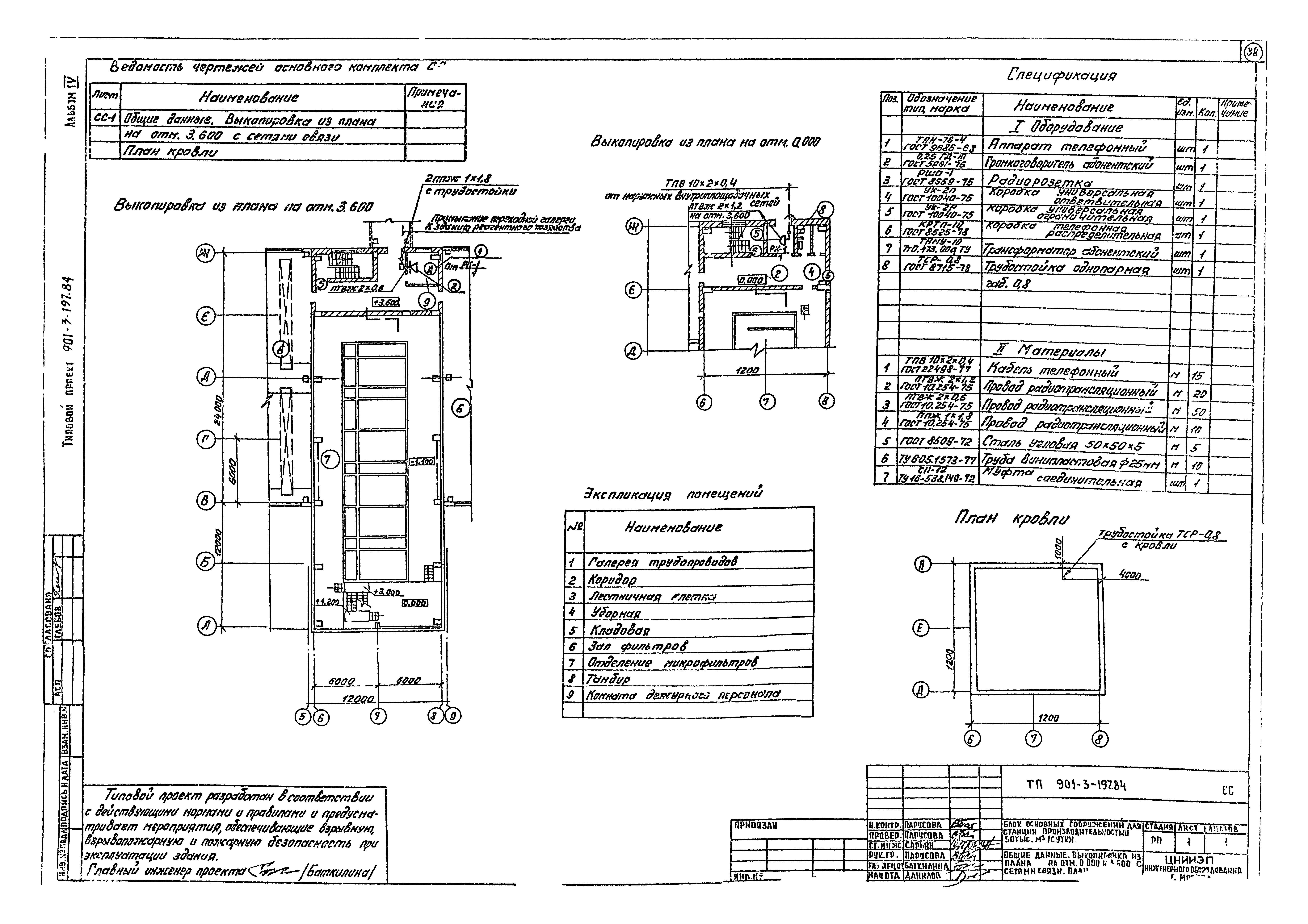
Скачать Типовой проект 901-3-197.84 Альбом IV. Электротехническая часть. Связь и сигнализация. АвтоматизацияДата актуализации: 01.01.2021
|
| Обозначение: | Типовой проект 901-3-197.84 |
| Обозначение англ: | 901-3-197.84 |
| Статус: | не определен законодательством |
| Название рус.: | Альбом IV. Электротехническая часть. Связь и сигнализация. Автоматизация |
| Дата добавления в базу: | 01.02.2017 |
| Дата актуализации: | 01.01.2021 |
| Дата введения: | 21.05.1984 |
| Дата окончания срока действия: | 30.06.2003 |
| Разработан: | ЦНИИЭП инженерного оборудования |
| Утверждён: | 31.01.1984 Госгражданстрой (Gosgrazhdanstroy 31) |
| Издан: | ЦИТП Госстроя СССР (CITP, Gosstroy (USSR) 1985 г. ) |







































