Скачать Инструкция НСАМ 106-С Спектральные методы. Спектрографическое определение кобальта, никеля, ванадия, хрома и титана в силикатных горных породах и железных рудахДата актуализации: 01.01.2021
|
| Обозначение: | Инструкция НСАМ 106-С |
| Обозначение англ: | 106-С |
| Статус: | действует |
| Название рус.: | Спектральные методы. Спектрографическое определение кобальта, никеля, ванадия, хрома и титана в силикатных горных породах и железных рудах |
| Дата добавления в базу: | 01.02.2017 |
| Дата актуализации: | 01.01.2021 |
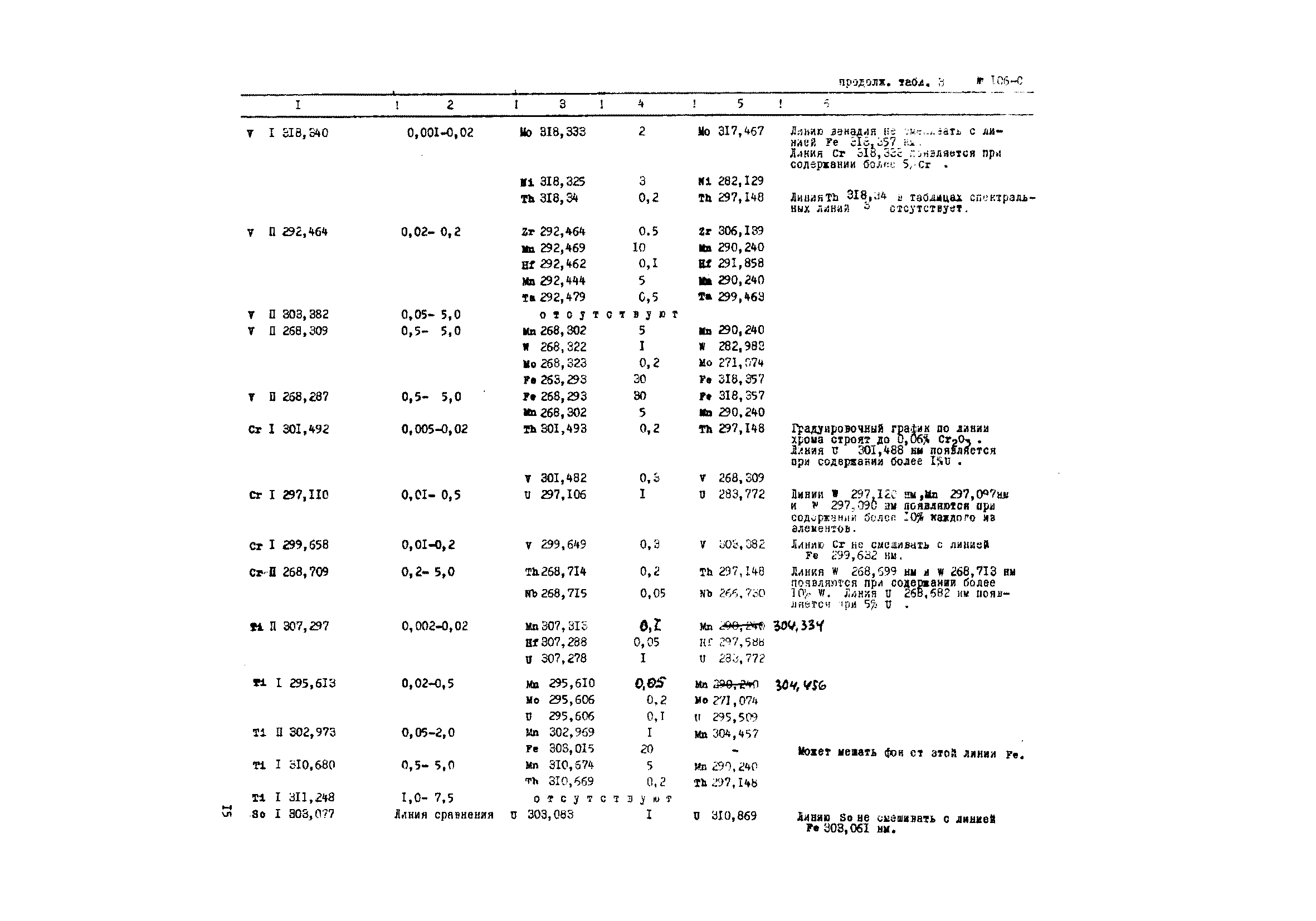
| Область применения: | Методика предназначена для определения кобальта, никеля, ванадия, хрома и титана в силикатных горных породах и железных рудах |
| Оглавление: | Сущность метода Соответствие точности методики допустимым расхождениям Допустимые расхождения Реактивы и материалы Аппаратура и оборудование Ход анализа Литература |
| Разработан: | ВИМС (Всесоюзный научно-исследовательский институт минерального сырья) |
| Утверждён: | 22.10.1970 ВИМС (18) |
| Издан: | ВИМС (1971 г. ) |


















