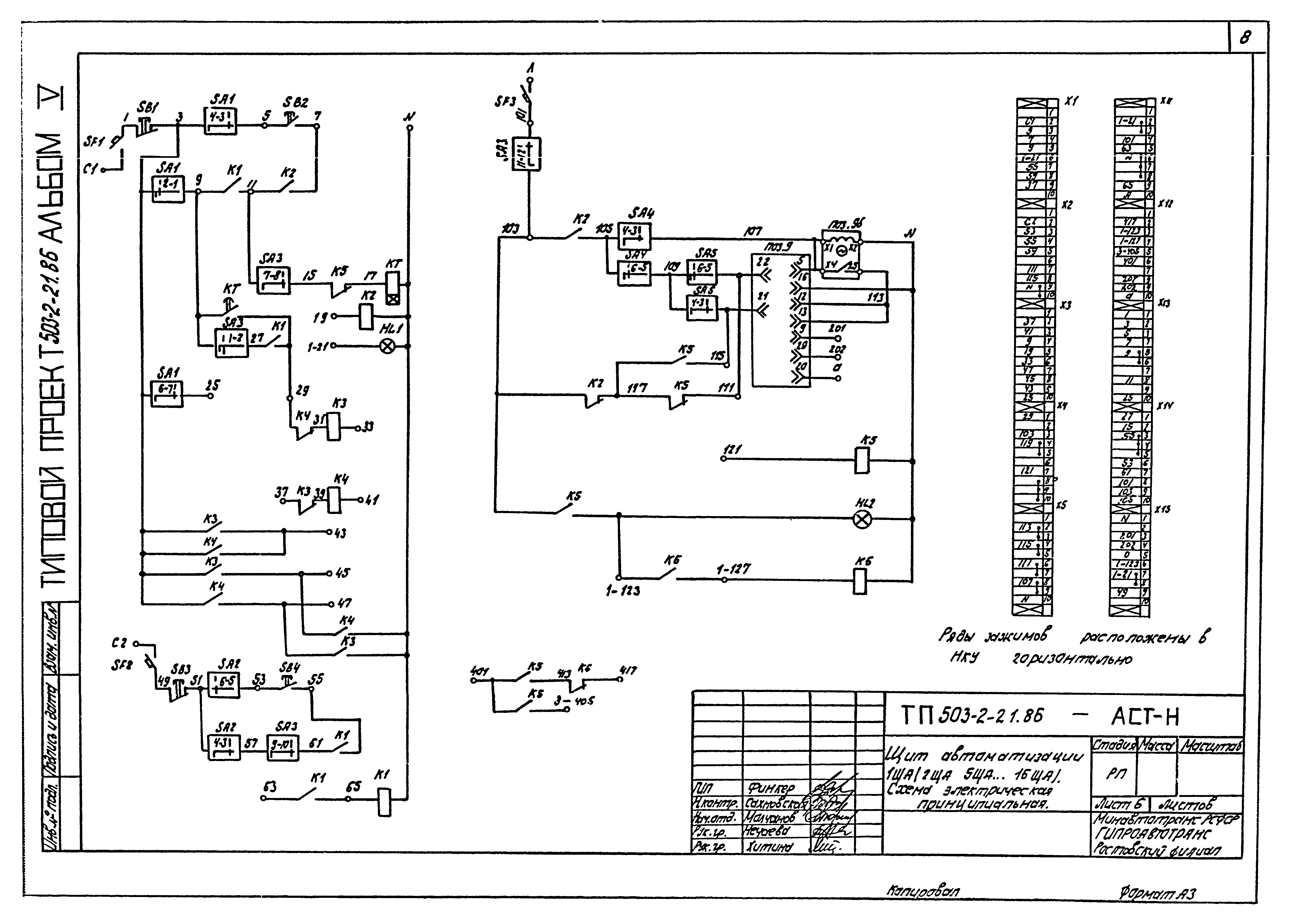
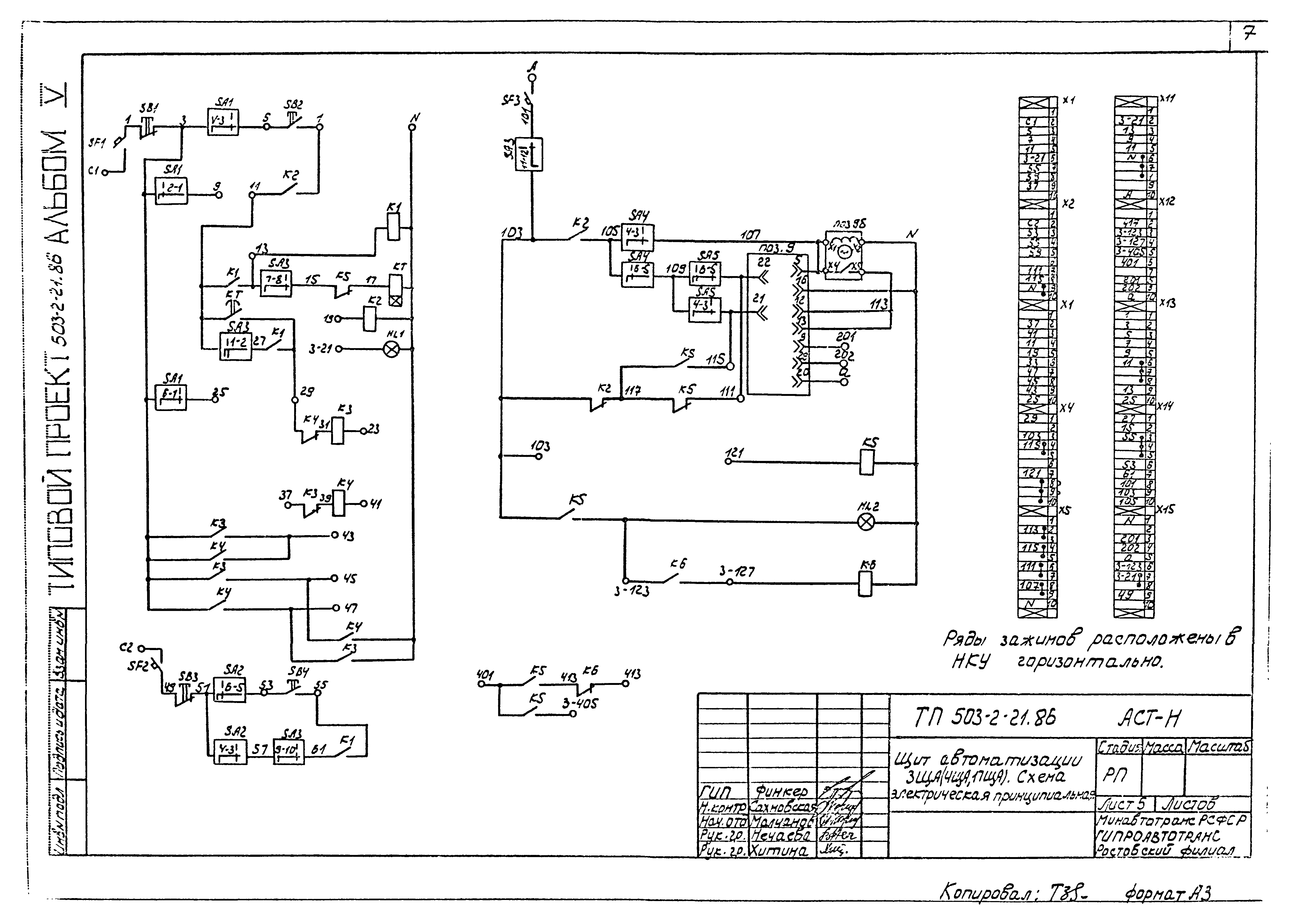
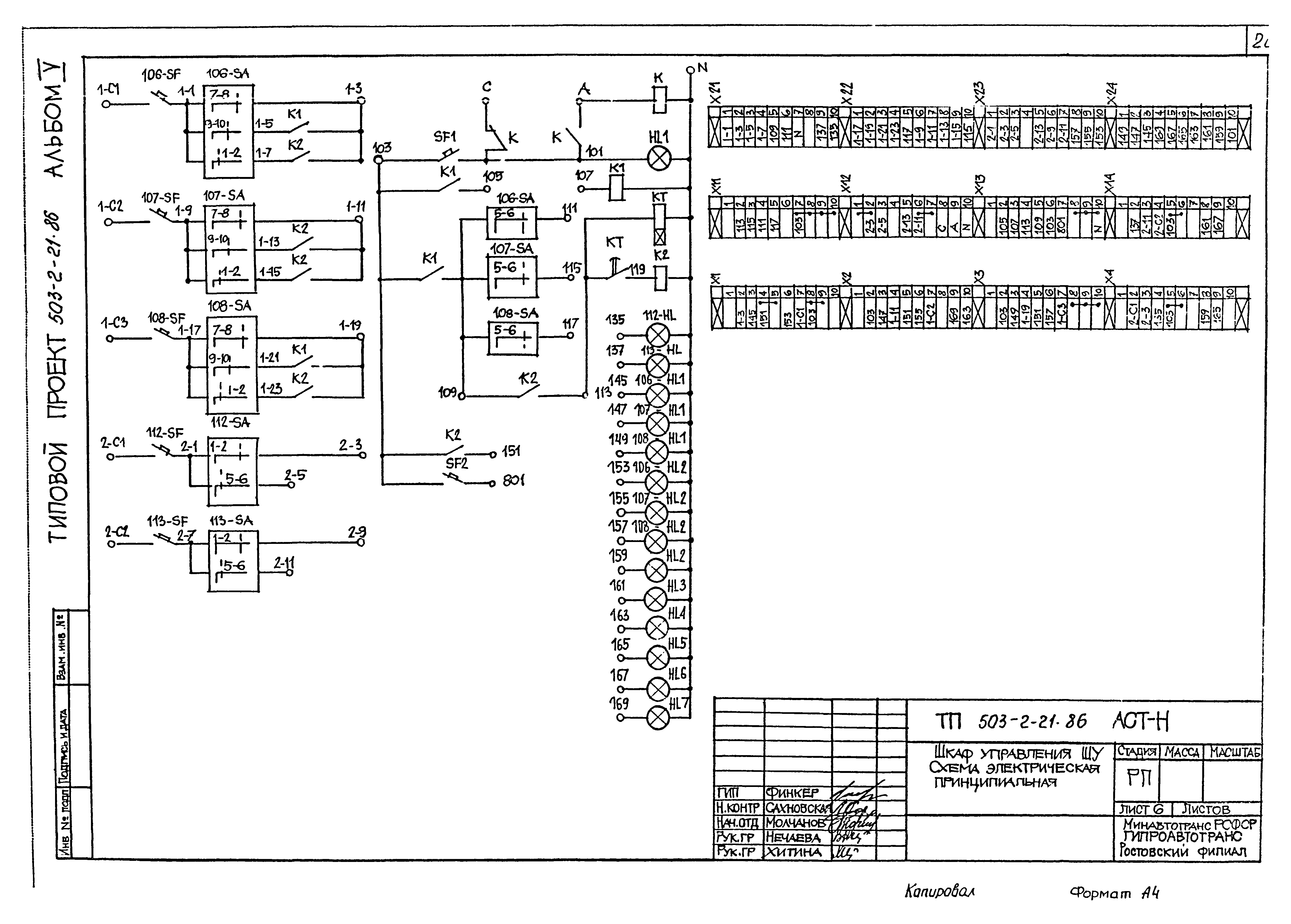
Скачать Типовой проект 503-2-21.86 Альбом V. Задание заводу-изготовителю на автоматику и электрооборудование

Дата актуализации: 01.01.2021

Типовой проект 503-2-21.86

Альбом V. Задание заводу-изготовителю на автоматику и электрооборудование

Обозначение: Типовой проект 503-2-21.86
Обозначение англ: 503-2-21.86
Статус:не определен законодательством
Название рус.:Альбом V. Задание заводу-изготовителю на автоматику и электрооборудование
Дата добавления в базу:01.02.2017
Дата актуализации:01.01.2021
Дата введения:01.03.1987
Дата окончания срока действия:30.06.2003
Разработан: Ростовский филиал Гипроавтотранса Минавтотранса РСФСР
Утверждён:30.09.1986 Минавтотранс РСФСР (Russian Federation Minavtotrans 22)
Издан: ЦИТП Госстроя СССР (CITP, Gosstroy (USSR) 1988 г. )
Заменяет собой:
  • Типовой проект 503-212
Типовой проект 503-2-21.86Типовой проект 503-2-21.86Типовой проект 503-2-21.86Типовой проект 503-2-21.86Типовой проект 503-2-21.86Типовой проект 503-2-21.86Типовой проект 503-2-21.86Типовой проект 503-2-21.86Типовой проект 503-2-21.86Типовой проект 503-2-21.86Типовой проект 503-2-21.86Типовой проект 503-2-21.86Типовой проект 503-2-21.86Типовой проект 503-2-21.86Типовой проект 503-2-21.86Типовой проект 503-2-21.86Типовой проект 503-2-21.86Типовой проект 503-2-21.86Типовой проект 503-2-21.86Типовой проект 503-2-21.86Типовой проект 503-2-21.86Типовой проект 503-2-21.86Типовой проект 503-2-21.86