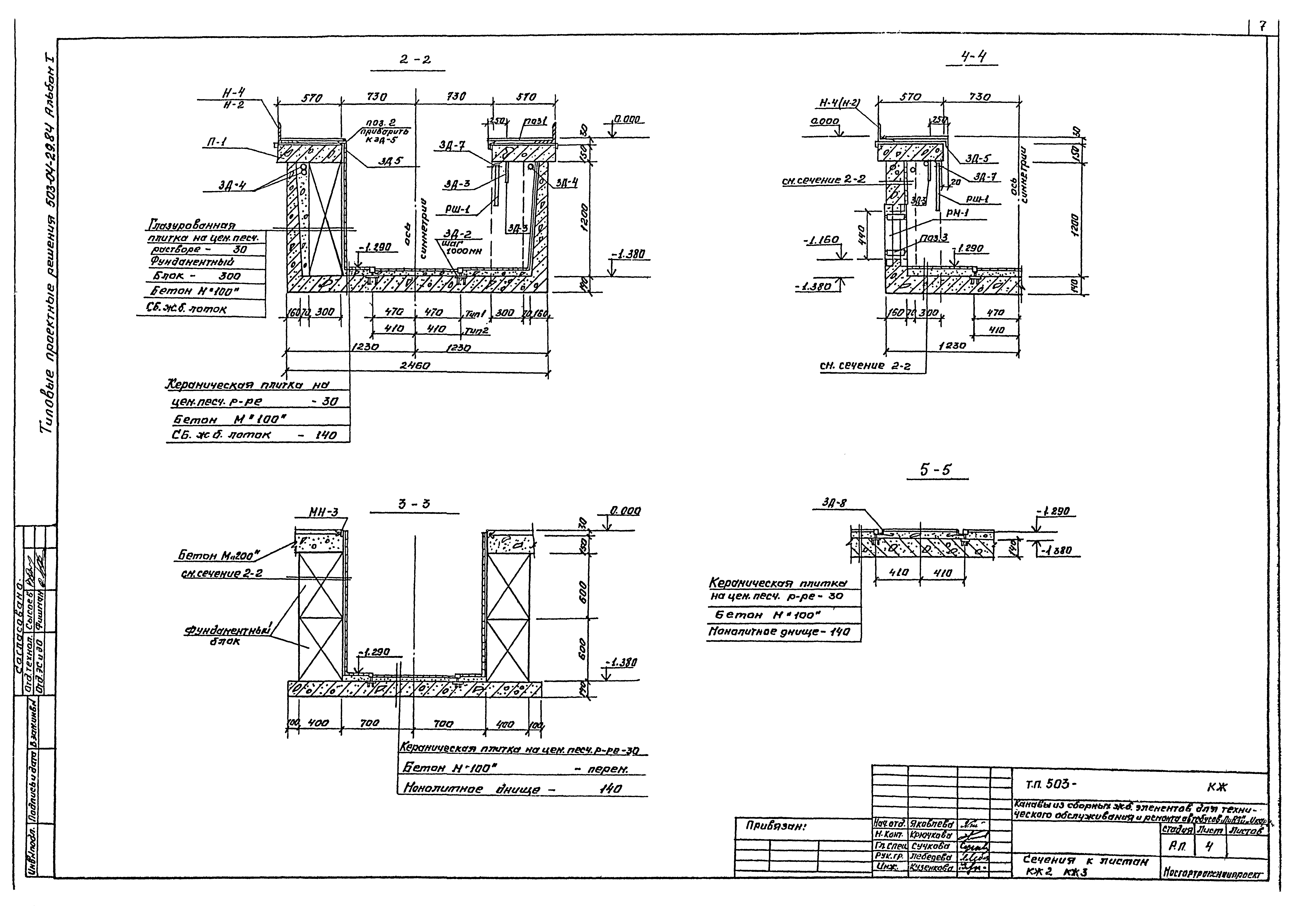
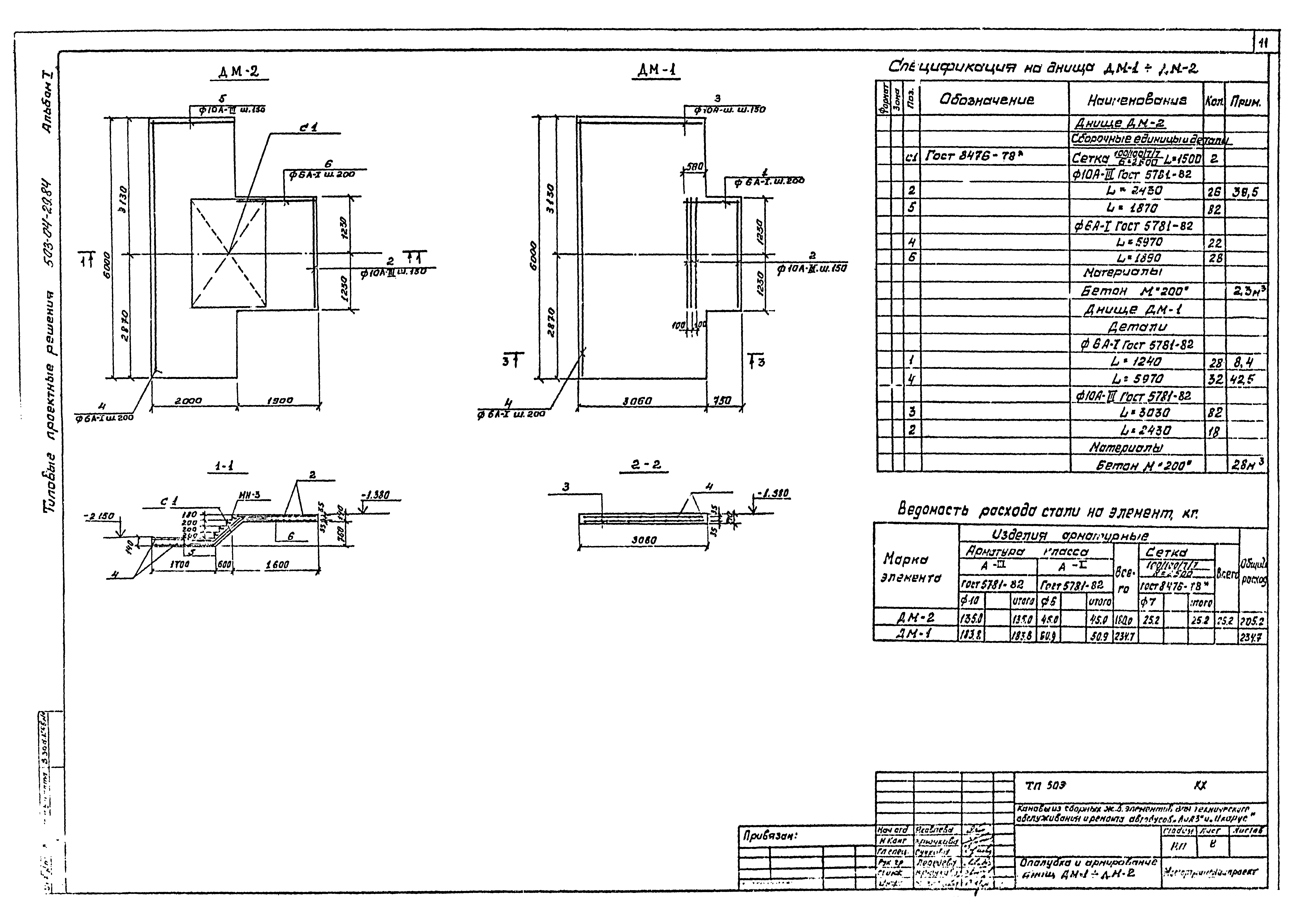
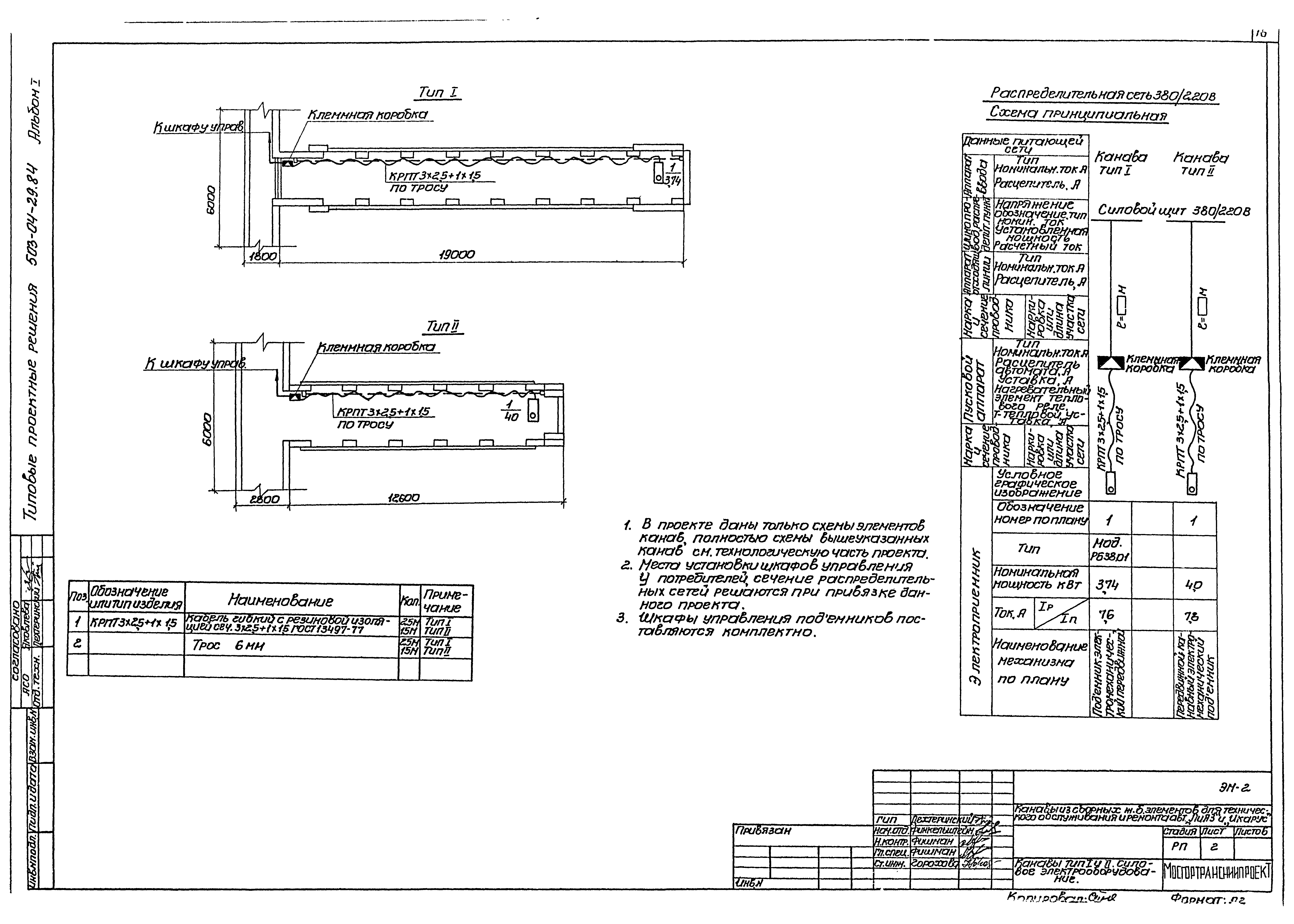
Скачать Типовые проектные решения 503-04-29.84 Альбом I. Архитектурно-строительная, технологическая, электротехническая частиДата актуализации: 01.01.2021 Типовые проектные решения 503-04-29.84
Альбом I. Архитектурно-строительная, технологическая, электротехническая части| Обозначение: | Типовые проектные решения 503-04-29.84 | | Обозначение англ: | 503-04-29.84 | | Статус: | справочные материалы, мп, тпр | | Название рус.: | Альбом I. Архитектурно-строительная, технологическая, электротехническая части | | Дата добавления в базу: | 01.02.2017 | | Дата актуализации: | 01.01.2021 | | Дата введения: | 22.02.1984 | | Разработан: | Мосгортрансниипроект
| | Утверждён: | 22.02.1984 Мосгорисполком (Mosgorispolkom 401)
|
                  
|