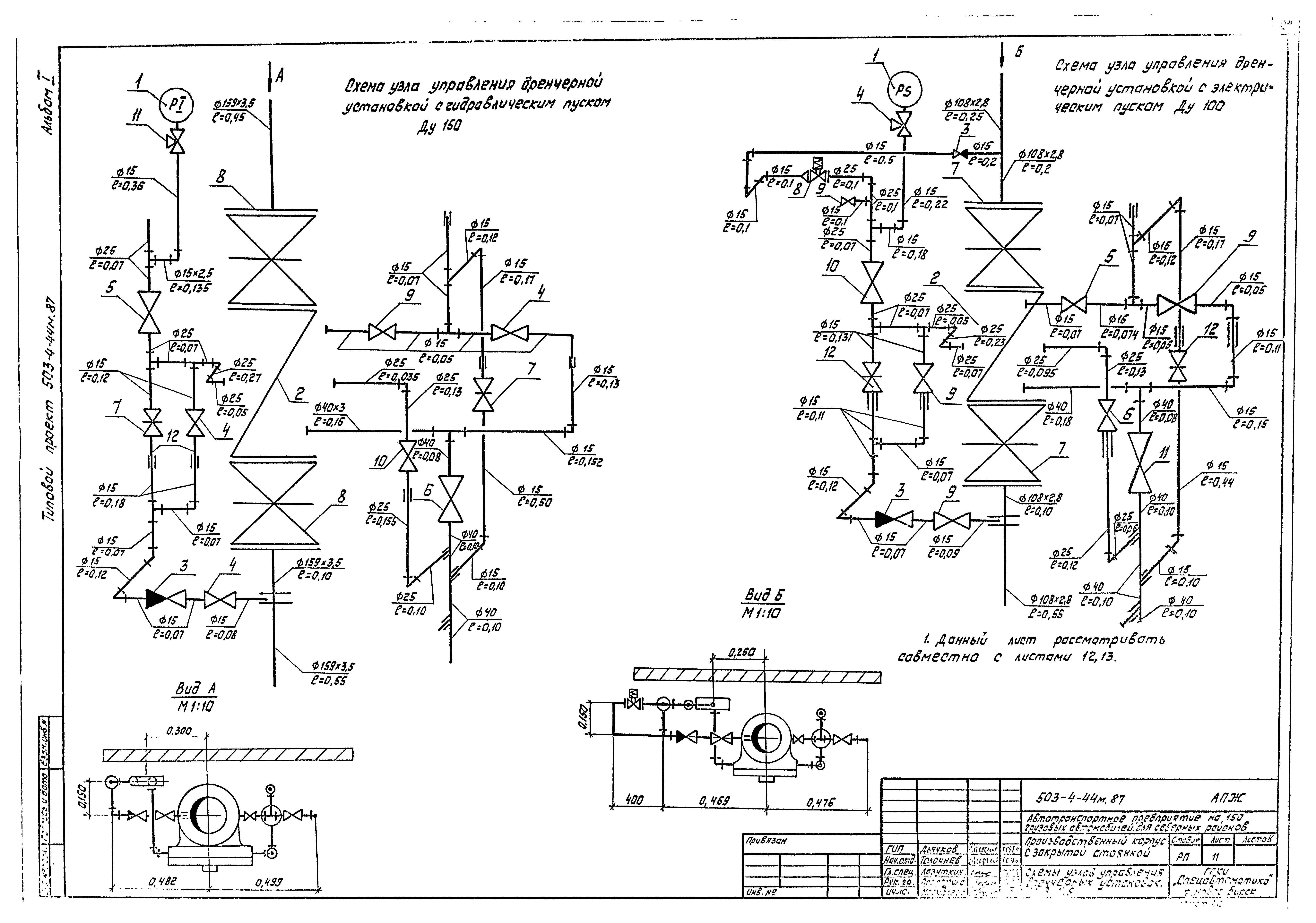
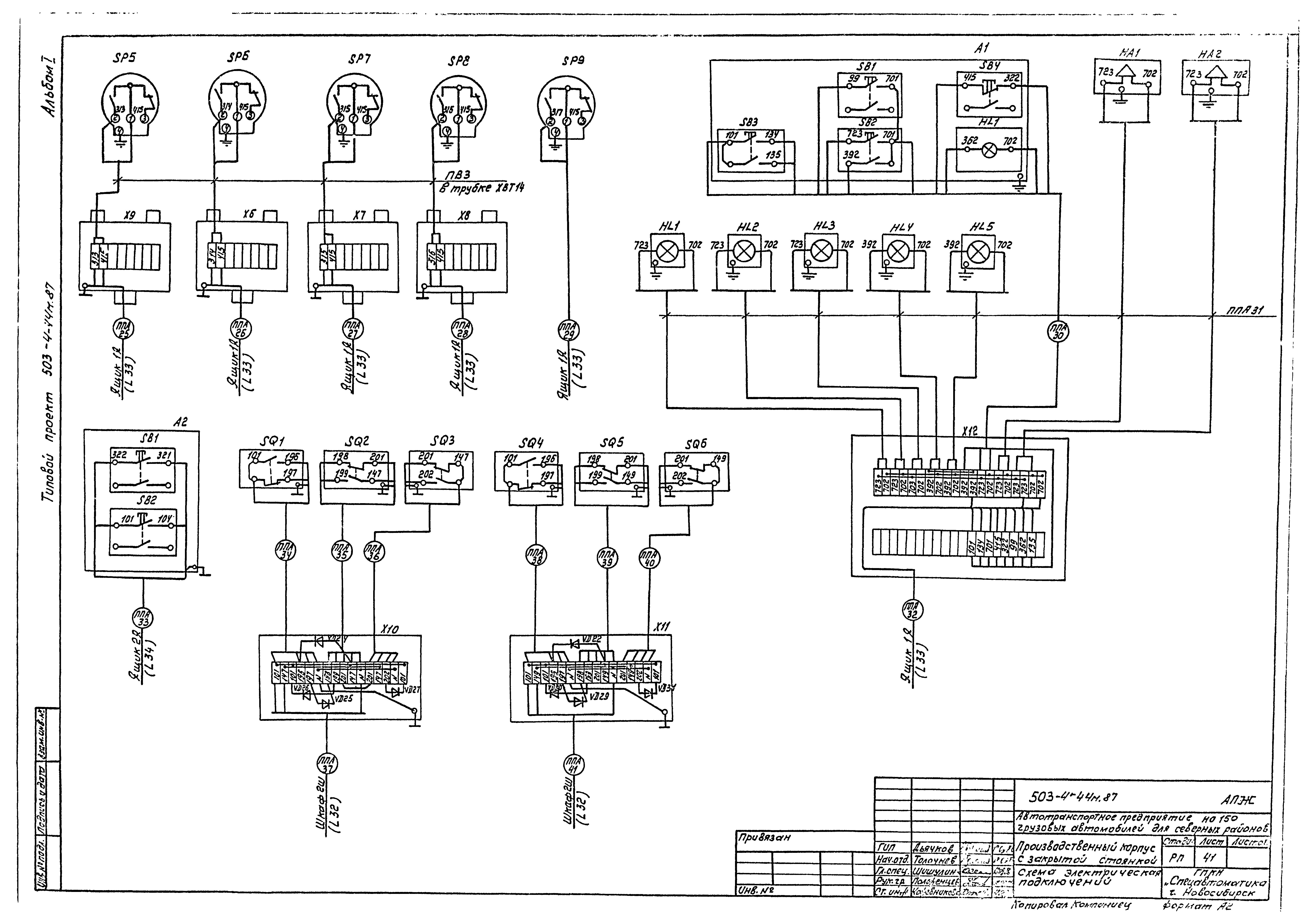
Скачать Типовой проект 503-4-44м.87 Альбом I. Пояснительная записка, технология производства, автоматическое пожаротушениеДата актуализации: 01.01.2021 Типовой проект 503-4-44м.87
Альбом I. Пояснительная записка, технология производства, автоматическое пожаротушение| Обозначение: | Типовой проект 503-4-44м.87 | | Обозначение англ: | 503-4-44м.87 | | Статус: | не определен законодательством | | Название рус.: | Альбом I. Пояснительная записка, технология производства, автоматическое пожаротушение | | Дата добавления в базу: | 01.02.2017 | | Дата актуализации: | 01.01.2021 | | Дата введения: | 30.12.1986 | | Дата окончания срока действия: | 30.06.2003 | | Разработан: | Новосибирский филиал Гипроавтотранса
| | Утверждён: | 30.12.1986 Минавтотранс РСФСР (Russian Federation Minavtotrans 24)
| | Издан: | ЦИТП Госстроя СССР (CITP, Gosstroy (USSR) 1988 г. )
|
                                                           
|