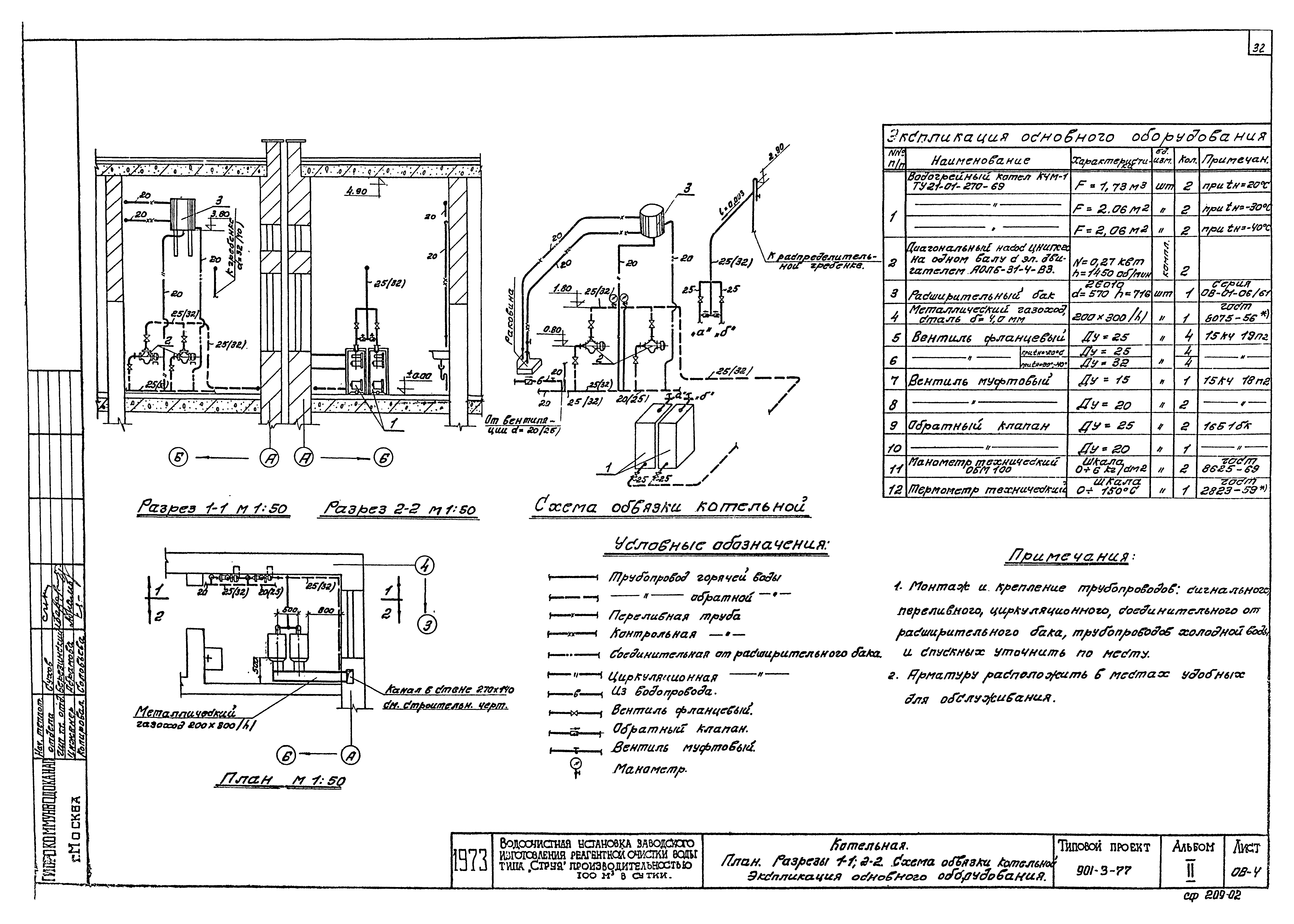
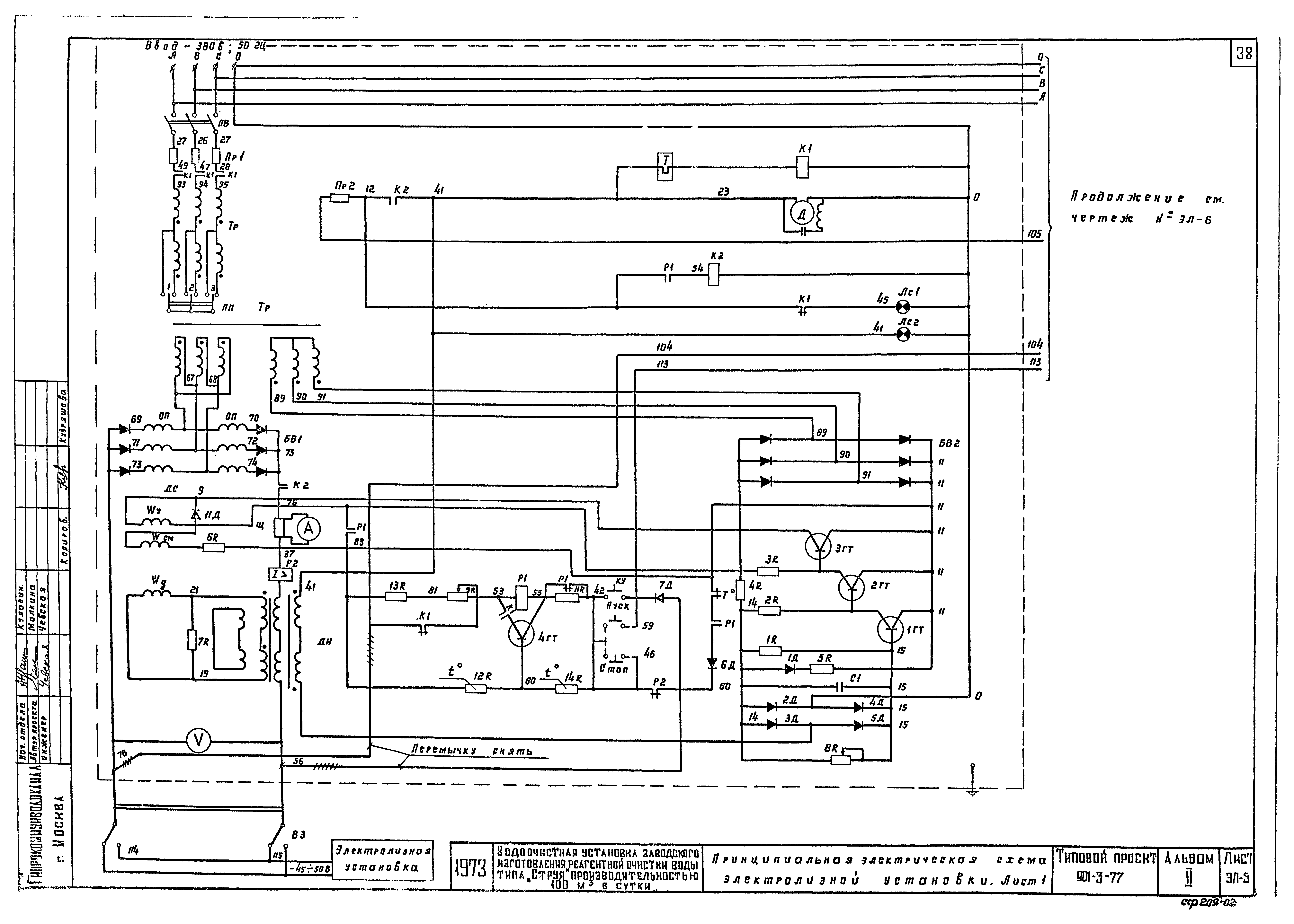
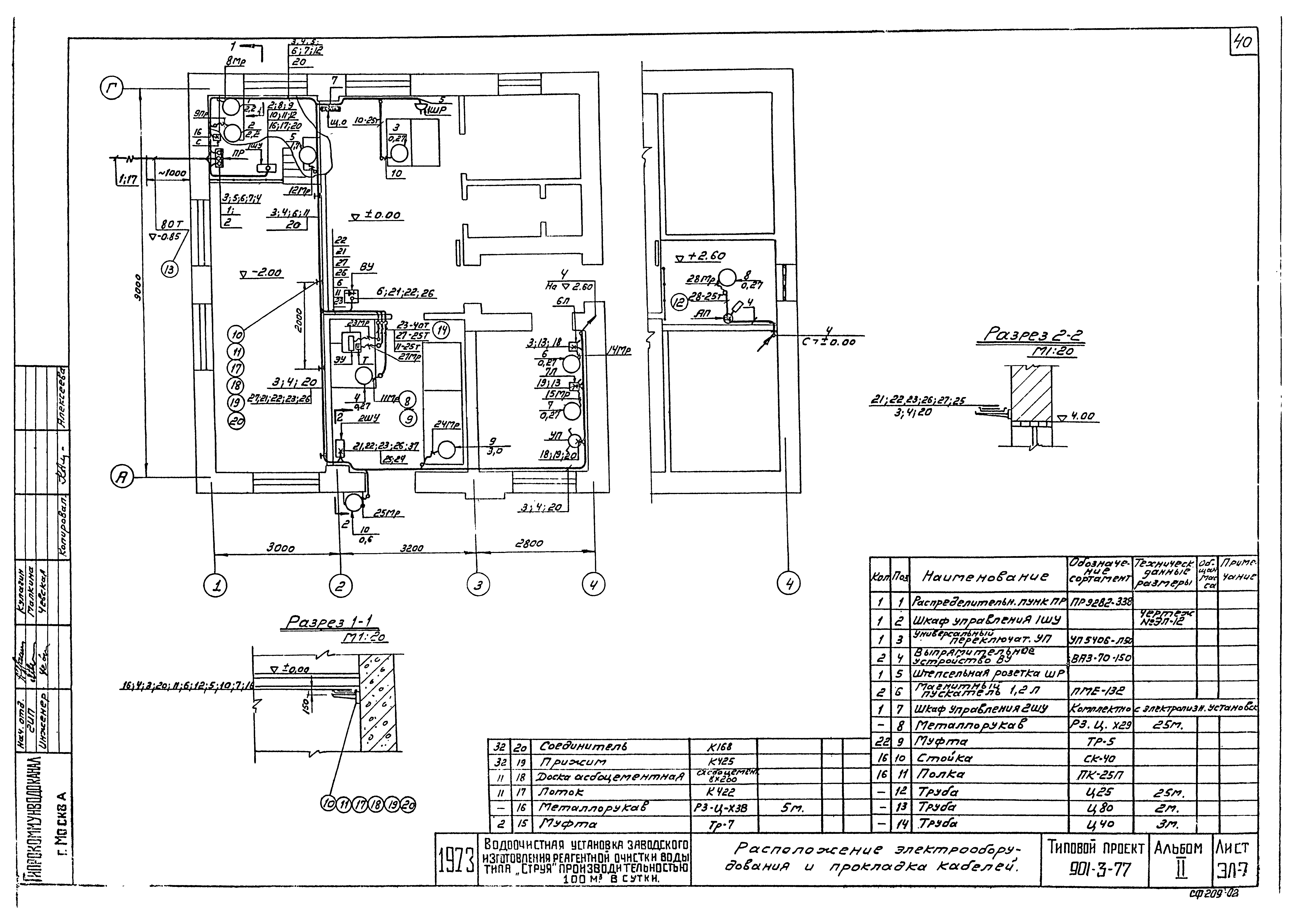
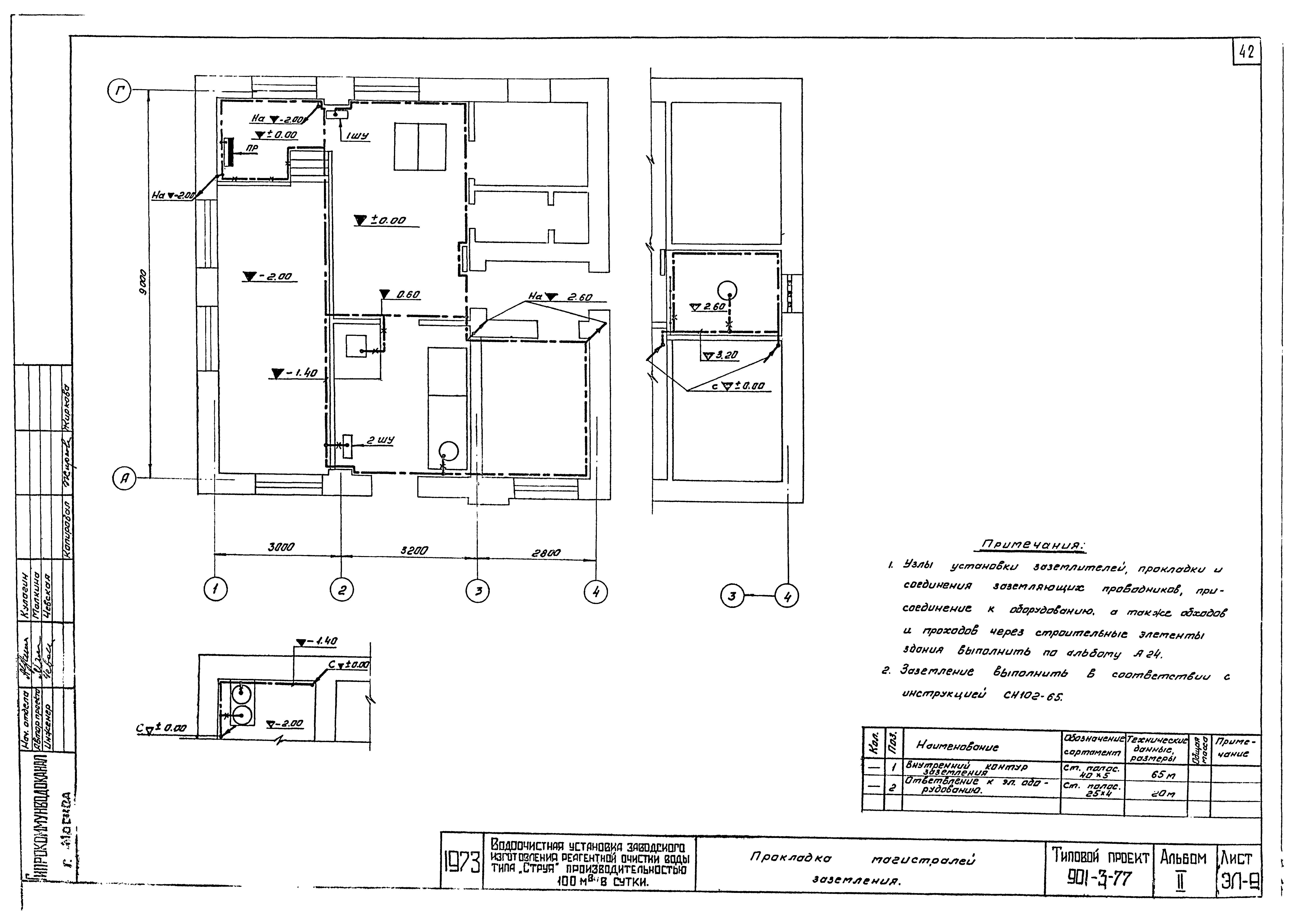
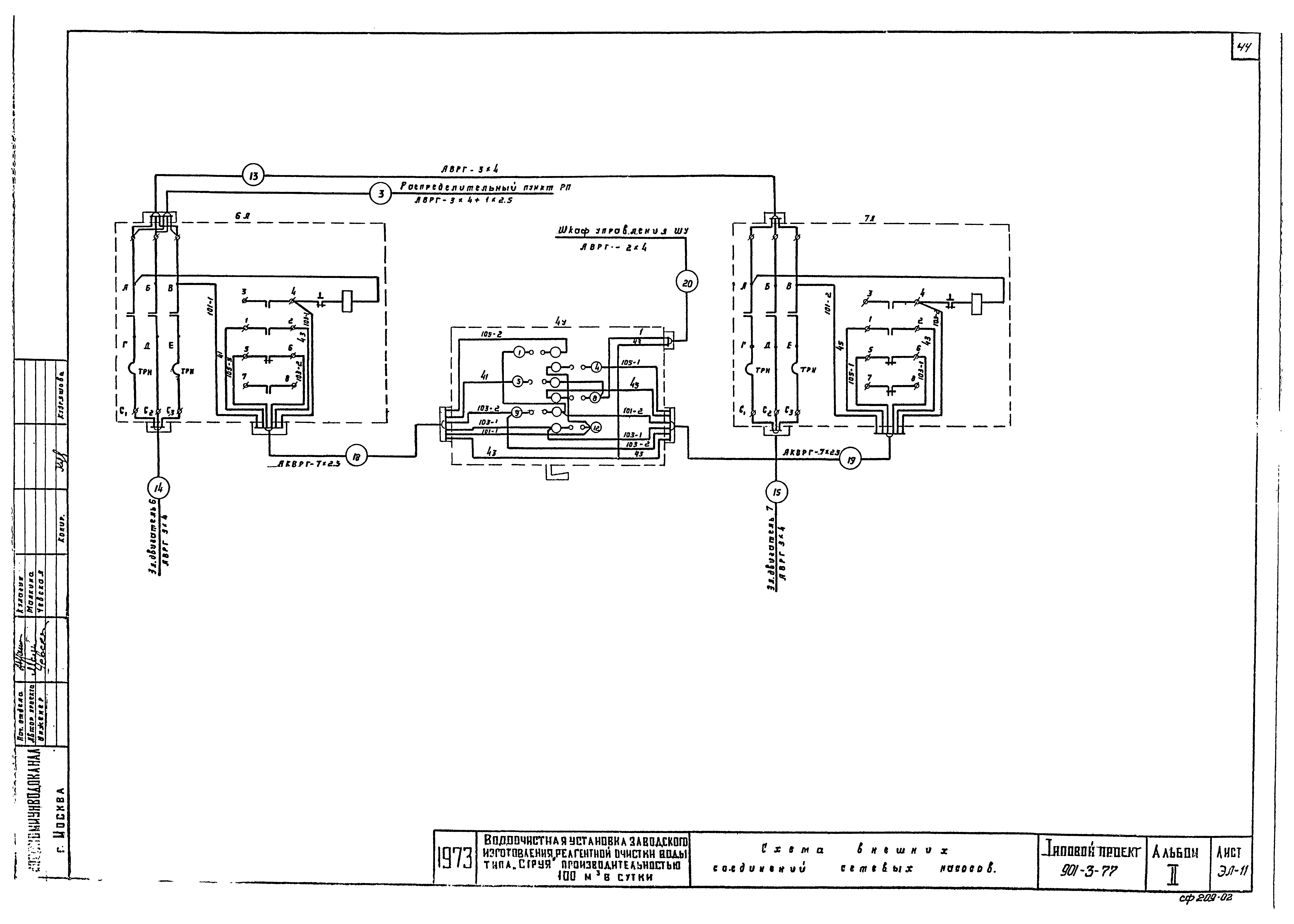
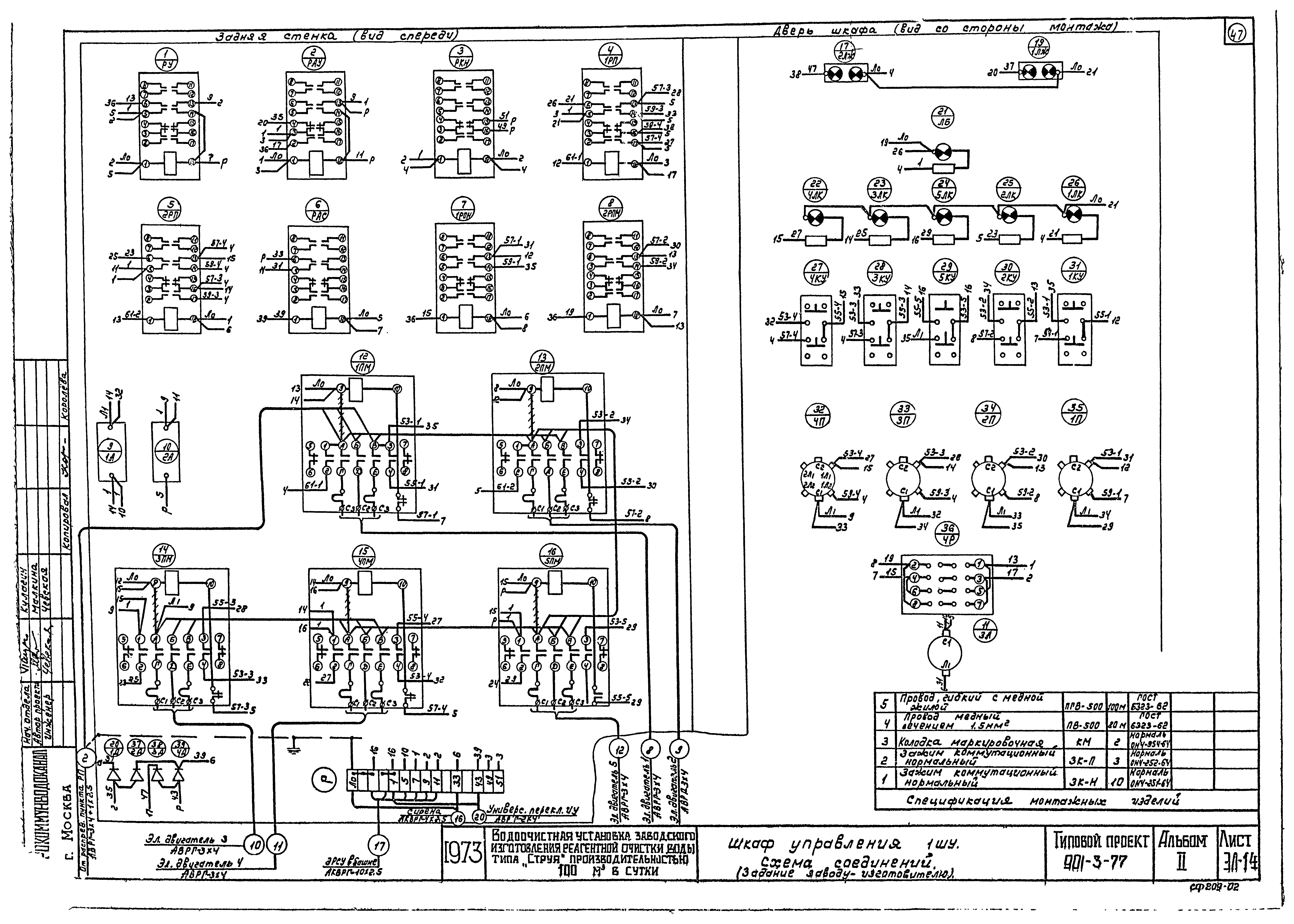
Скачать Типовой проект 901-3-77 Альбом II. Технологическая, архитектурно-строительная, отопление, вентиляция и электротехническая частиДата актуализации: 01.01.2021 Типовой проект 901-3-77
Альбом II. Технологическая, архитектурно-строительная, отопление, вентиляция и электротехническая части| Обозначение: | Типовой проект 901-3-77 | | Обозначение англ: | 901-3-77 | | Статус: | заменен | | Название рус.: | Альбом II. Технологическая, архитектурно-строительная, отопление, вентиляция и электротехническая части | | Дата добавления в базу: | 01.02.2017 | | Дата актуализации: | 01.01.2021 | | Дата введения: | 14.10.1974 | | Дата окончания срока действия: | 01.07.1986 | | Разработан: | Гипрокоммунводоканал Минжилкомхоза РСФСР
| | Утверждён: | 14.10.1974 МЖКХ РСФСР (23-ТД)
| | Издан: | ЦИТП Госстроя СССР (CITP, Gosstroy (USSR) 1982 г. )
| | Чем заменён: | |
                                              
|