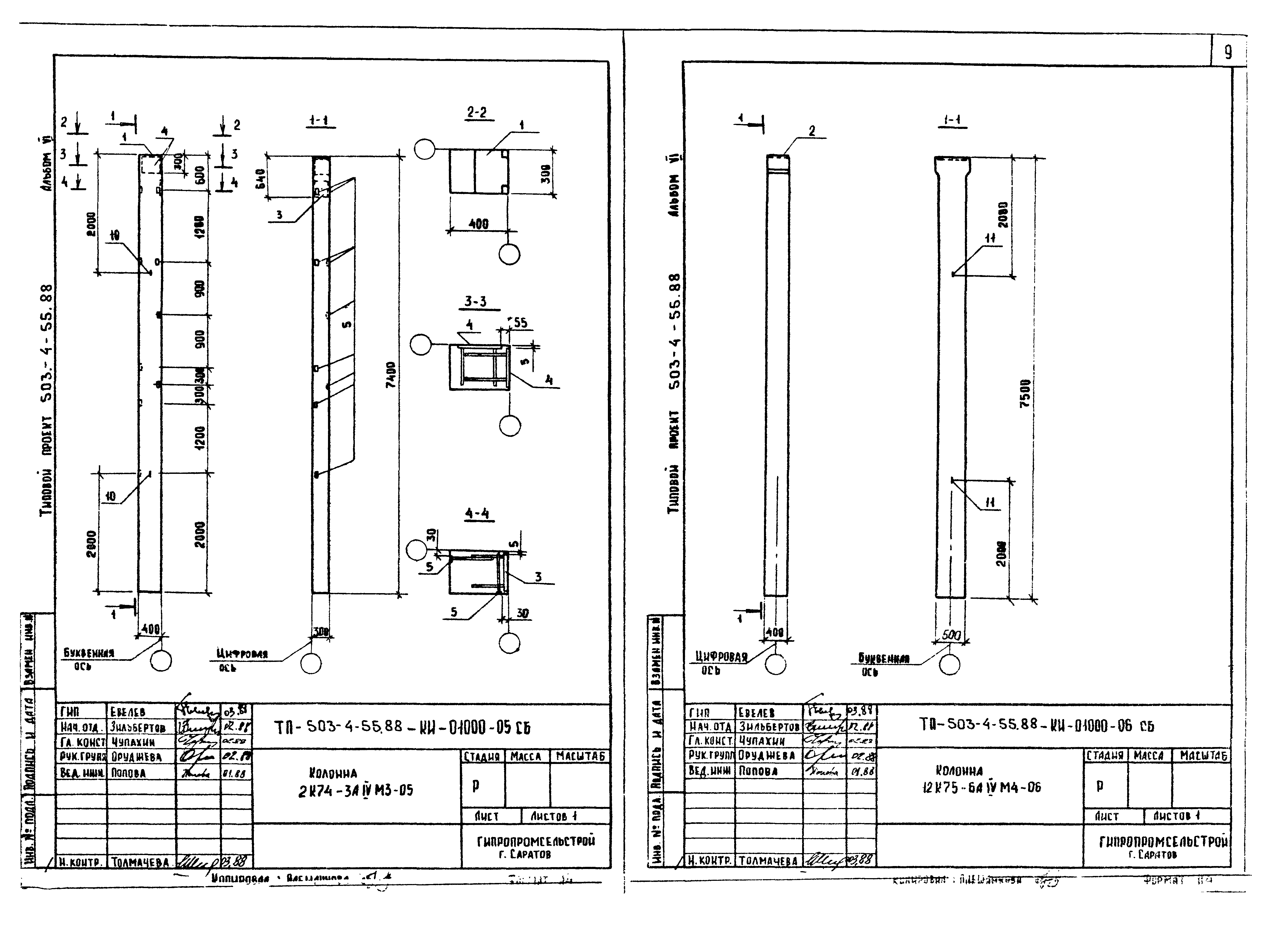
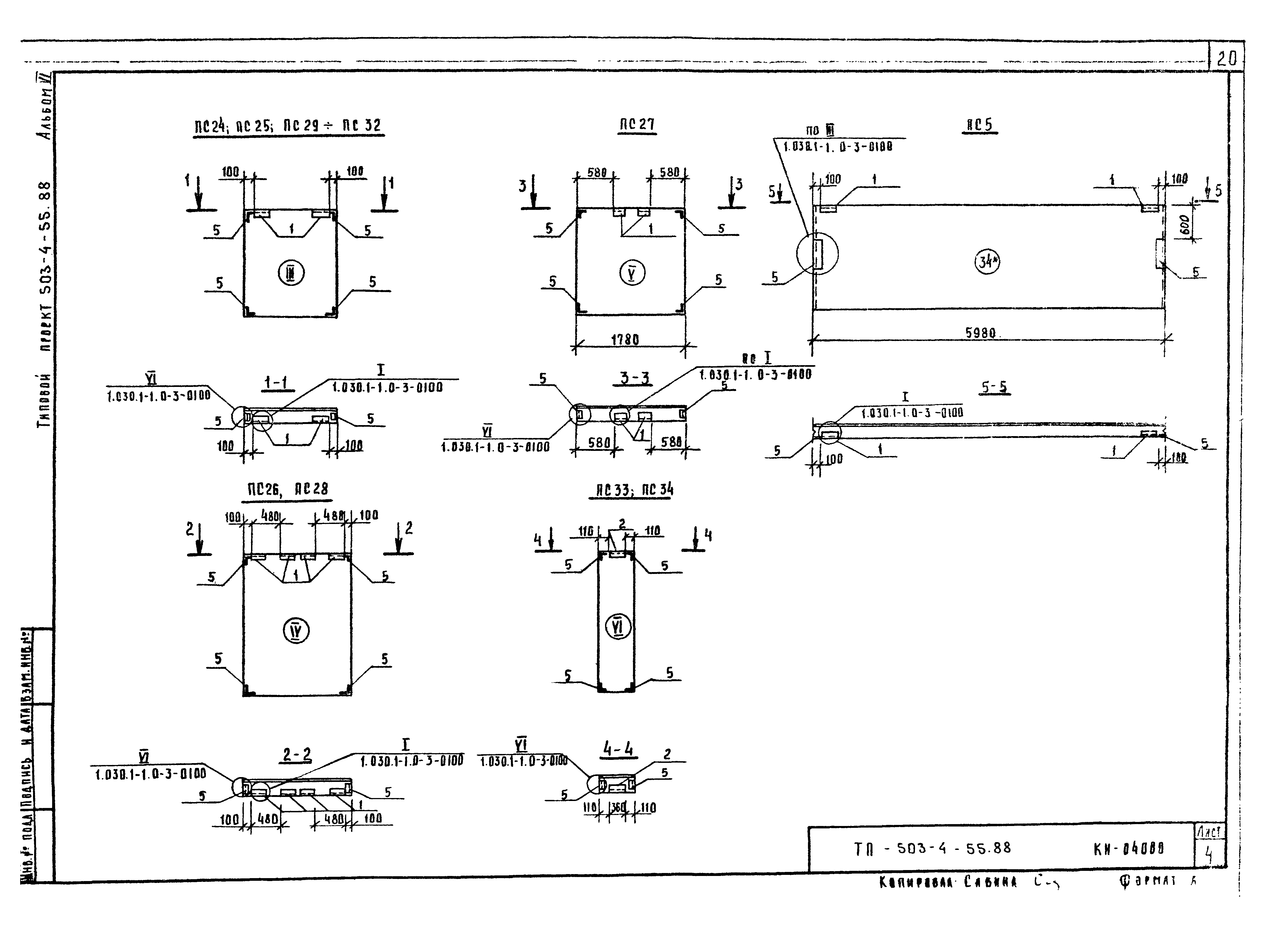
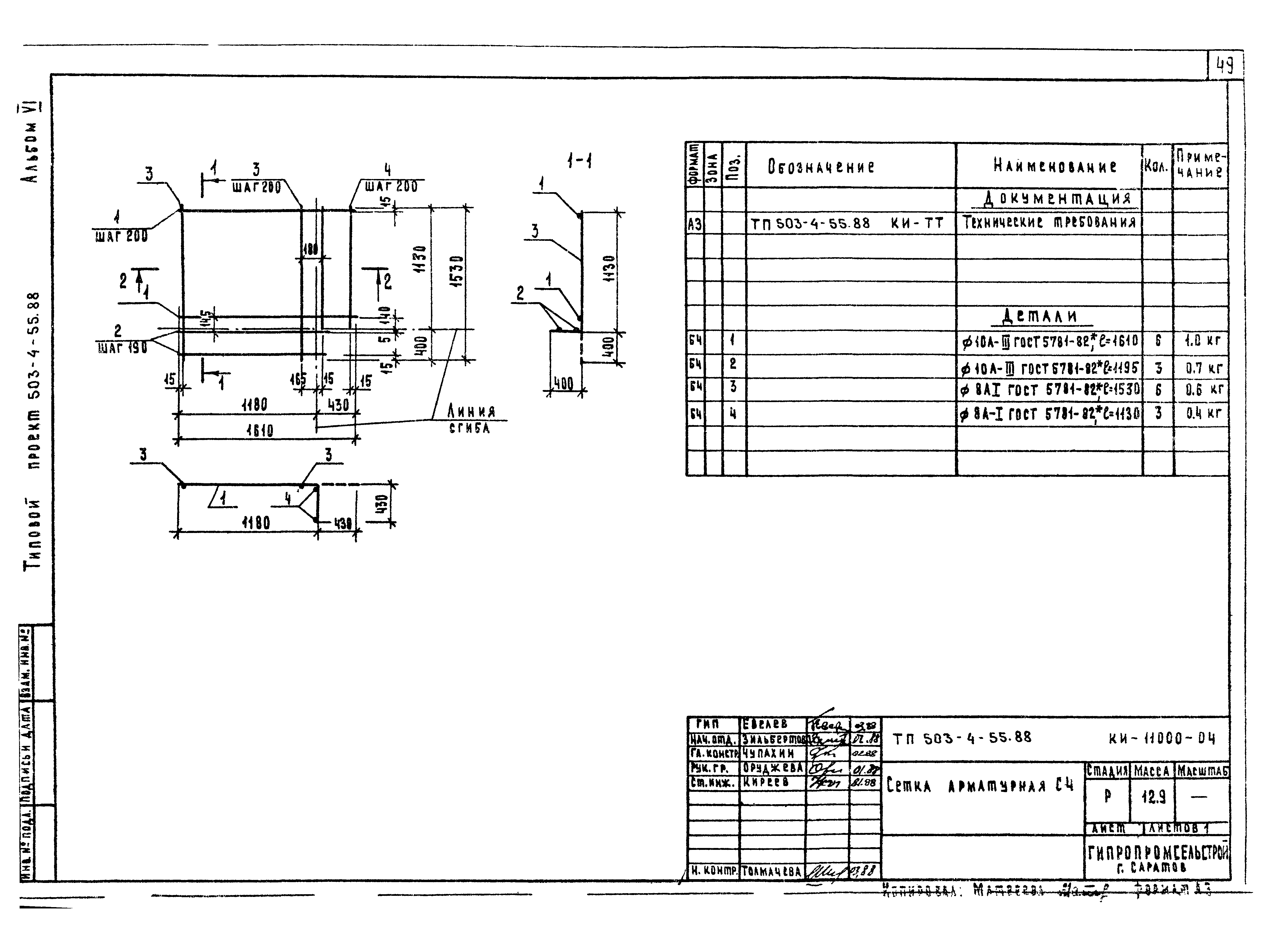
Скачать Типовой проект 503-4-54.88 Альбом VI. Чертежи индустриальных строительных конструкций и изделий (из ТП 503-4-55.88)Дата актуализации: 01.01.2021
|
| Обозначение: | Типовой проект 503-4-54.88 |
| Обозначение англ: | 503-4-54.88 |
| Статус: | действует |
| Название рус.: | Альбом VI. Чертежи индустриальных строительных конструкций и изделий (из ТП 503-4-55.88) |
| Дата добавления в базу: | 01.02.2017 |
| Дата актуализации: | 01.01.2021 |
| Дата введения: | 01.04.1988 |
| Разработан: | Гипропромсельстрой |
| Утверждён: | 01.04.1988 Гипропромсельстрой (119) |
| Издан: | ЦИТП Госстроя СССР (CITP, Gosstroy (USSR) 1989 г. ) |
| Заменяет собой: |
|
| Нормативные ссылки: |
|






















































