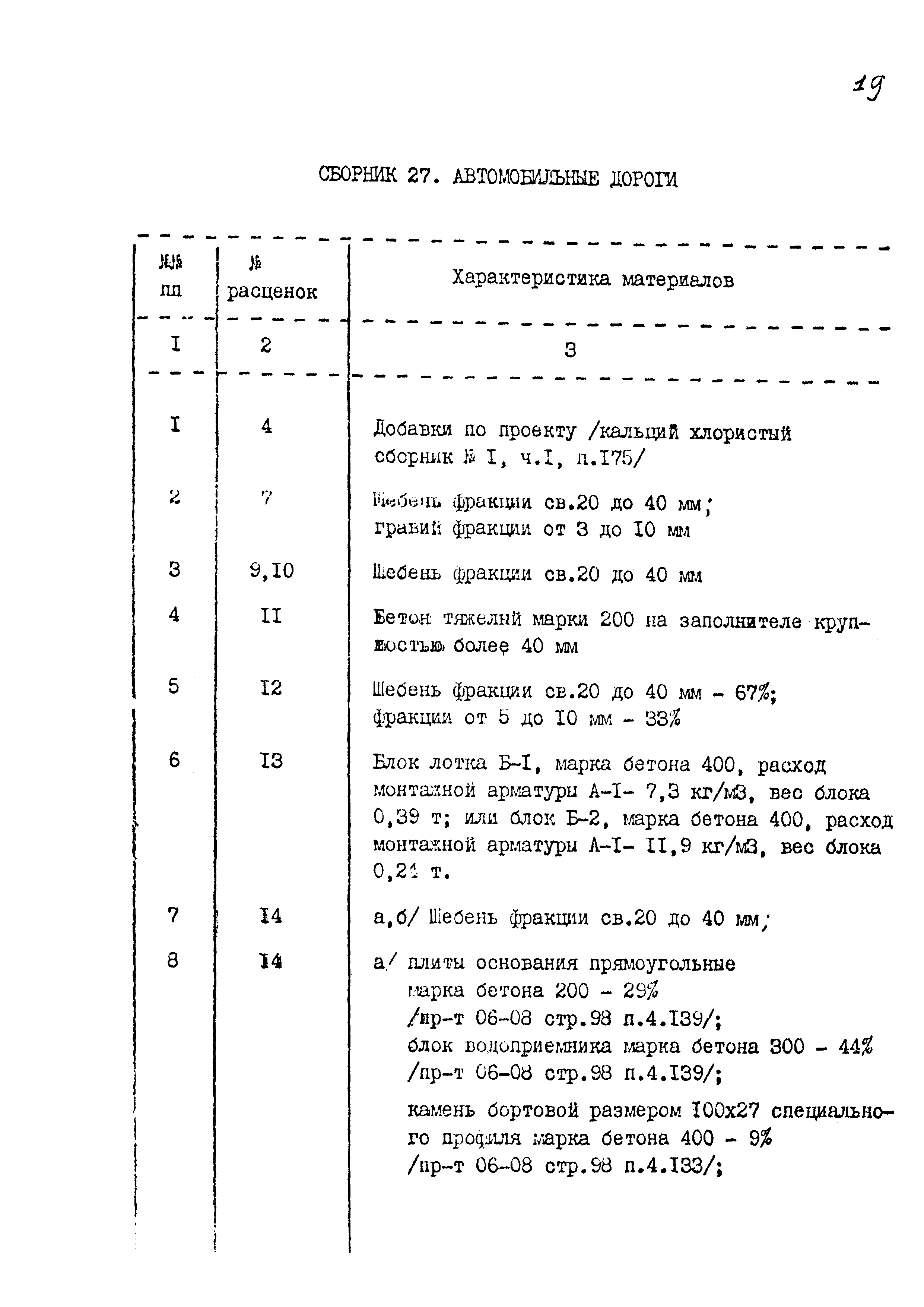
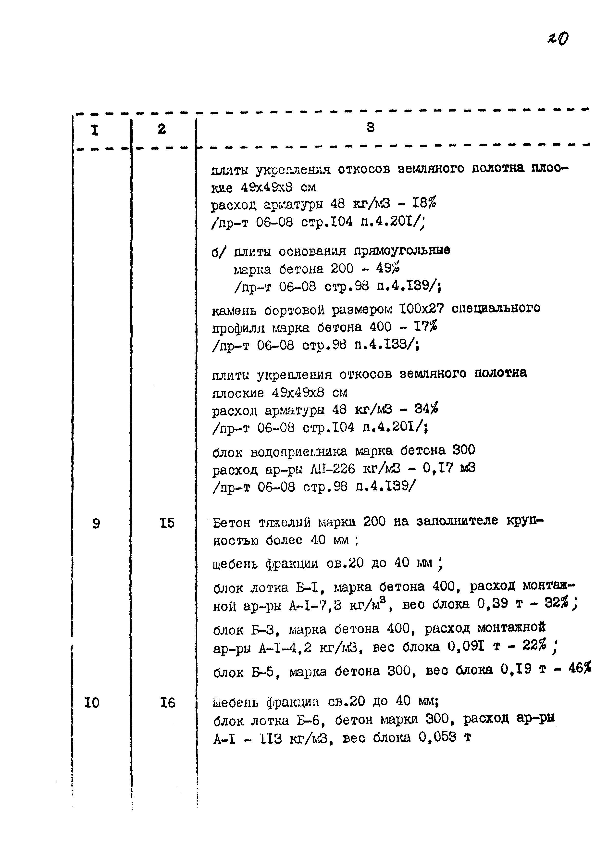
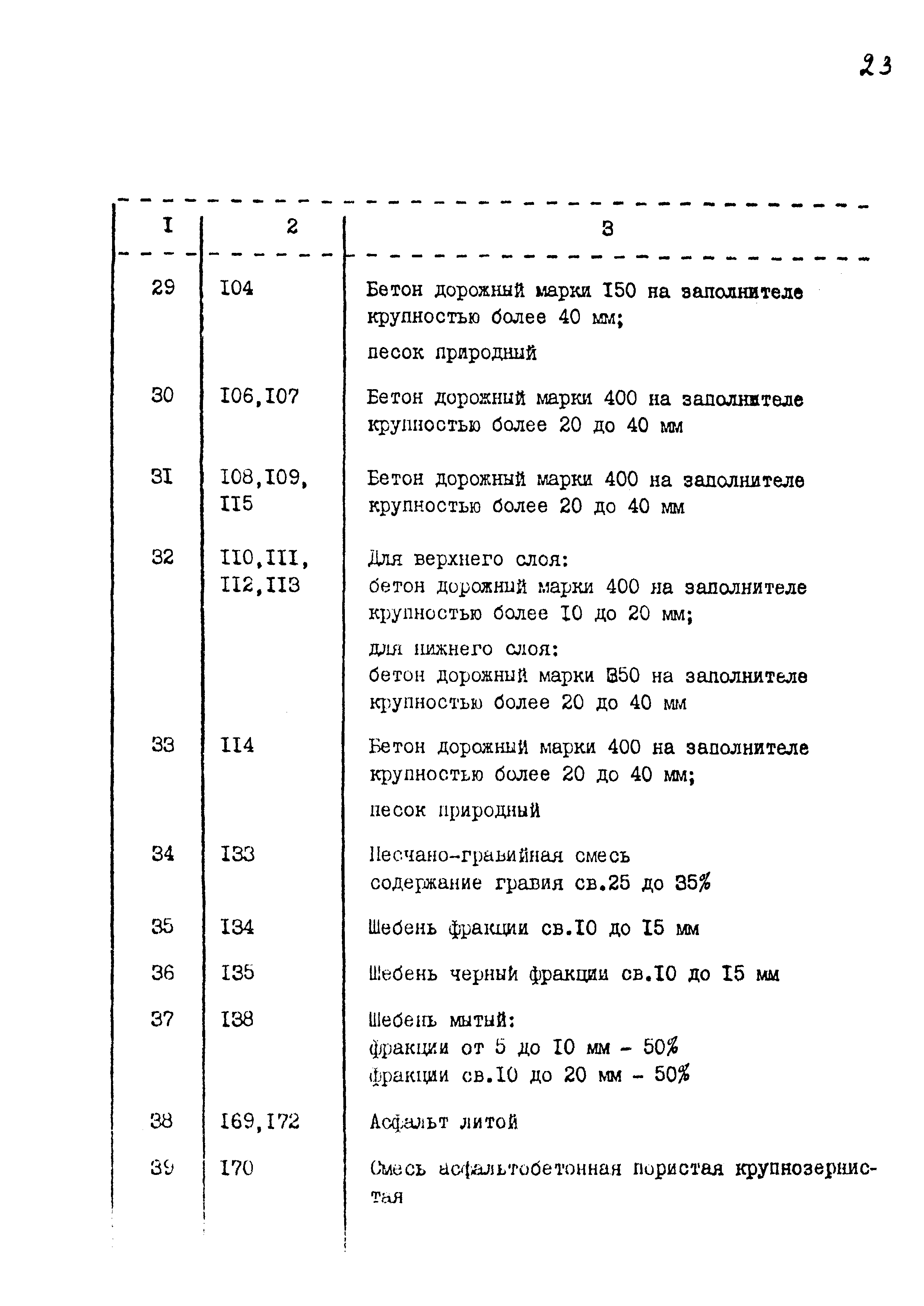
Скачать Технические характеристики местных материалов, изделий и конструкций, неучтенных в единичных расценках по отдельным сборникамДата актуализации: 01.01.2021
Технические характеристики местных материалов, изделий и конструкций, неучтенных в единичных расценках по отдельным сборникам| Статус: | не действует | | Название рус.: | Технические характеристики местных материалов, изделий и конструкций, неучтенных в единичных расценках по отдельным сборникам | | Дата добавления в базу: | 01.02.2017 | | Дата актуализации: | 01.01.2021 |
                                       
|