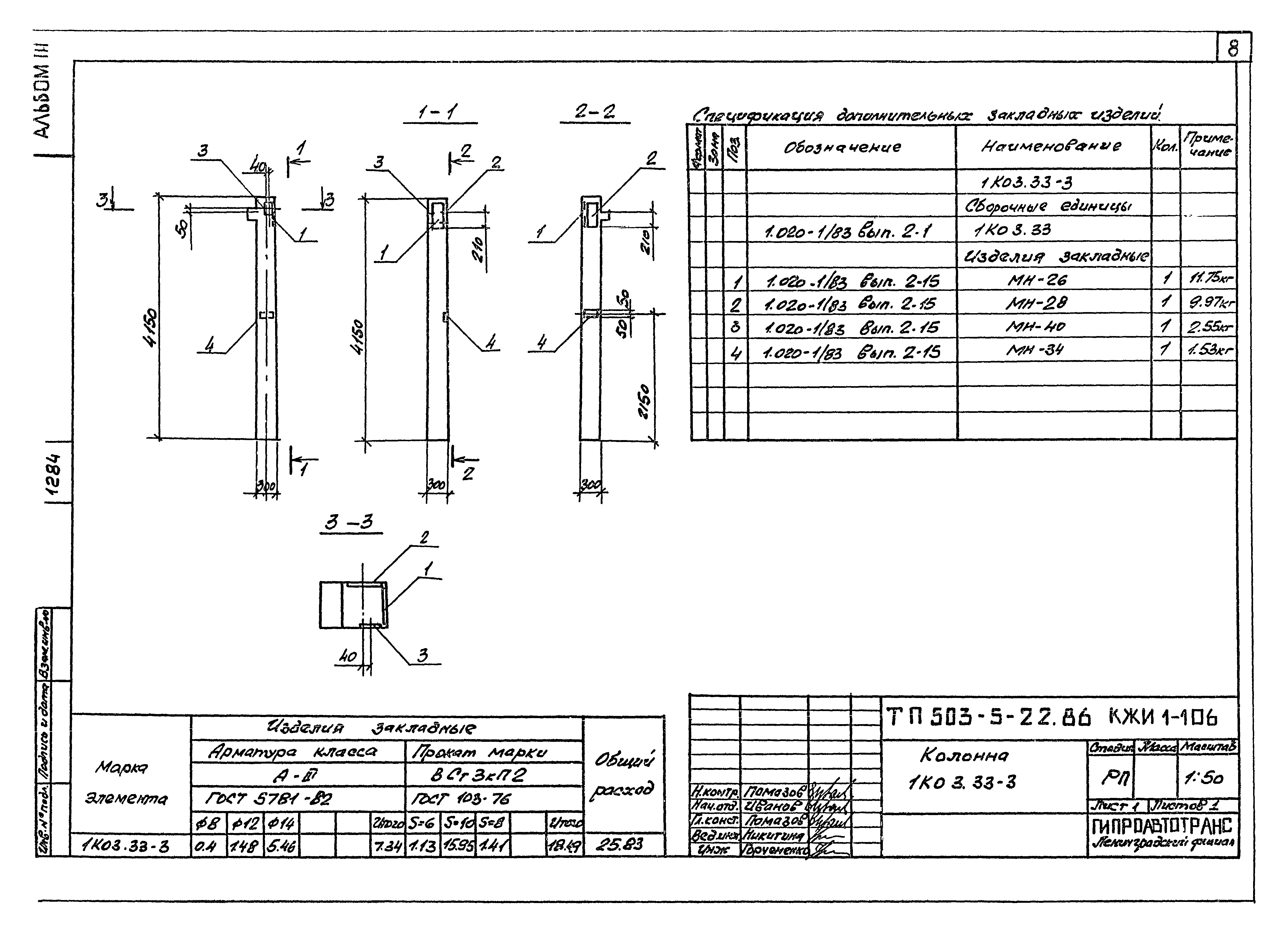
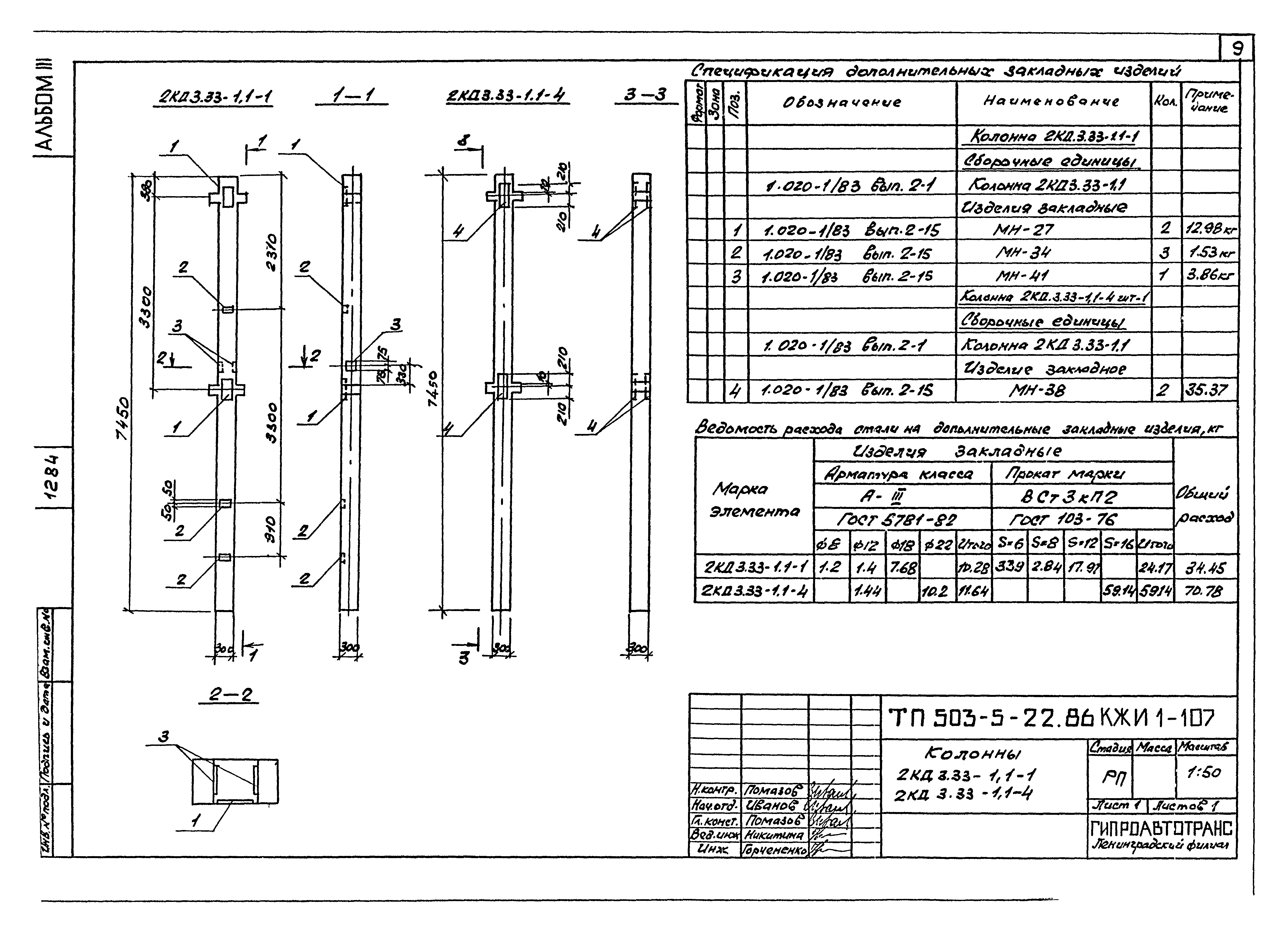
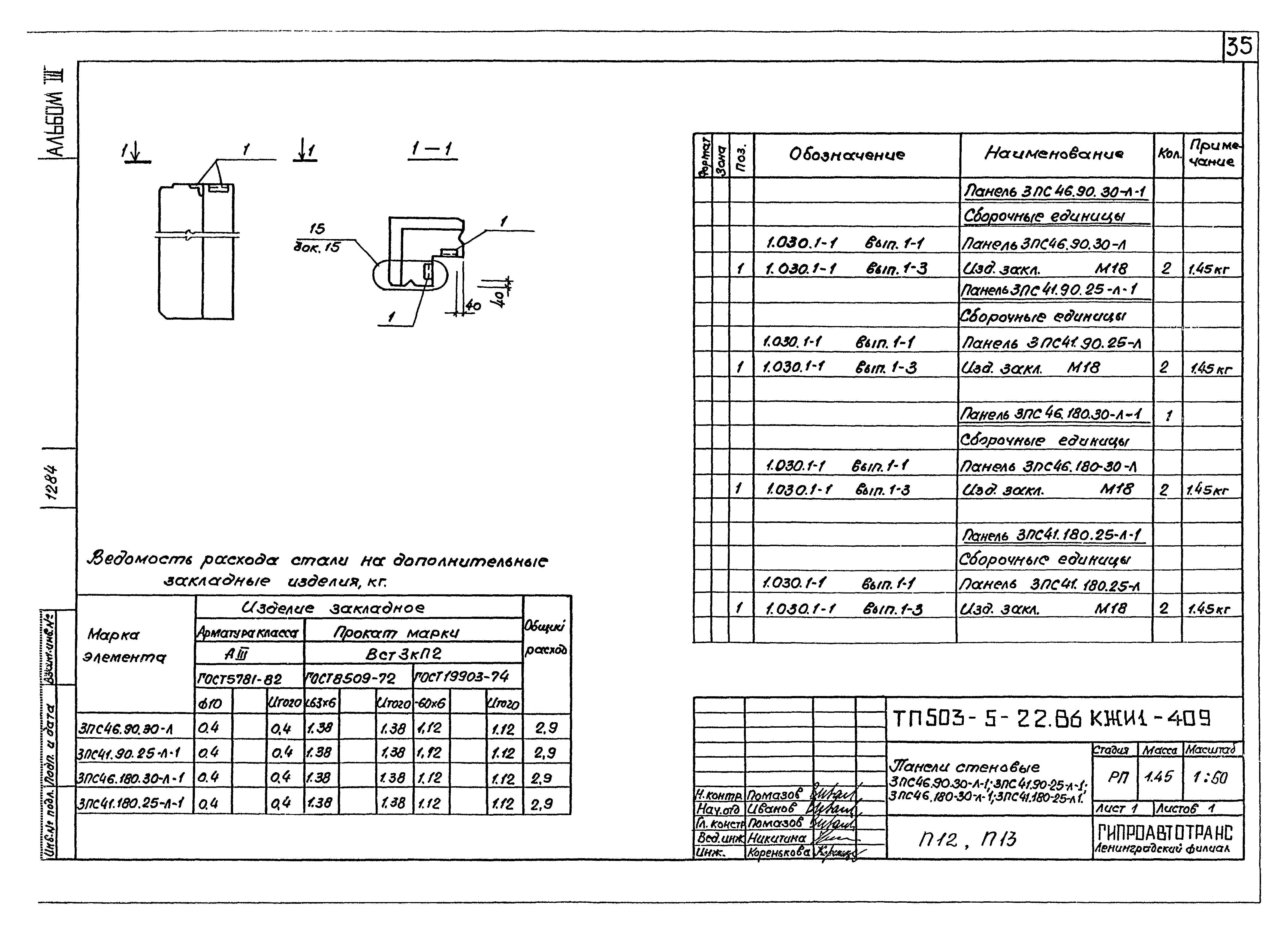
Скачать Типовой проект 503-5-22.86 Альбом III. Сборные железобетонные изделияДата актуализации: 01.01.2021
|
| Обозначение: | Типовой проект 503-5-22.86 |
| Обозначение англ: | 503-5-22.86 |
| Статус: | не определен законодательством |
| Название рус.: | Альбом III. Сборные железобетонные изделия |
| Дата добавления в базу: | 01.02.2017 |
| Дата актуализации: | 01.01.2021 |
| Дата введения: | 20.08.1986 |
| Дата окончания срока действия: | 30.06.2003 |
| Разработан: | Гипроавтотранс |
| Утверждён: | 20.08.1986 Минавтотранс РСФСР (Russian Federation Minavtotrans 19) |
| Издан: | ЦИТП Госстроя СССР (CITP, Gosstroy (USSR) 1988 г. ) |
| Заменяет собой: |
|
| Нормативные ссылки: |





































