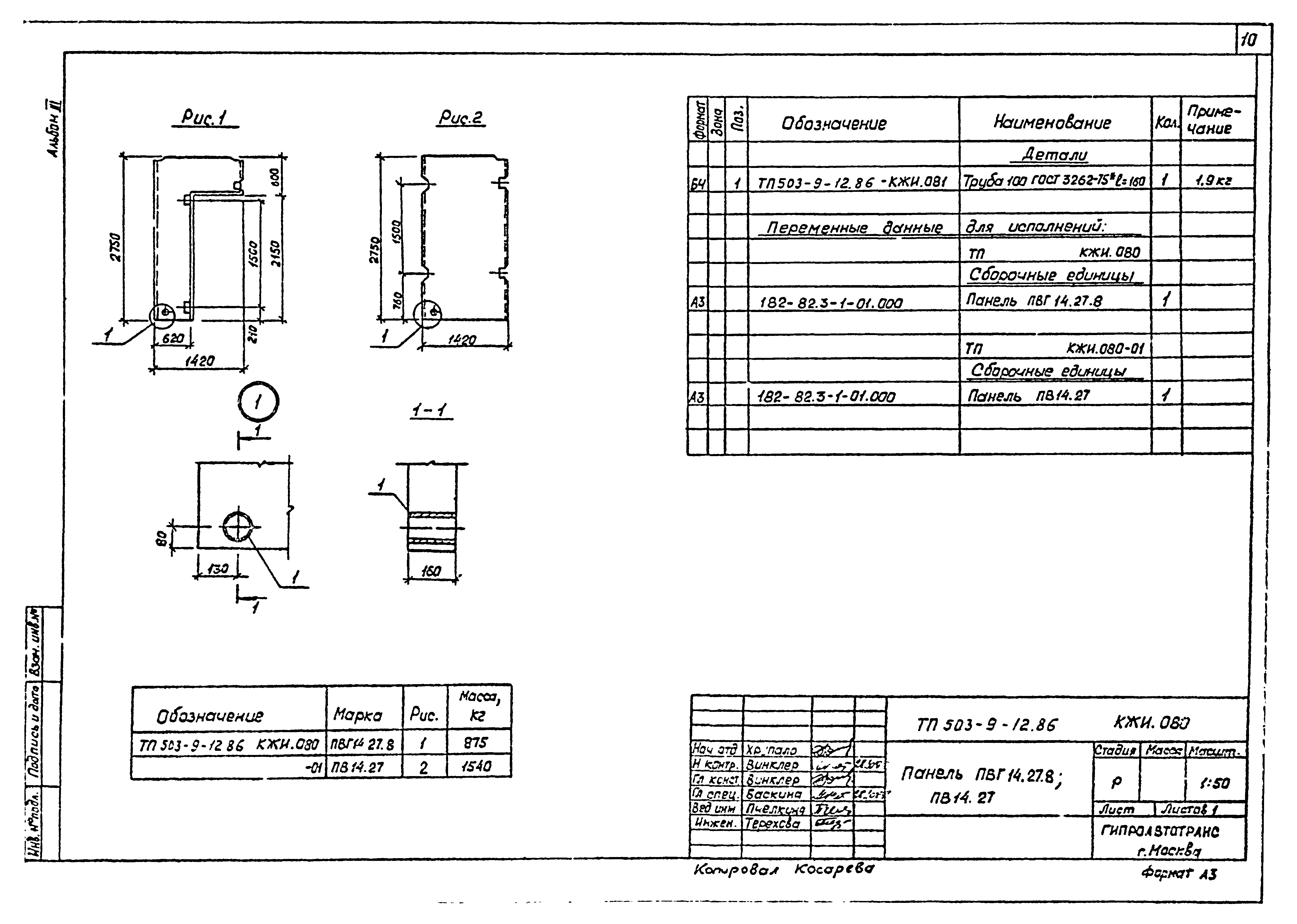
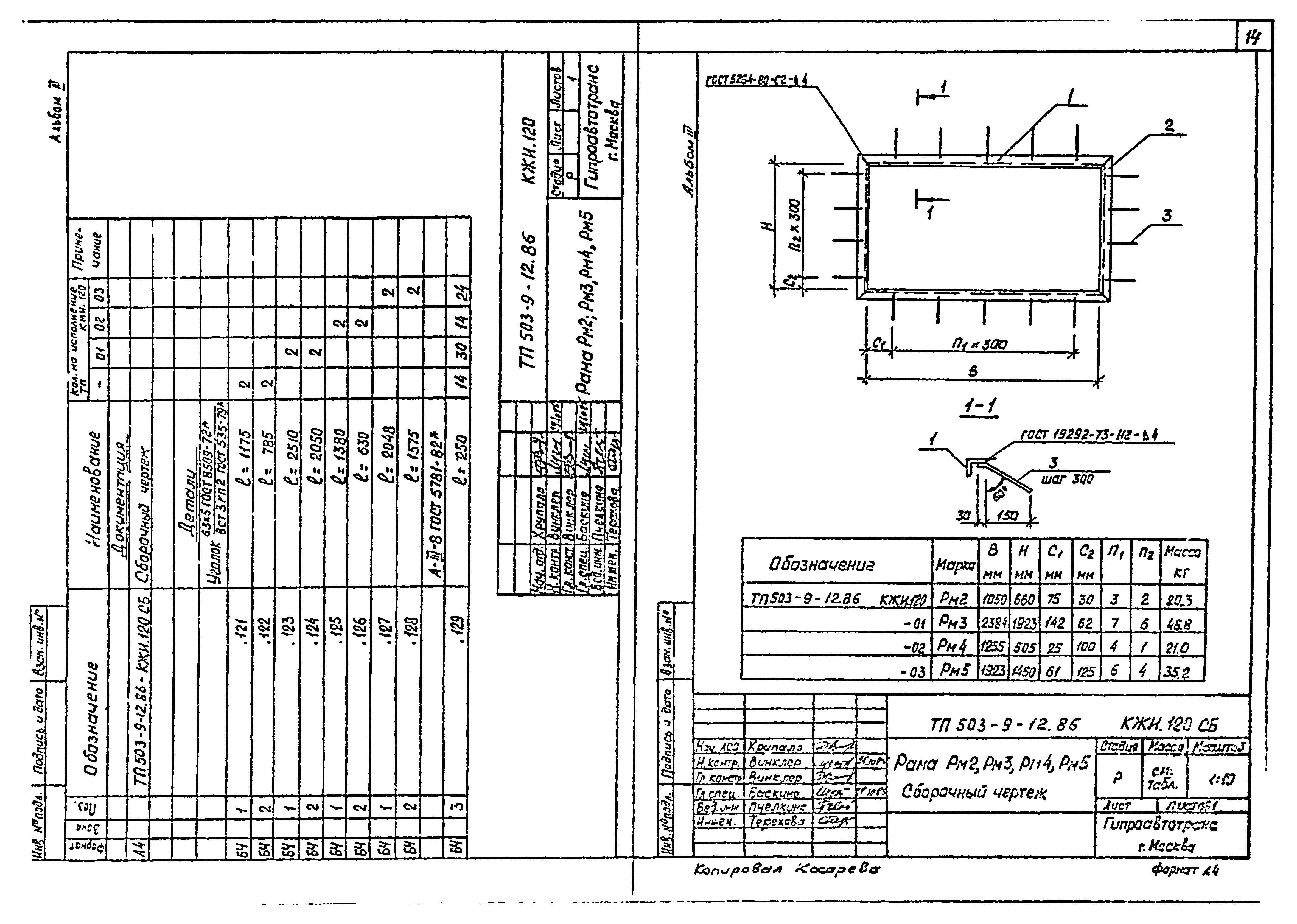
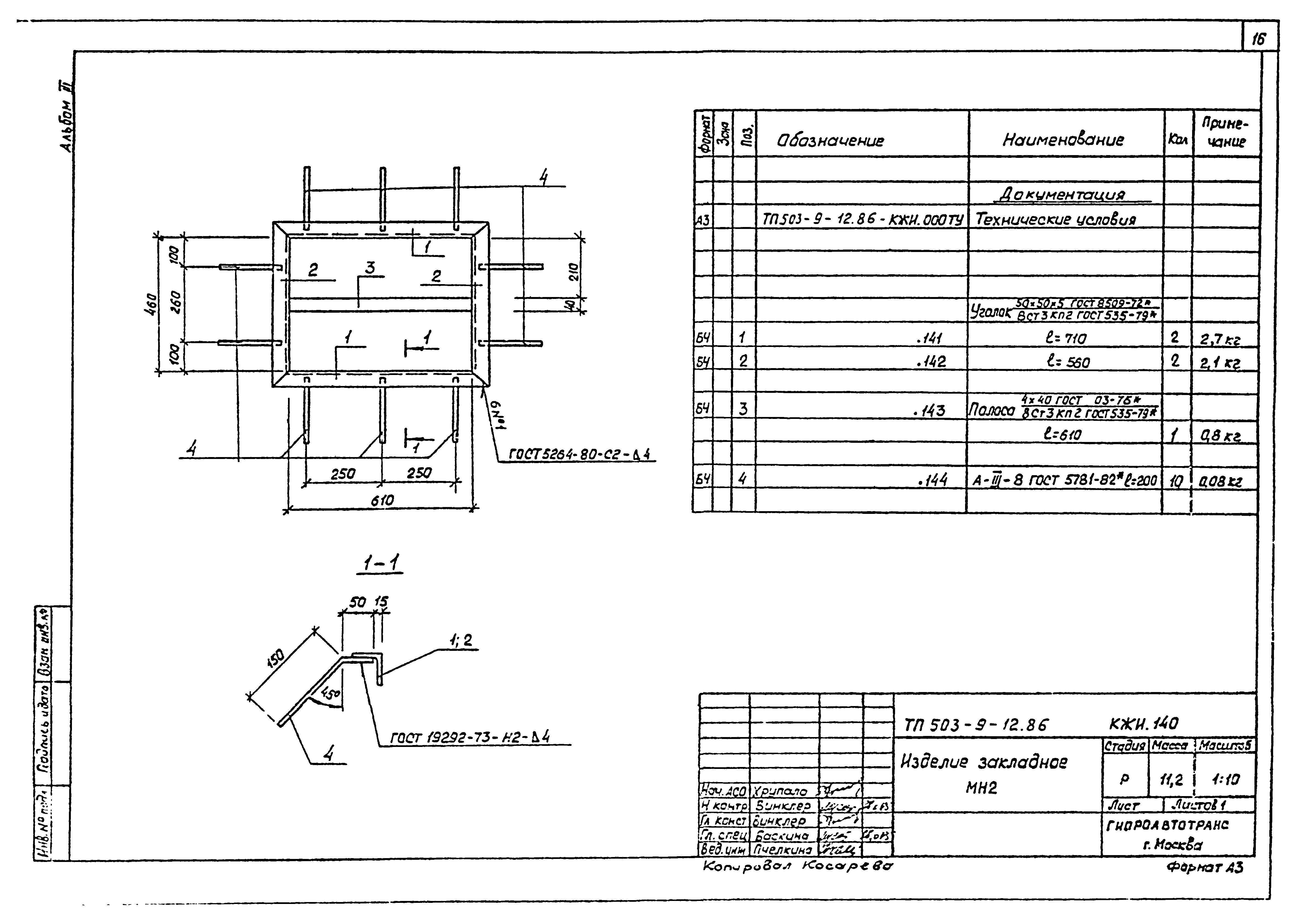
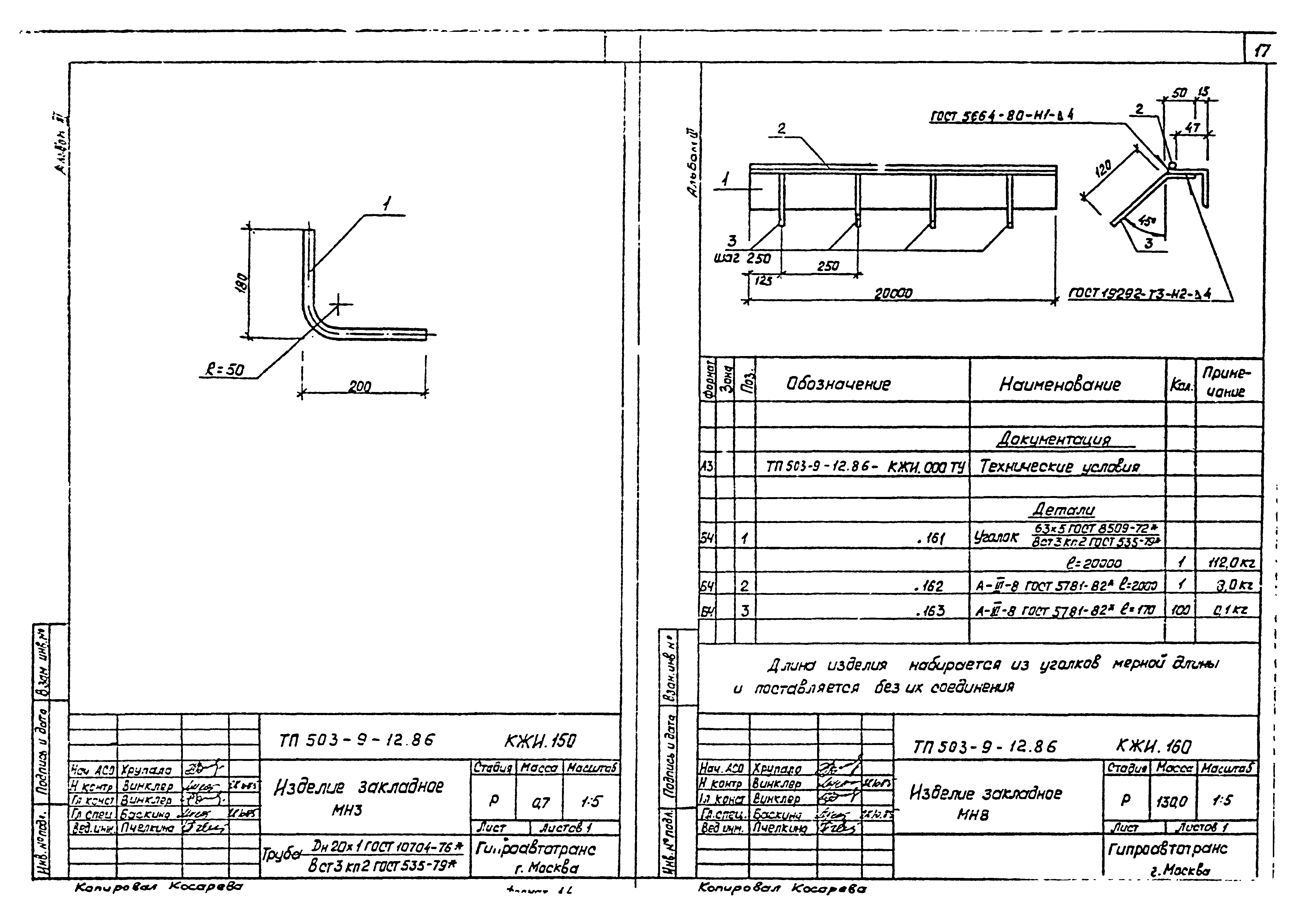
Скачать Типовой проект 503-9-12.86 Альбом III. Чертежи строительных изделийДата актуализации: 01.01.2021
|
| Обозначение: | Типовой проект 503-9-12.86 |
| Обозначение англ: | 503-9-12.86 |
| Статус: | заменен |
| Название рус.: | Альбом III. Чертежи строительных изделий |
| Дата добавления в базу: | 01.02.2017 |
| Дата актуализации: | 01.01.2021 |
| Дата введения: | 16.09.1985 |
| Дата окончания срока действия: | 28.12.1991 |
| Разработан: | Гипроавтотранс |
| Утверждён: | 16.09.1985 Министерство внутренних дел СССР (USSR Ministry of Internal Affairs 134-85) |
| Издан: | ЦИТП Госстроя СССР (CITP, Gosstroy (USSR) 1986 г. ) |
| Чем заменён: |































