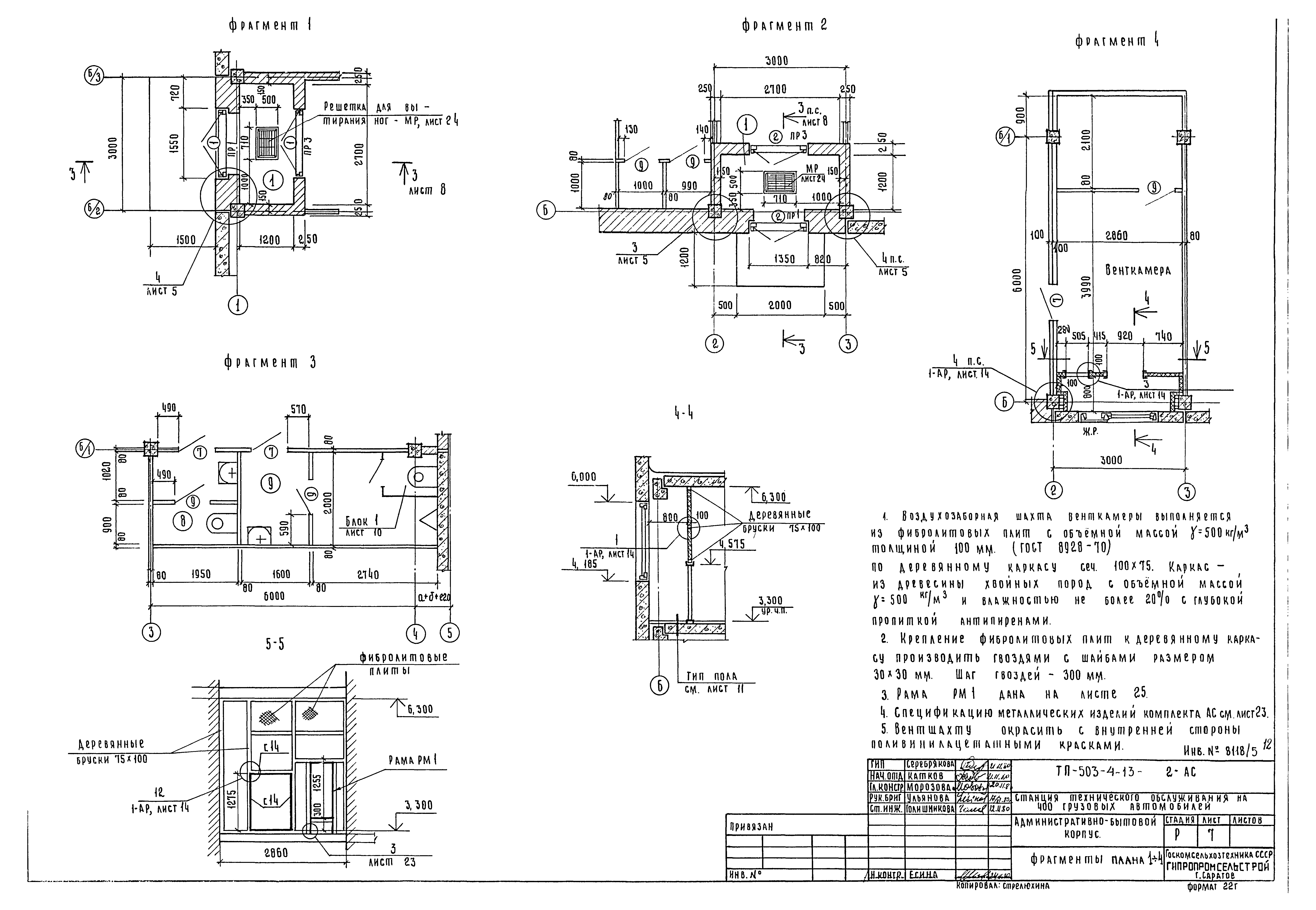
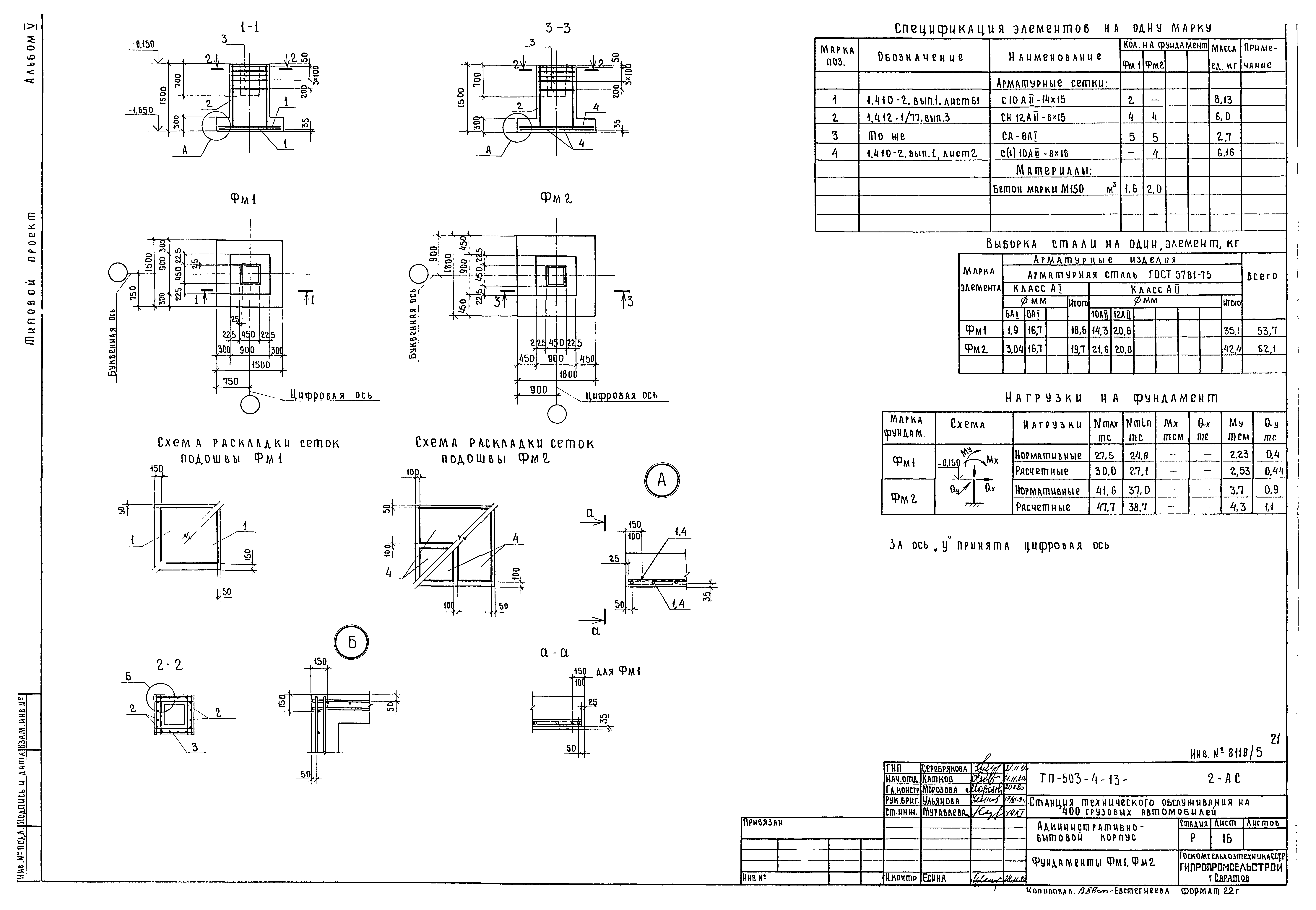
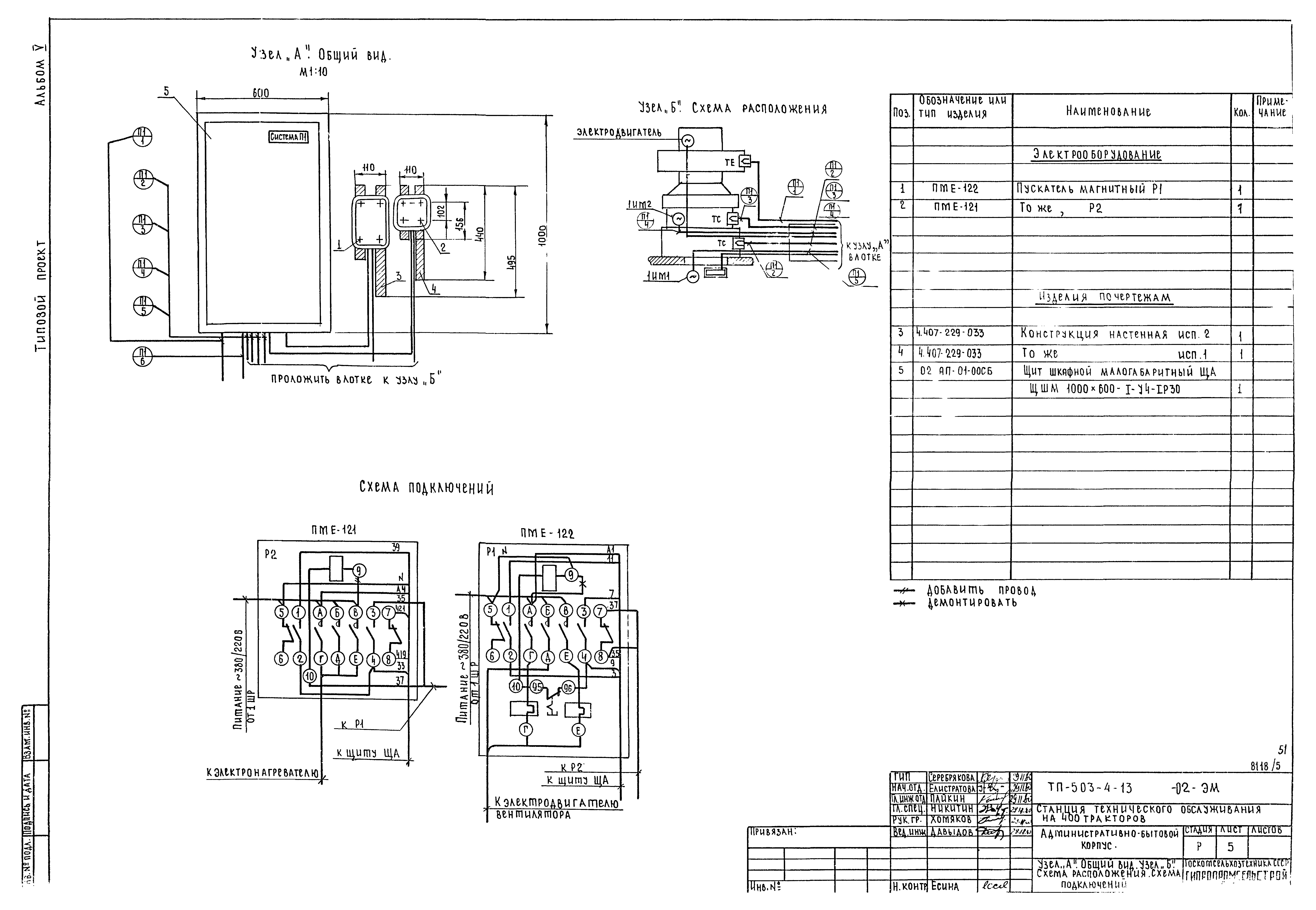
Скачать Типовой проект 503-4-13 Альбом V. Административно-бытовой корпус. Технология производства. Архитектурно-строительные решения. Внутренние водопровод и канализация. Отопление, вентиляция и кондиционирование воздуха. Силовое электрооборудование. Электрическое освещение. Автоматизация производства. Связь и сигнализацияДата актуализации: 01.01.2021 Типовой проект 503-4-13
Альбом V. Административно-бытовой корпус. Технология производства. Архитектурно-строительные решения. Внутренние водопровод и канализация. Отопление, вентиляция и кондиционирование воздуха. Силовое электрооборудование. Электрическое освещение. Автоматизация производства. Связь и сигнализация| Обозначение: | Типовой проект 503-4-13 | | Обозначение англ: | 503-4-13 | | Статус: | действует | | Название рус.: | Альбом V. Административно-бытовой корпус. Технология производства. Архитектурно-строительные решения. Внутренние водопровод и канализация. Отопление, вентиляция и кондиционирование воздуха. Силовое электрооборудование. Электрическое освещение. Автоматизация производства. Связь и сигнализация | | Дата добавления в базу: | 01.02.2017 | | Дата актуализации: | 01.01.2021 | | Дата введения: | 15.06.1981 | | Разработан: | Гипропромсельстрой
| | Утверждён: | 25.05.1980 Госкомсельхозтехника СССР (36)
| | Издан: | ЦИТП Госстроя СССР (CITP, Gosstroy (USSR) 1982 г. )
|
                                                                
|