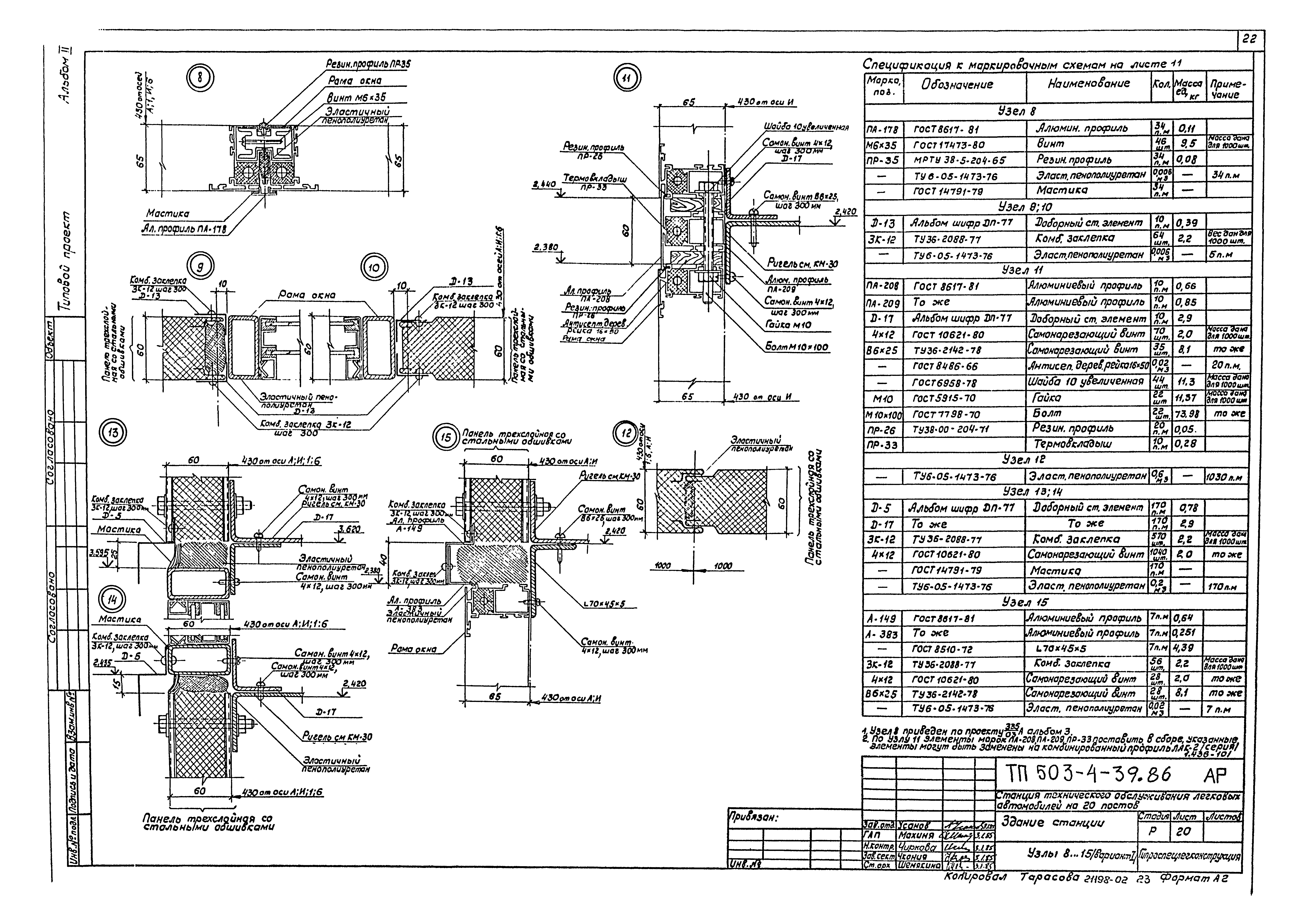
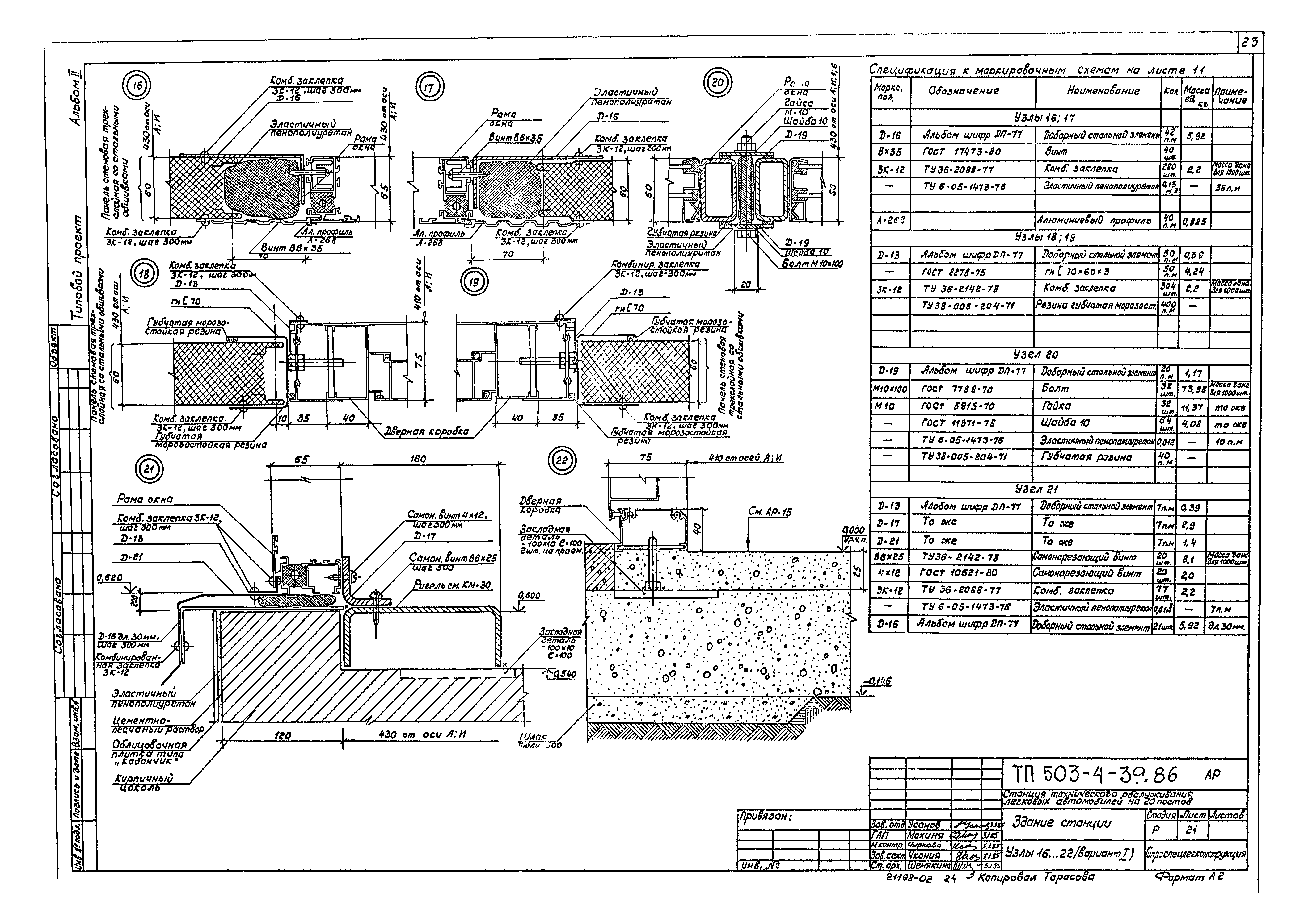
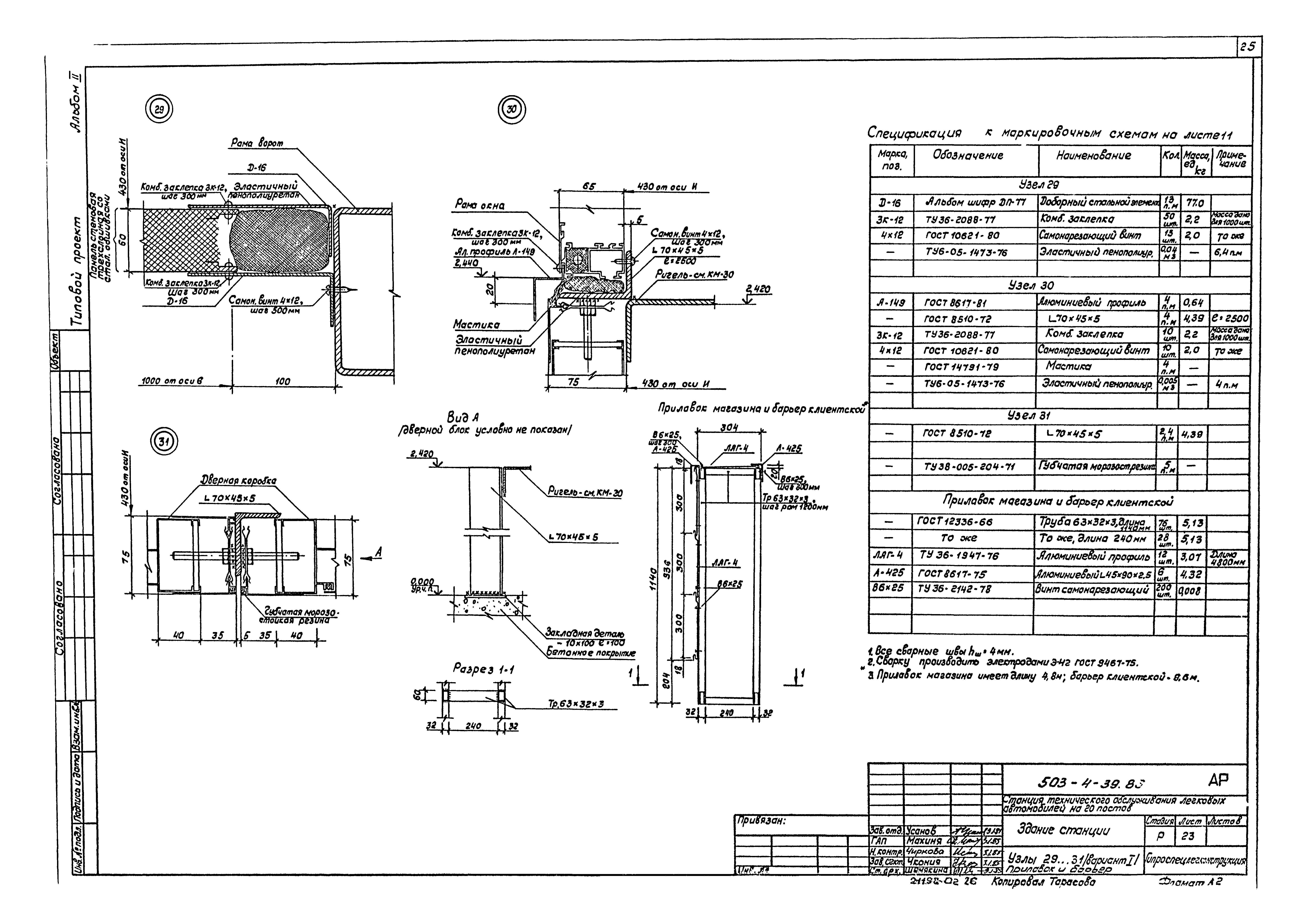
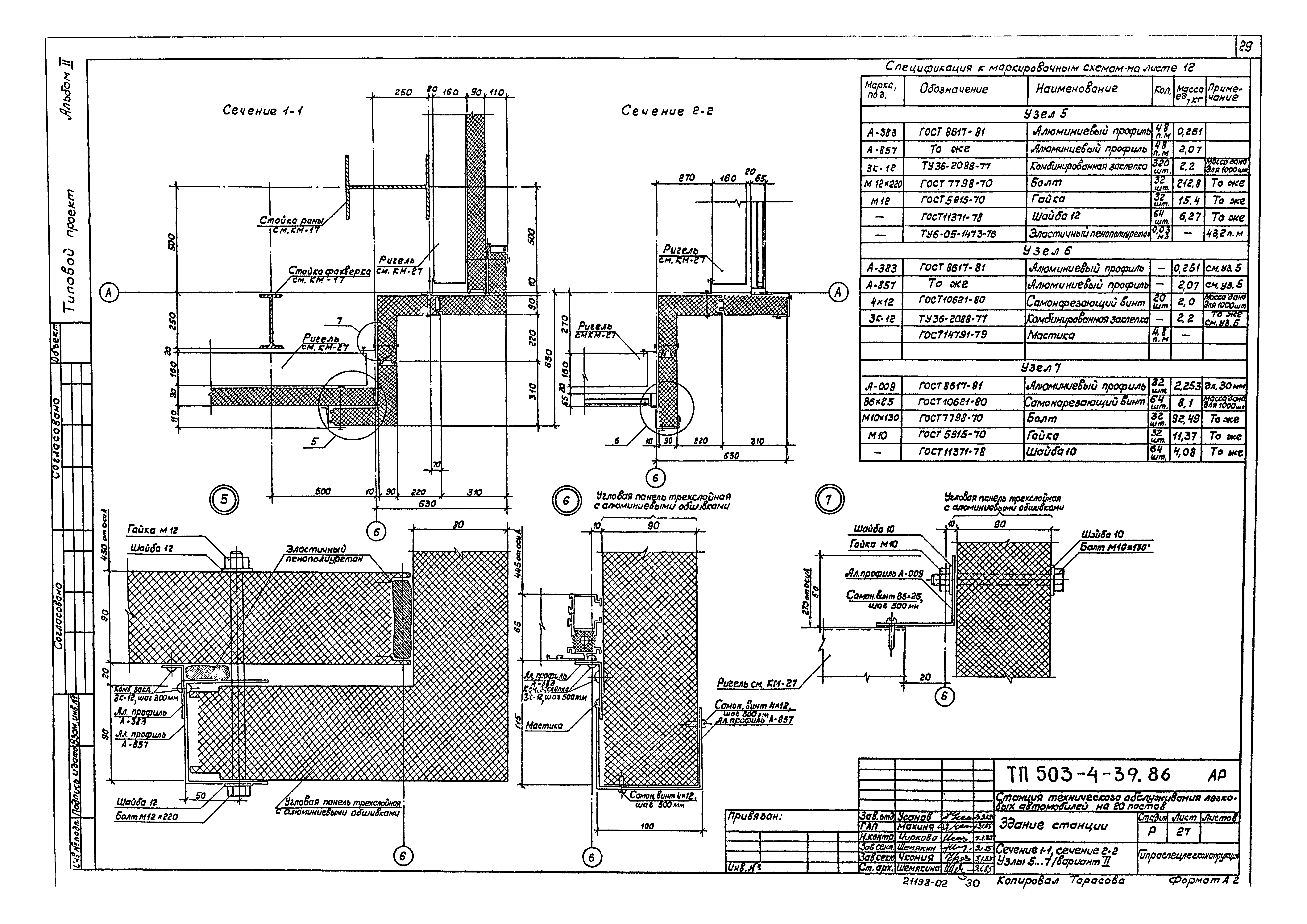
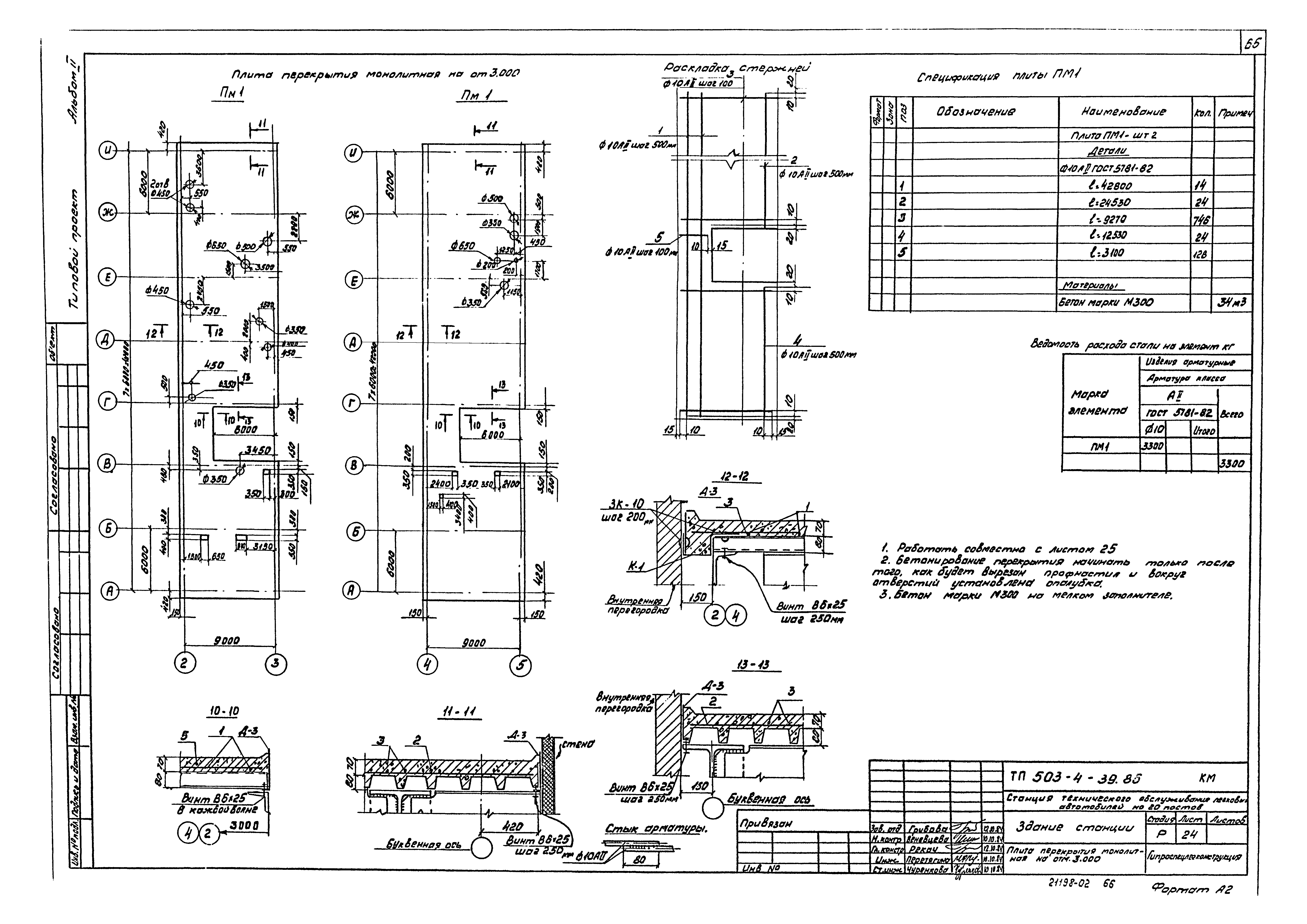
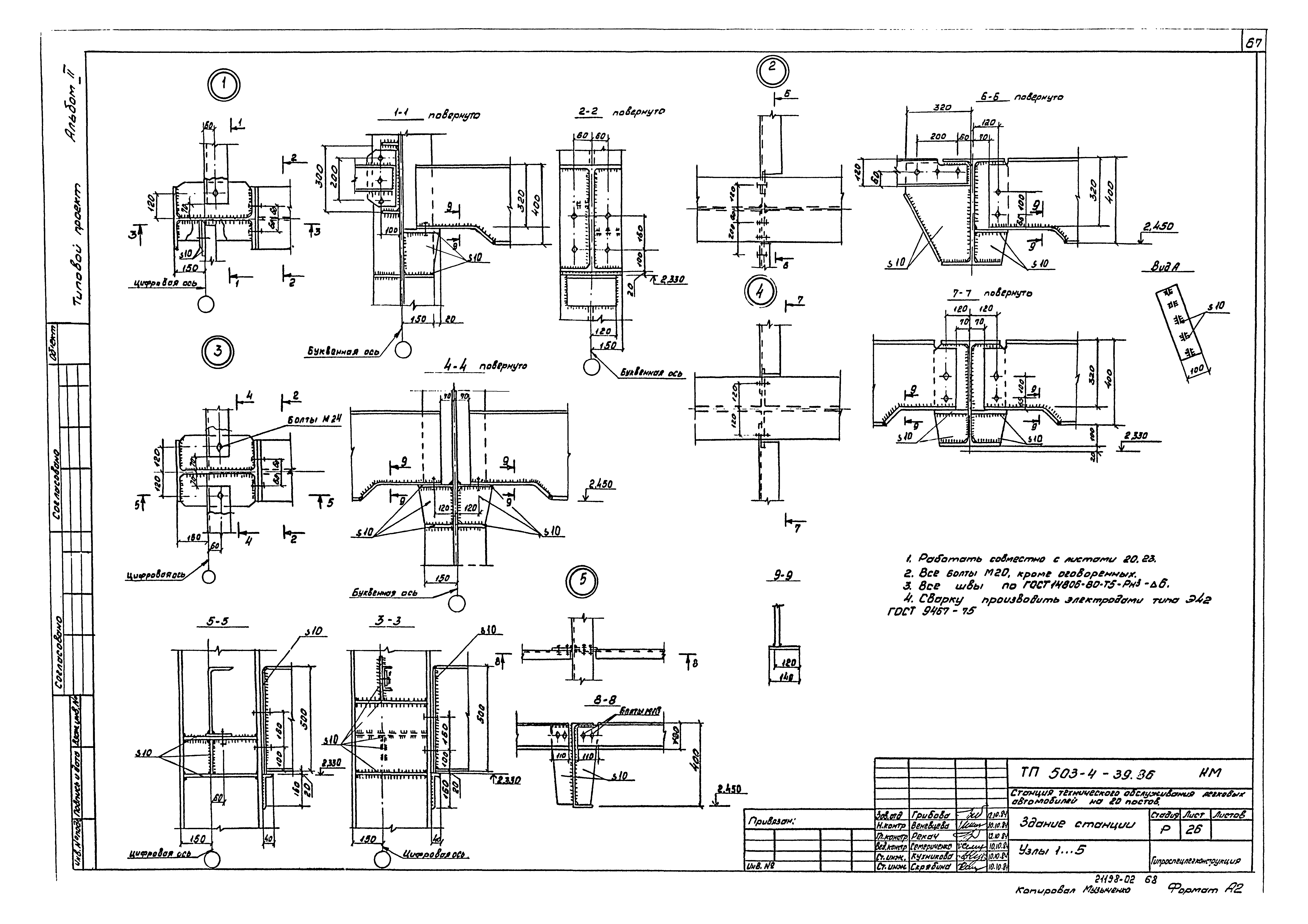
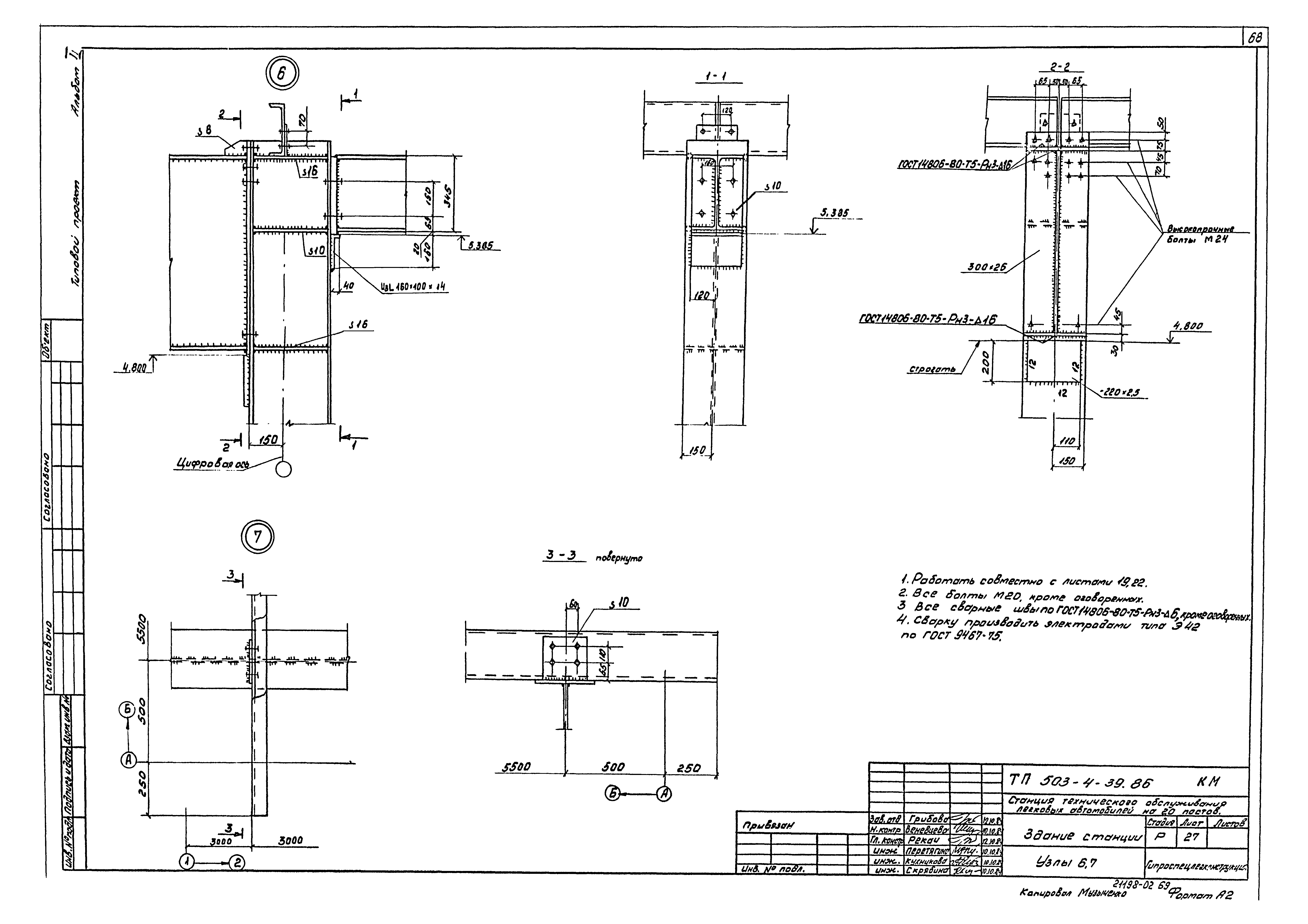
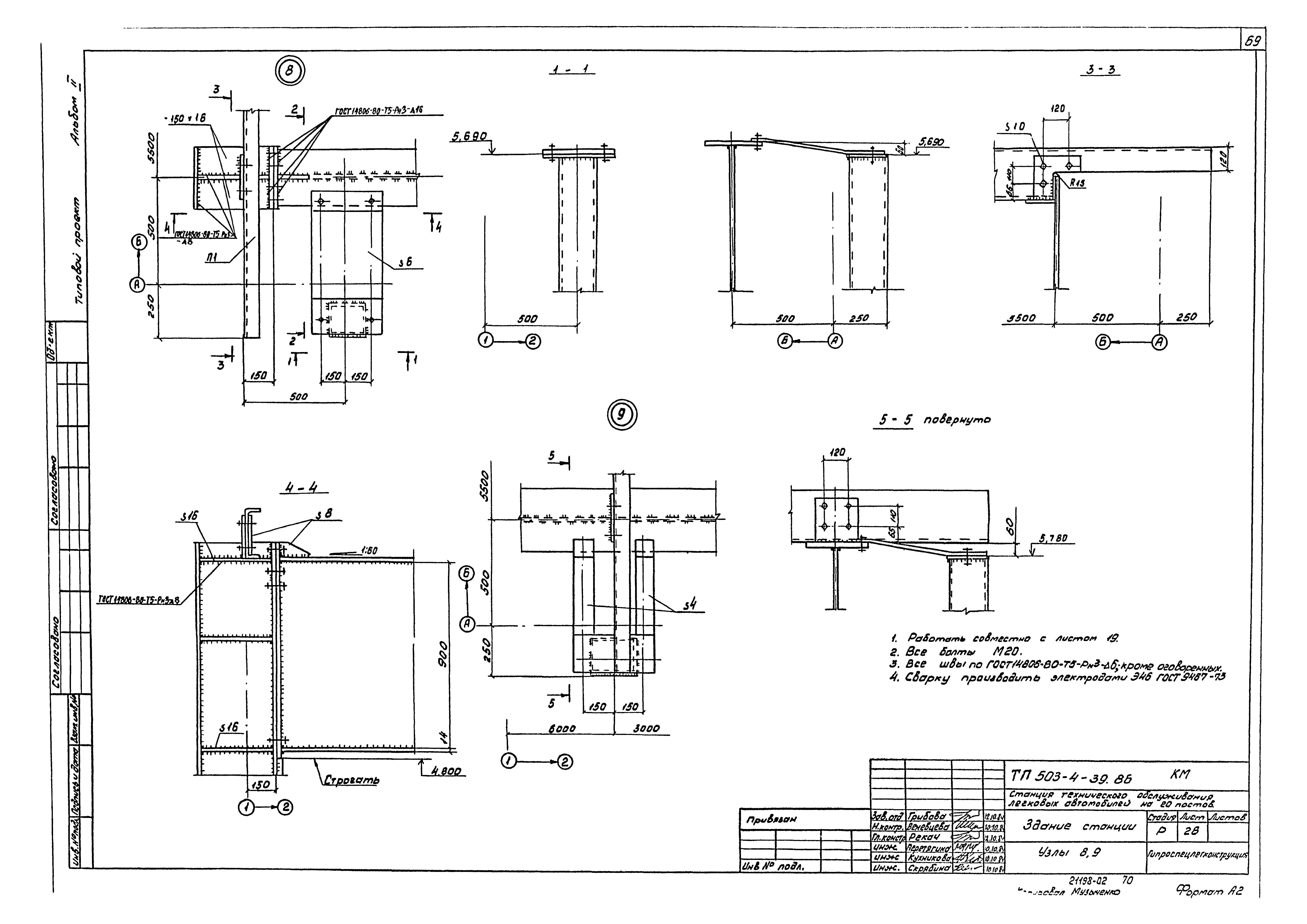
Скачать Типовой проект 503-4-39.86 Альбом II. Архитектурные решения. Конструкции металлическиеДата актуализации: 01.01.2021
|
| Обозначение: | Типовой проект 503-4-39.86 |
| Обозначение англ: | 503-4-39.86 |
| Статус: | действует |
| Название рус.: | Альбом II. Архитектурные решения. Конструкции металлические |
| Дата добавления в базу: | 01.02.2017 |
| Дата актуализации: | 01.01.2021 |
| Дата введения: | 19.08.1985 |
| Разработан: | Гипроавтотранс |
| Утверждён: | 19.08.1985 Минавтопром СССР (USSR Minavtoprom 11) |
| Издан: | ЦИТП Госстроя СССР (CITP, Gosstroy (USSR) 1986 г. ) |
| Нормативные ссылки: |














































































