Скачать Основные эксплуатационно-технические параметры забойного оборудования. Методическое пособие по выбору оборудования

Дата актуализации: 01.01.2021

Основные эксплуатационно-технические параметры забойного оборудования. Методическое пособие по выбору оборудования

Статус:справочные материалы, мп, тпр
Название рус.:Основные эксплуатационно-технические параметры забойного оборудования. Методическое пособие по выбору оборудования
Дата добавления в базу:01.02.2017
Дата актуализации:01.01.2021
Область применения:В сборнике впервые по определенной классификации приводятся как параметры различного типа машин, так и их конструктивные особенности. В документе приводятся рекомендации по области применения крепей по устойчивости непосредственной и обрушаемости основной кровли
Оглавление:Технические характеристики узкозахватных выемочных комбайнов для пластов полого падения
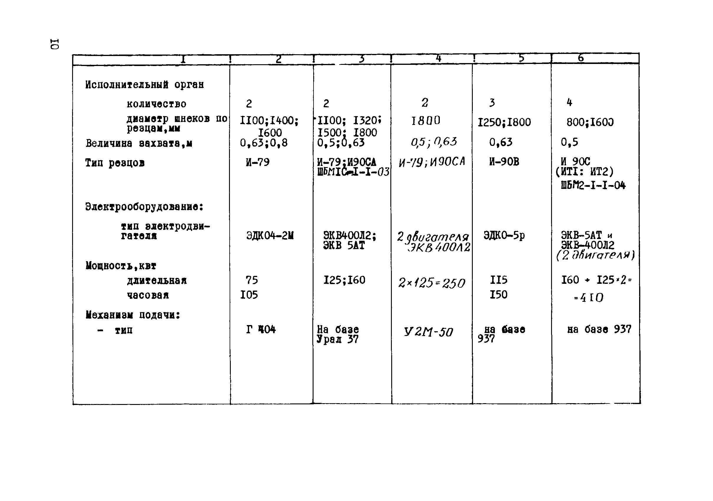
   1. Комбайны со шнековым исполнительным органом
   2. Комбайн с буровым исполнительным органом и вертикальным барабаном
Технические характеристики струговых и скрепероструговых установок
Технические и эксплуатационные данные механизированных крепей для пластов полого и наклонного падения (0 - 35 градусов)
Технические и эксплуатационные данные механизированных крепей для пластов крутого падения (40 - 90 градусов)
Гидравлические стойки ГСТ
Гидравлические стойки Г5 - Г8
Стойки посадочные СГП-3А
Подземные скребковые конвейеры (разборные)
Подземные скребковые конвейеры (неразборные)
Скребковые конвейеры
Графики длины конвейеров
Характеристика комбайновых электродвигателей
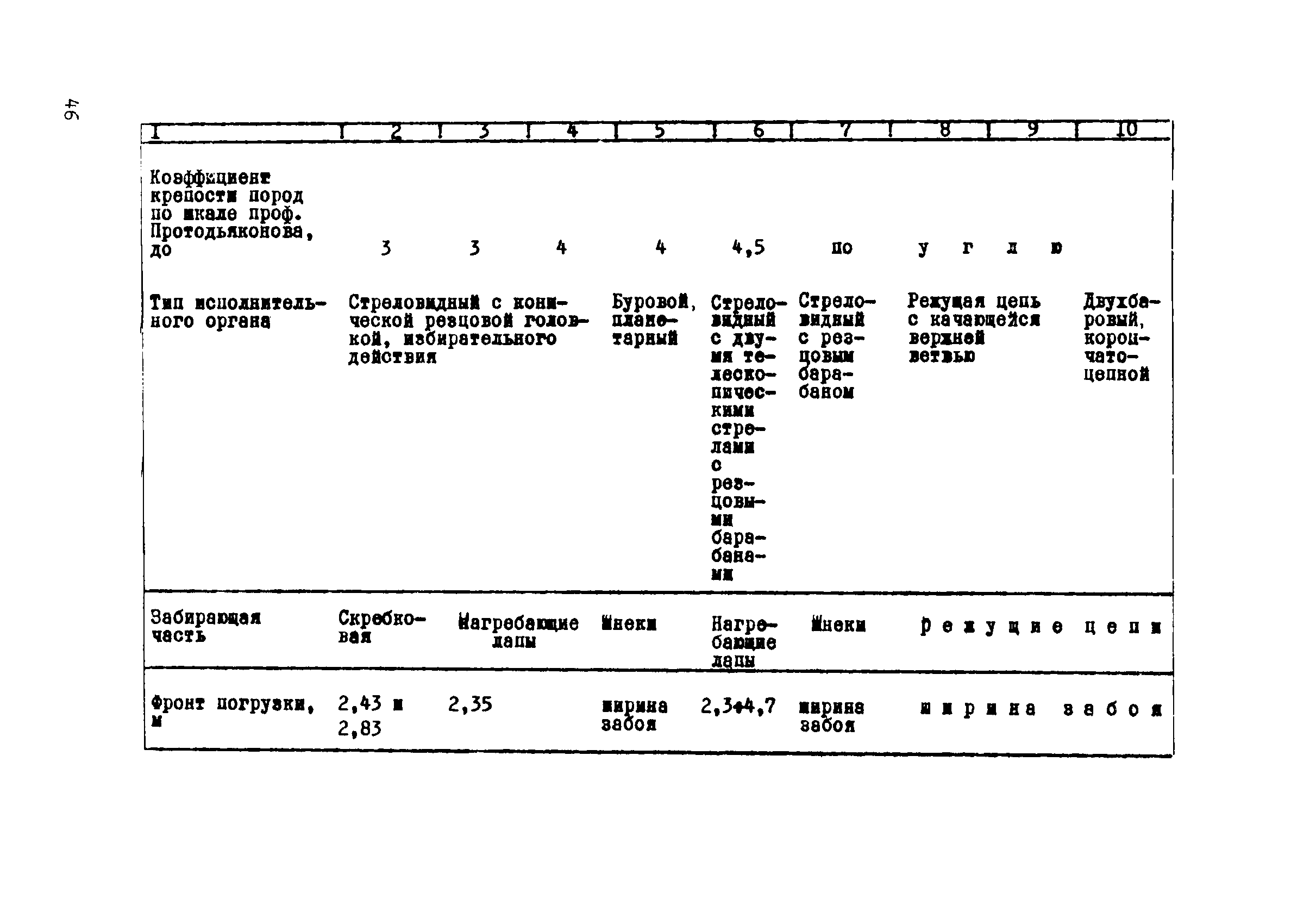
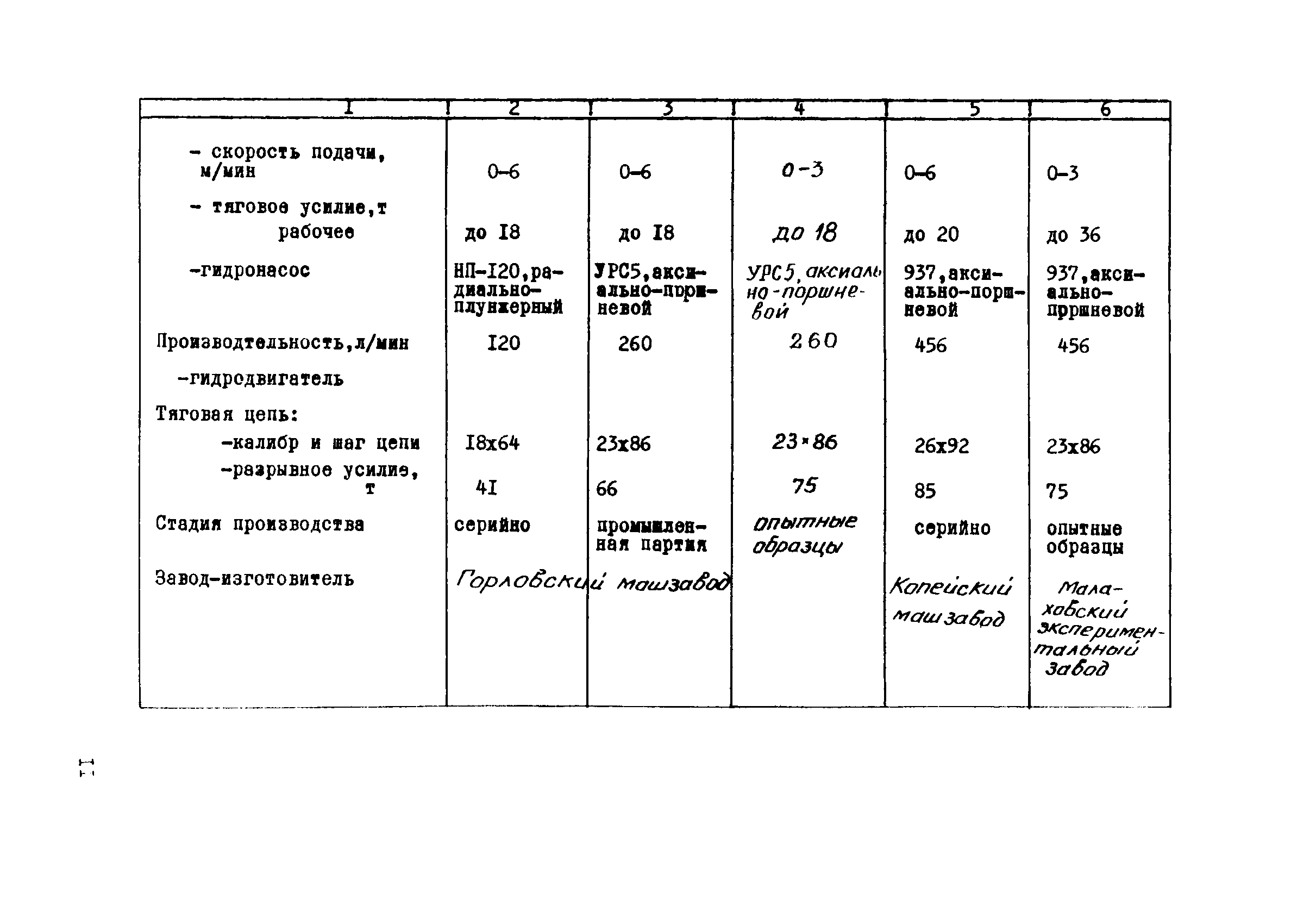
Технические характеристики углепроходческих и нарезных комбайнов
Технические характеристики породопроходческих комбайнов
Технические характеристики шахтных погрузочных машин
Разработан: ИГД им. А.А. Скочинского
Утверждён: Министерство угольной промышленности СССР (USSR Ministry of the Coal Industry )
Издан: ИГД им. А.А. Скочинского (1971 г. )