Скачать Временное положение о планово-предупредительном ремонте путевых машин, механизмов и оборудованияДата актуализации: 01.01.2021
Временное положение о планово-предупредительном ремонте путевых машин, механизмов и оборудования| Статус: | справочные материалы, мп, тпр | | Название рус.: | Временное положение о планово-предупредительном ремонте путевых машин, механизмов и оборудования | | Дата добавления в базу: | 01.02.2017 | | Дата актуализации: | 01.01.2021 | | Область применения: | Положение о планово-предупредительном ремонте является обязательным для всех предприятий и организаций железнодорожного транспорта, эксплуатирующих и ремонтирующих путевые машины, механизмы и оборудование.
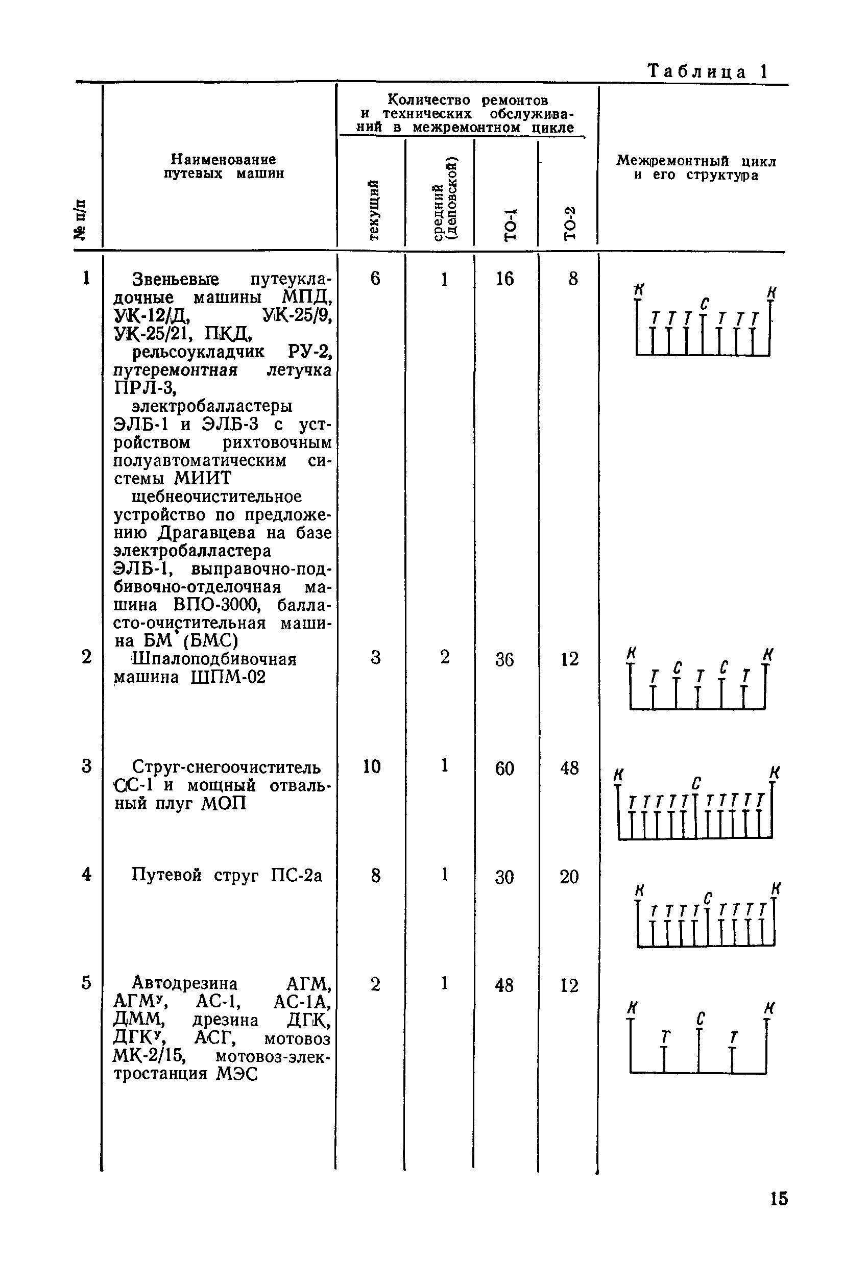
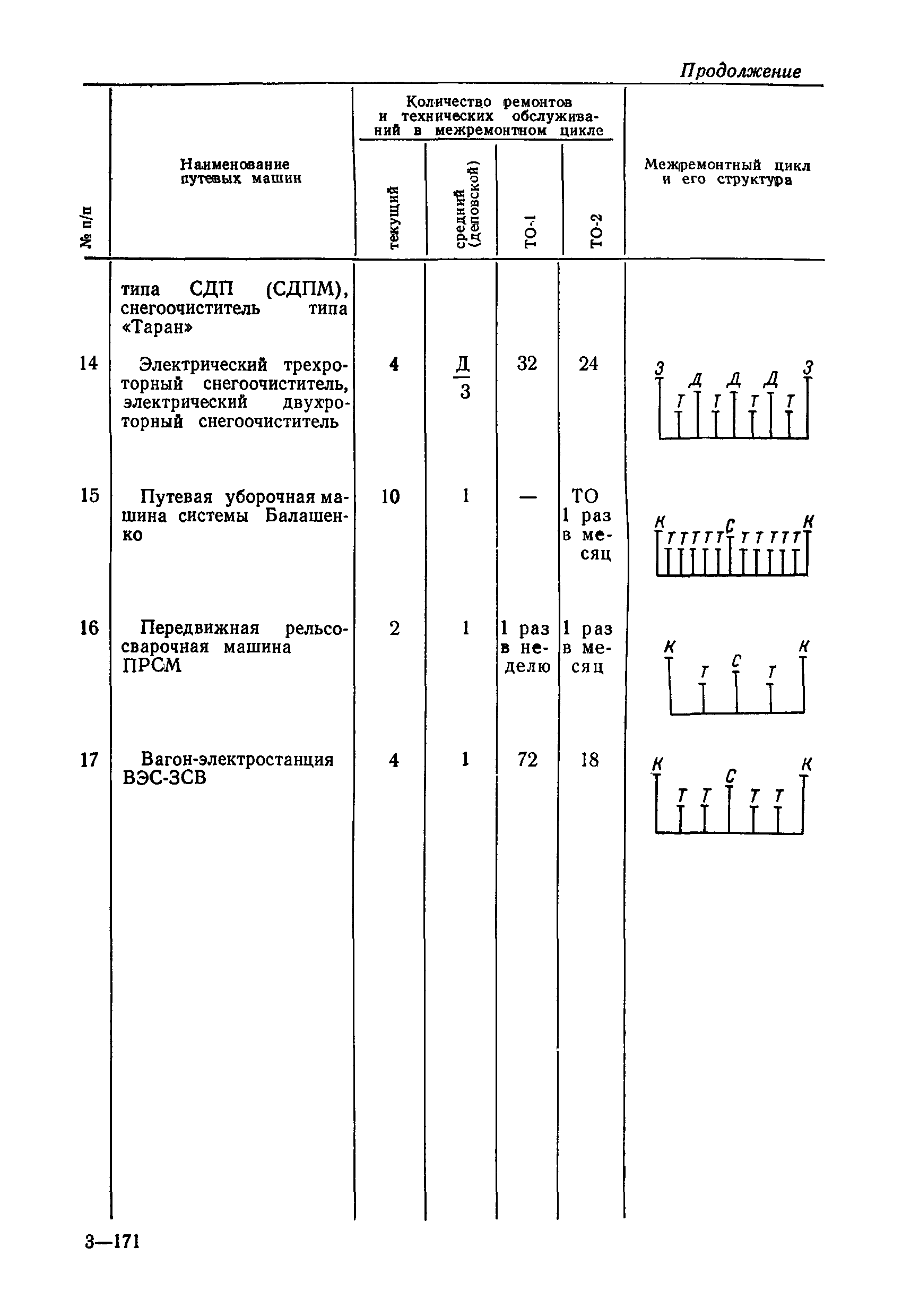
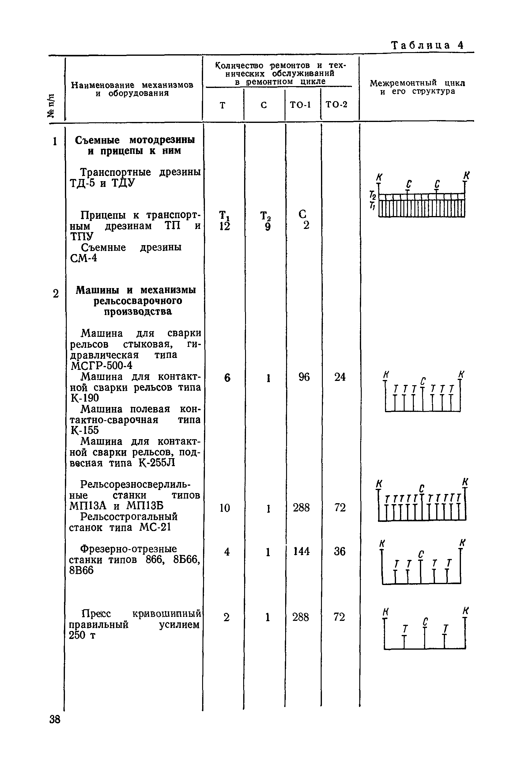
Положение устанавливает принципиальные основы технического обслуживания и ремонта путевых машин, механизмов и оборудования, направленные на улучшение показателей их использования. | | Оглавление: | 1. Общие положения 2. Основная техническая документация на путевые машины, механизмы и оборудование 3. Планирование ремонта путевых машин, механизмов и оборудования 4. Сдача путевых машин, механизмов, оборудования в ремонт и получение их из ремонта 5. Материалы, запасные части и изделия для ремонта 6. Модернизация путевых машин, механизмов и оборудования Часть I. Положение о планово-предупредительном ремонте путевых машин 7. Виды обслуживаний и ремонтов путевых машин Состав работ по техническому обслуживанию путевых машин Состав работ по ремонту путевых машин 8. Контроль-технический осмотр 9. Порядок хранения и консервации путевых машин 10. Межремонтные циклы путевых машин Часть II. Положение о планово-предупредительном ремонте механизмов и оборудования 11. Номенклатура механизмов и оборудования 12. Виды обслуживаний и ремонтов механизмов и оборудования 13. Состав работ по техническому обслуживанию (осмотру) и ремонту механизмов и оборудования 13.1. Съемные мотодрезины и прицепы к ним 13.2. Оборудование рельсосварочного производства 13.3. Оборудование для ремонта шпал 13.4. Энергосиловые установки 13.5. Компрессорные станции и компрессоры 13.6. Краны для путевых баз 14. Межремонтные циклы механизмов и оборудования Приложение 1. Перечень действующих правил ремонта путевых машин, механизмов и оборудования Приложение 2. Перечень технической документации, требования которой при ремонте и техническом обслуживании обязательны Приложение 3. Формы документации | | Разработан: | Министерство путей сообщения СССР
| | Утверждён: | 22.11.1973 Заместитель министра путей сообщения
| | Издан: | Транспорт (1974 г. )
|
                                                                               
|