Скачать Временная методика определения плановых и фактических показателей экономической эффективности внедрения научно-технических мероприятий в угольной промышленности

Дата актуализации: 01.01.2021

Временная методика определения плановых и фактических показателей экономической эффективности внедрения научно-технических мероприятий в угольной промышленности

Статус:справочные материалы, мп, тпр
Название рус.:Временная методика определения плановых и фактических показателей экономической эффективности внедрения научно-технических мероприятий в угольной промышленности
Дата добавления в базу:05.05.2017
Дата актуализации:01.01.2021
Область применения:Методика содержит перечень показателей экономической эффективности по внедрению научно-технических мероприятий в угольной промышленности, порядок их планирования и утверждения, методы расчета для отражения в планах повышения технического уровня и в формах государственной статистической отчетности.
Оглавление:1. Общие положения
2. Порядок планирования и утверждения показателей экономической эффективности
3. Показатели экономической эффективности внедрения научно-технических мероприятий
4. Методы расчета показателей экономической эффективности научно-технических мероприятий
5. Отражение показателей эффективности новой техники в системе учета и отчетности
Литература
Приложение 1. Виды экономических эффектов, используемых при планировании и оценке эффективности новой техники
Приложение 2. Средневзвешенная балансовая стоимость очистного проходческого и транспортного оборудования
Приложение 3. Показатели себестоимости на очистных, подготовительных работах и подземном транспорте
Приложение 4. Средние оптовые цены товарных угольных продуктов, получаемых из 1 т горной массы в зависимости от ее зольности и сортности
Приложение 5. Коэффициенты фактического списочного состава по объединениям Минуглепрома СССР
Приложение 6. Количественная оценка важнейших факторов, определяющих изменение трудоемкости добычи угля подземным и открытым способом, и удельный вес численности рабочих по процессам производства в общей численности рабочих по добыче угля
Приложение 7. Укрупненные данные затрат материальных ресурсов
Приложение 8. Временные укрупненные показатели экономической эффективности важнейших мероприятий народнохозяйственного, отраслевого и планов производственных объединений
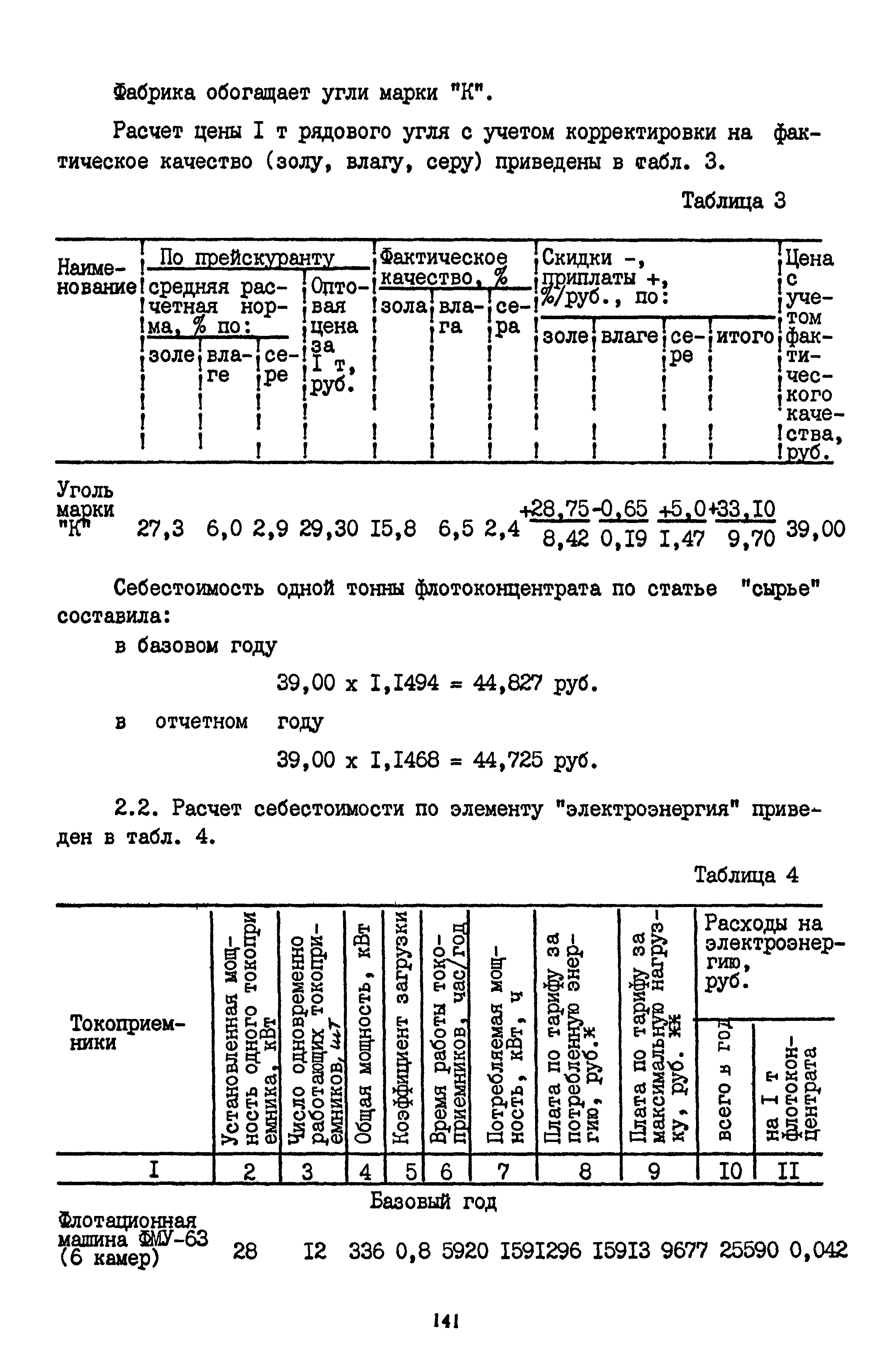
Приложение 9. Примеры укрупненных и детальных расчетов показателей экономической эффективности внедрения научно-технических мероприятий
Разработан: Минуглепром СССР
УкрНИИуглеобогащение
ДонУГИ
ИГД им. А.А. Скочинского
ЦНИЭИуголь
Утверждён: Заместитель Министра угольной промышленности СССР