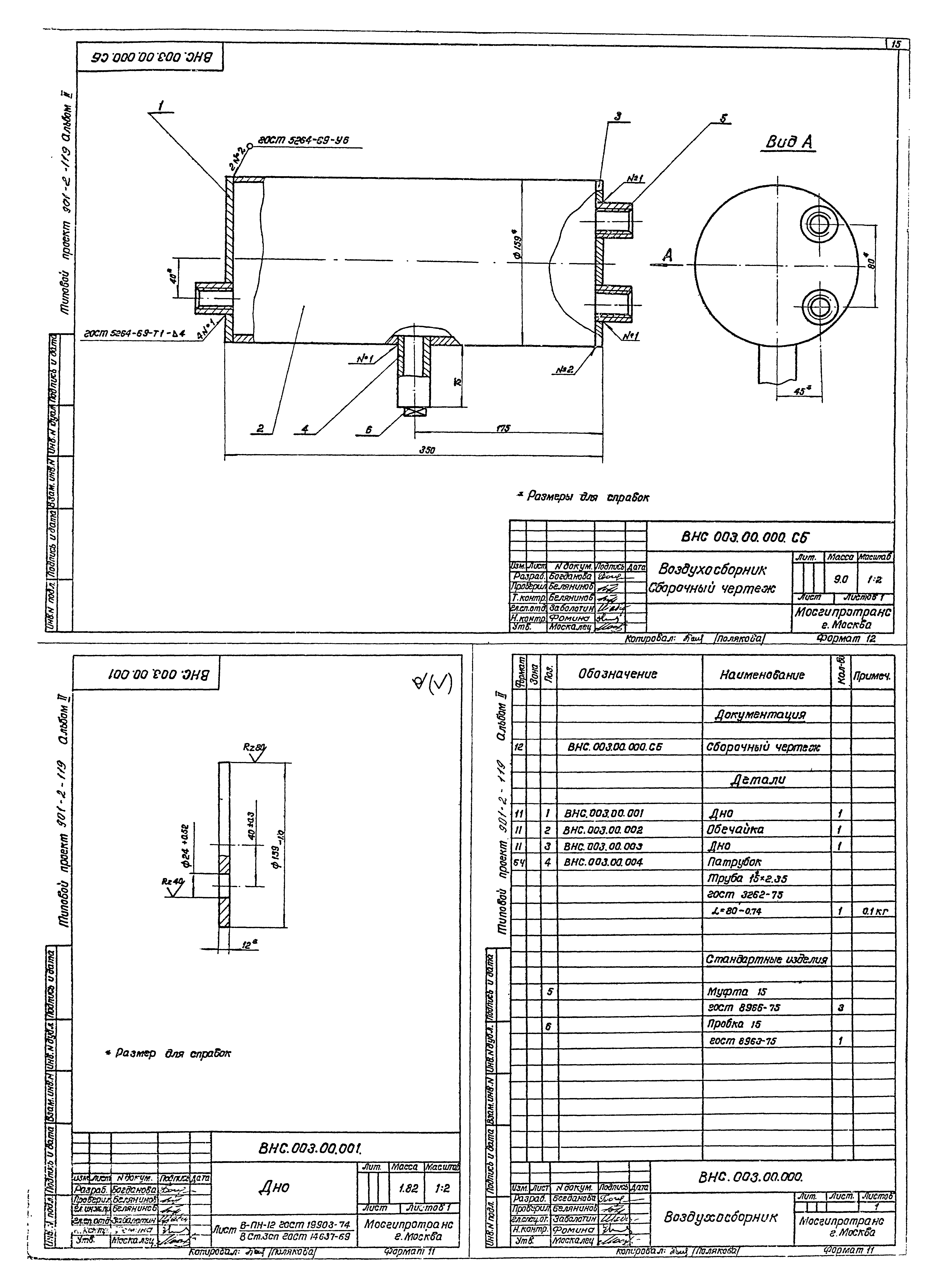
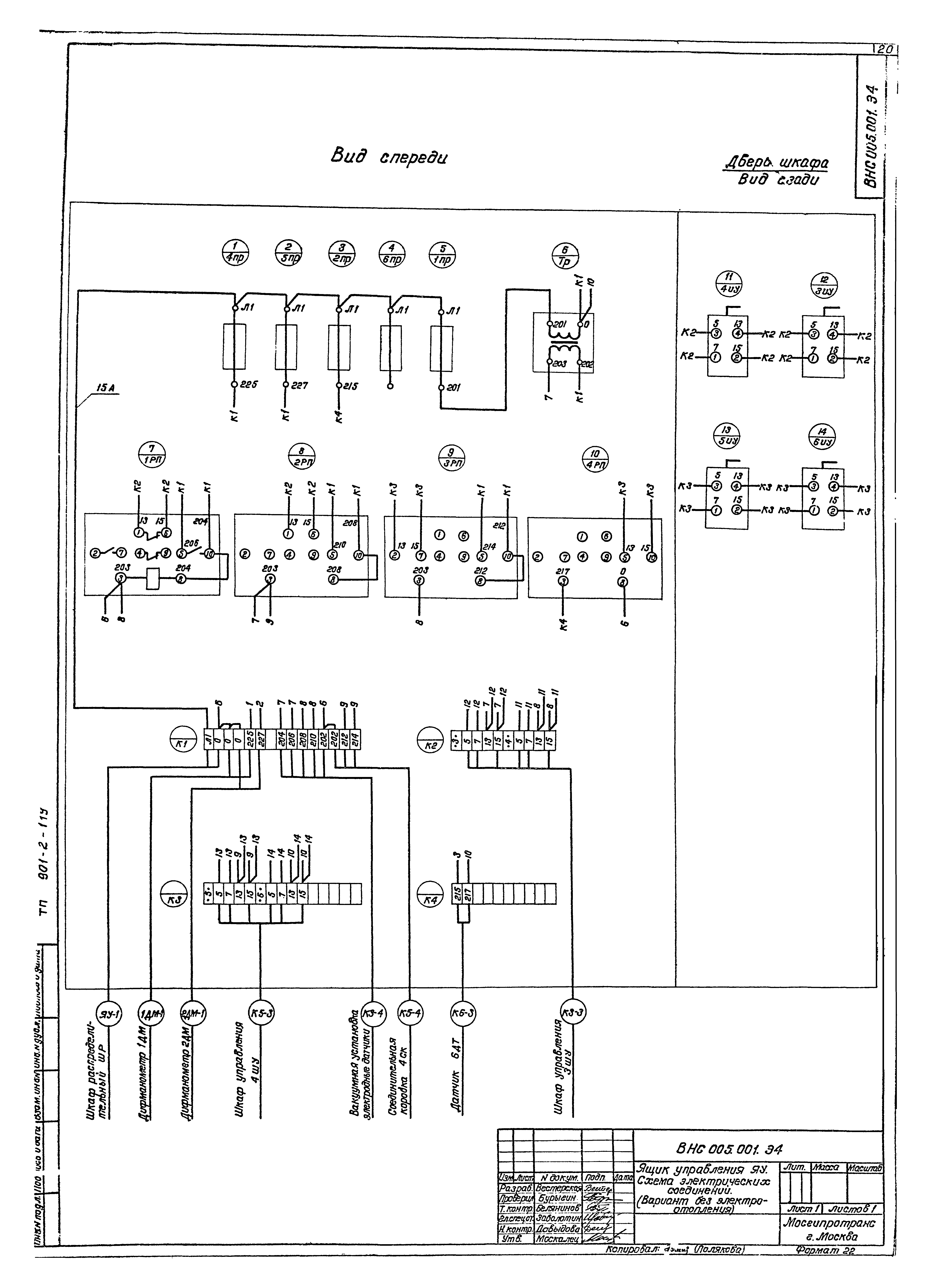
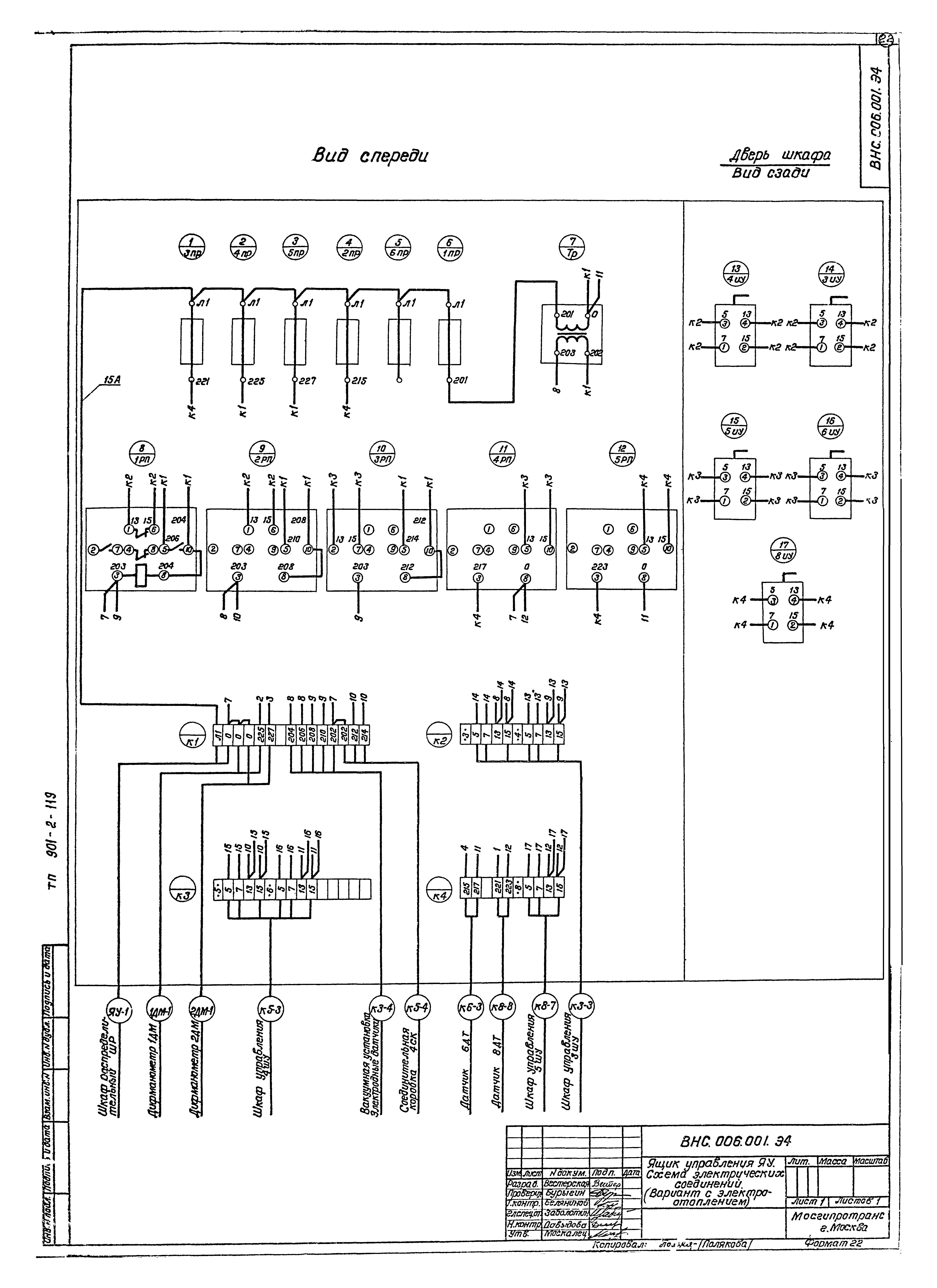
Скачать Типовой проект 901-2-119 Альбом II. Нестандартизированное оборудование и чертежи задания заводу-изготовителюДата актуализации: 01.01.2021 Типовой проект 901-2-119
Альбом II. Нестандартизированное оборудование и чертежи задания заводу-изготовителю| Обозначение: | Типовой проект 901-2-119 | | Обозначение англ: | 901-2-119 | | Статус: | заменен | | Название рус.: | Альбом II. Нестандартизированное оборудование и чертежи задания заводу-изготовителю | | Дата добавления в базу: | 01.02.2017 | | Дата актуализации: | 01.01.2021 | | Дата введения: | 01.11.1980 | | Дата окончания срока действия: | 01.06.1989 | | Разработан: | Мосгипротранс
| | Утверждён: | 08.09.1980 Министерство транспортного строительства СССР (USSR Ministry of Transport Construction Л-1204)
| | Издан: | ЦИТП Госстроя СССР (CITP, Gosstroy (USSR) 1981 г. )
| | Заменяет собой: | | | Чем заменён: | |
                      
|