Скачать Методика санитарно-гигиенической оценки состояния окружающей среды на предприятиях гражданской авиацииДата актуализации: 01.01.2021 |
| Статус: | действует |
| Название рус.: | Методика санитарно-гигиенической оценки состояния окружающей среды на предприятиях гражданской авиации |
| Дата добавления в базу: | 01.02.2017 |
| Дата актуализации: | 01.01.2021 |
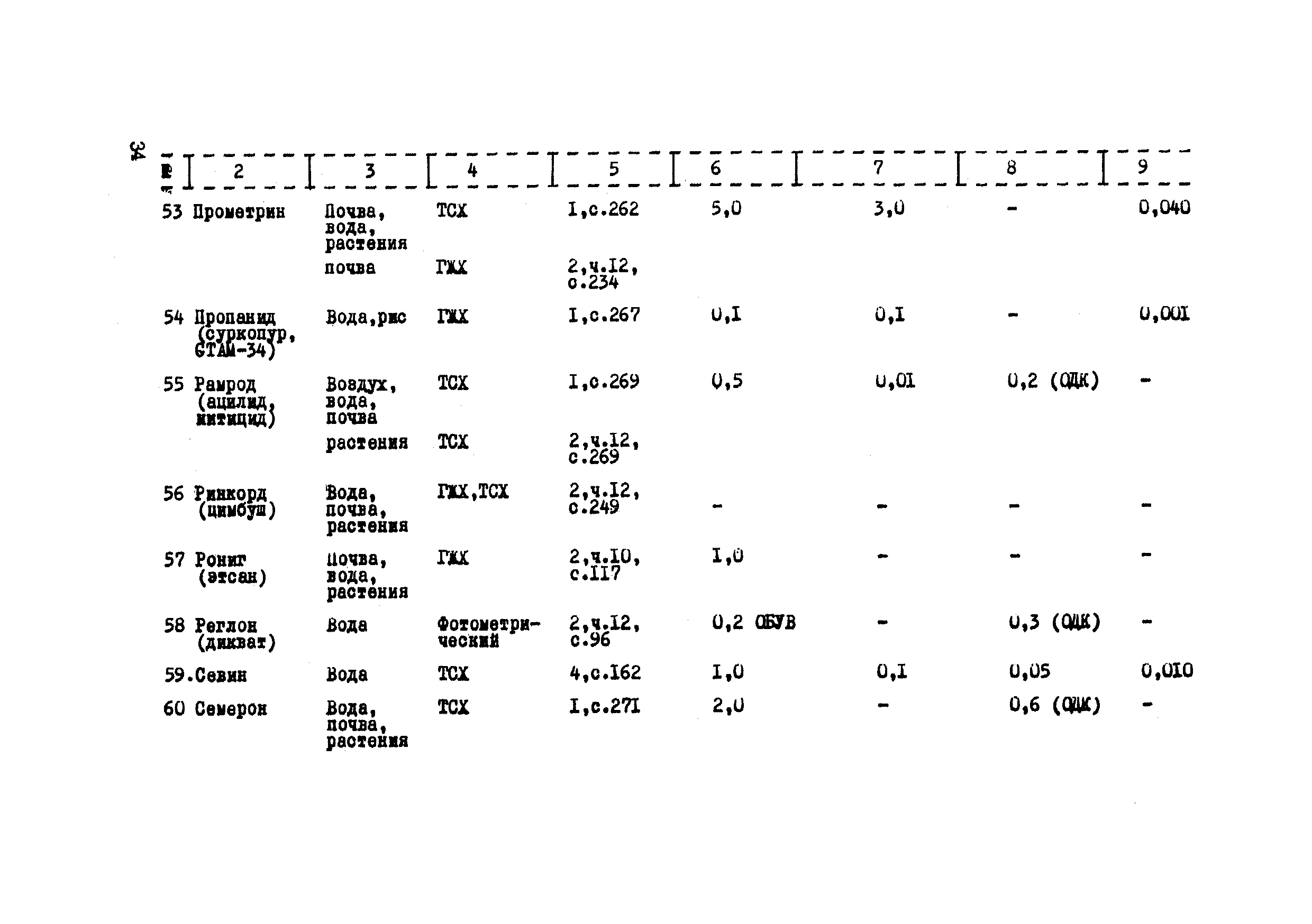
| Оглавление: | 1. Проведение санитарно-гигиенического контроля за уровнем загрязненности воздуха в аэропортах и других эксплуатационных предприятиях ГА. Оценка полученных результатов 2. Методика расчета, установления и контроля нормативов предельно допустимых выбросов (ПДВ) 3. Методика определения и контроля норм предельно допустимых сбросов (ПДС) веществ, поступающих в водные объекты со сточными водами предприятий ГА 4. Санитарно-гигиеническая оценка загрязненности сточных вод, сбрасываемых предприятиями ГА в окружающую среду и канализационную систему города 5. Методика санитарно-гигиенической оценки состояния объектов окружающей среды базовых предприятий ПАНХ Приложение 1. Протокол отбора и анализа проб атмосферного воздуха и воздуха рабочей зоны Приложение 2. Протокол отбора и анализа проб воды, почвы, растительности Приложение 3. Протокол отбора и анализа проб смывов Приложение 4. Протокол санитарно-гигиенического обследования базового предприятия ПАНХ Приложение 5. Рекомендуемые методы анализа химикатов в объектах внешней среды Дополнение к приложению 5. Чувствительность методов определения пестицидов в объектах внешней среды 6. Санитарно-гигиенический контроль за загрязненностью почв Литература |
| Разработан: | ГОСНИИГА |
| Утверждён: | 05.12.1984 Начальник МСУ МГА |
| Нормативные ссылки: |
|










































