Скачать ГОСТ Р 57359-2016 Конструкции бетонные. Правила изготовленияДата актуализации: 01.01.2021
|
| Обозначение: | ГОСТ Р 57359-2016 |
| Обозначение англ: | GOST R 57359-2016 |
| Статус: | приостановлено действие |
| Название рус.: | Конструкции бетонные. Правила изготовления |
| Название англ.: | Concrete structures. Execution rules |
| Дата добавления в базу: | 05.05.2017 |
| Дата актуализации: | 01.01.2021 |
| Дата введения: | 01.07.2017 |
| Дата окончания срока действия: | 14.01.2020 |
| Область применения: | Стандарт устанавливает общие требования к возведению бетонных и железобетонных конструкций. Он распространяется как на возведение монолитных конструкций, так и на использование сборных железобетонных изделий. |
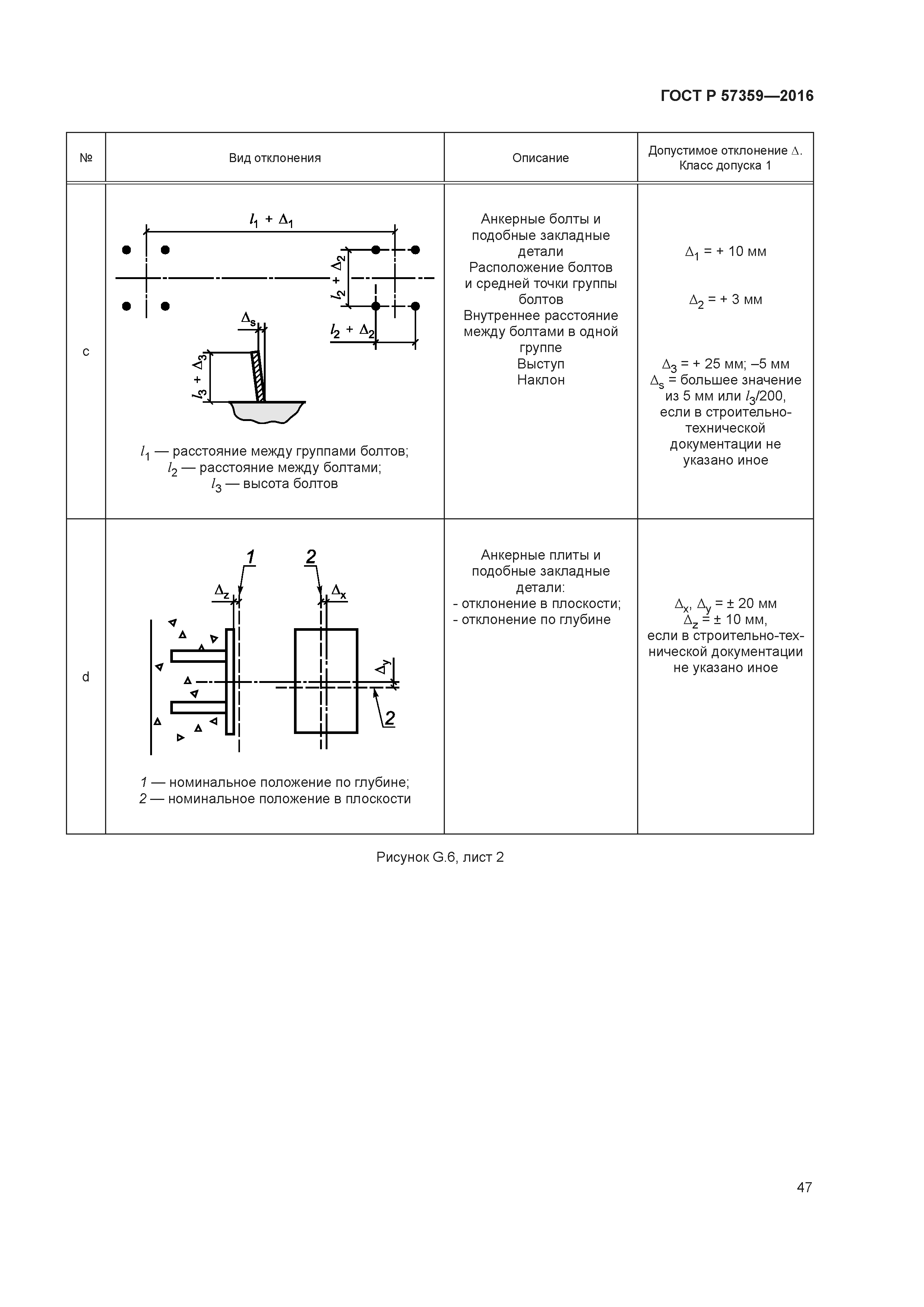
| Оглавление: | 1 Область применения 2 Нормативные ссылки 3 Термины и определения 4 Менеджмент при выполнении строительных работ 4.1 Допущения 4.2 Документация 4.3 Менеджмент качества 4.4 Меры в случае несоответствия 5 Строительные леса и опалубка 5.1 Основные требования 5.2 Строительные материалы 5.3 Определение параметров и монтаж строительных лесов 5.4 Проектирование и монтаж опалубки 5.5 Специальная опалубка 5.6 Закладные детали опалубки и закладные изделия 5.7 Демонтаж строительных лесов и опалубки 6 Арматура 6.1 Общие положения 6.2 Строительные материалы 6.3 Отгибание, резка, транспортирование и хранение арматуры 6.4 Сварка 6.5 Стыки арматуры 7 Предварительное напряжение 7.1 Общие положения 7.2 Строительные материалы 7.3 Транспортирование и хранение 7.4 Установка предварительно напряженных арматурных элементов 7.5 Предварительное напряжение 7.6 Защита от коррозии (инъецирование строительного цементного раствора, смазка) 8 Бетонирование 8.1 Технические требования к бетону 8.2 Подготовка к бетонированию 8.3 Транспортирование, приемка и перемещение свежей бетонной смеси по строительной площадке 8.4 Укладка и уплотнение 8.5 Уход за бетоном и его защита 8.6 Работы после бетонирования 8.7 Бетонирование составных конструкций 8.8 Лицевые поверхности 9 Выполнение строительных работ с применением сборных бетонных элементов 9.1 Общие положения 9.2 Сборные элементы заводского изготовления 9.3 Сборные элементы, изготовляемые на строительной площадке 9.4 Погрузка-разгрузка и хранение сборных элементов 9.5 Установка и выравнивание 9.6 Выполнение соединений и завершающие работы 10 Допуски на размеры 10.1 Общие положения 10.2 Система отсчета 10.3 Основания (фундаменты) 10.4 Колонны и стены 10.5 Балки и плиты 10.6 Поперечные сечения 10.7 Плоскостность поверхности и кромок 10.8 Допуски на отверстия и закладные детали Приложение А (обязательное) Указания по ведению документации Приложение В (обязательное) Указания по менеджменту качества Приложение С (справочное) Указания по проектированию строительных лесов и опалубки Приложение D (справочное) Указания по арматуре Приложение Е (справочное) Указания по предварительному напряжению Приложение F (справочное) Указания по бетонированию Приложение G (справочное) Указания по геометрическим допускам Приложение Н (справочное) Указания по содержанию национального приложения Приложение ДА (справочное) Сведения о соответствии ссылочных международных и европейских стандартов и документов национальным стандартам Библиография |
| Разработан: | ФГУП СТАНДАРТИНФОРМ НИИЖБ им. А.А. Гвоздева АО НИЦ Строительство |
| Утверждён: | 13.12.2016 Федеральное агентство по техническому регулированию и метрологии (2029-ст) |
| Издан: | Стандартинформ (2017 г. ) |
| Нормативные ссылки: |

























































