Скачать ГОСТ Р 57439-2017 Приборы полупроводниковые. Основные размерыДата актуализации: 01.01.2021
|
| Обозначение: | ГОСТ Р 57439-2017 |
| Обозначение англ: | GOST R 57439-2017 |
| Статус: | введен впервые |
| Название рус.: | Приборы полупроводниковые. Основные размеры |
| Название англ.: | Semiconductor devices. Basic dimensions |
| Дата добавления в базу: | 01.01.2018 |
| Дата актуализации: | 01.01.2021 |
| Дата введения: | 01.08.2017 |
| Область применения: | Стандарт распространяется на приборы полупроводниковые в корпусах и устанавливает их основные габаритные, установочные и присоединительные размеры. |
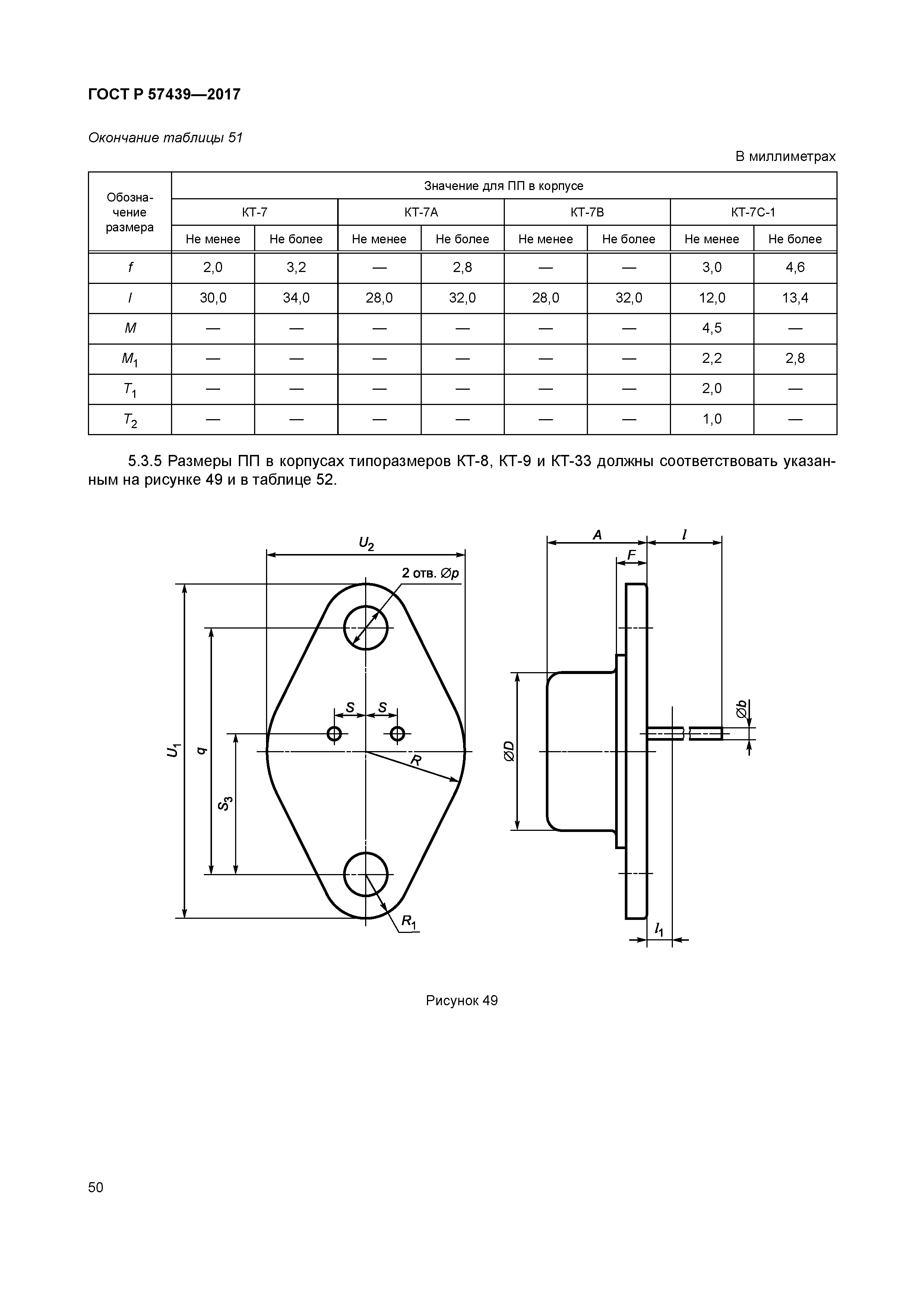
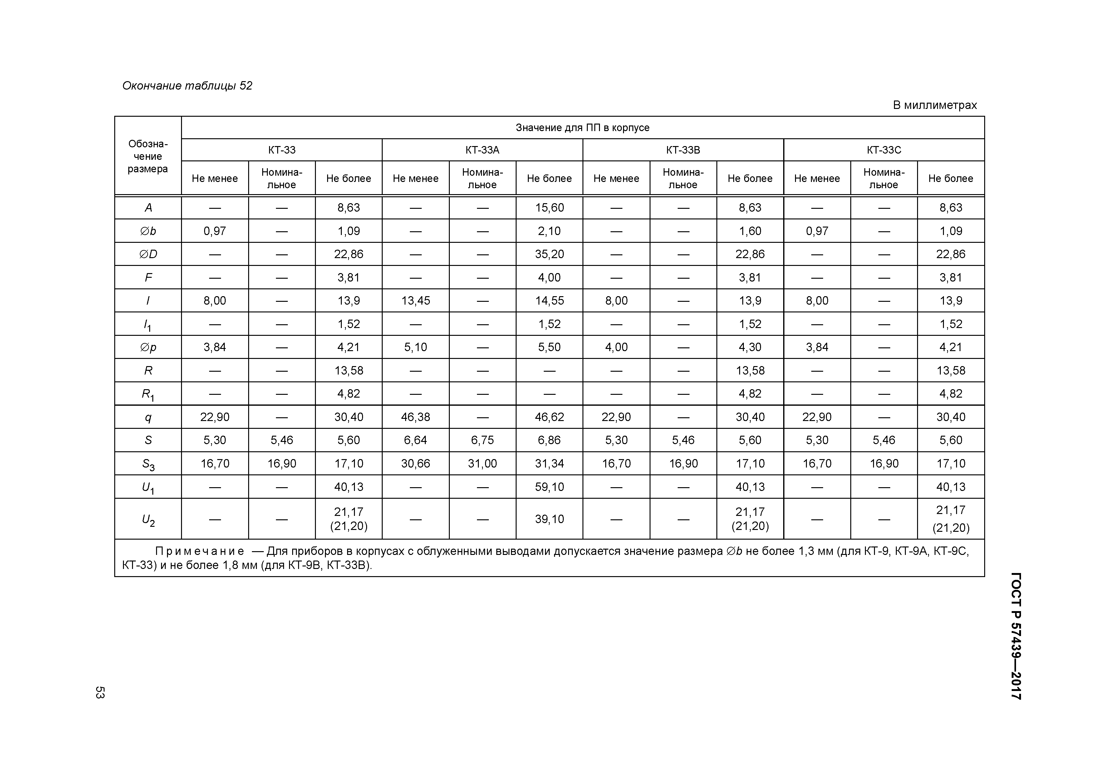
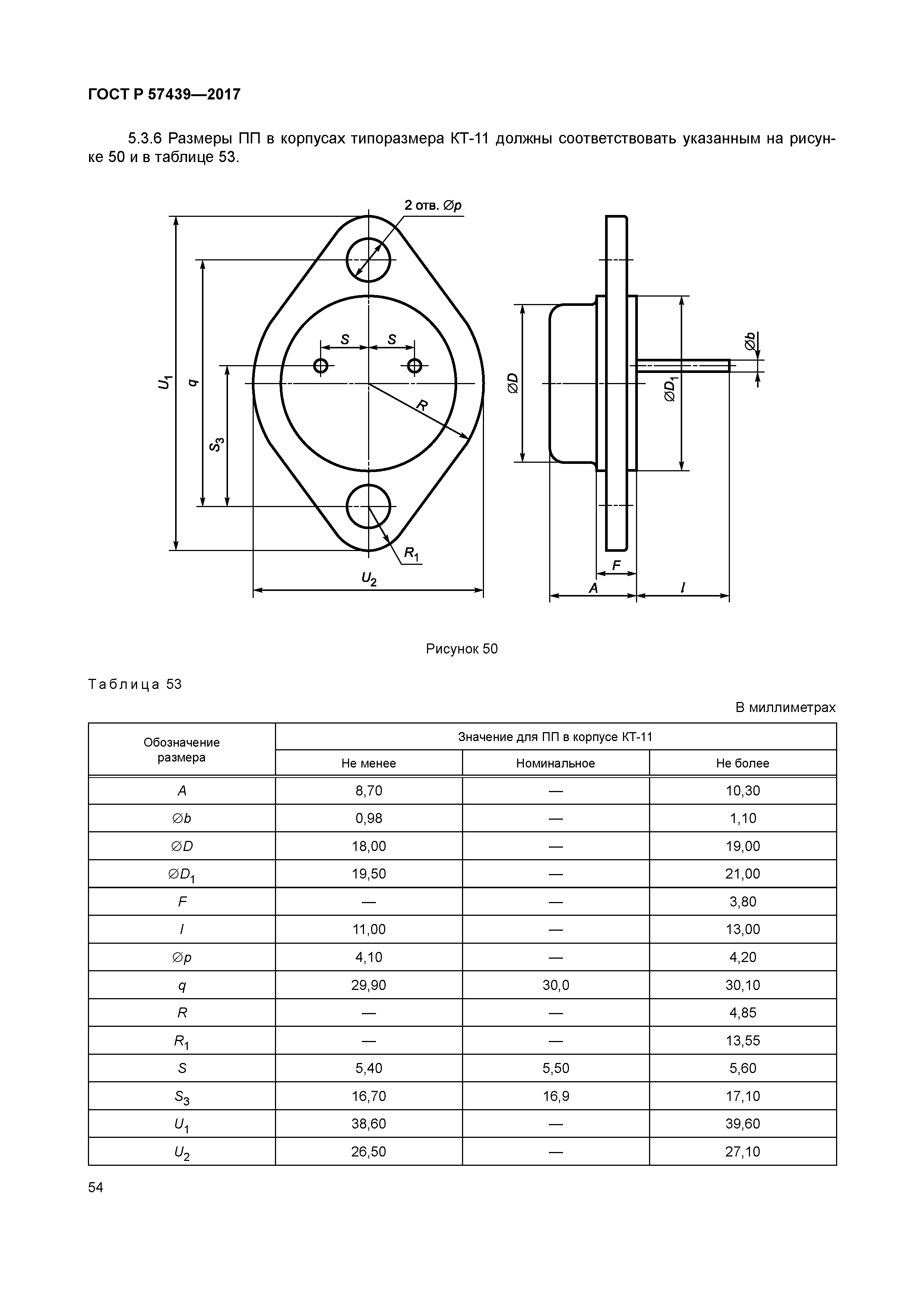
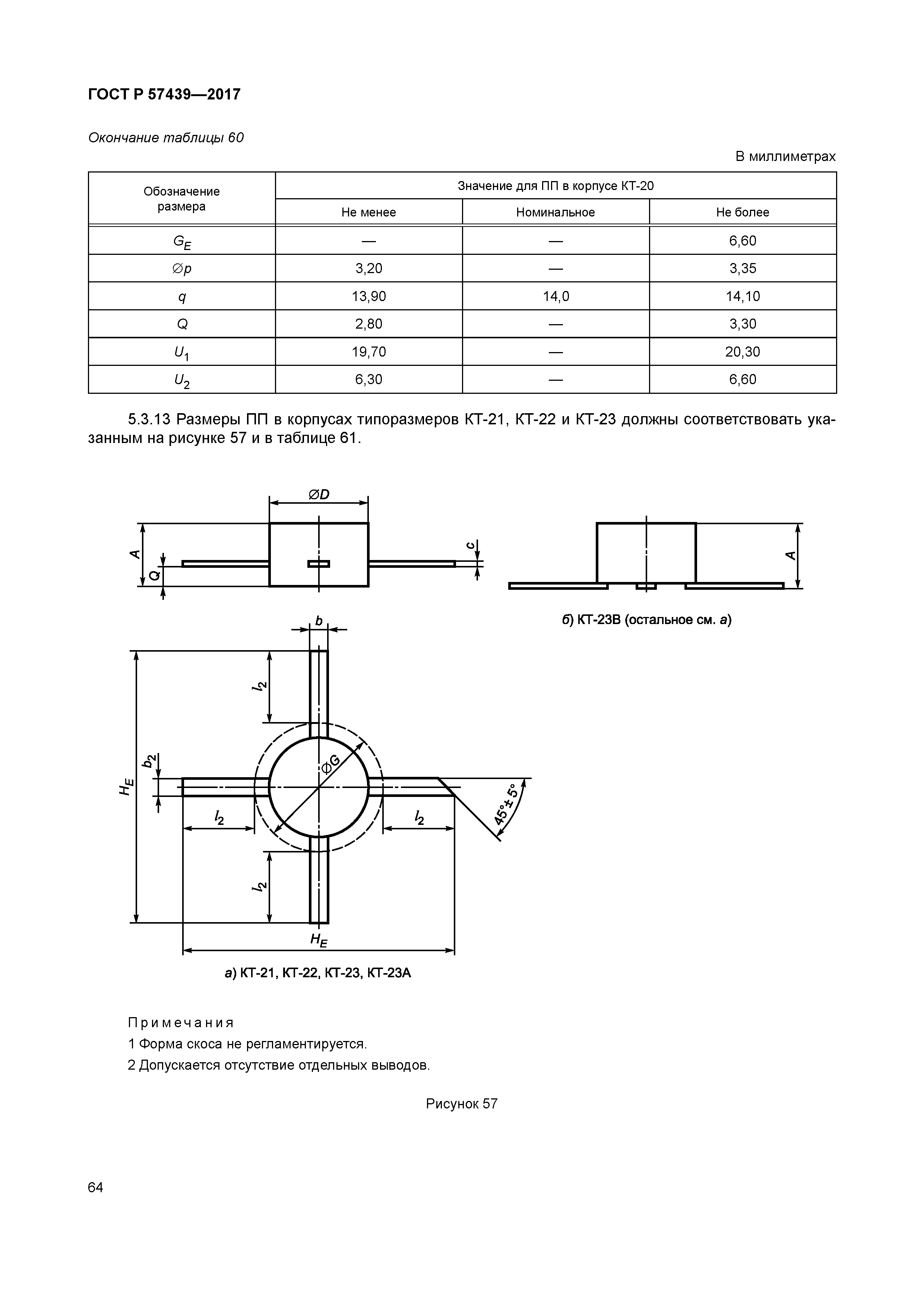
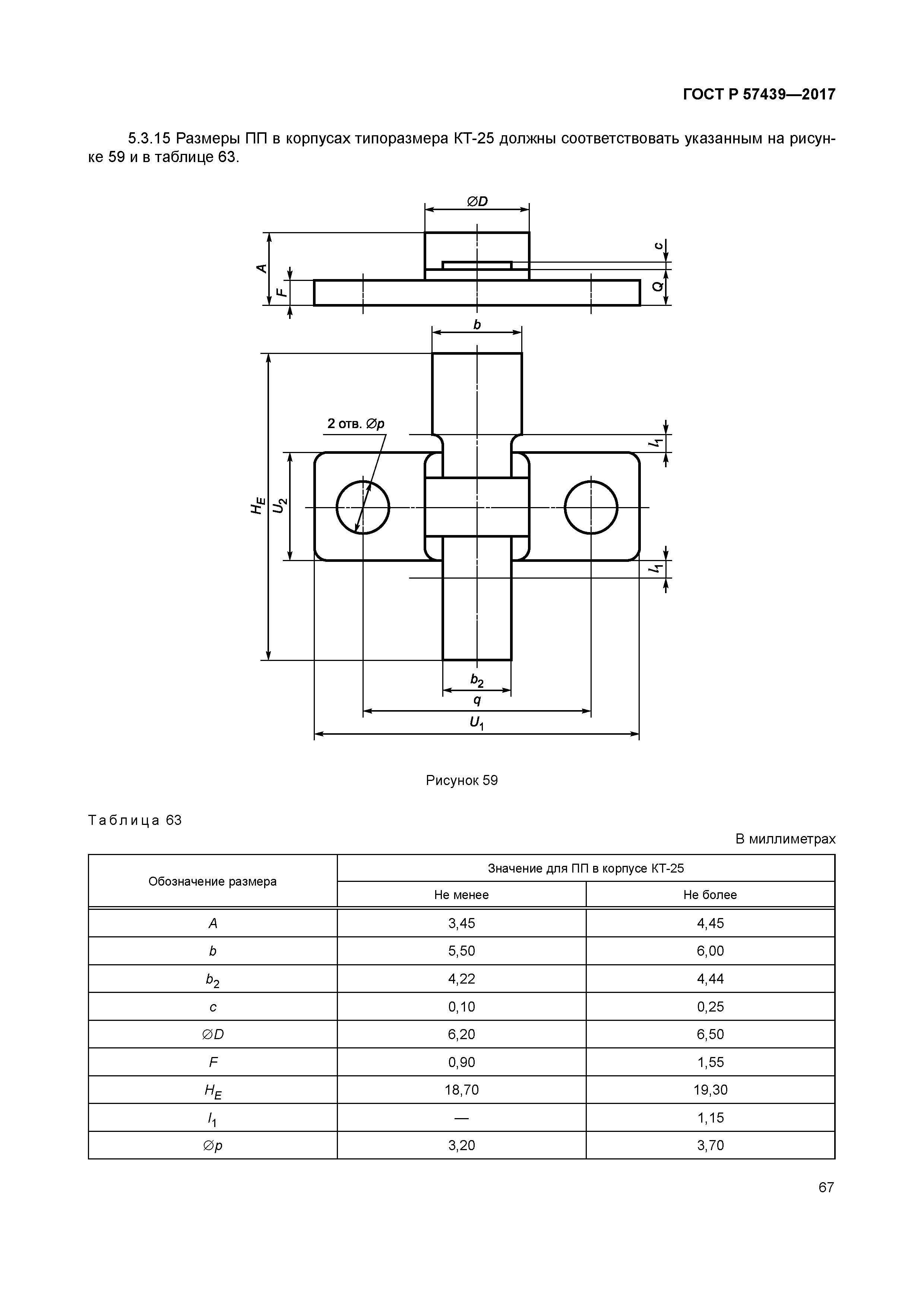
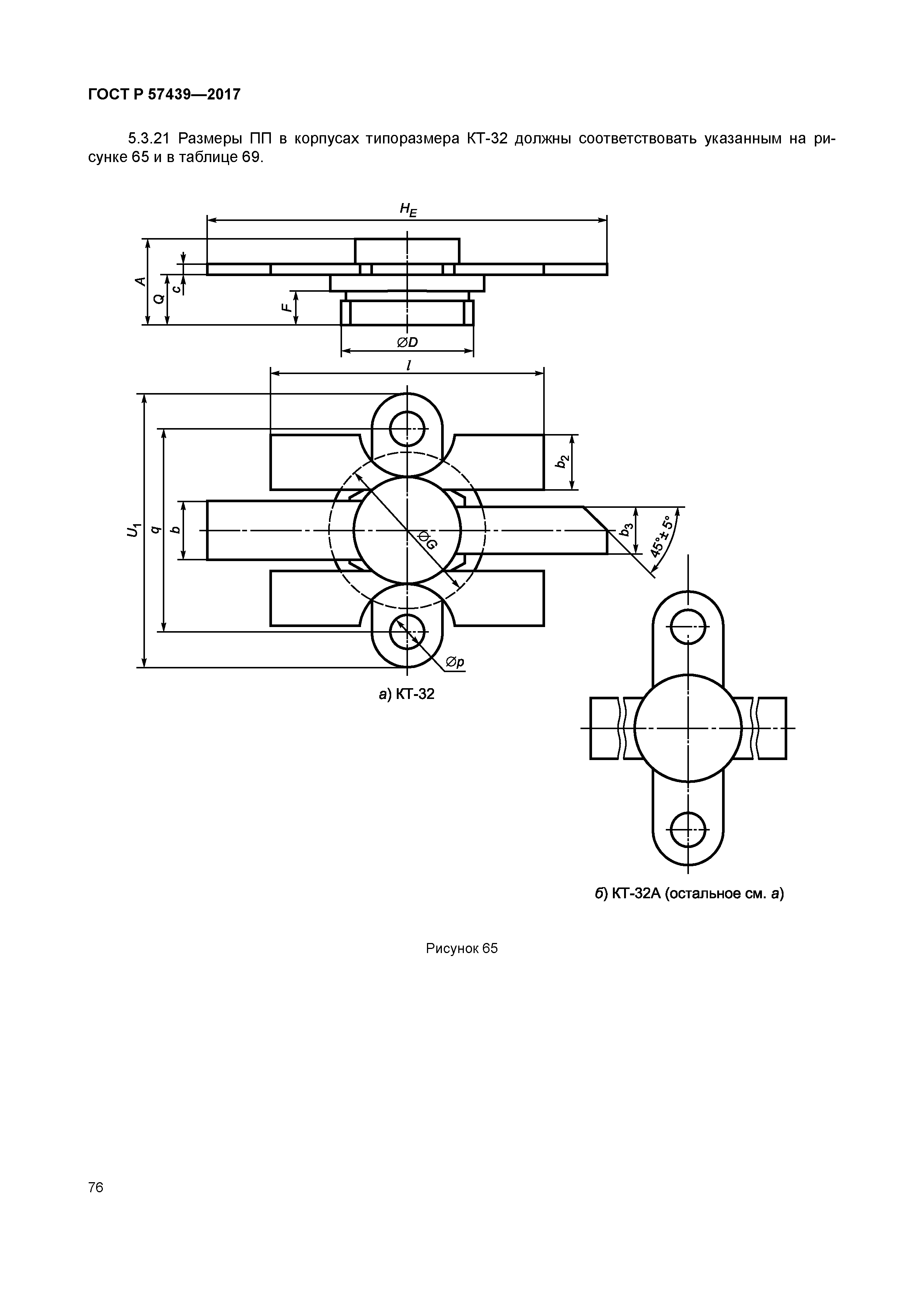
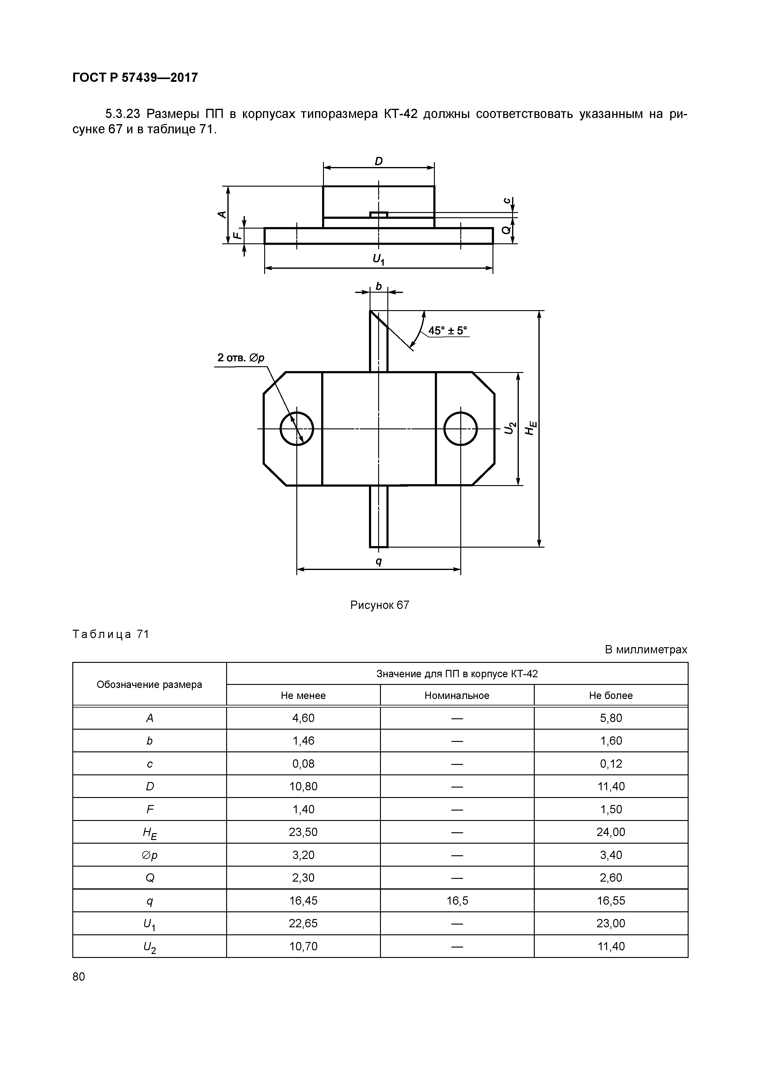
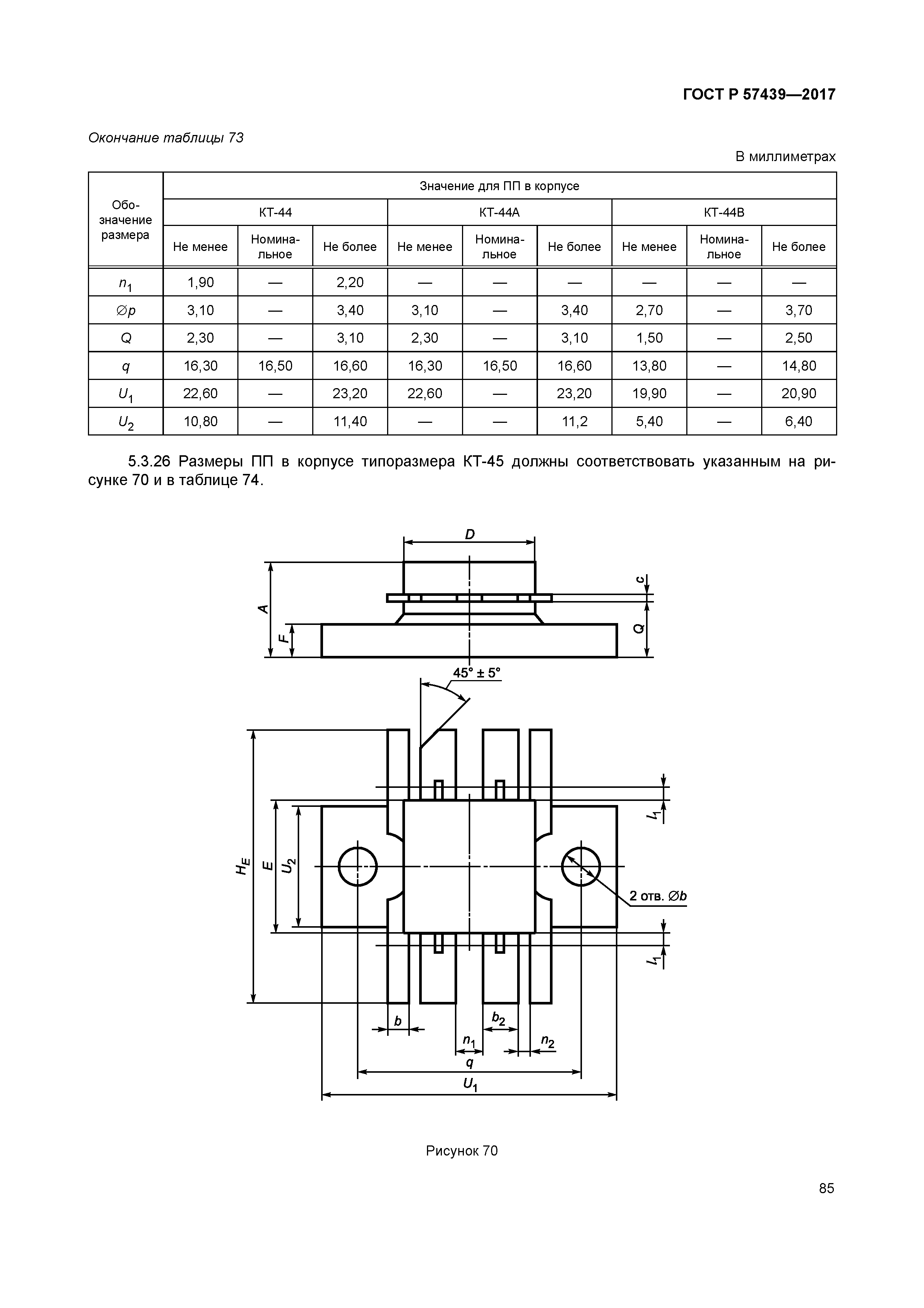
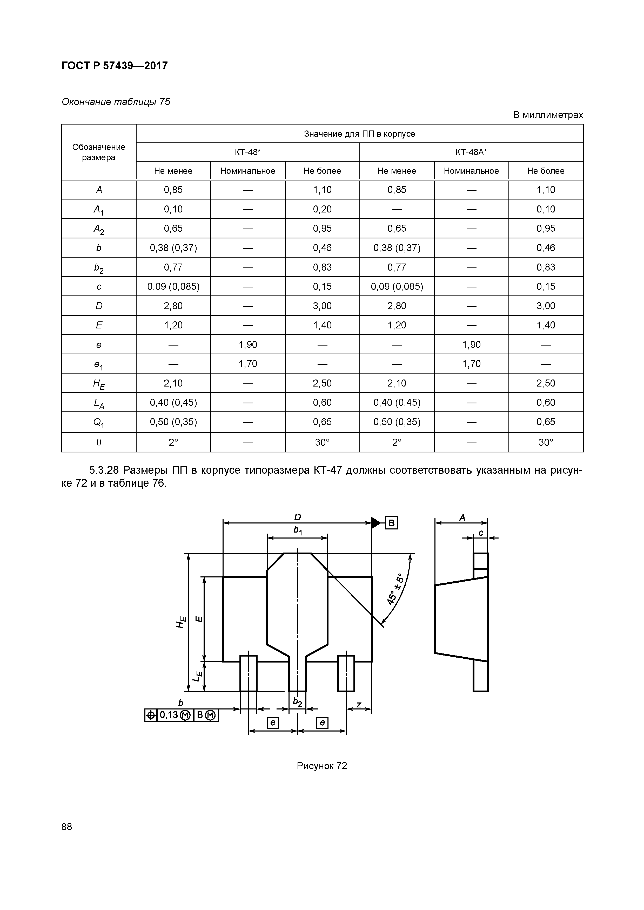
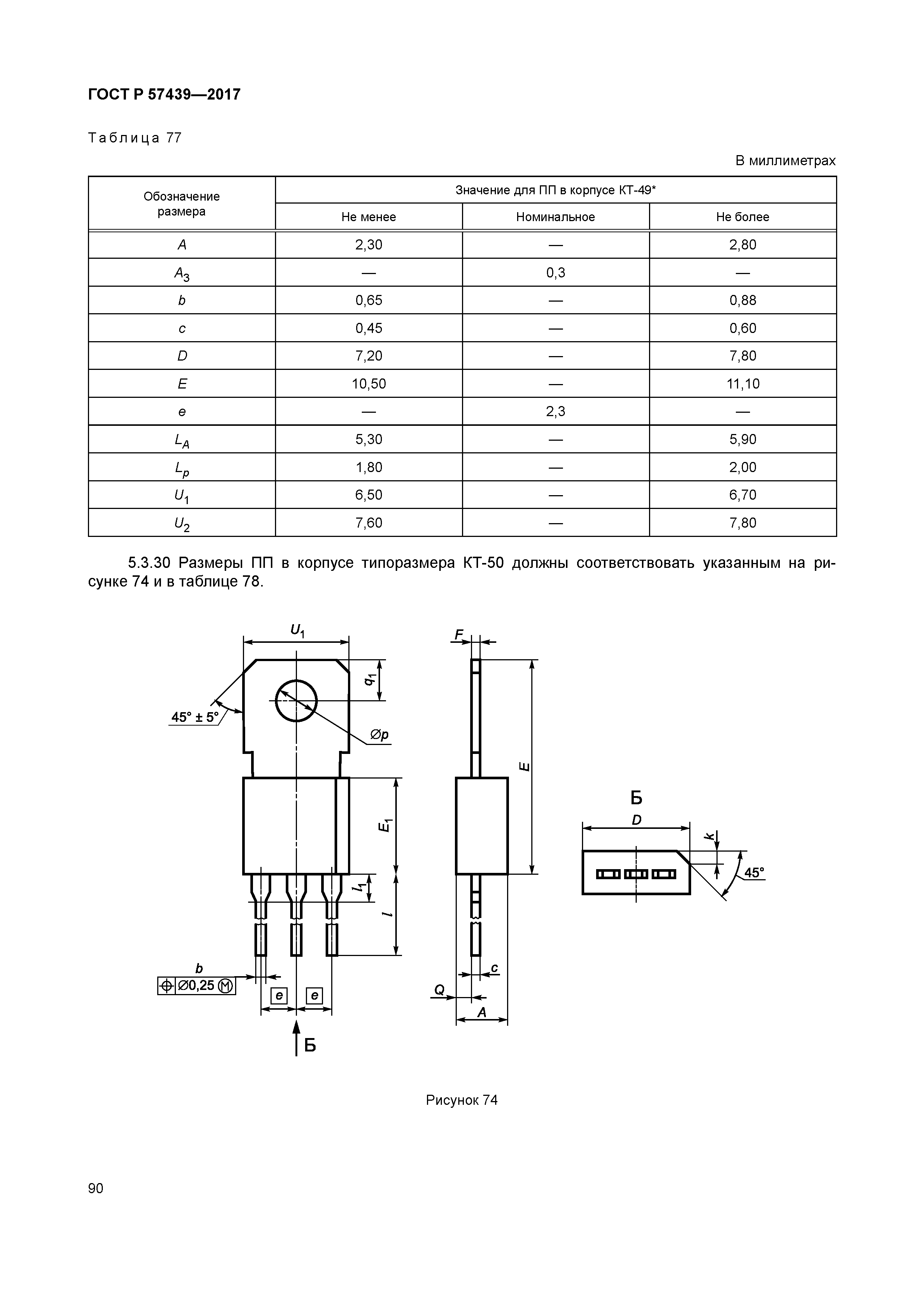
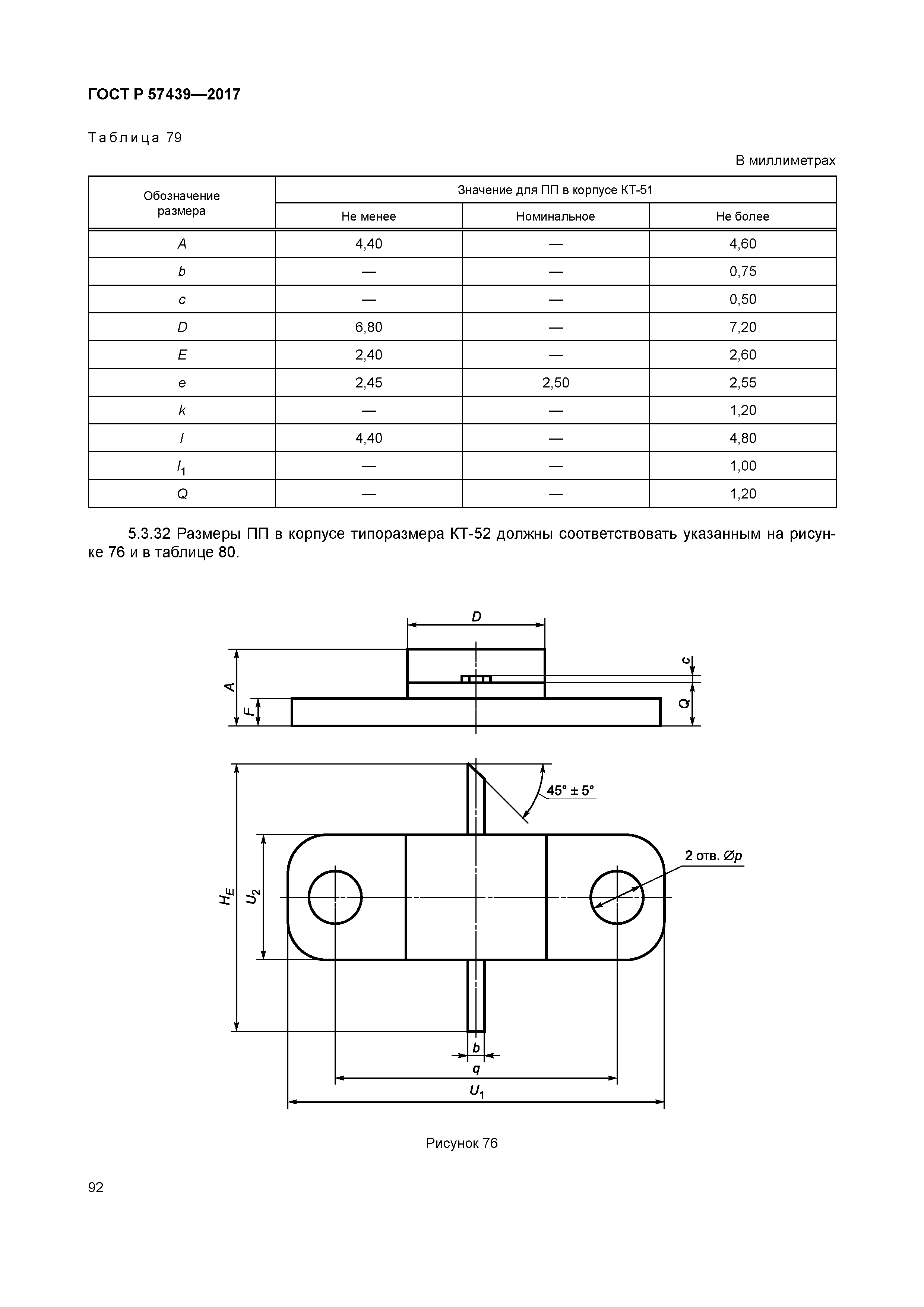
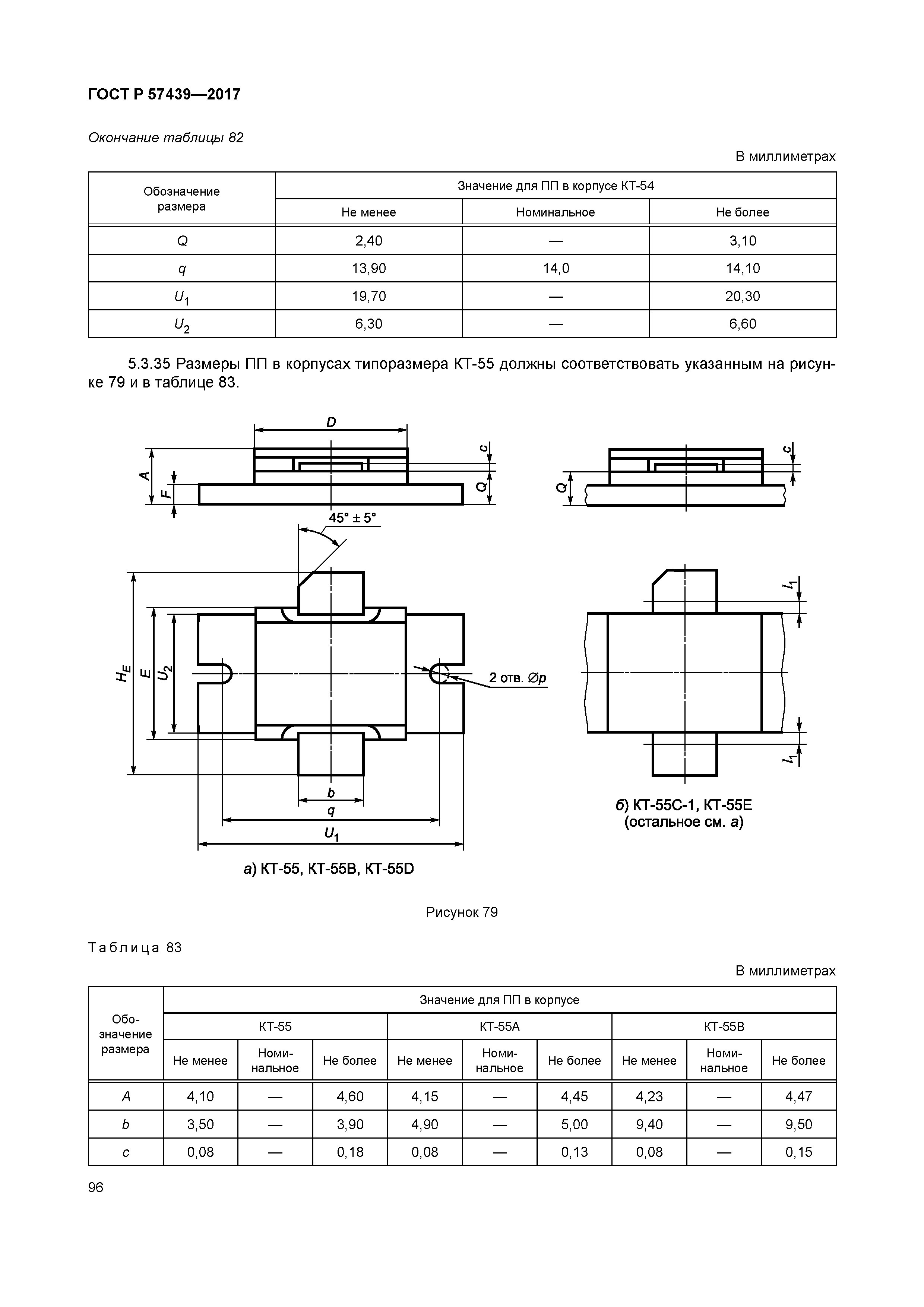
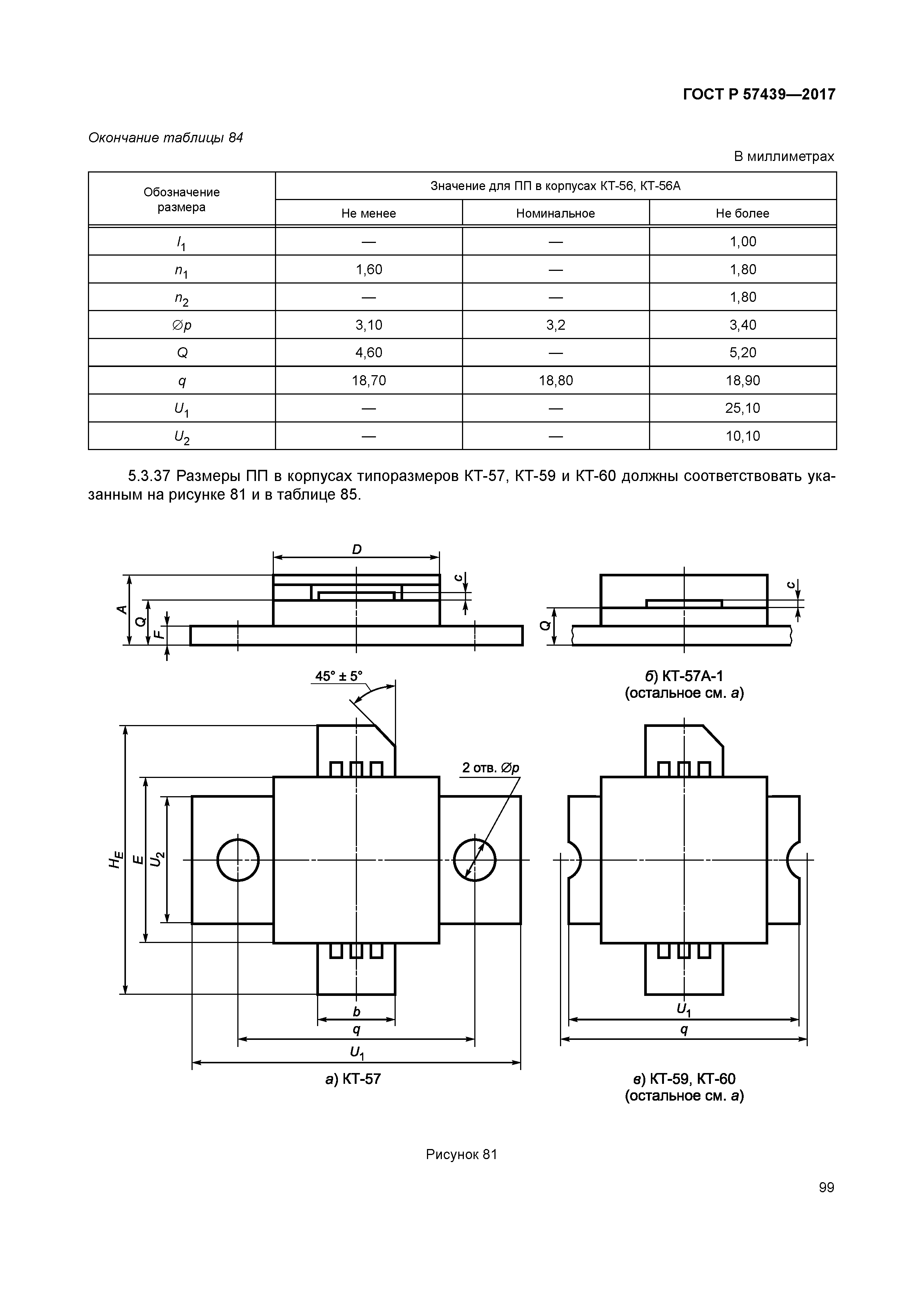
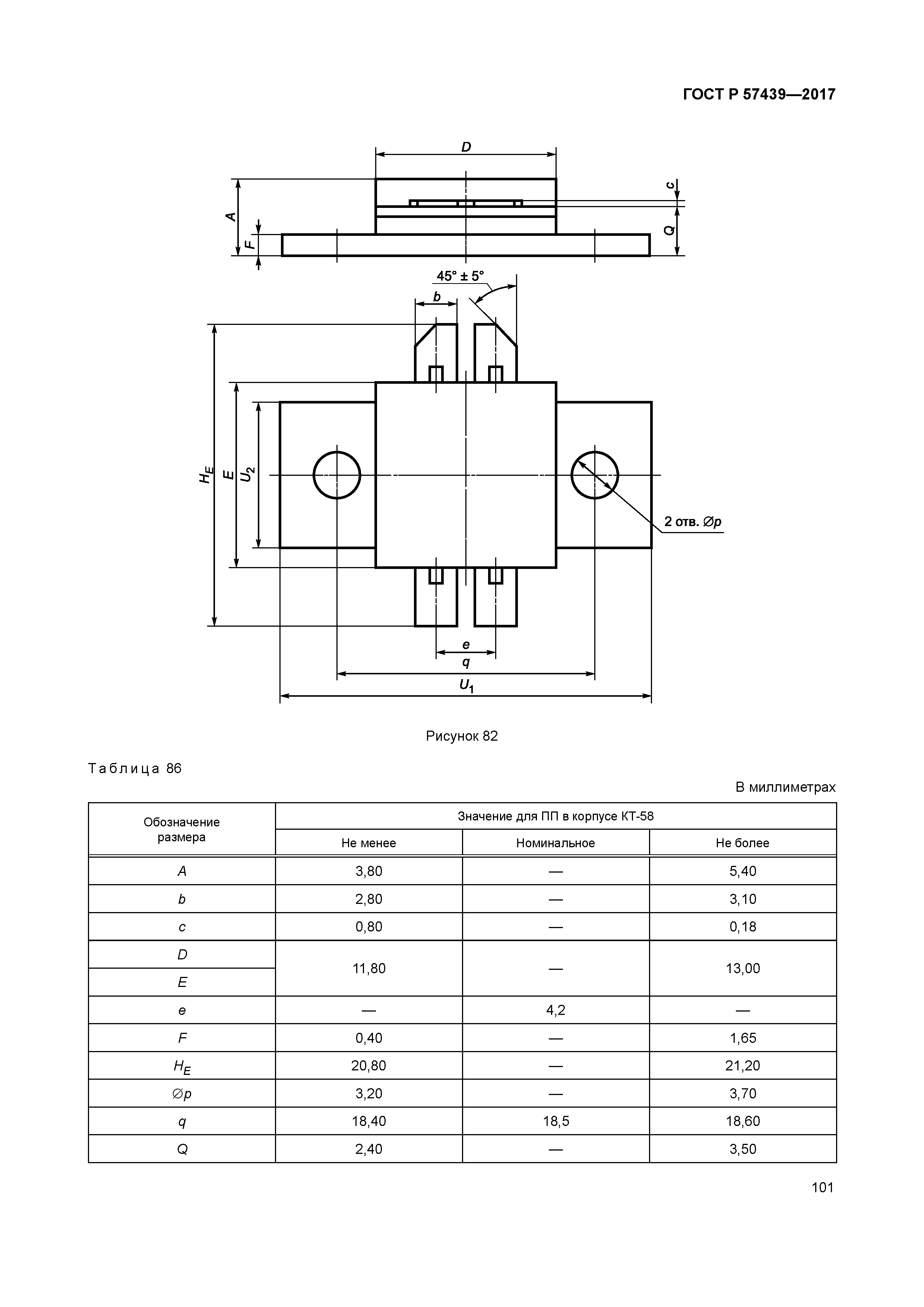
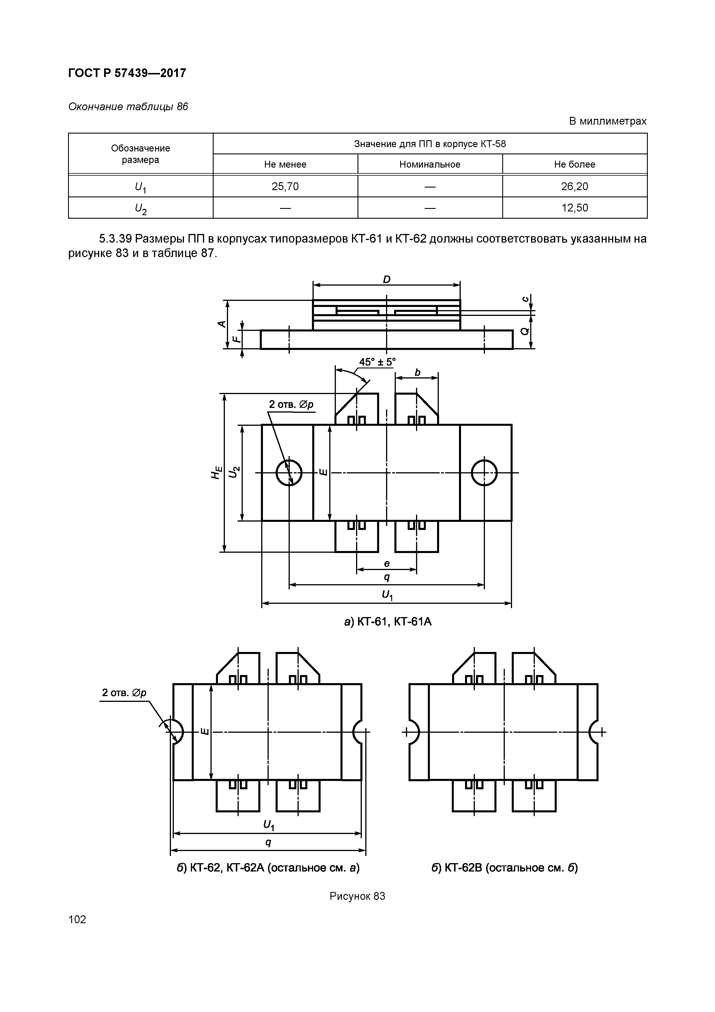
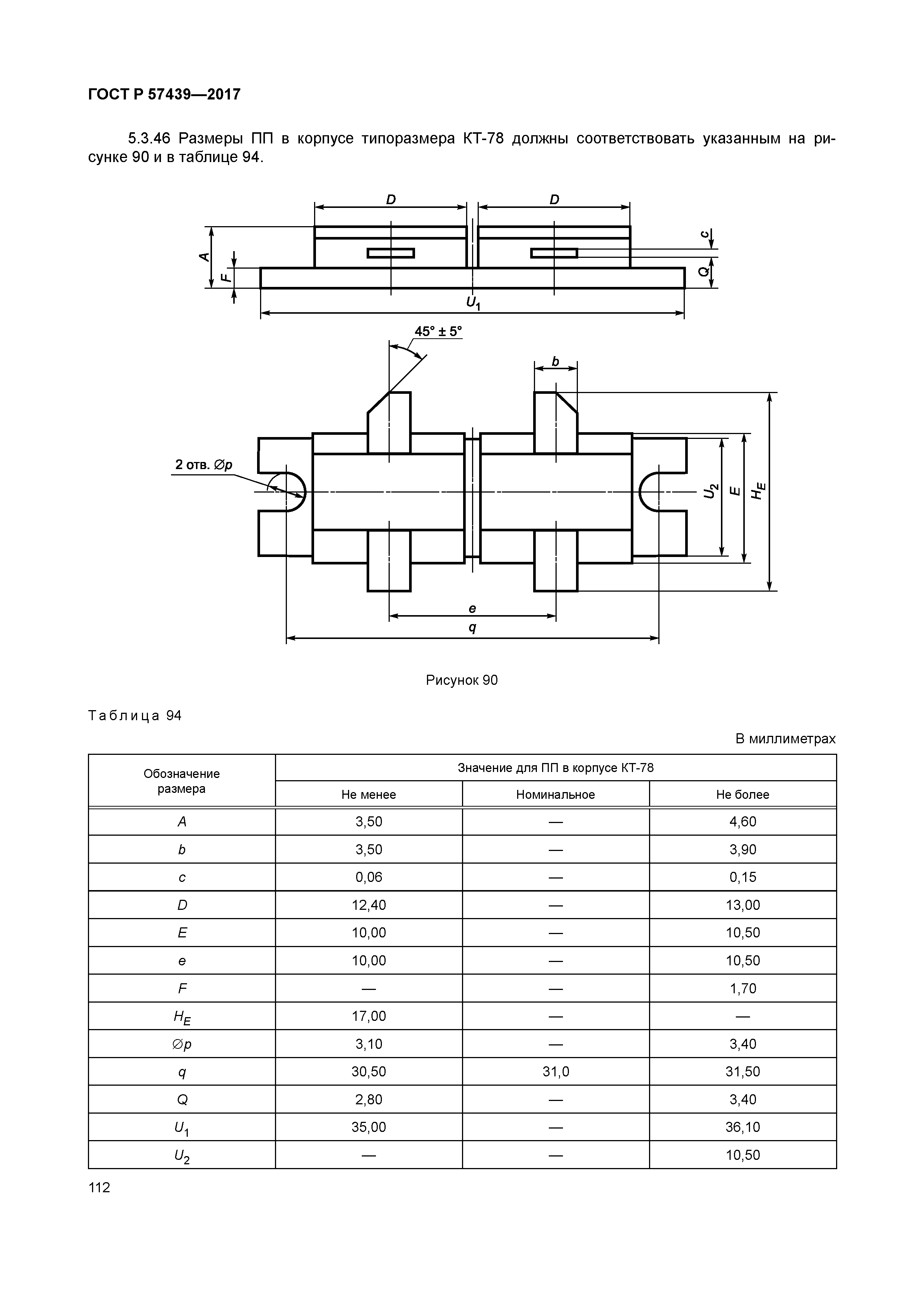
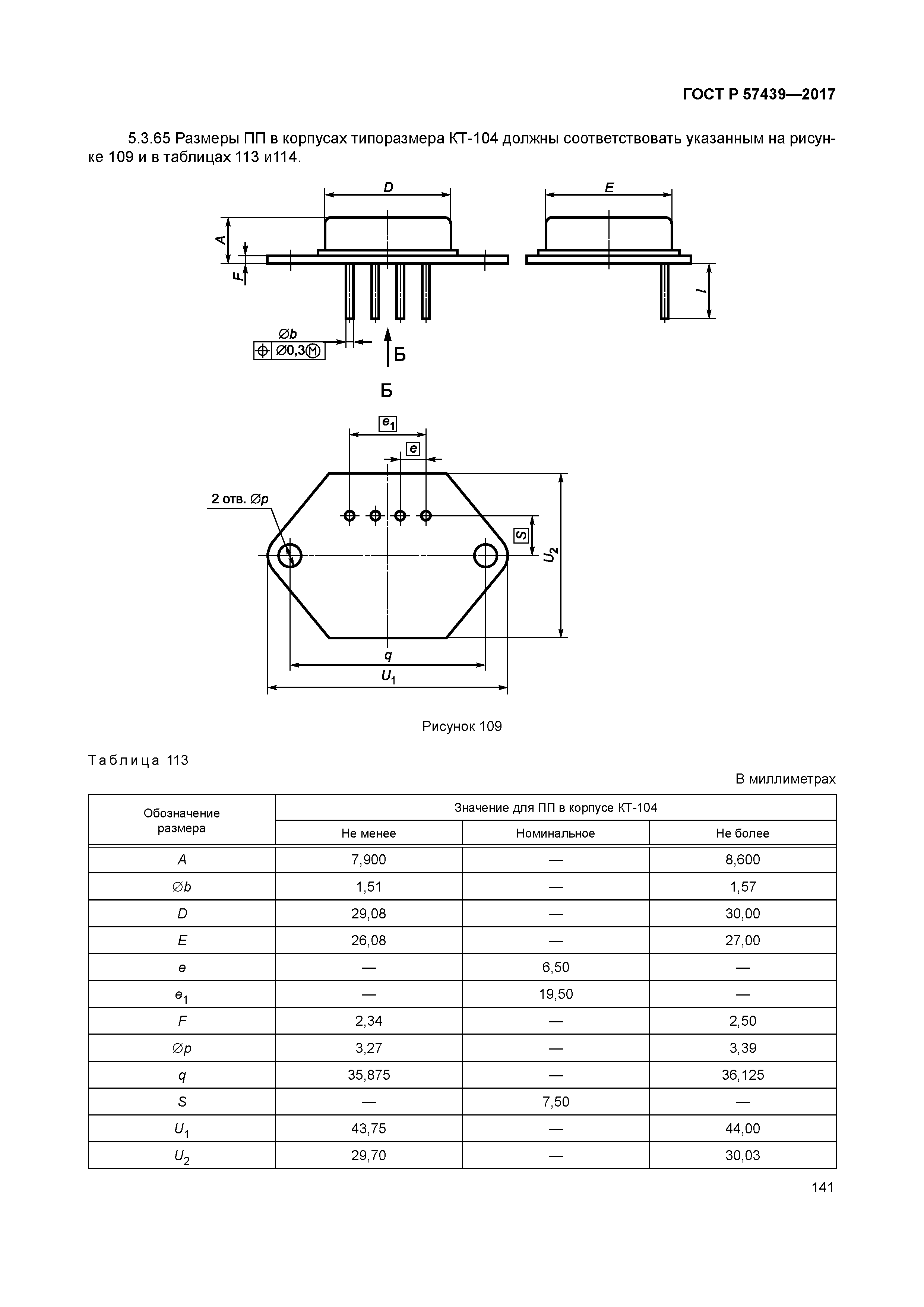
| Оглавление: | 1 Область применения 2 Нормативные ссылки 3 Термины и определения 4 Обозначения 5 Основные размеры 5.1 Общие требования 5.2 Размеры приборов полупроводниковых в корпусах типа КД 5.3 Размеры приборов полупроводниковых в корпусах типа КТ Приложение А (справочное) Указатель корпусов |
| Разработан: | АО РНИИ Электронстандарт АО ЦКБ Дейтон |
| Утверждён: | 04.04.2017 Федеральное агентство по техническому регулированию и метрологии (255-ст) |
| Издан: | Стандартинформ (2017 г. ) |
| Нормативные ссылки: |































































































































































