Скачать Типовой проект 901-3-251.88 Альбом II. Архитектурные решения. Конструкции железобетонные. Конструкции металлические. Строительные изделия. Организация строительства. Технология производства. Отопление и вентиляция. Силовое электрооборудование. Автоматизация. Электрическое освещение. Связь и сигнализация

Дата актуализации: 01.01.2021

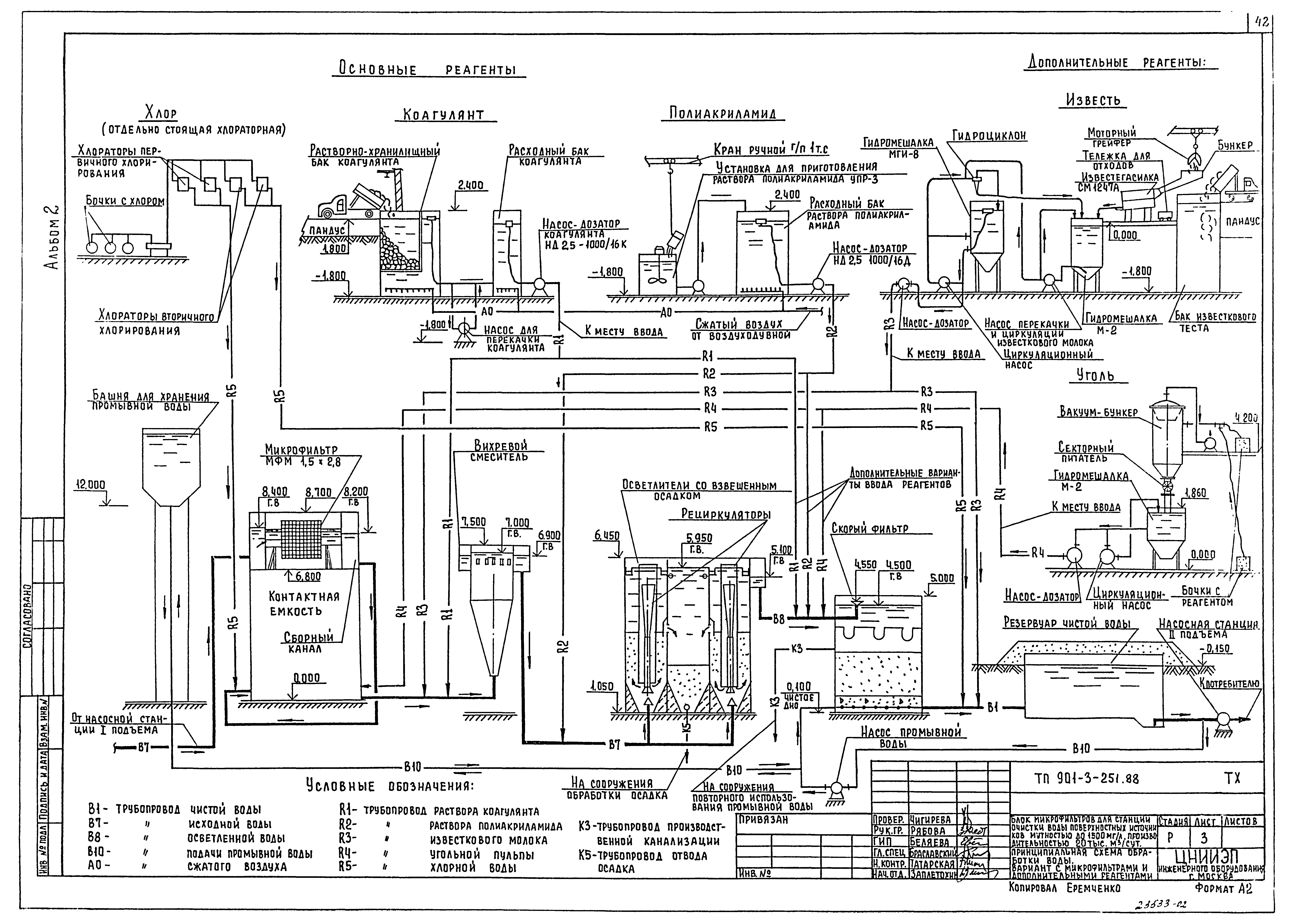
Типовой проект 901-3-251.88

Альбом II. Архитектурные решения. Конструкции железобетонные. Конструкции металлические. Строительные изделия. Организация строительства. Технология производства. Отопление и вентиляция. Силовое электрооборудование. Автоматизация. Электрическое освещение. Связь и сигнализация

Обозначение: Типовой проект 901-3-251.88
Обозначение англ: 901-3-251.88
Статус:не определен законодательством
Название рус.:Альбом II. Архитектурные решения. Конструкции железобетонные. Конструкции металлические. Строительные изделия. Организация строительства. Технология производства. Отопление и вентиляция. Силовое электрооборудование. Автоматизация. Электрическое освещение. Связь и сигнализация
Дата добавления в базу:05.05.2017
Дата актуализации:01.01.2021
Дата введения:29.07.1986
Дата окончания срока действия:30.06.2003
Разработан: ЦНИИЭП инженерного оборудования
Утверждён:29.07.1986 Госгражданстрой (Gosgrazhdanstroy 242)
Издан: ЦИТП Госстроя СССР (CITP, Gosstroy (USSR) 1989 г. )
Заменяет собой:
Типовой проект 901-3-251.88Типовой проект 901-3-251.88Типовой проект 901-3-251.88Типовой проект 901-3-251.88Типовой проект 901-3-251.88Типовой проект 901-3-251.88Типовой проект 901-3-251.88Типовой проект 901-3-251.88Типовой проект 901-3-251.88Типовой проект 901-3-251.88Типовой проект 901-3-251.88Типовой проект 901-3-251.88Типовой проект 901-3-251.88Типовой проект 901-3-251.88Типовой проект 901-3-251.88Типовой проект 901-3-251.88Типовой проект 901-3-251.88Типовой проект 901-3-251.88Типовой проект 901-3-251.88Типовой проект 901-3-251.88Типовой проект 901-3-251.88Типовой проект 901-3-251.88Типовой проект 901-3-251.88Типовой проект 901-3-251.88Типовой проект 901-3-251.88Типовой проект 901-3-251.88Типовой проект 901-3-251.88Типовой проект 901-3-251.88Типовой проект 901-3-251.88Типовой проект 901-3-251.88Типовой проект 901-3-251.88Типовой проект 901-3-251.88Типовой проект 901-3-251.88Типовой проект 901-3-251.88Типовой проект 901-3-251.88Типовой проект 901-3-251.88Типовой проект 901-3-251.88Типовой проект 901-3-251.88Типовой проект 901-3-251.88Типовой проект 901-3-251.88Типовой проект 901-3-251.88Типовой проект 901-3-251.88Типовой проект 901-3-251.88Типовой проект 901-3-251.88Типовой проект 901-3-251.88Типовой проект 901-3-251.88Типовой проект 901-3-251.88Типовой проект 901-3-251.88Типовой проект 901-3-251.88Типовой проект 901-3-251.88Типовой проект 901-3-251.88Типовой проект 901-3-251.88Типовой проект 901-3-251.88Типовой проект 901-3-251.88Типовой проект 901-3-251.88Типовой проект 901-3-251.88Типовой проект 901-3-251.88Типовой проект 901-3-251.88Типовой проект 901-3-251.88Типовой проект 901-3-251.88Типовой проект 901-3-251.88Типовой проект 901-3-251.88