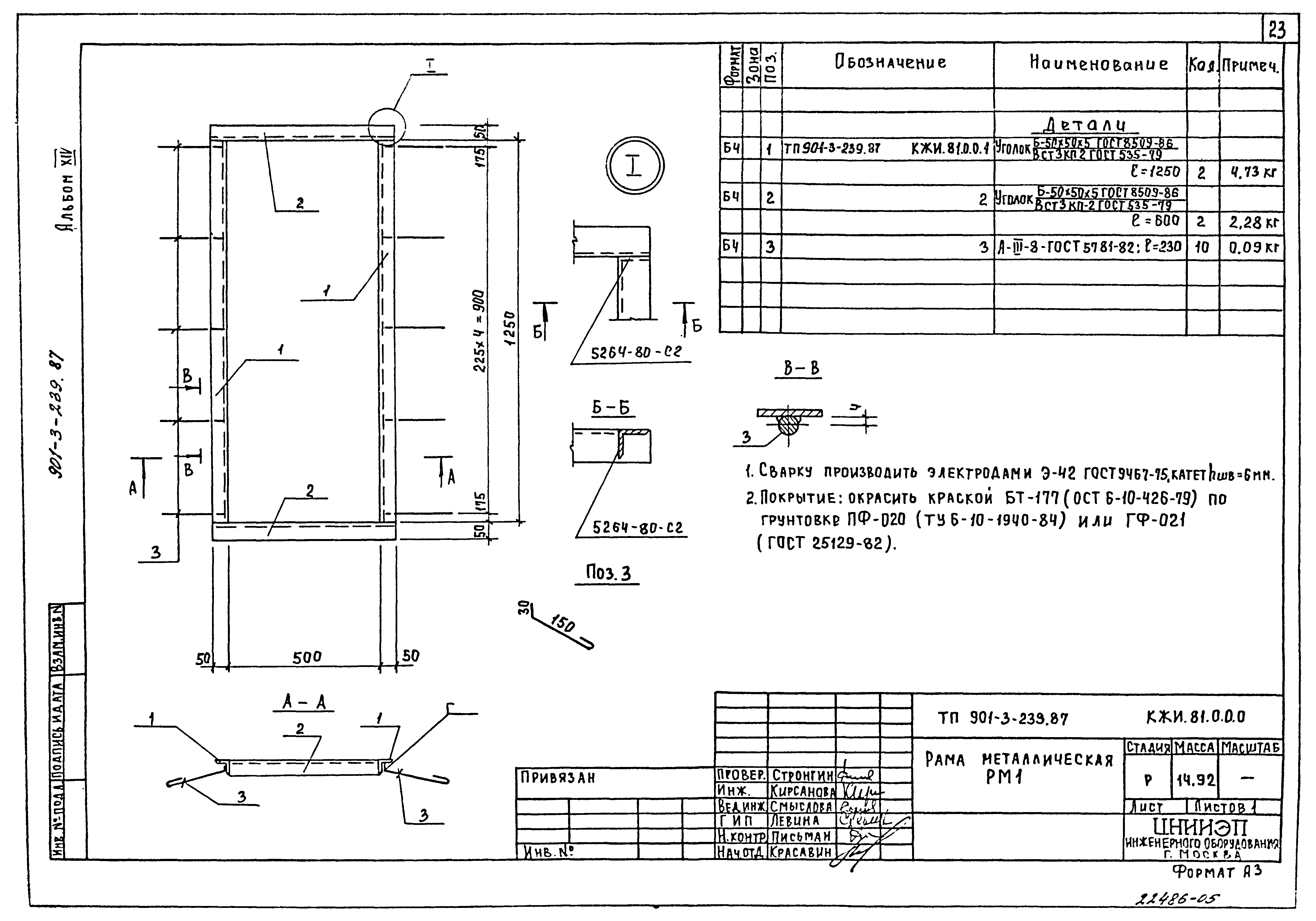
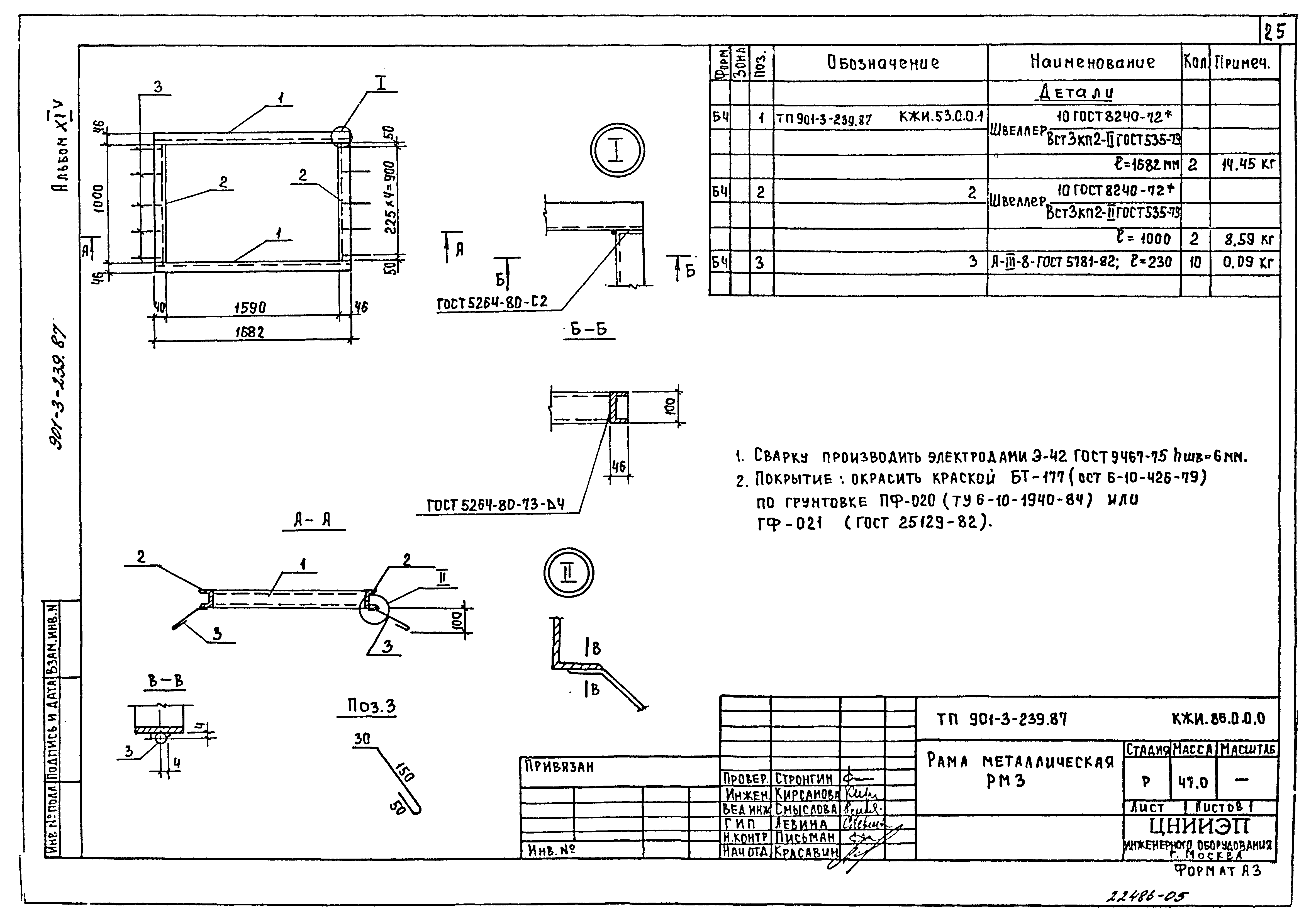
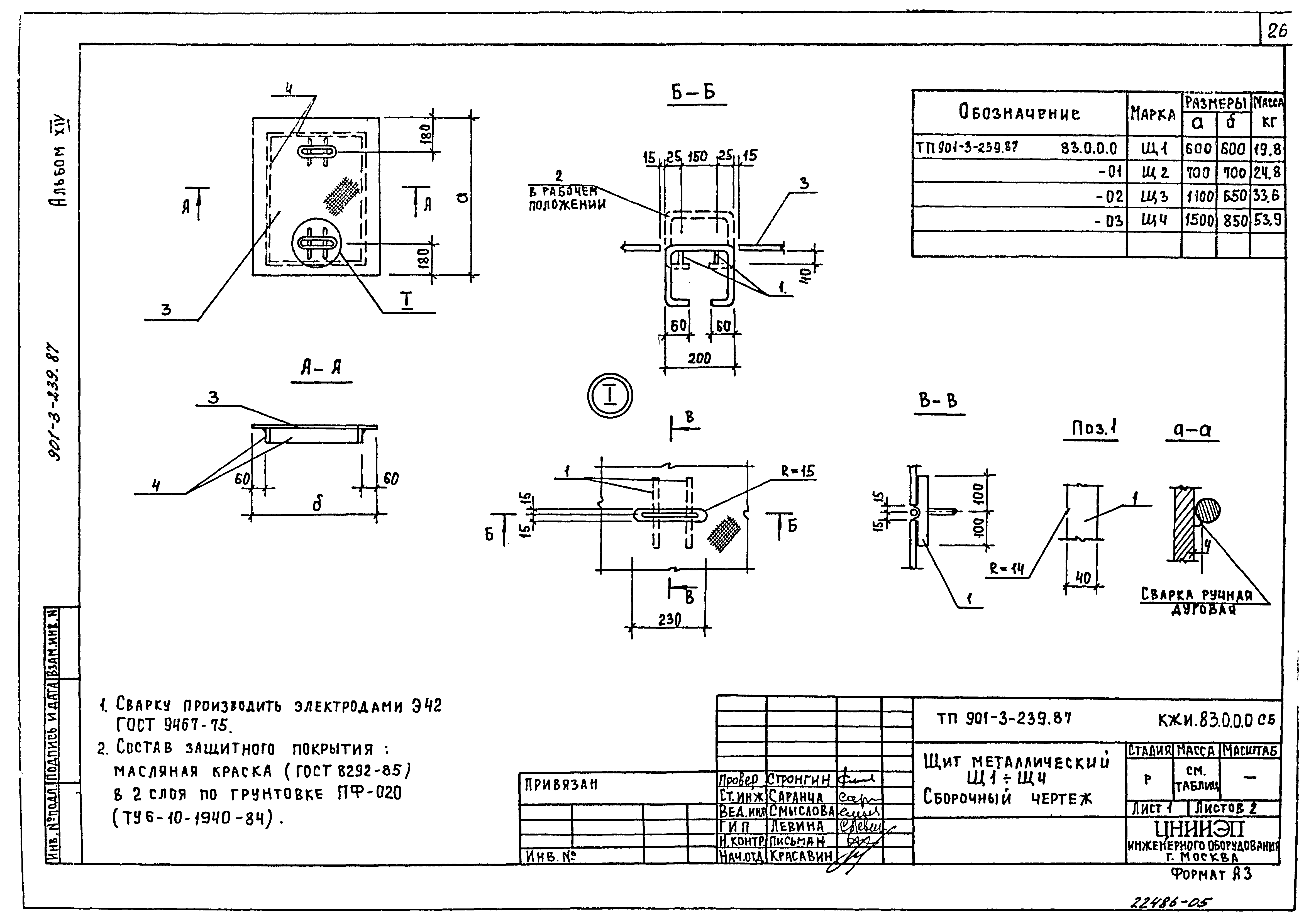
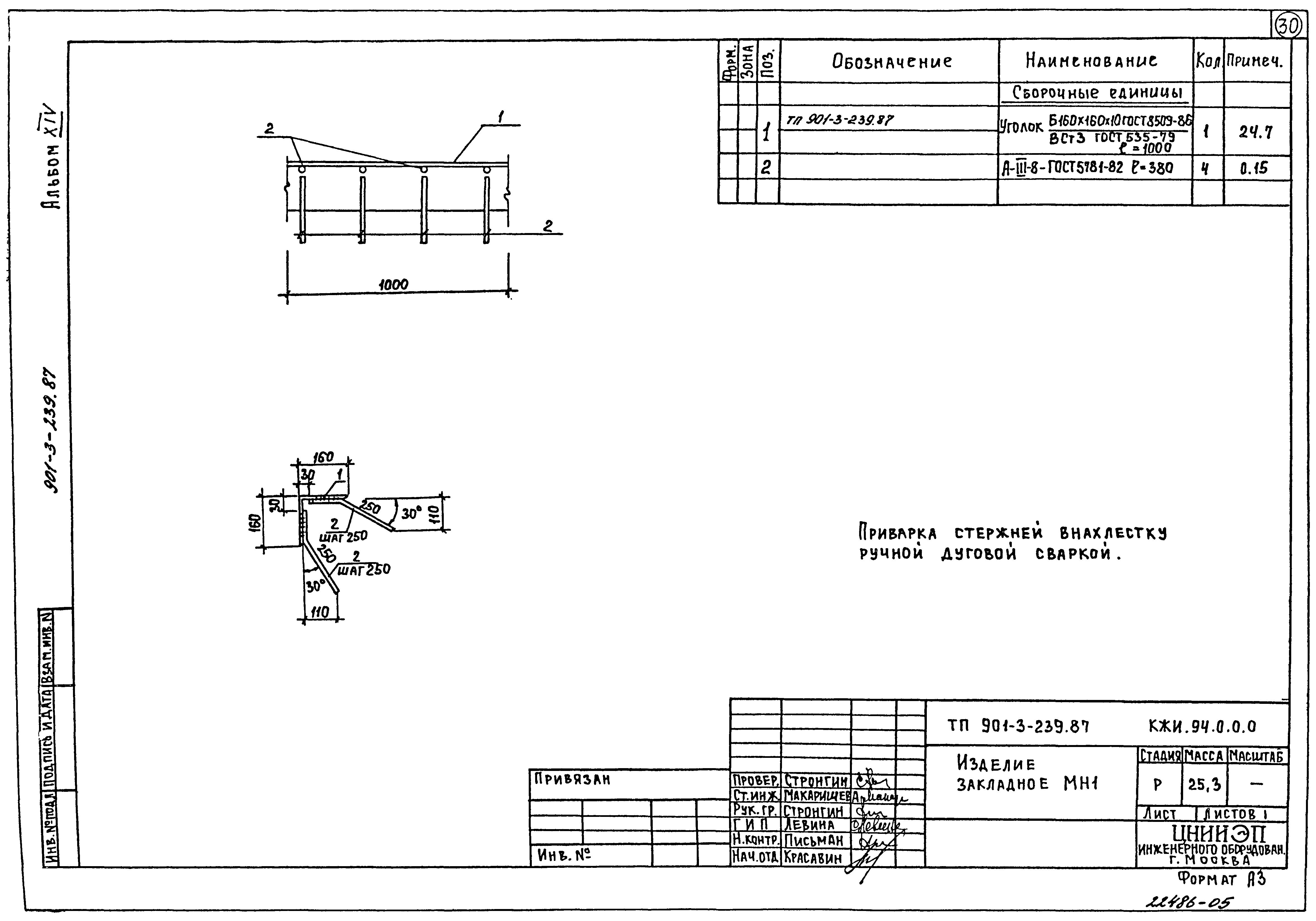
Скачать Типовой проект 901-3-239.87 Альбом XIV. Строительные изделияДата актуализации: 01.01.2021
|
| Обозначение: | Типовой проект 901-3-239.87 |
| Обозначение англ: | 901-3-239.87 |
| Статус: | не определен законодательством |
| Название рус.: | Альбом XIV. Строительные изделия |
| Дата добавления в базу: | 05.05.2017 |
| Дата актуализации: | 01.01.2021 |
| Дата введения: | 13.02.1985 |
| Дата окончания срока действия: | 30.06.2003 |
| Разработан: | ЦНИИЭП инженерного оборудования |
| Утверждён: | 13.02.1985 Госгражданстрой (Gosgrazhdanstroy 43) |
| Заменяет собой: |
|































