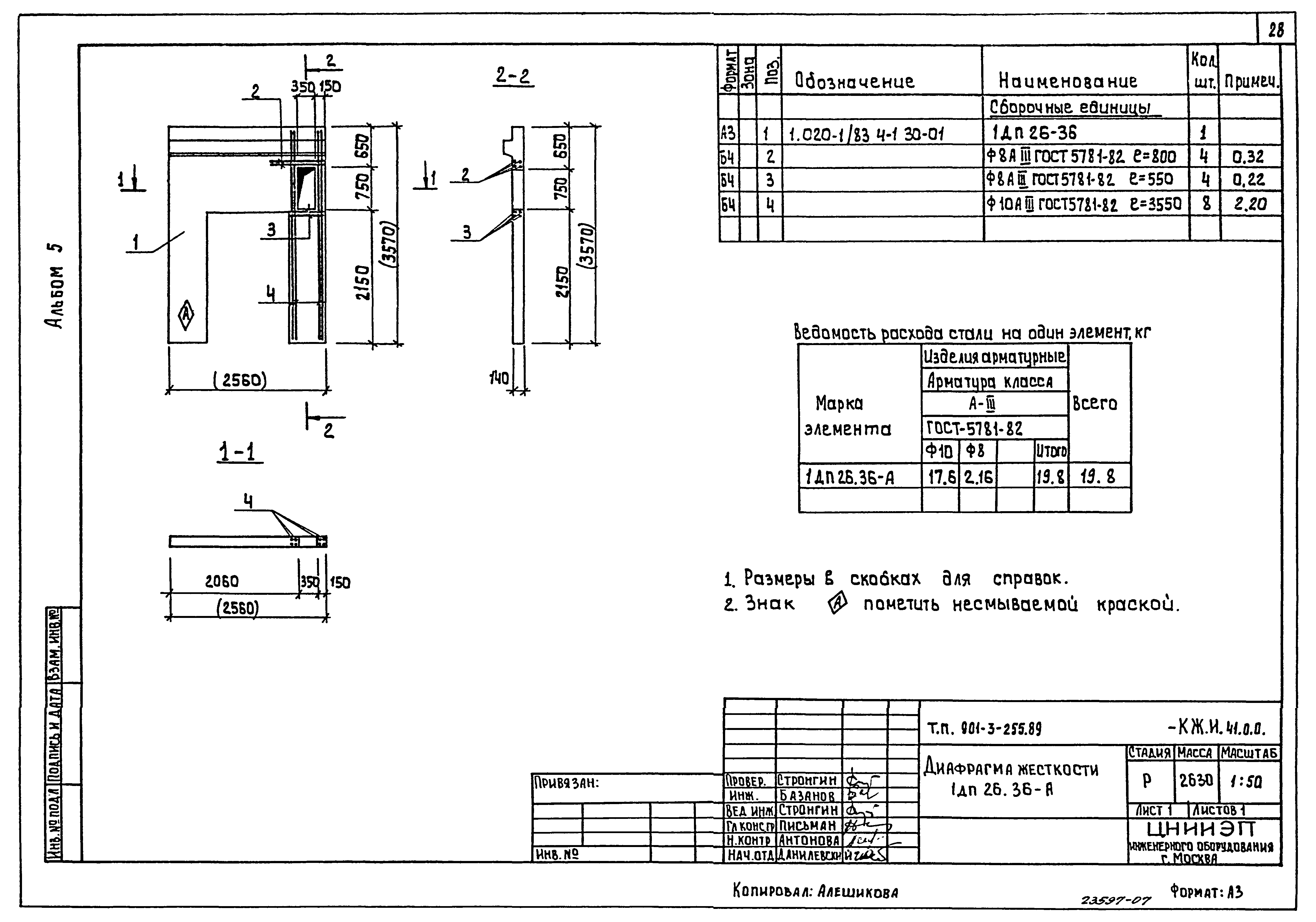
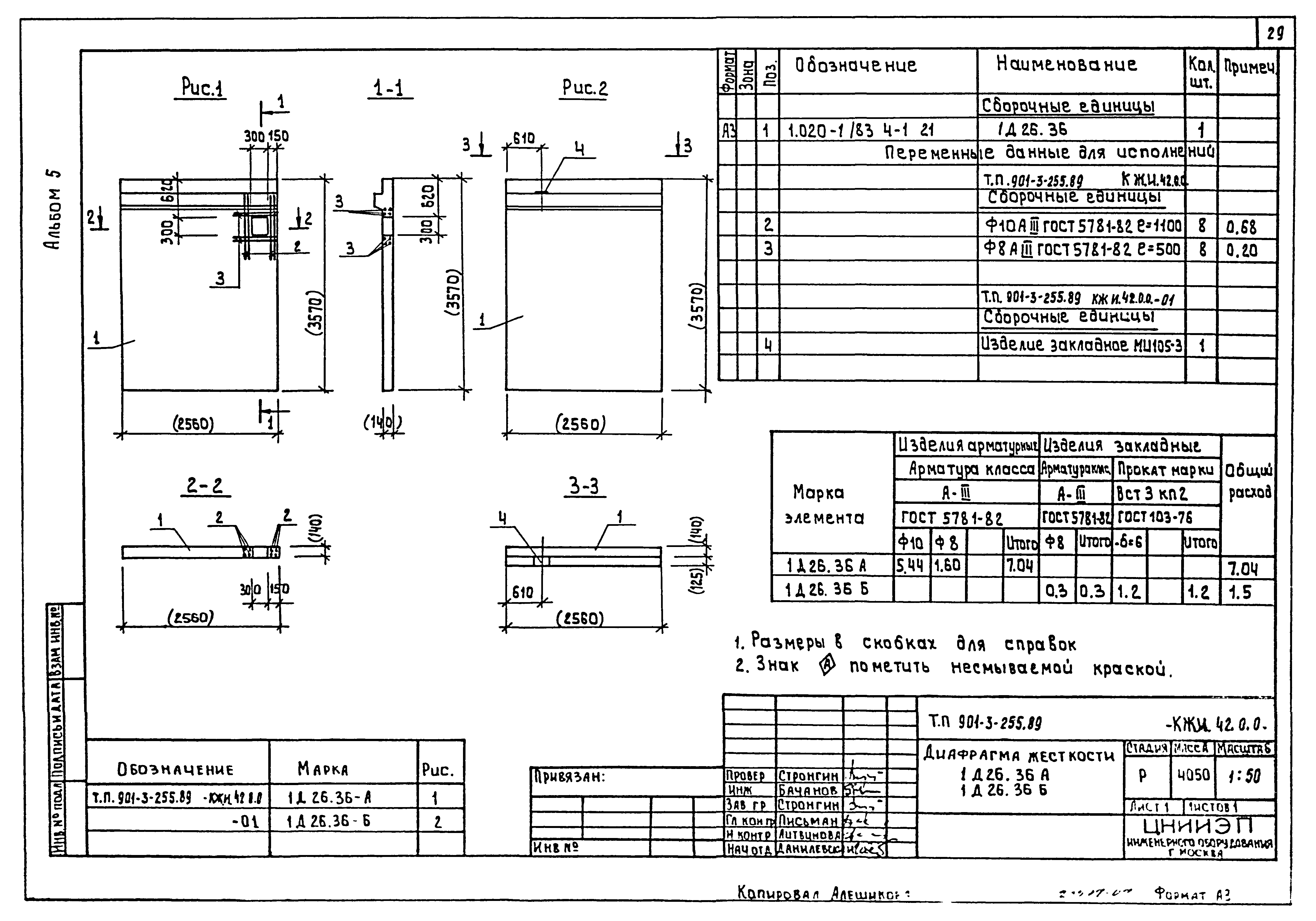
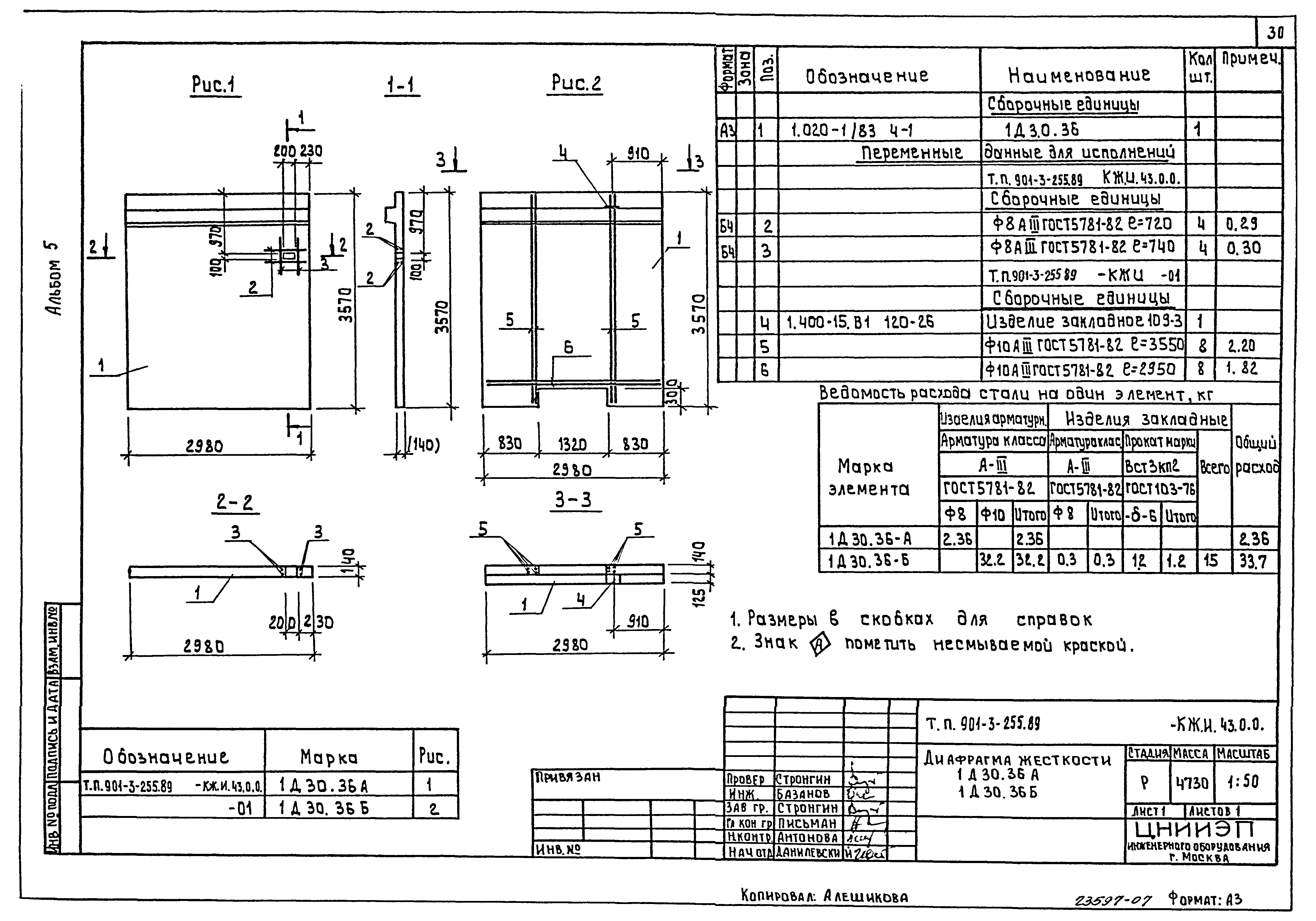
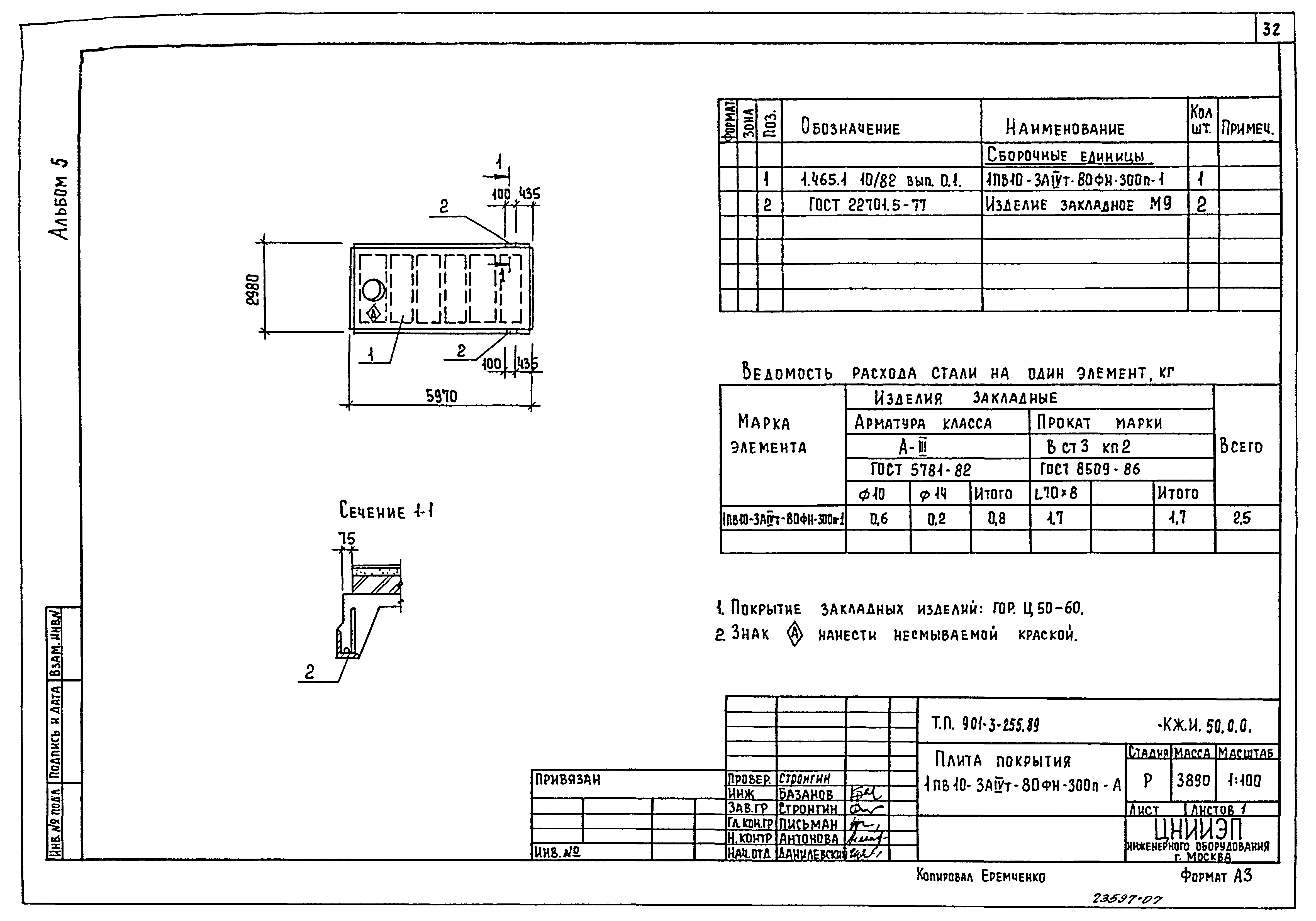
Скачать Типовой проект 901-3-255.89 Альбом 5. Строительные изделияДата актуализации: 01.01.2021
|
| Обозначение: | Типовой проект 901-3-255.89 |
| Обозначение англ: | 901-3-255.89 |
| Статус: | не определен законодательством |
| Название рус.: | Альбом 5. Строительные изделия |
| Дата добавления в базу: | 05.05.2017 |
| Дата актуализации: | 01.01.2021 |
| Дата введения: | 29.07.1986 |
| Дата окончания срока действия: | 30.06.2003 |
| Разработан: | ЦНИИЭП инженерного оборудования |
| Утверждён: | 29.07.1986 Госгражданстрой (Gosgrazhdanstroy 242) |
| Издан: | ЦИТП Госстроя СССР (CITP, Gosstroy (USSR) 1989 г. ) |
| Заменяет собой: |
|
| Нормативные ссылки: |























































