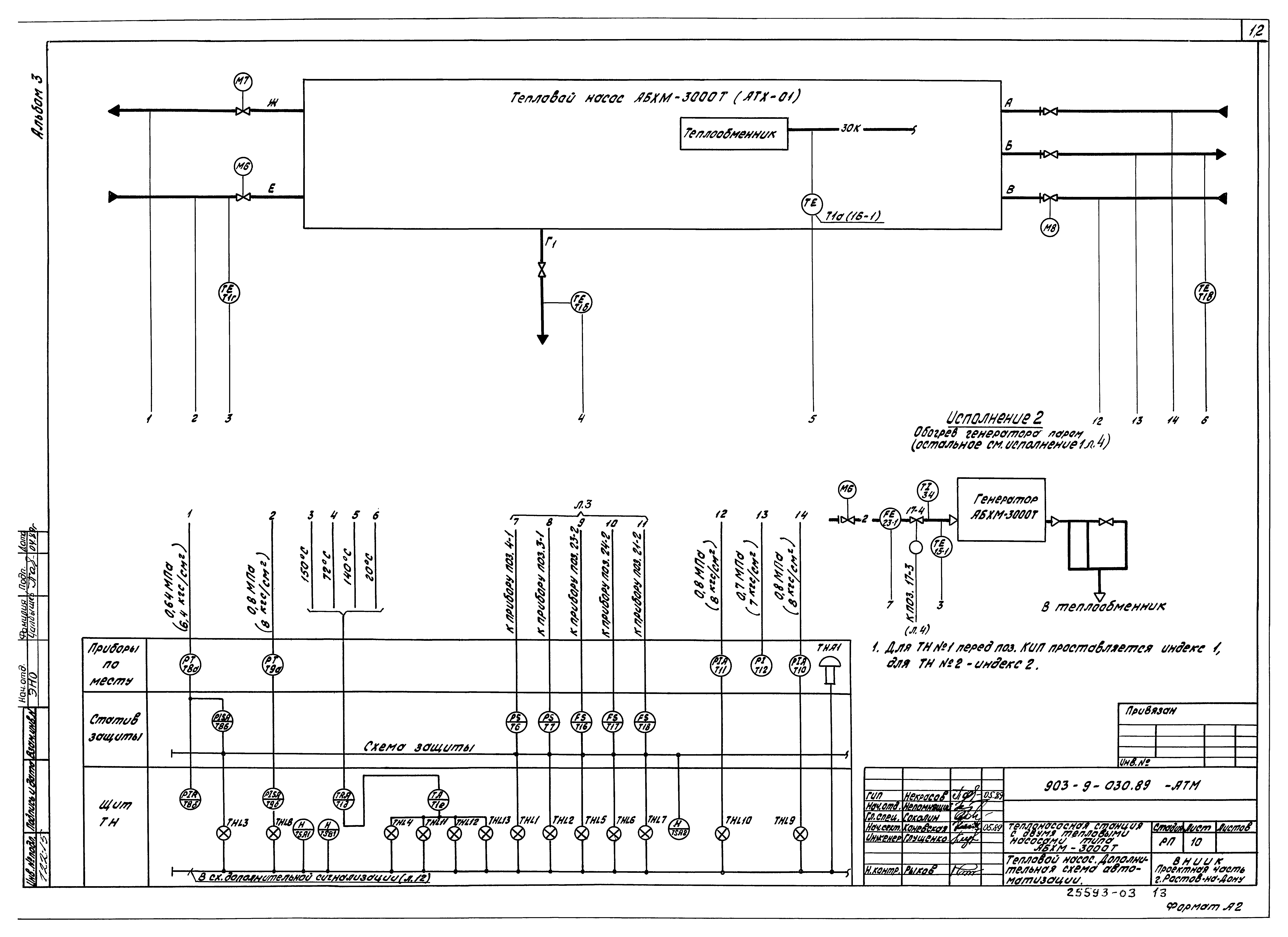
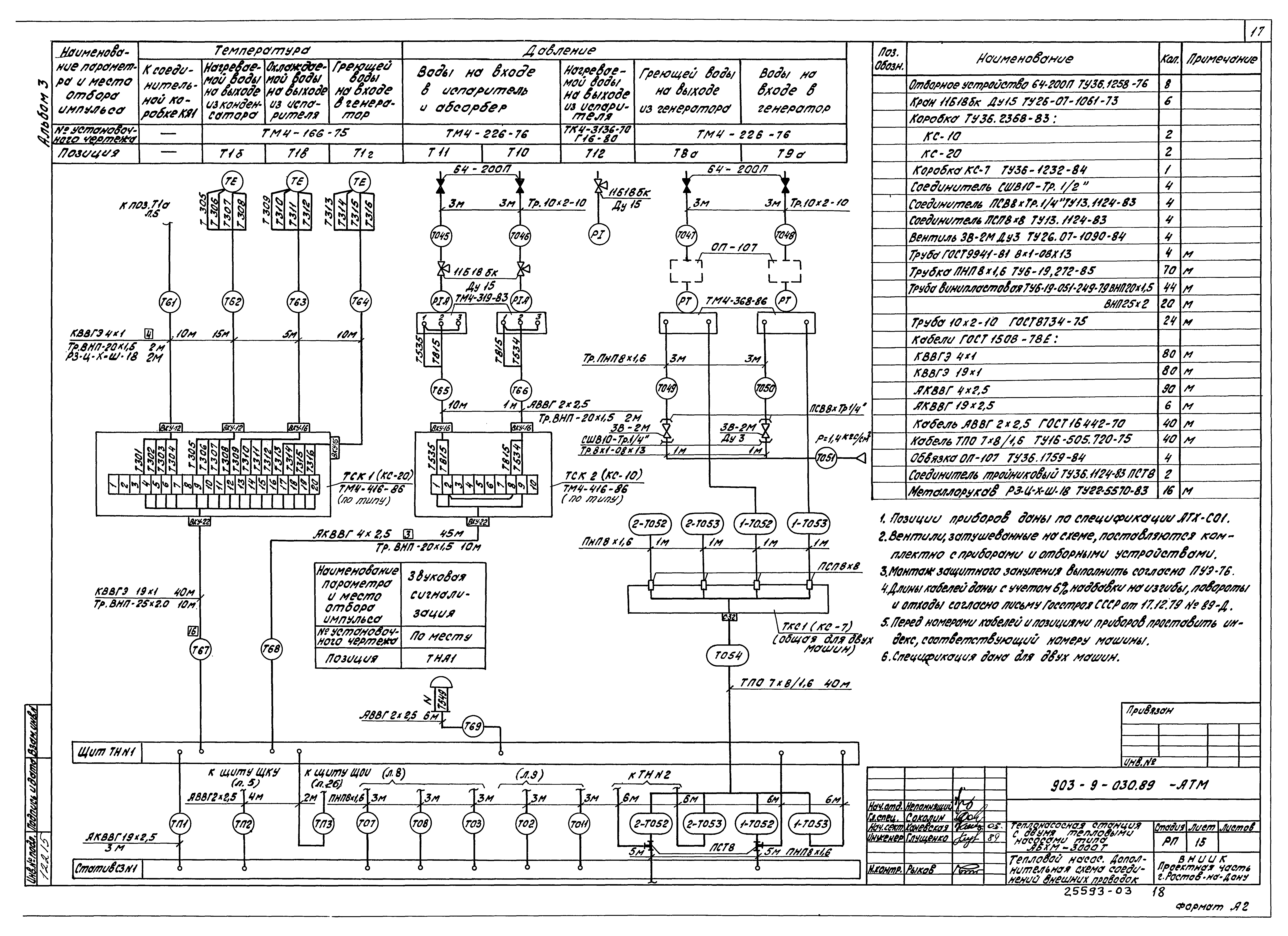
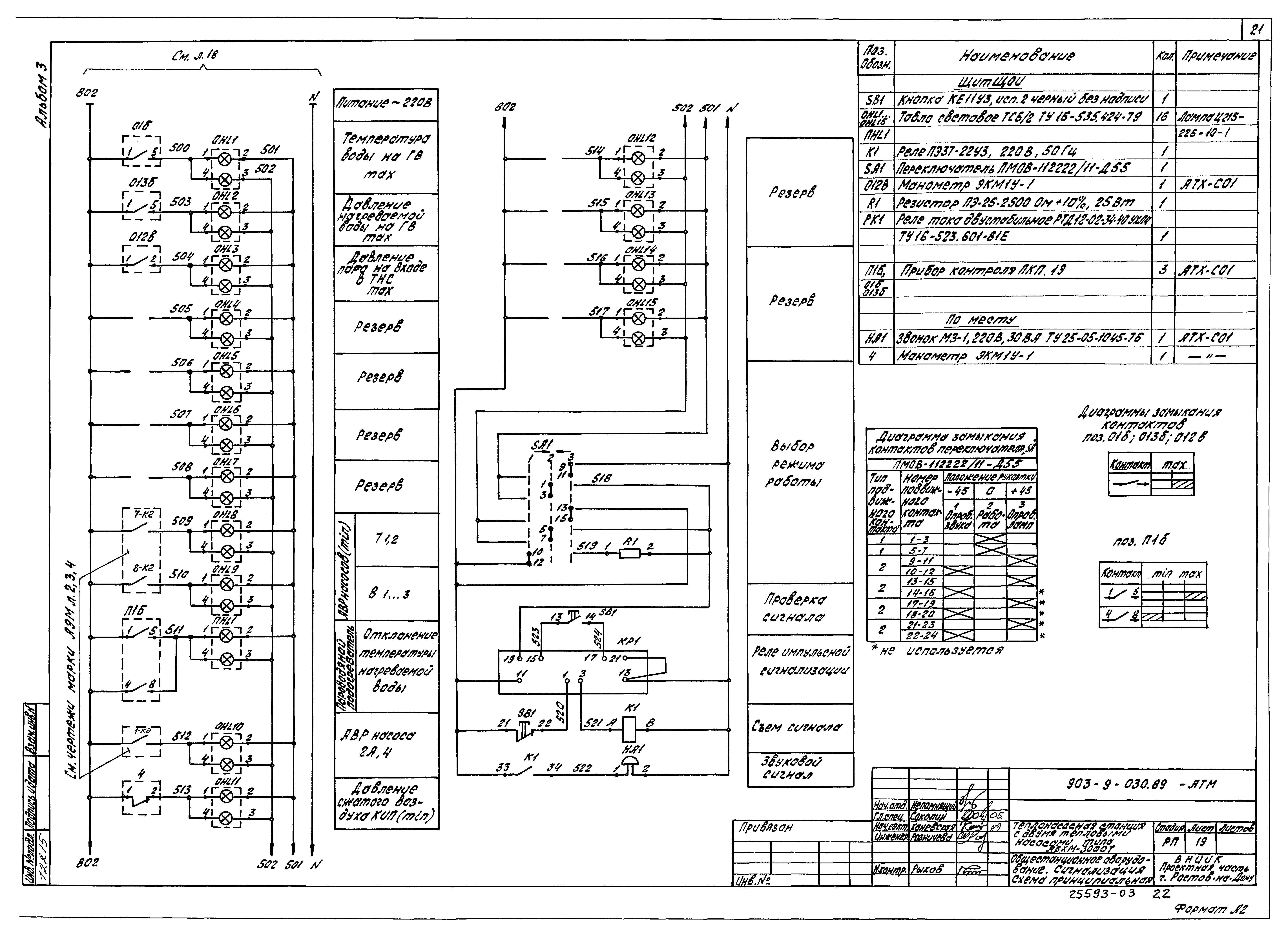
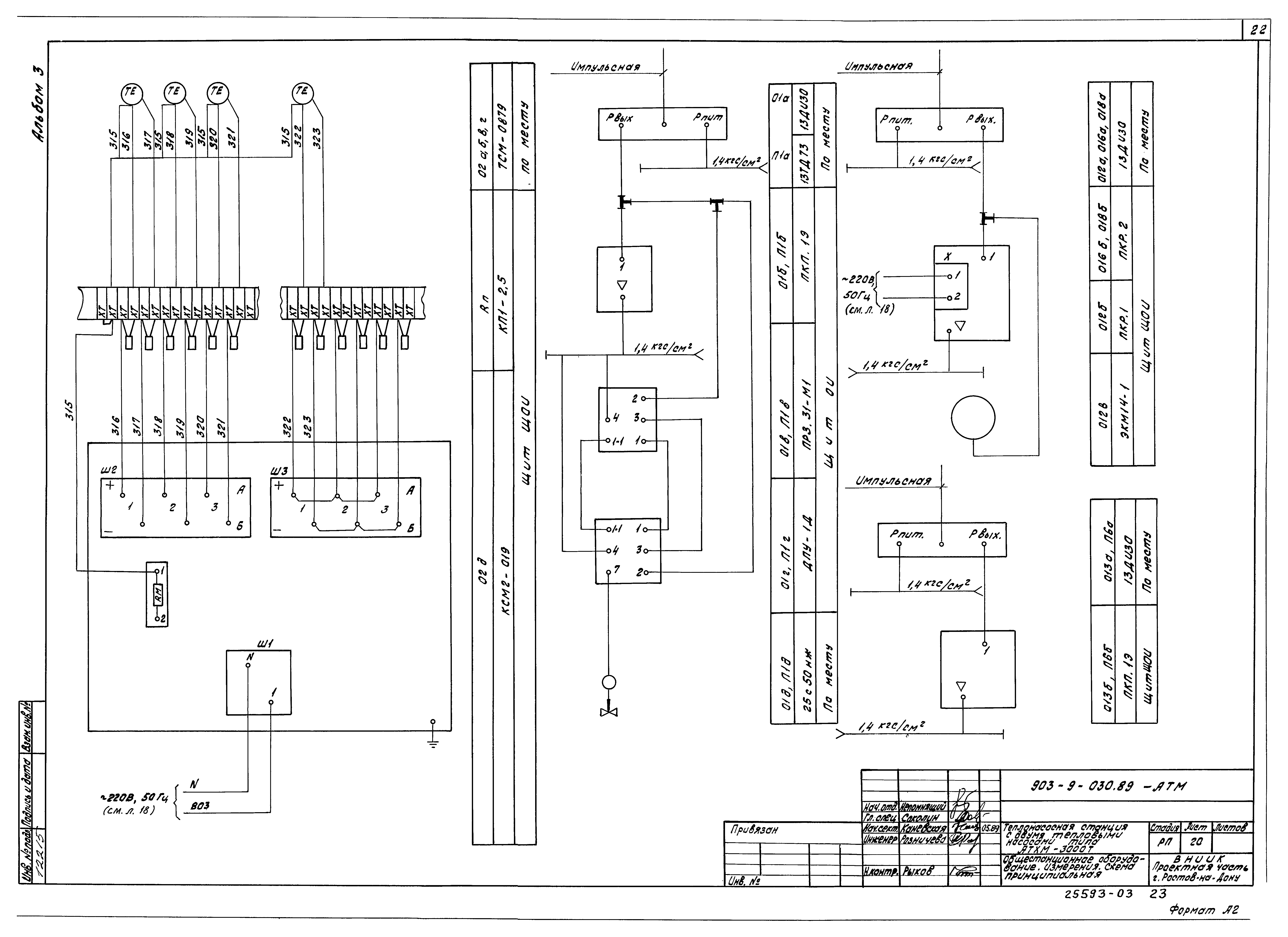
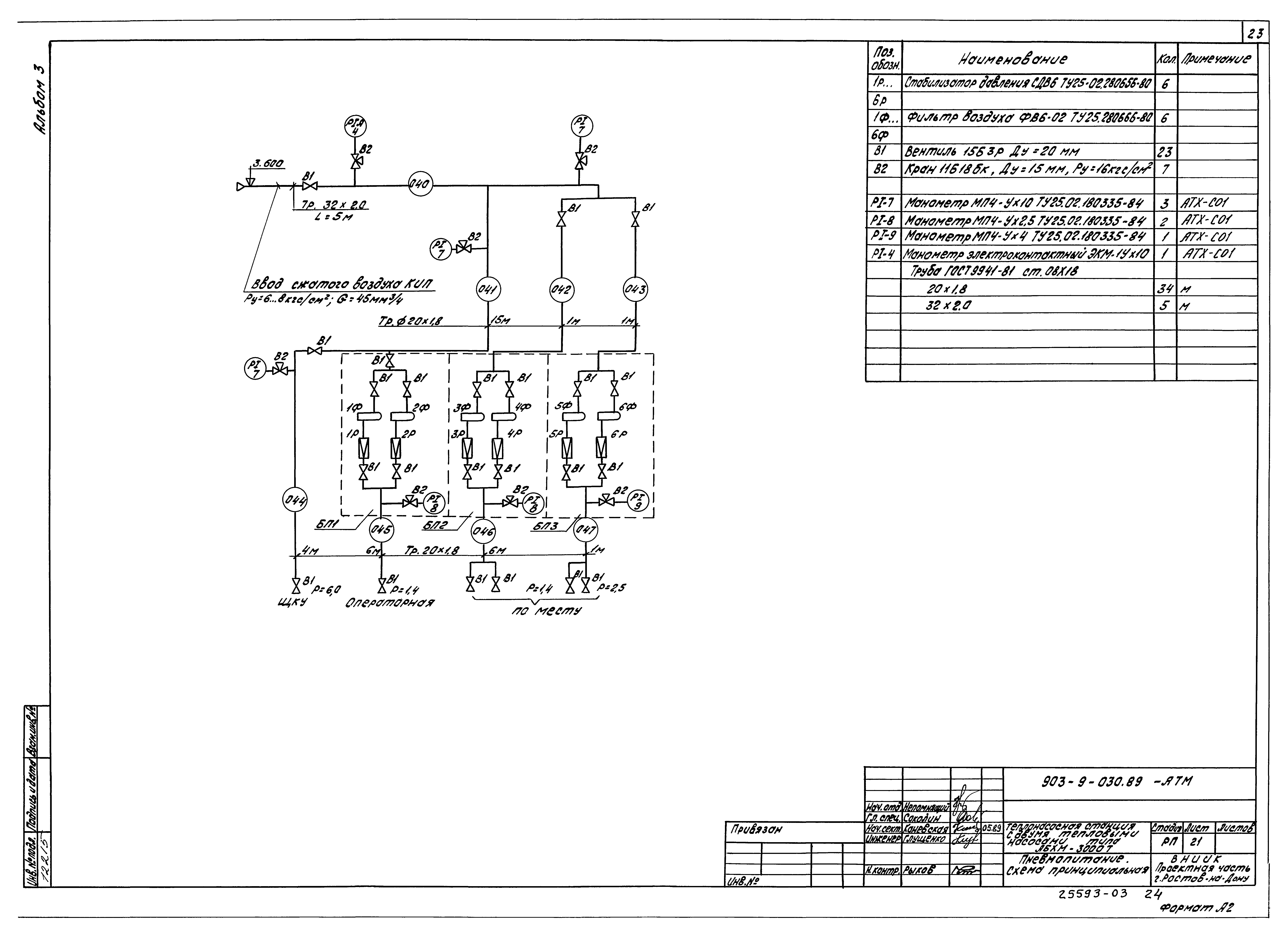
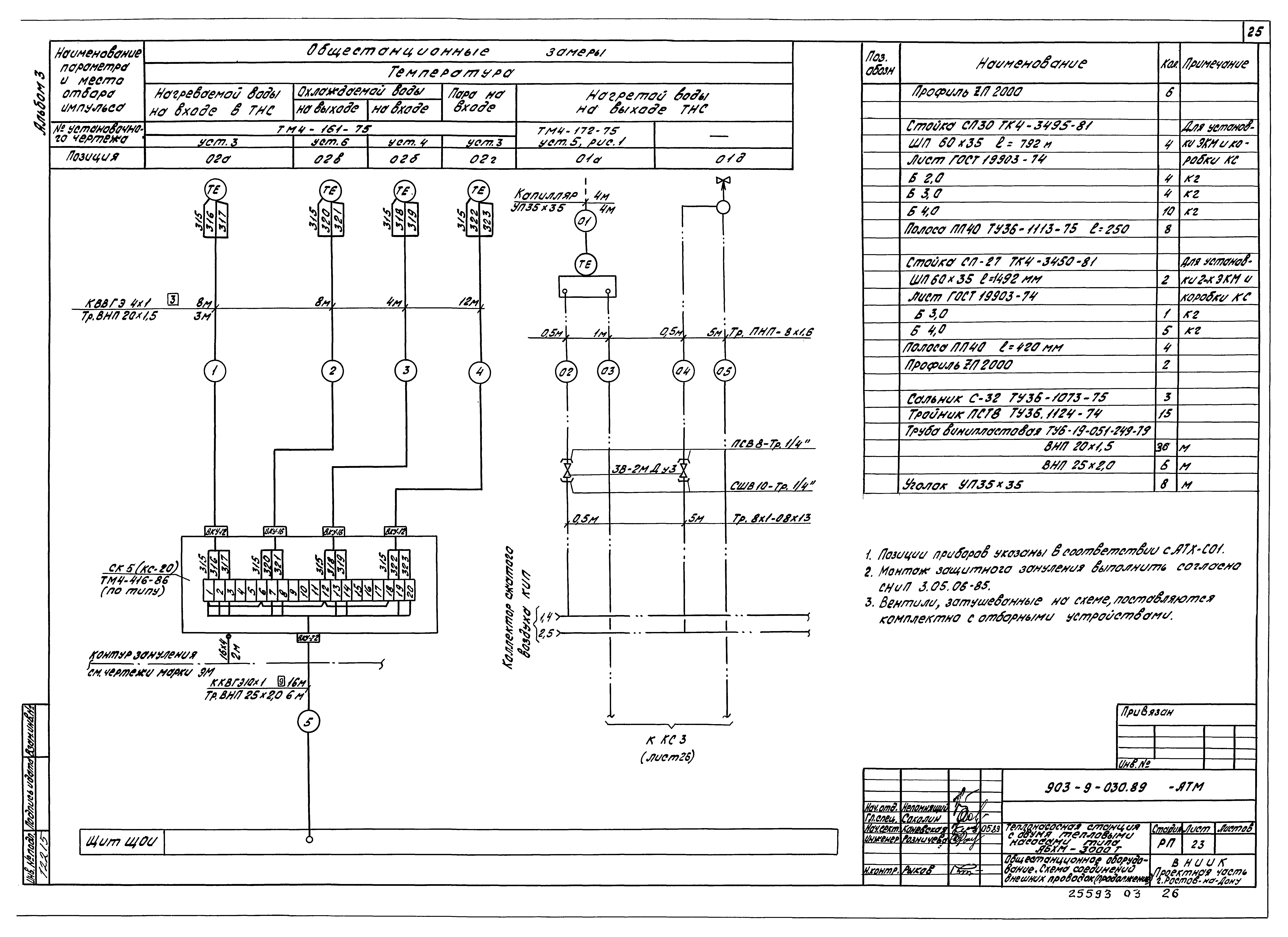
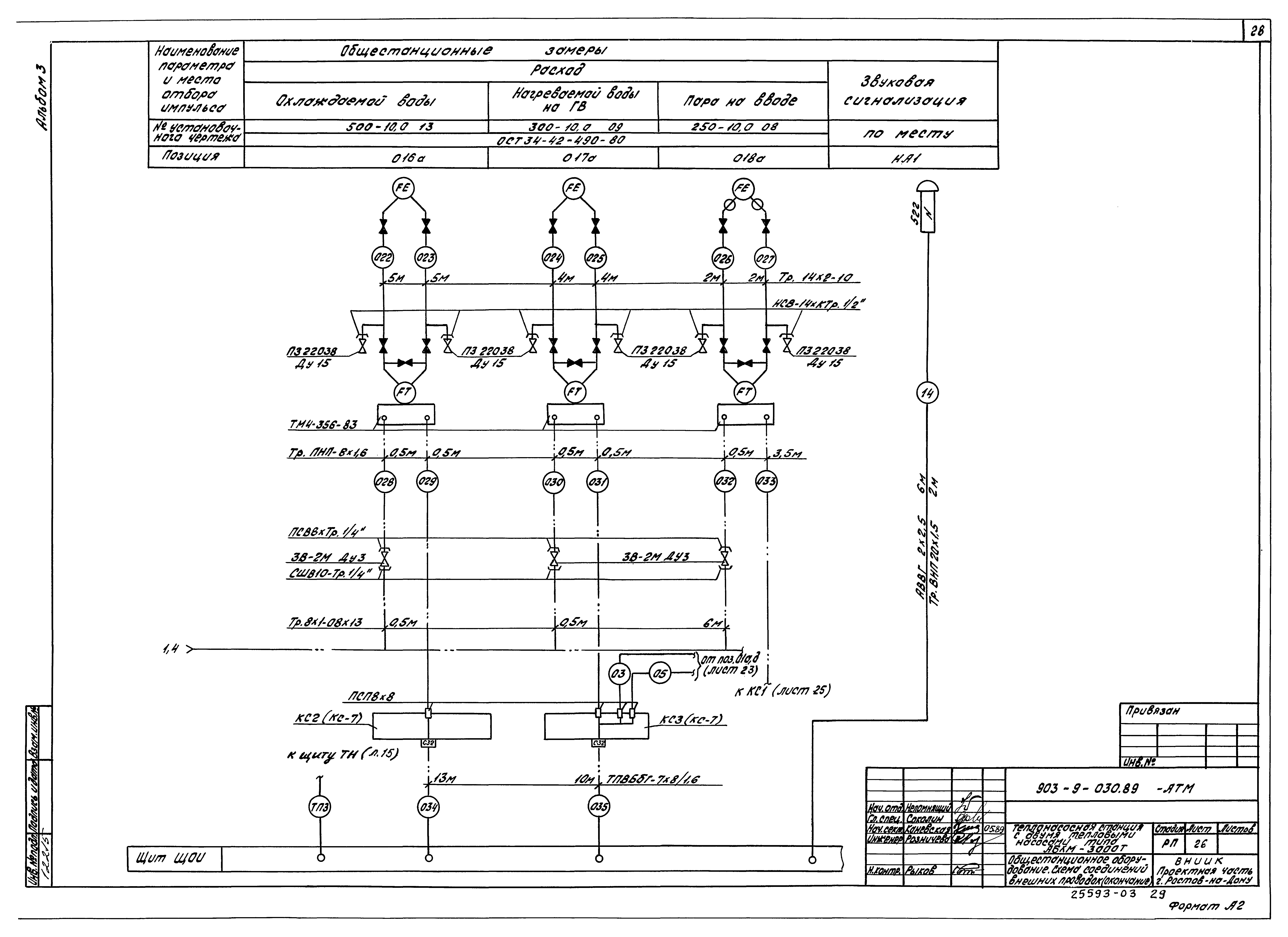
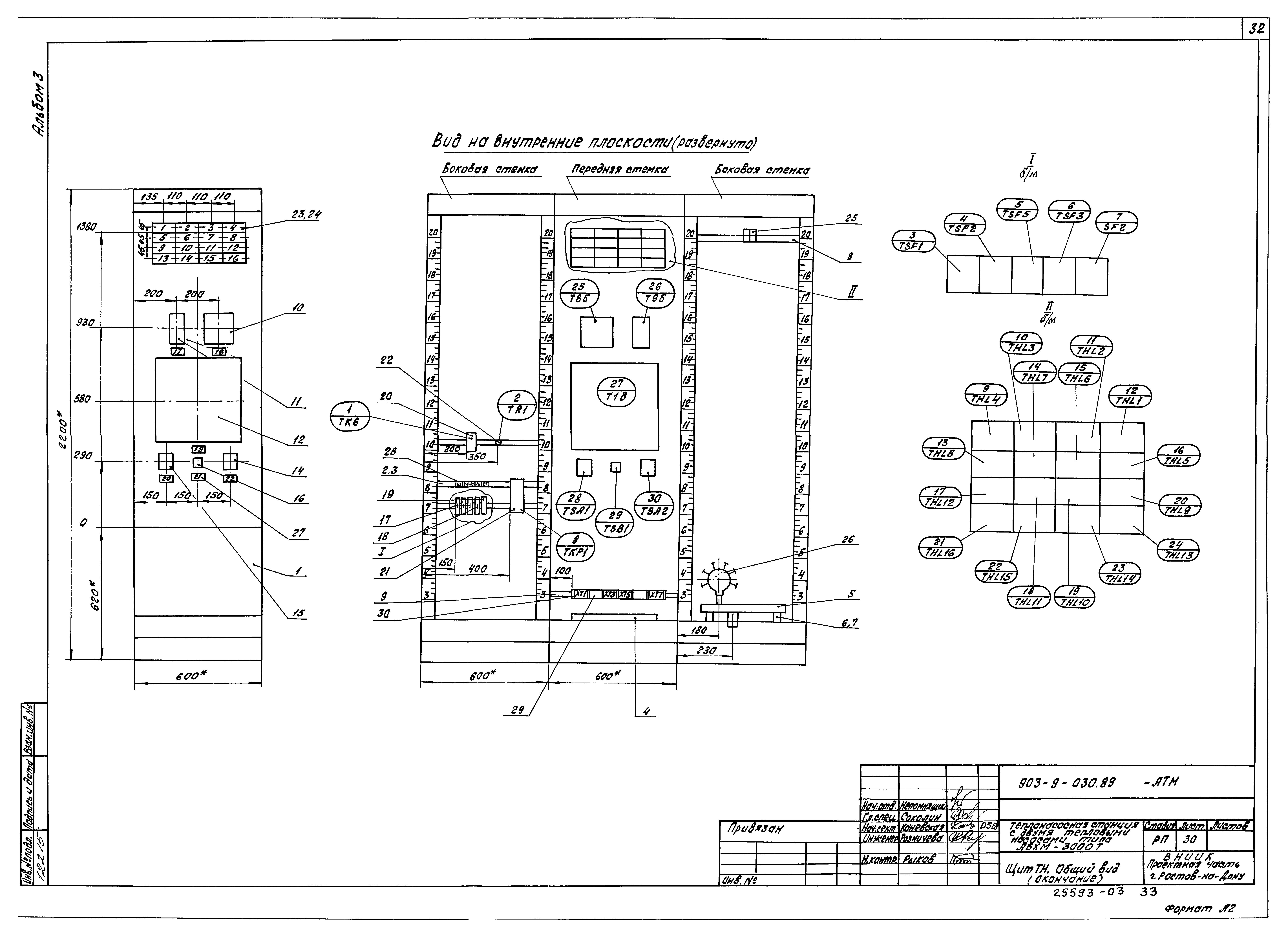
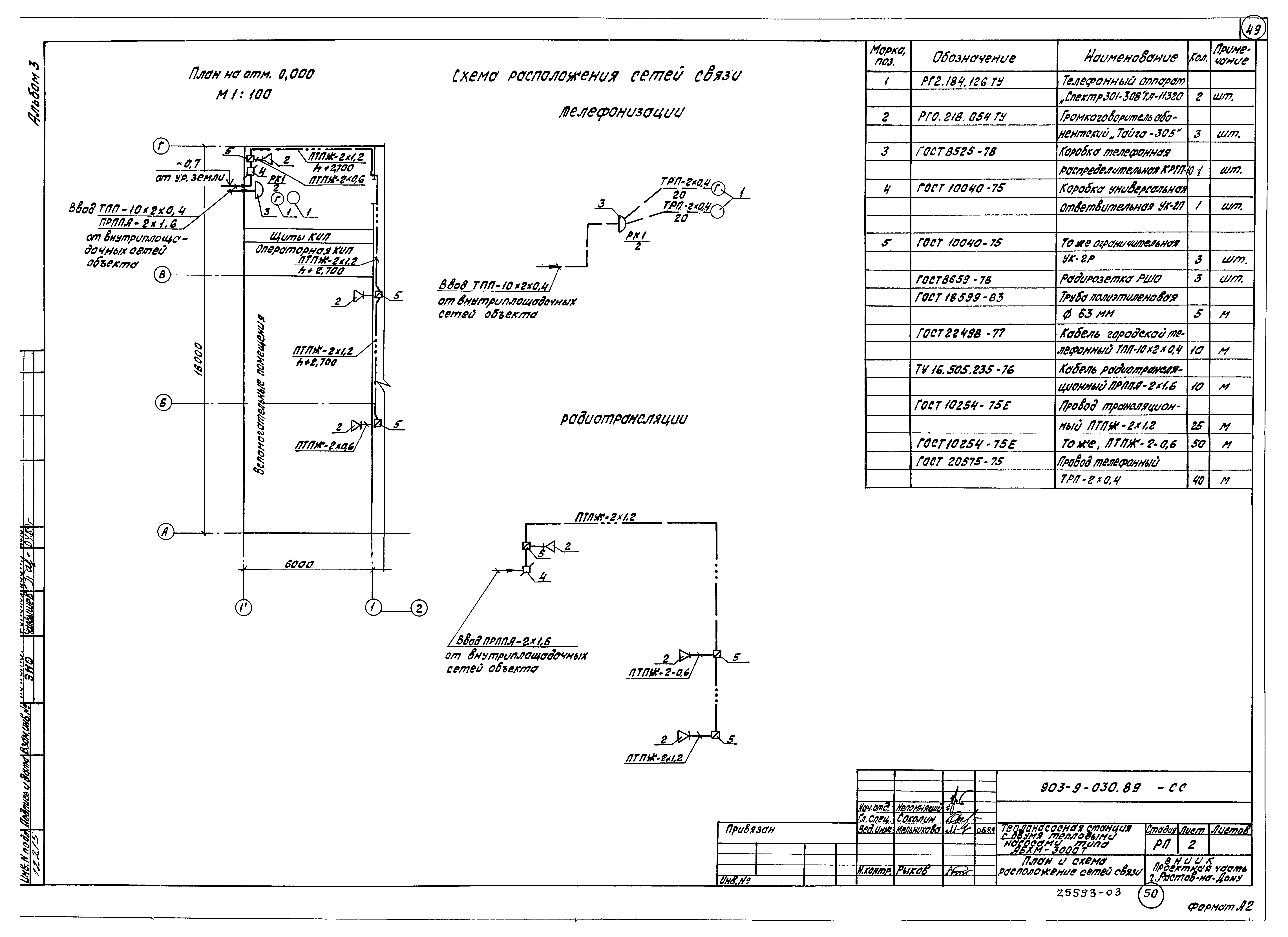
Скачать Типовые проектные решения 903-9-030.89 Альбом 3. Автоматизация. Связь и сигнализацияДата актуализации: 01.01.2021 Типовые проектные решения 903-9-030.89
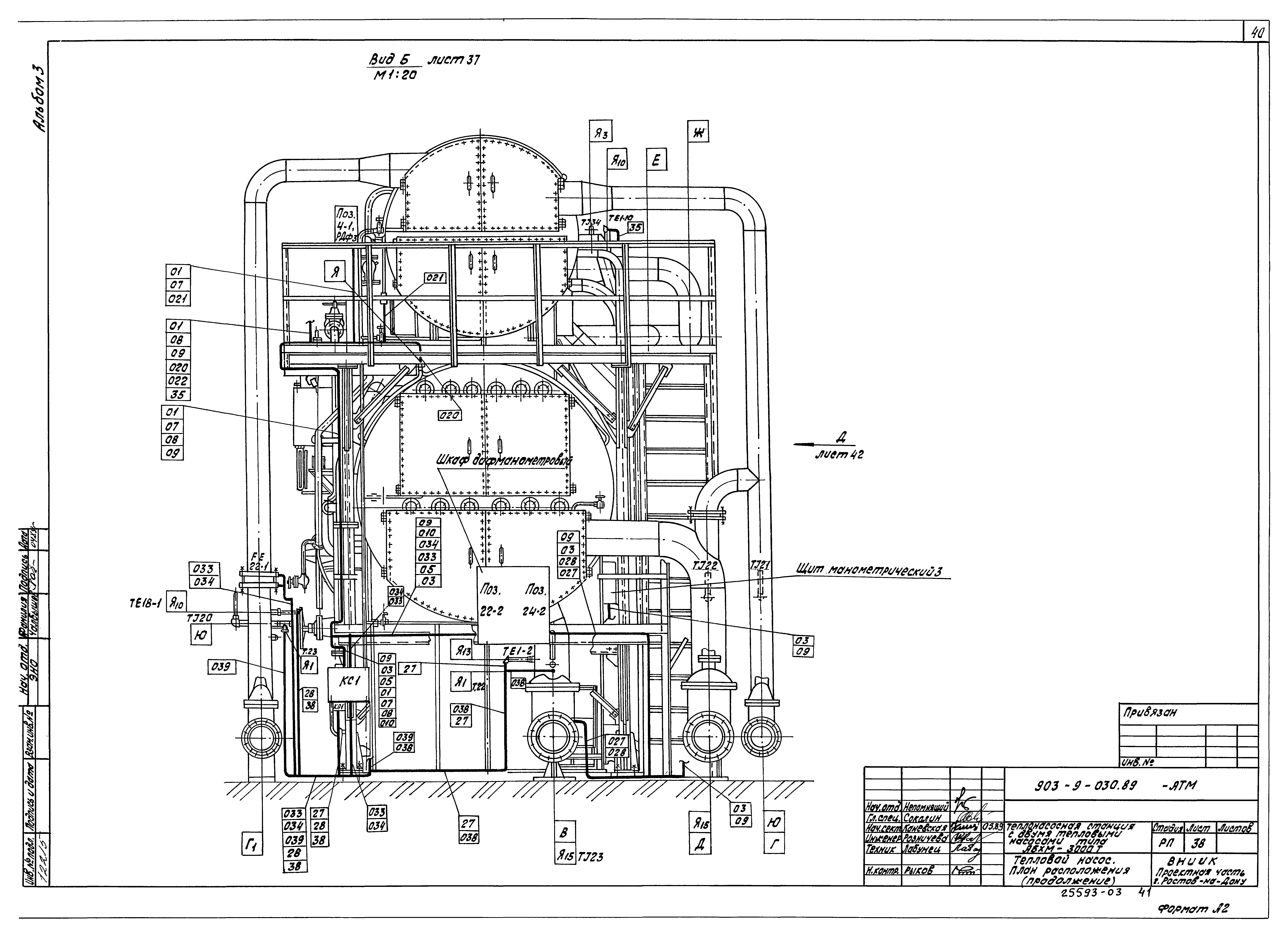
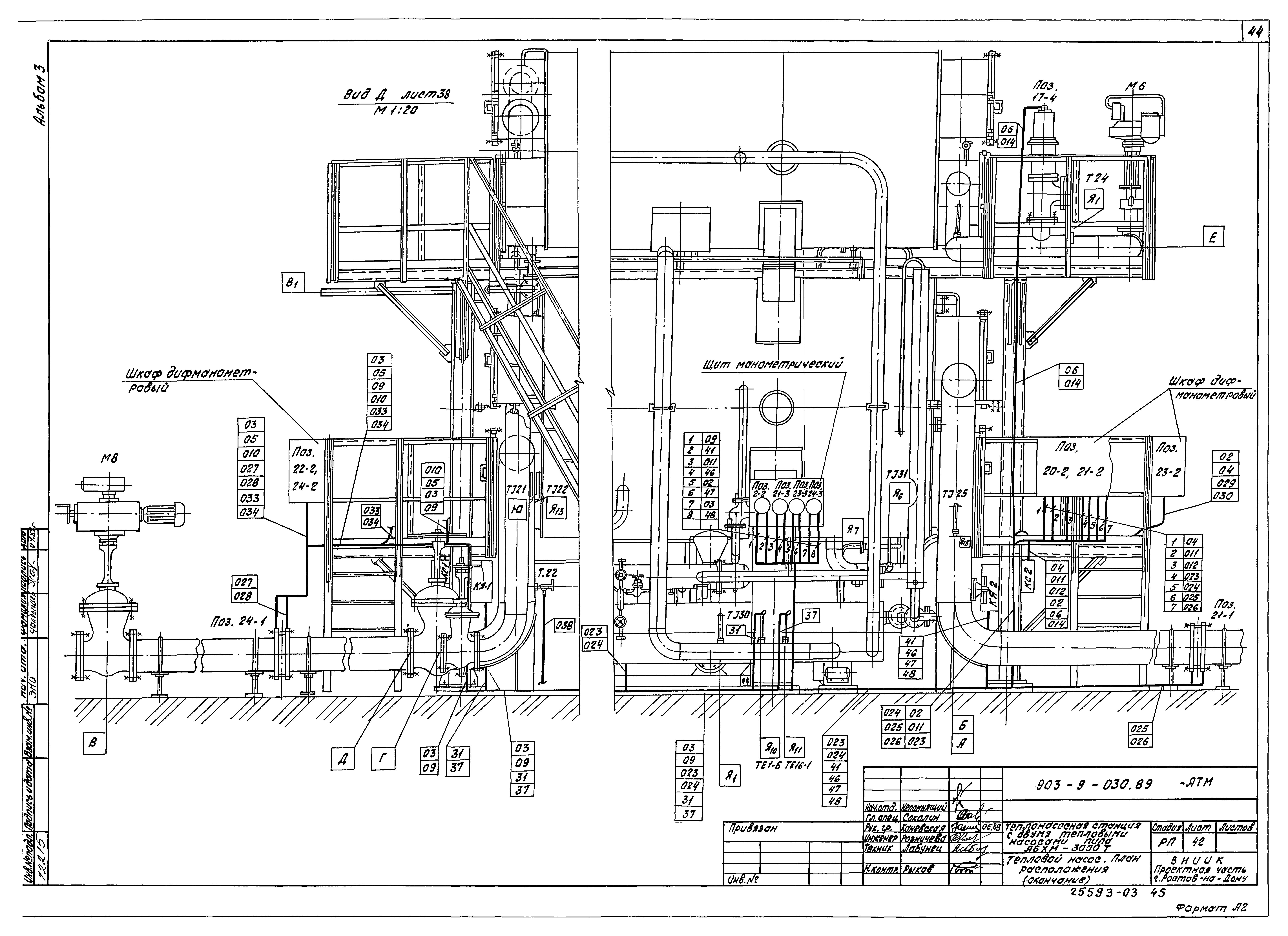
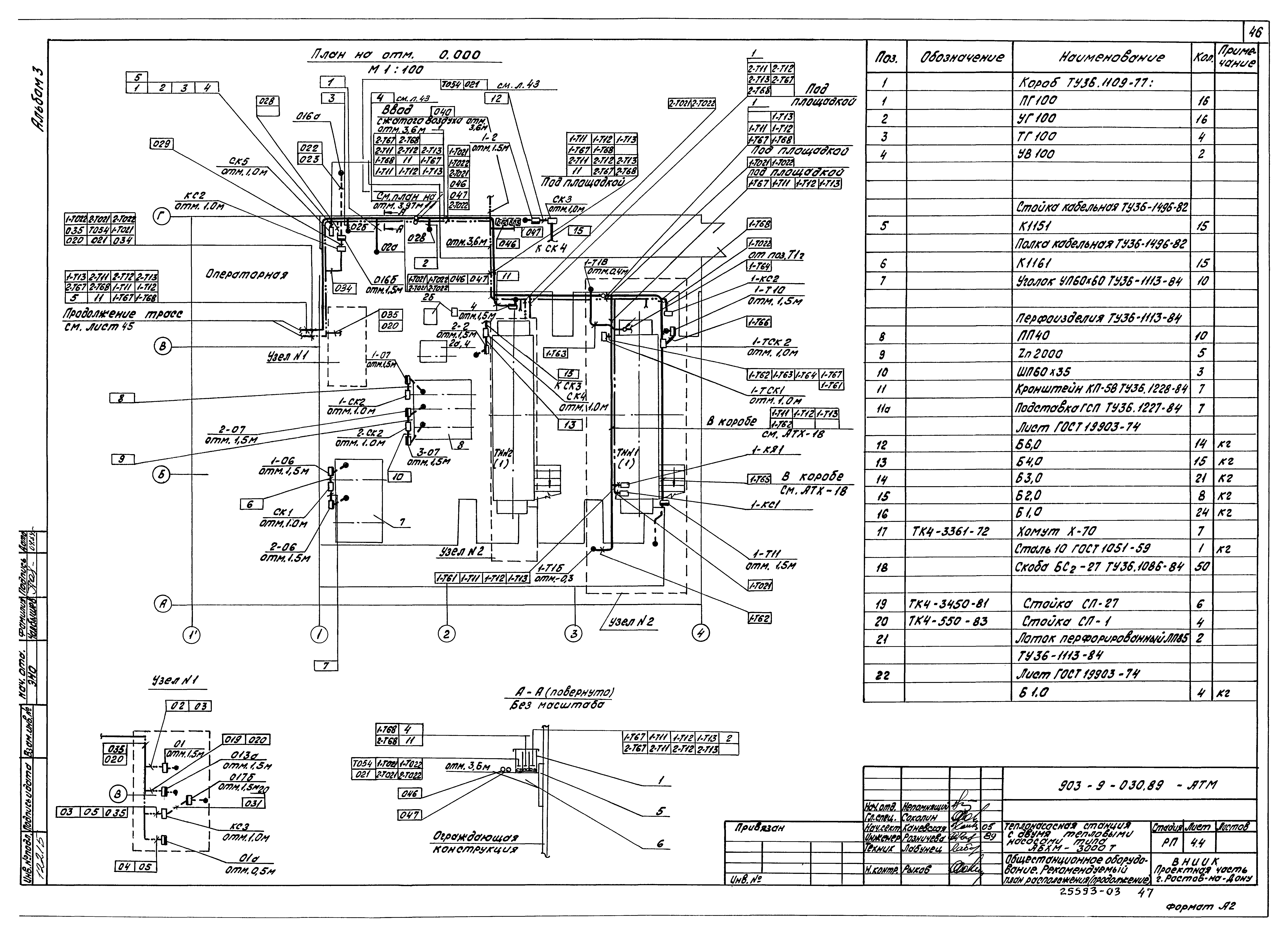
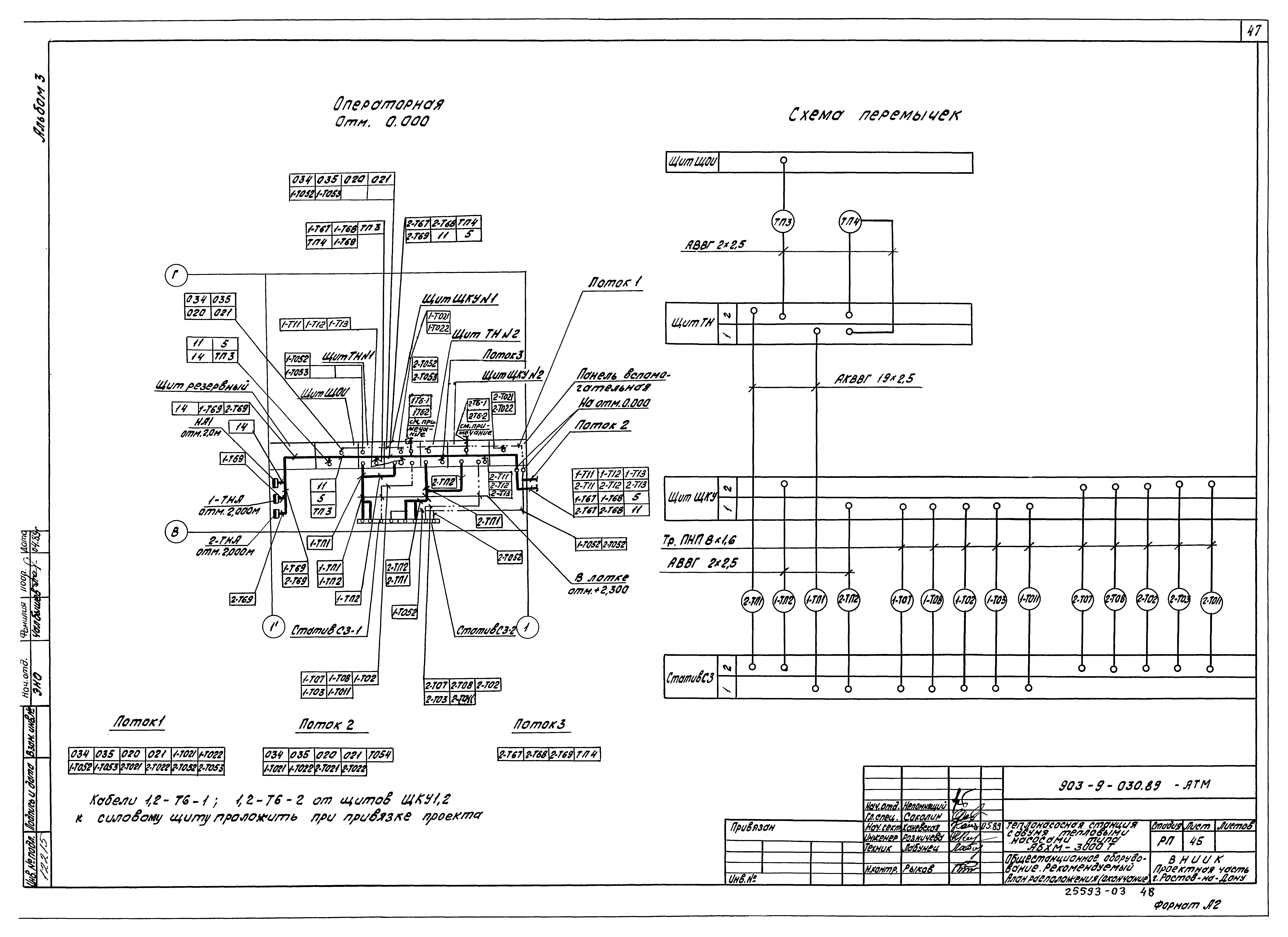
Альбом 3. Автоматизация. Связь и сигнализация| Обозначение: | Типовые проектные решения 903-9-030.89 | | Обозначение англ: | 903-9-030.89 | | Статус: | справочные материалы, мп, тпр | | Название рус.: | Альбом 3. Автоматизация. Связь и сигнализация | | Дата добавления в базу: | 01.01.2018 | | Дата актуализации: | 01.01.2021 | | Дата введения: | 20.04.1989 | | Разработан: | Проектная часть ВНИИК
| | Утверждён: | 23.05.1989 Минхимпром СССР (USSR Minkhimprom 15-5-1/465)
| | Издан: | ГУП ЦПП (CPP GUP 1998 г. )
|
                                                
|