Скачать Типовой проект 901-3-263.89 Альбом 3. Архитектурные решения. Конструкции железобетонные. Конструкции металлические. Строительные изделия. Организация строительства

Дата актуализации: 01.01.2021

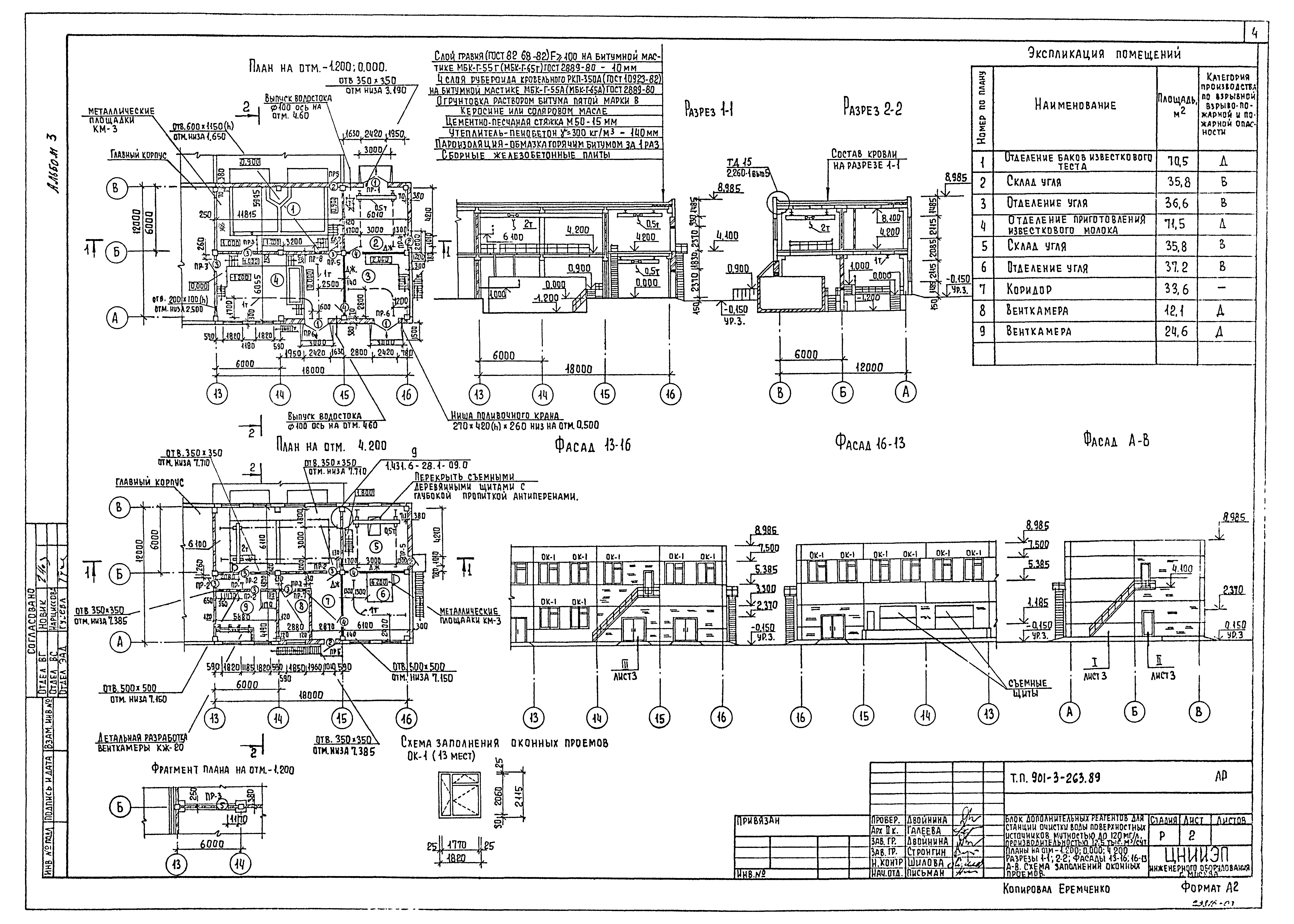
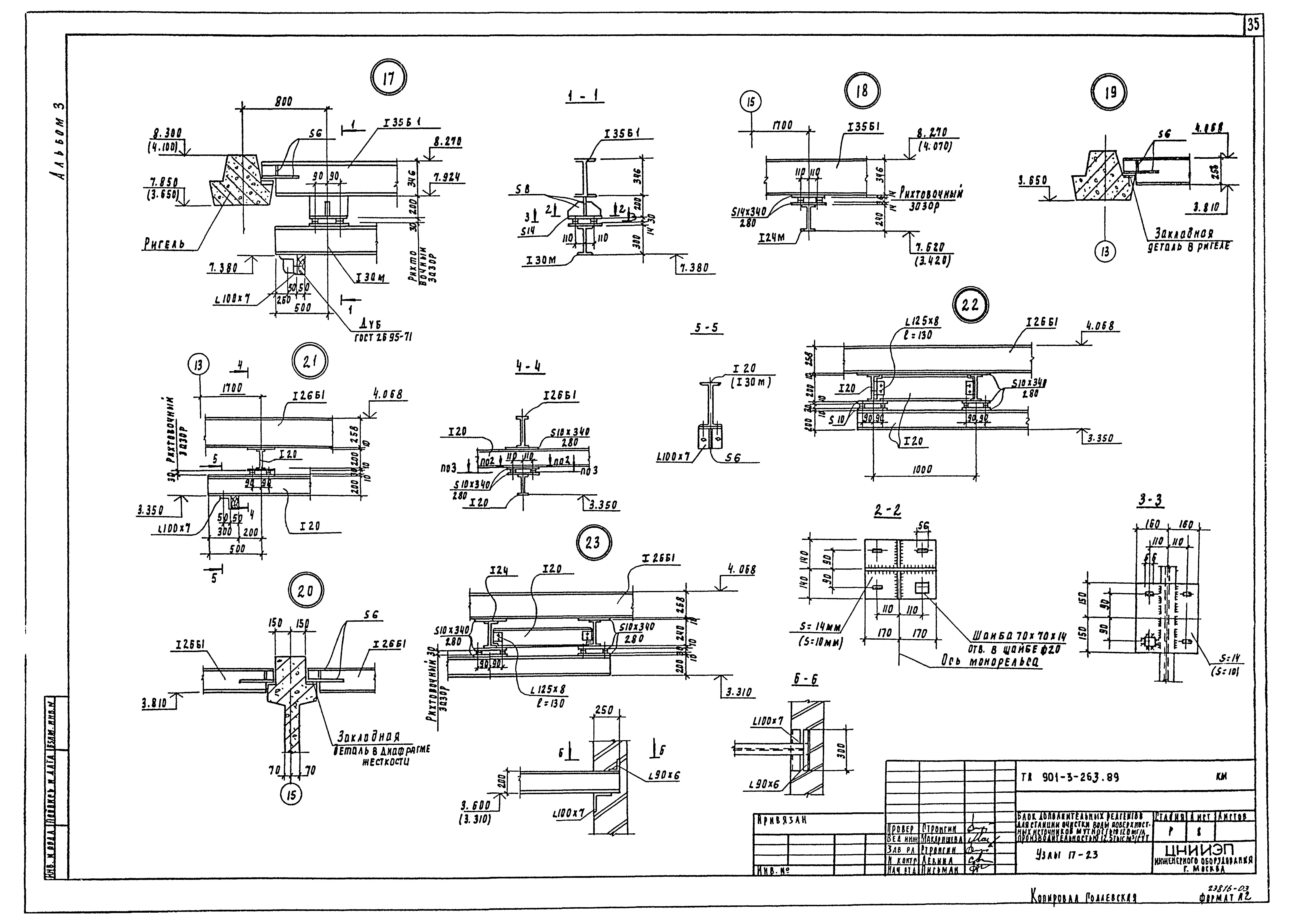
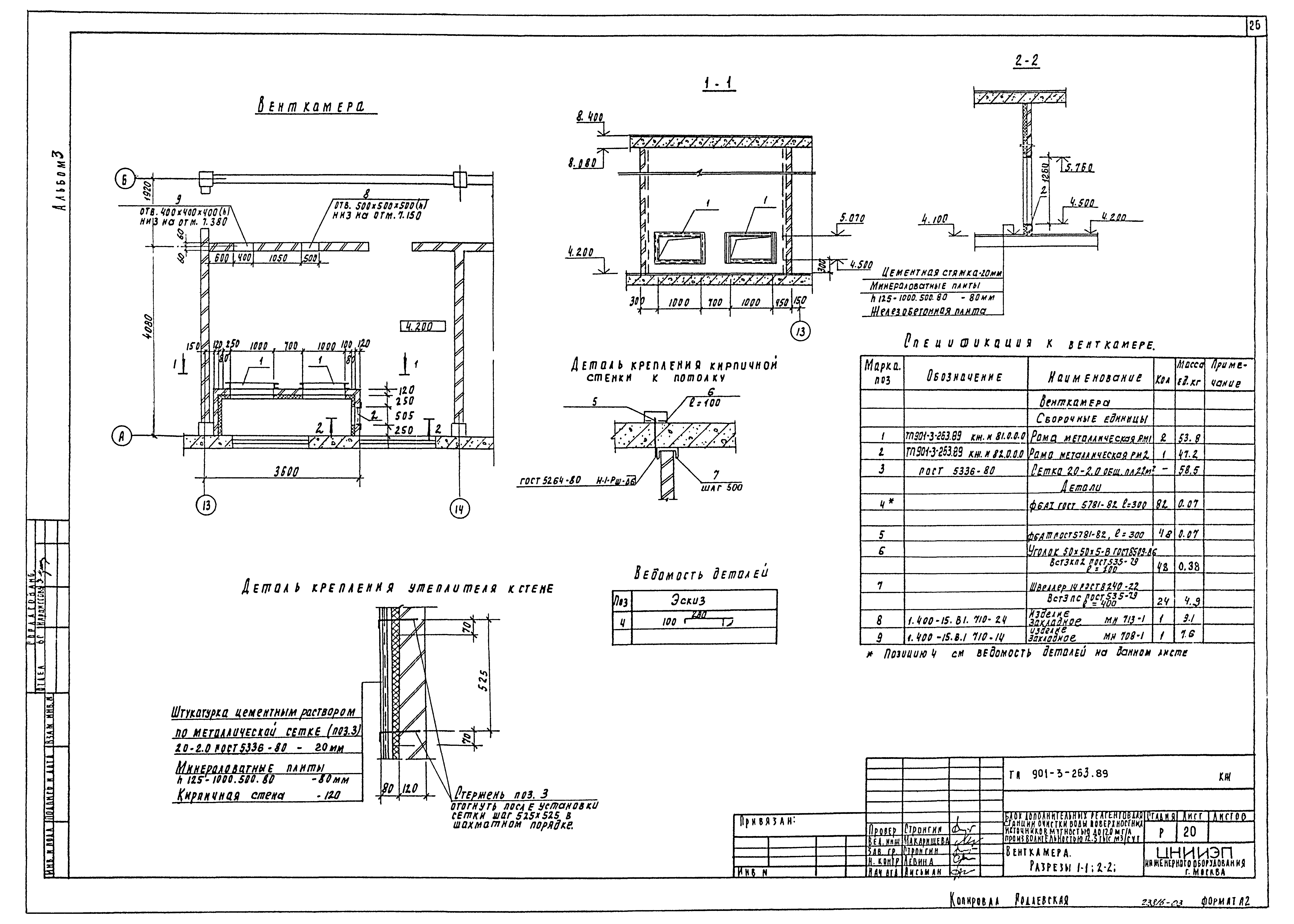
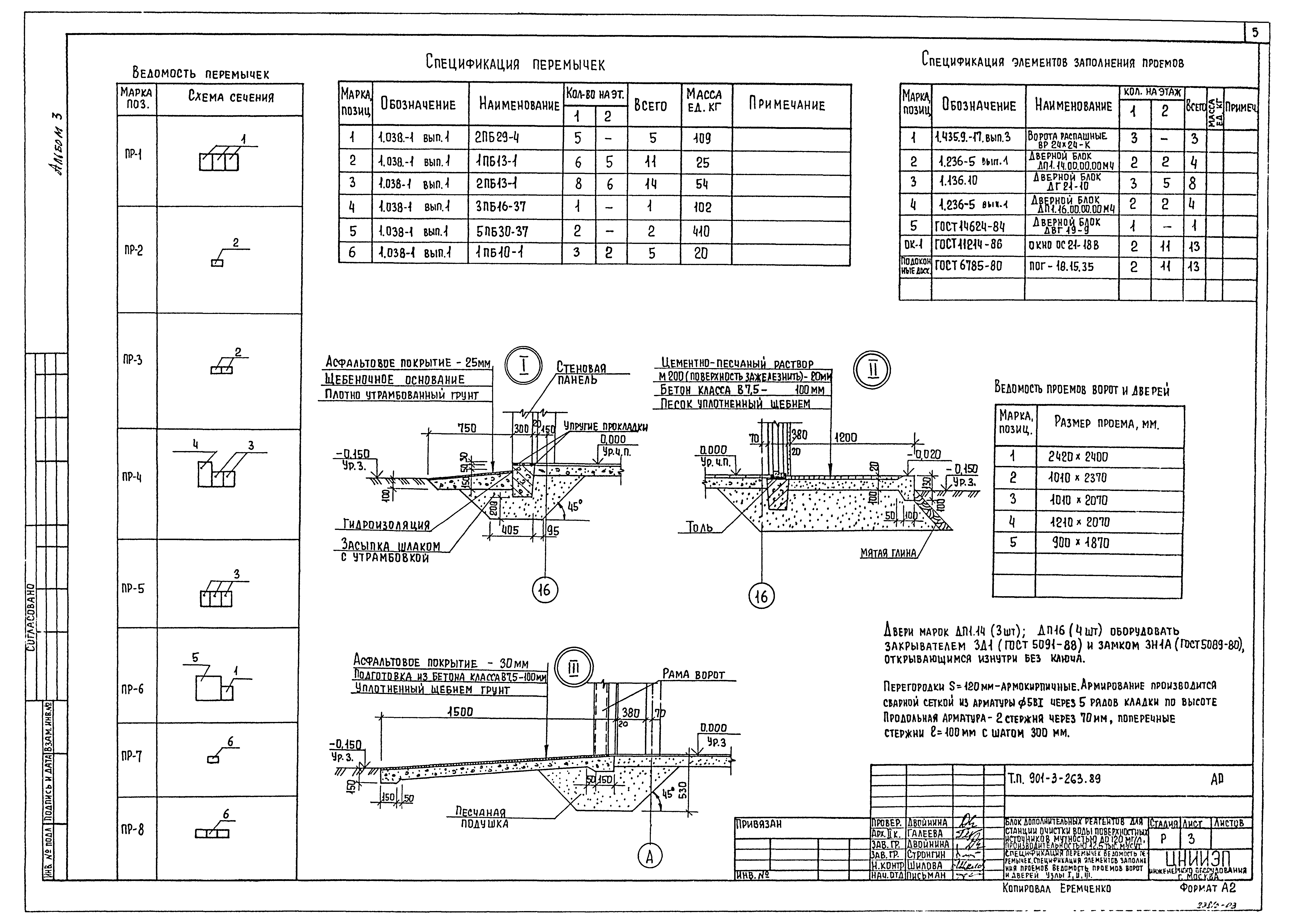
Типовой проект 901-3-263.89

Альбом 3. Архитектурные решения. Конструкции железобетонные. Конструкции металлические. Строительные изделия. Организация строительства

Обозначение: Типовой проект 901-3-263.89
Обозначение англ: 901-3-263.89
Статус:не определен законодательством
Название рус.:Альбом 3. Архитектурные решения. Конструкции железобетонные. Конструкции металлические. Строительные изделия. Организация строительства
Дата добавления в базу:01.01.2018
Дата актуализации:01.01.2021
Дата введения:29.07.1986
Дата окончания срока действия:30.06.2003
Разработан: ЦНИИЭП инженерного оборудования
Утверждён:29.07.1986 Госгражданстрой (Gosgrazhdanstroy 242)
Издан: ЦИТП Госстроя СССР (CITP, Gosstroy (USSR) 1989 г. )
Заменяет собой:
  • Типовой проект 901-3-131
Типовой проект 901-3-263.89Типовой проект 901-3-263.89Типовой проект 901-3-263.89Типовой проект 901-3-263.89Типовой проект 901-3-263.89Типовой проект 901-3-263.89Типовой проект 901-3-263.89Типовой проект 901-3-263.89Типовой проект 901-3-263.89Типовой проект 901-3-263.89Типовой проект 901-3-263.89Типовой проект 901-3-263.89Типовой проект 901-3-263.89Типовой проект 901-3-263.89Типовой проект 901-3-263.89Типовой проект 901-3-263.89Типовой проект 901-3-263.89Типовой проект 901-3-263.89Типовой проект 901-3-263.89Типовой проект 901-3-263.89Типовой проект 901-3-263.89Типовой проект 901-3-263.89Типовой проект 901-3-263.89Типовой проект 901-3-263.89Типовой проект 901-3-263.89Типовой проект 901-3-263.89Типовой проект 901-3-263.89Типовой проект 901-3-263.89Типовой проект 901-3-263.89Типовой проект 901-3-263.89Типовой проект 901-3-263.89Типовой проект 901-3-263.89Типовой проект 901-3-263.89Типовой проект 901-3-263.89Типовой проект 901-3-263.89Типовой проект 901-3-263.89Типовой проект 901-3-263.89Типовой проект 901-3-263.89Типовой проект 901-3-263.89Типовой проект 901-3-263.89Типовой проект 901-3-263.89Типовой проект 901-3-263.89Типовой проект 901-3-263.89Типовой проект 901-3-263.89Типовой проект 901-3-263.89Типовой проект 901-3-263.89Типовой проект 901-3-263.89Типовой проект 901-3-263.89Типовой проект 901-3-263.89